GM Service Manual Online
For 1990-2009 cars only
Figure 1:

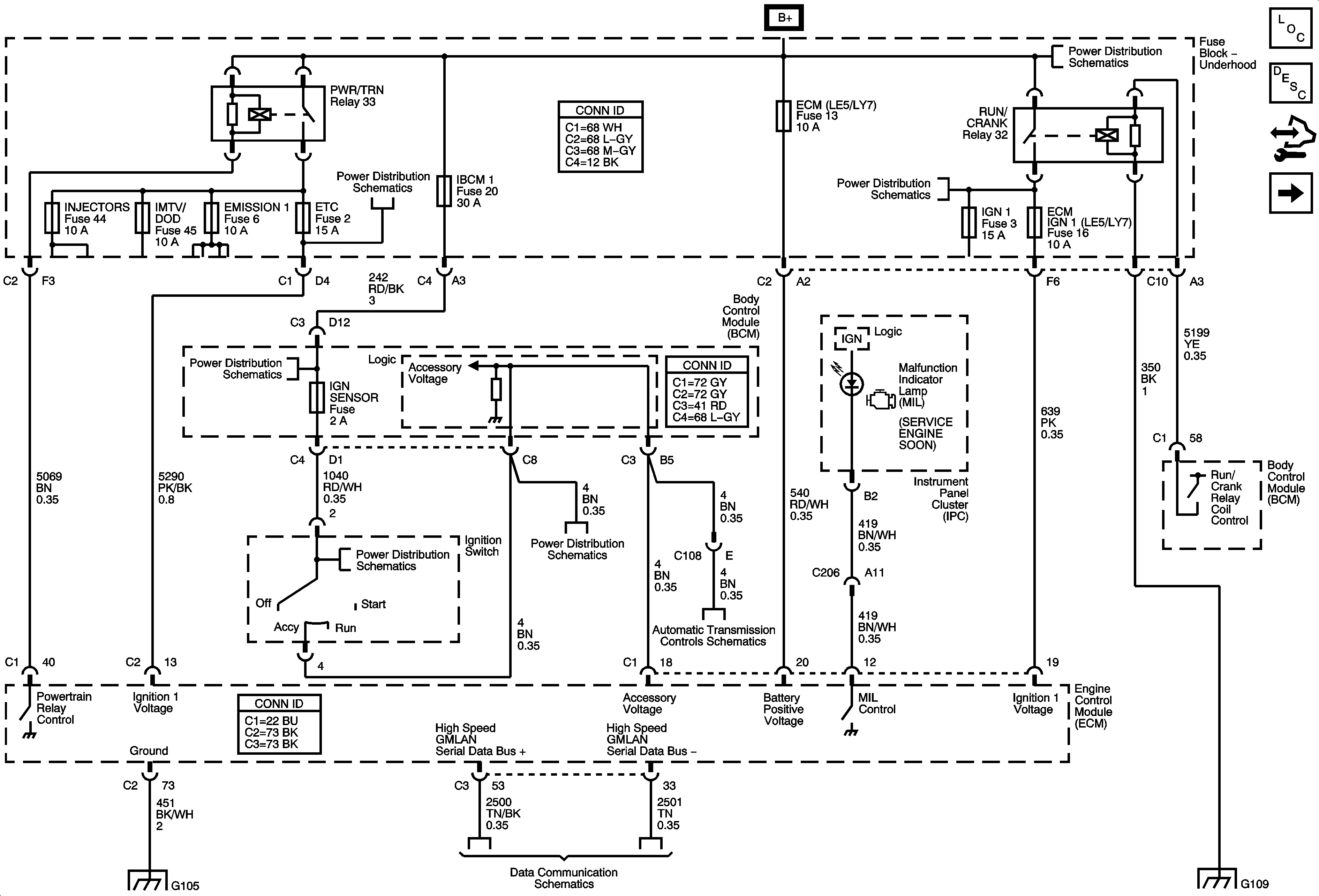
DLC, Ground, MIL and Power


Object Number: 1821980  Size: FS
Master Electrical Component List
Engine Control Module Description
Control Module References
5-Volt and Low References
Underhood Fuse Block B+
Underhood Fuse Block RUN/CRANK Relay, ABS, IGN 1, INJ, PCM IGN 1 and TRANS Fuses
Underhood Fuse Block B+
Underhood Fuse Block IBCM 1 Fuse, BCM AIRBAG (BATT), CLUSTER/THEFT, HVAC CTRL (BATT), IGN SENSOR and RADIO Fuses and Ignition Switch
Underhood Fuse Block IBCM 1 Fuse, BCM AIRBAG (BATT), CLUSTER/THEFT, HVAC CTRL (BATT), IGN SENSOR and RADIO Fuses and Ignition Switch
BCM, EBCM, ECM
G103, G104, and G105
Power, Ground, High Speed GMLAN Serial Data
G109
Figure 2:

5-Volt and Low References


Object Number: 1821990  Size: FS
Master Electrical Component List
Engine Control Module Description
Control Module References
MAF, VSS and Extended Brake Travel Switch
DLC, Ground, MIL and Power
Figure 3:

MAF, VSS and Extended Brake Travel Switch


Object Number: 1821994  Size: FS
Master Electrical Component List
Engine Control Module Description
Control Module References
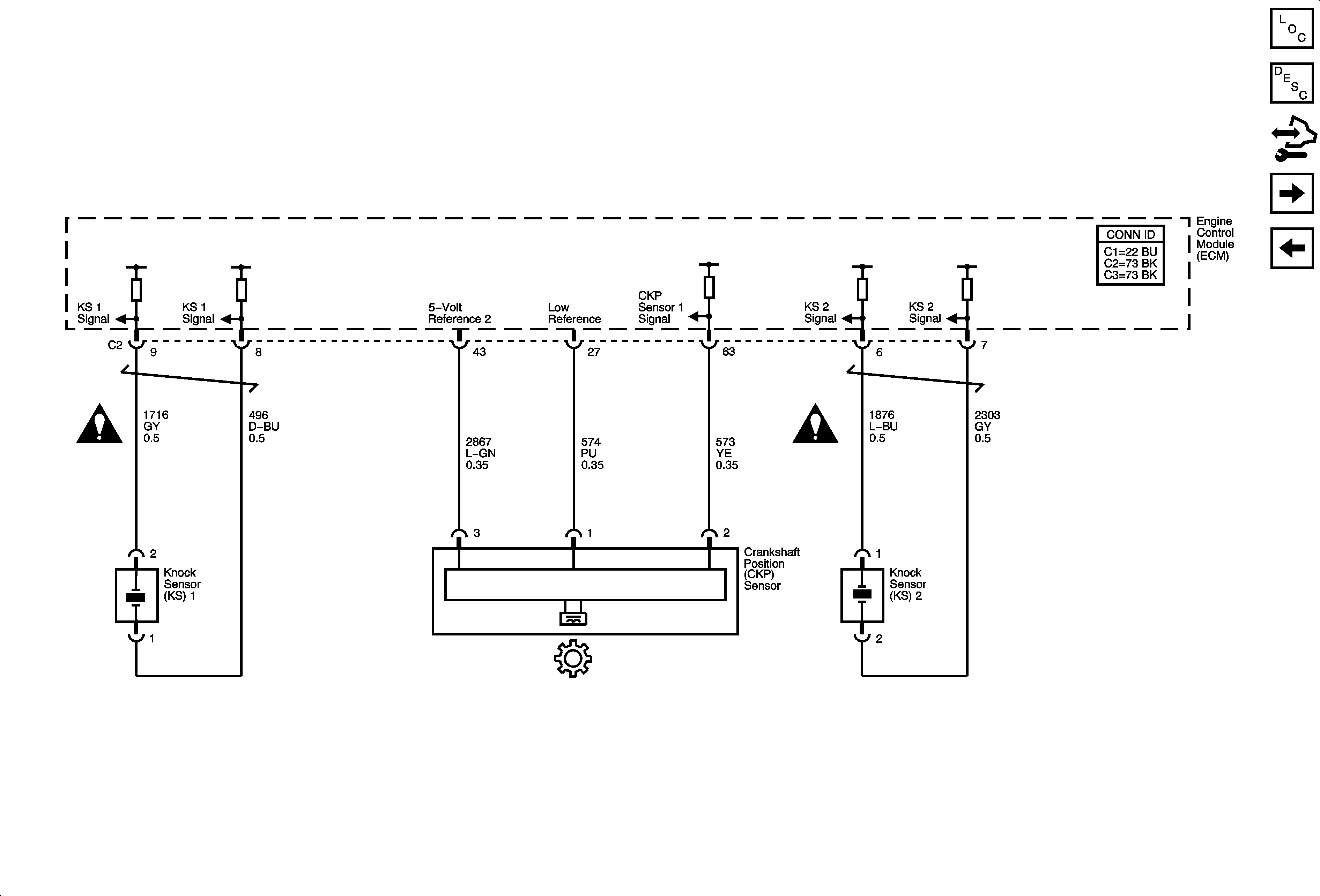
Heated Oxygen Sensors
5-Volt and Low References
Turn Signals and Stop Lamps
Brake Pedal Position Sensor and Stop Lamp Switch Signal
G103, G104, and G105
Figure 4:

Heated Oxygen Sensors


Object Number: 1822000  Size: FS
Master Electrical Component List
Engine Control Module Description
Control Module References
Electronic Throttle Controls
MAF, VSS and Extended Brake Travel Switch
Underhood Fuse Block A/C CLUTCH and PWR/TRN Relays, EMISSION 1, ETC, IGN MOD and IMTV/DOD Fuses
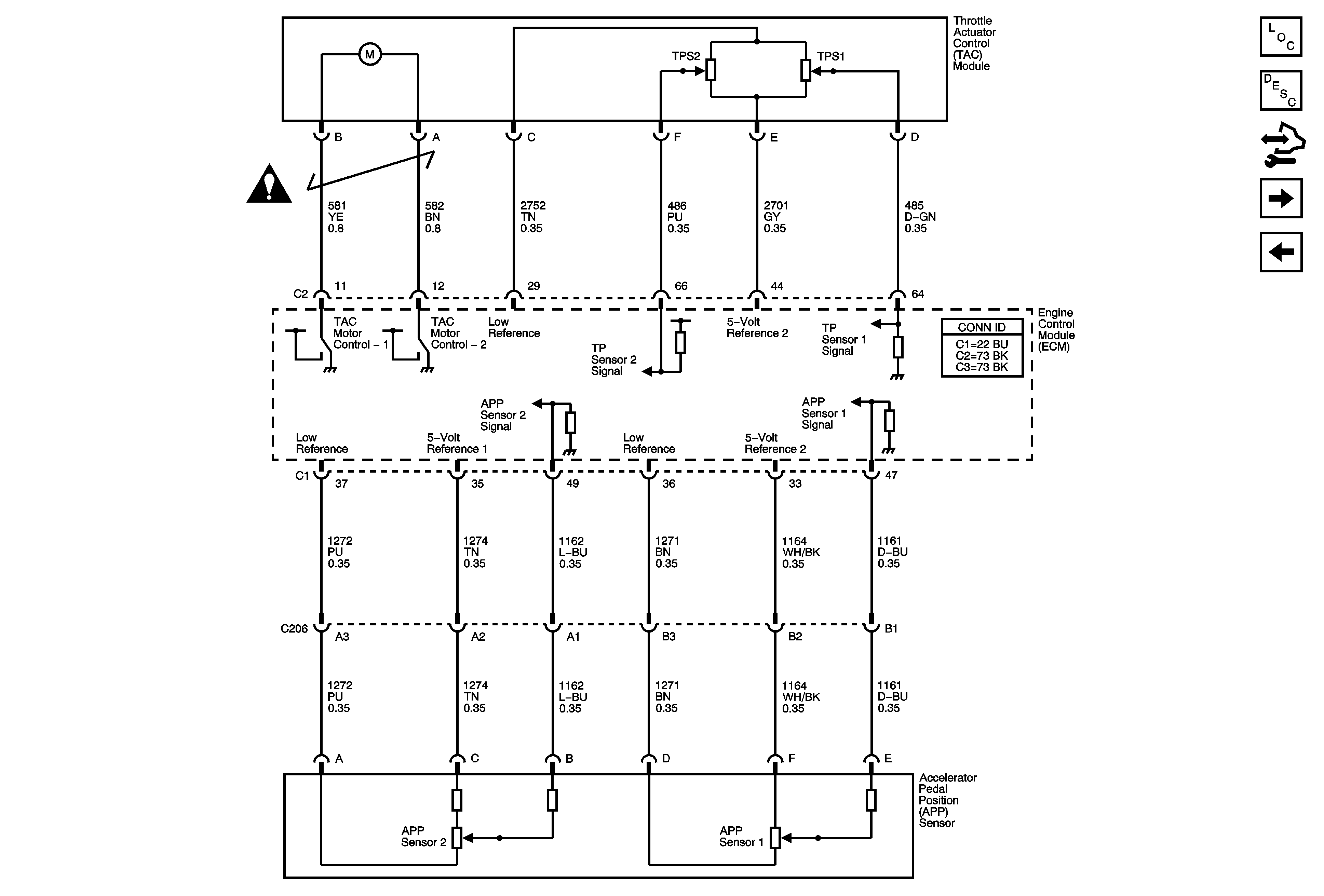
Figure 5:

Electronic Throttle Controls


Object Number: 1822006  Size: FS
Master Electrical Component List
Throttle Actuator Control (TAC) System Description
Control Module References
Ignition System
Heated Oxygen Sensors
Engine Controls Schematic Icons
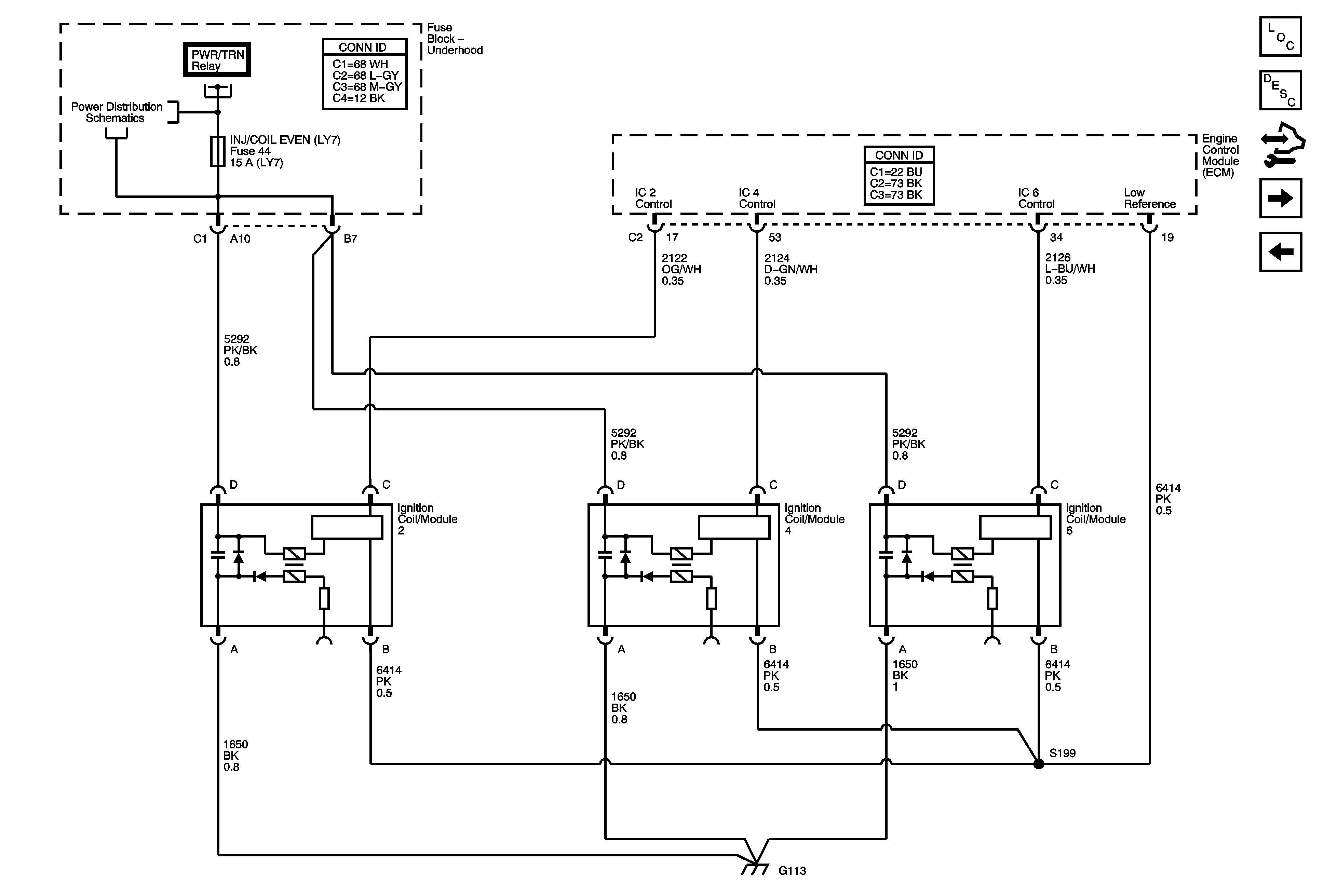
Figure 6:

Ignition System


Object Number: 1822011  Size: FS
Master Electrical Component List
Electronic Ignition (EI) System Description
Control Module References
Bank 1 Ignition Coils
Electronic Throttle Controls
Engine Controls Schematic Icons
Engine Controls Schematic Icons
Figure 7:

Bank 1 Ignition Coils


Object Number: 1822051  Size: FS
Master Electrical Component List
Electronic Ignition (EI) System Description
Control Module References
Bank 2 Ignition Coils
Ignition System
Underhood Fuse Block A/C CLUTCH and PWR/TRN Relays, EMISSION 1, ETC, IGN MOD and IMTV/DOD Fuses
G111 and G113
Figure 8:

Bank 2 Ignition Coils


Object Number: 1822054  Size: FS
Master Electrical Component List
Electronic Ignition (EI) System Description
Control Module References
Camshaft Position (CMP) Sensors and Solenoids
Bank 1 Ignition Coils
Underhood Fuse Block A/C CLUTCH and PWR/TRN Relays, EMISSION 1, ETC, IGN MOD and IMTV/DOD Fuses
G111 and G113
Figure 9:

Camshaft Postion (CMP) Sensors and Solenoids


Object Number: 1822070  Size: FS
Master Electrical Component List
Electronic Ignition (EI) System Description
Control Module References
Fuel Injectors and Fuel Pump
Bank 2 Ignition Coils
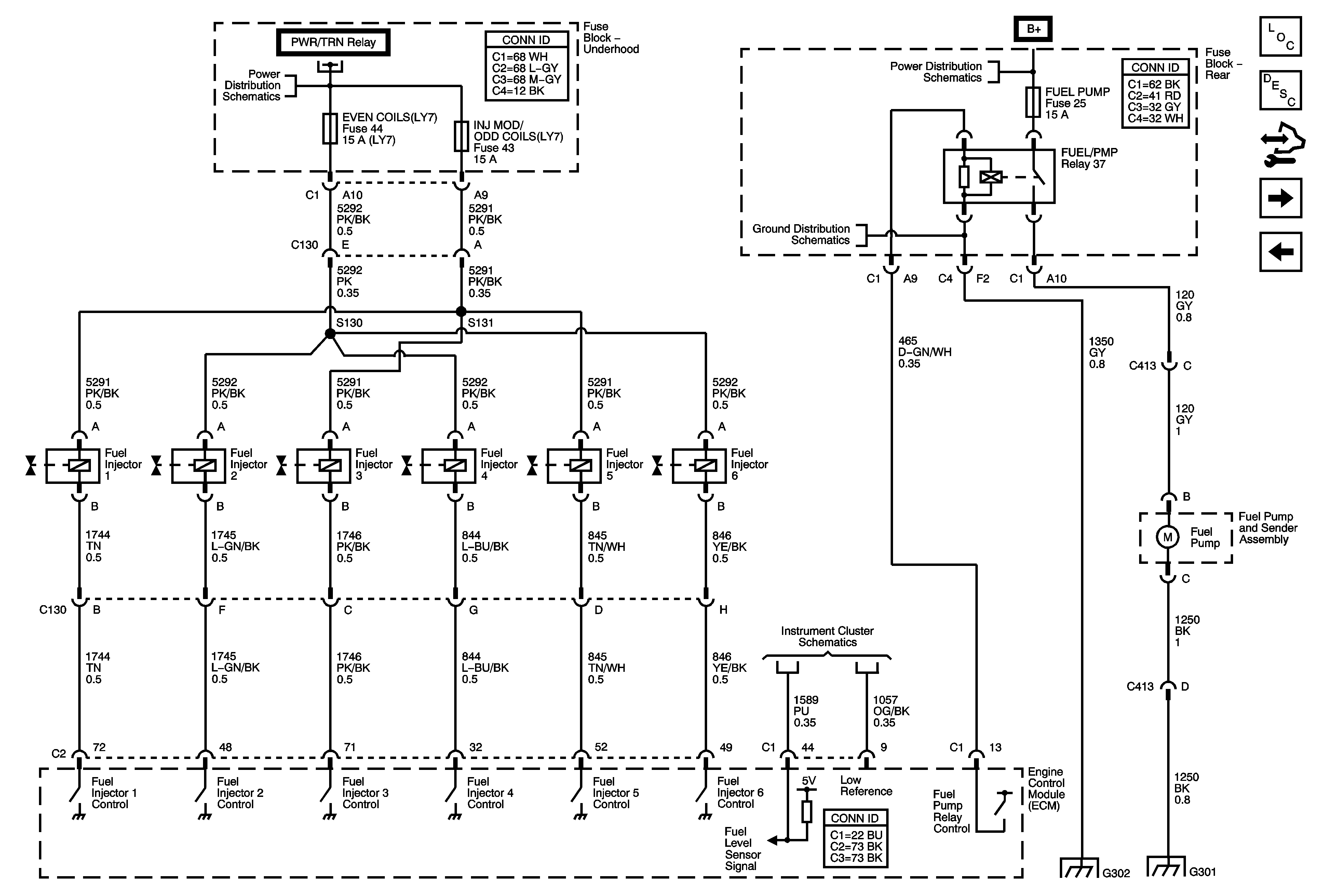
Figure 10:

Fuel Injectors and Fuel Pump


Object Number: 1822071  Size: FS
Master Electrical Component List
Electronic Ignition (EI) System Description
Control Module References
EVAP Controls, FTP Sensor, IMT Valve
Camshaft Position (CMP) Sensors and Solenoids
Underhood Fuse Block A/C CLUTCH and PWR/TRN Relays, EMISSION 1, ETC, IGN MOD and IMTV/DOD Fuses
G302
Underhood Fuse Block RBEC 2 Fuse and RUN RLY, BCM HVAC BLOWER HIGH and RUN Relays, HVAC BLOWER and HVAC CTRL (IGN) Fuses, Rear Fuse Block FUEL, PARK LPS and TRUNK Relays, DRV ST, EMISSION 2, FOLDING T
Indicators
G302
G301
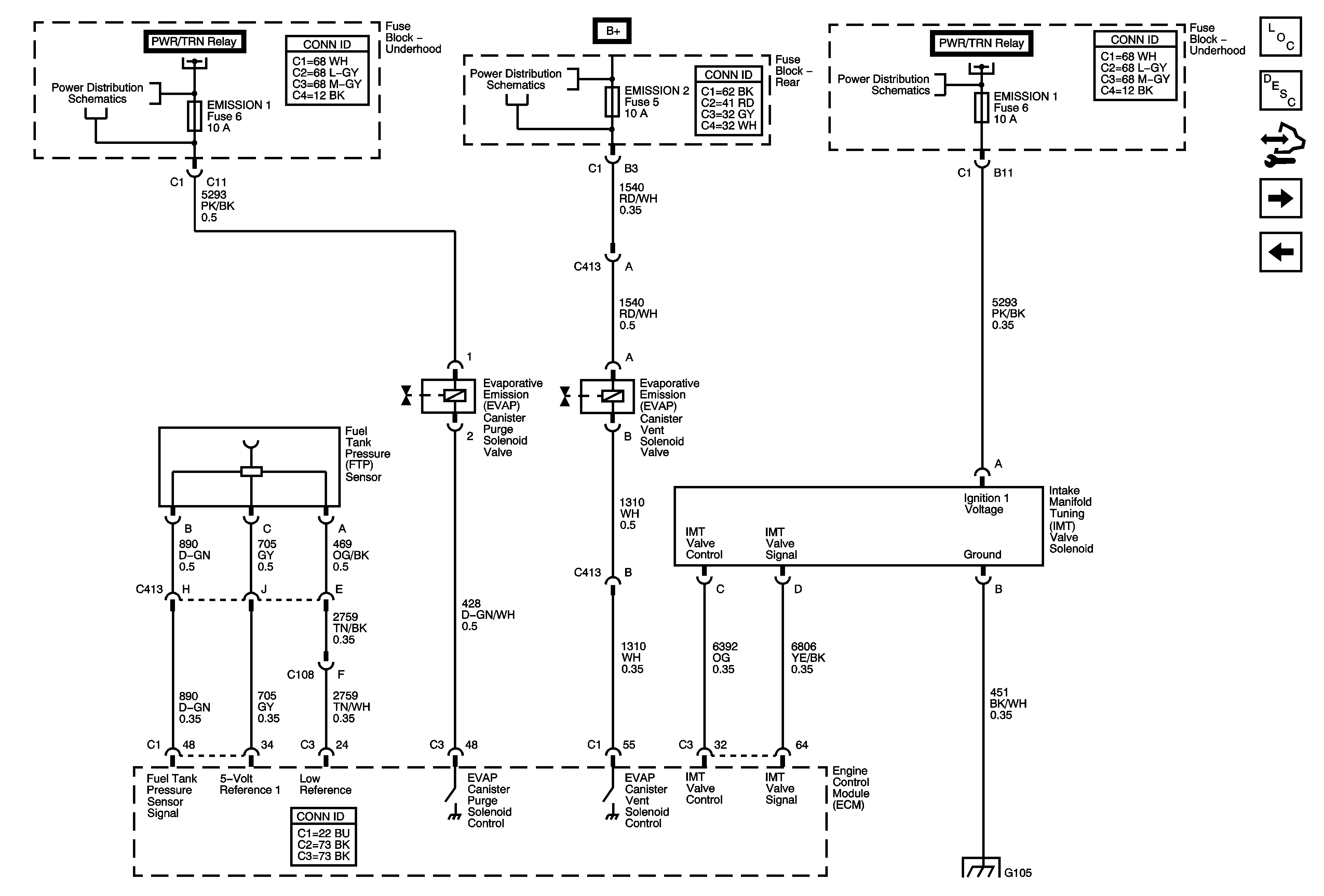
Figure 11:

EVAP Controls, FTP Sensor, IMT Valve


Object Number: 1822073  Size: FS
Master Electrical Component List
Intake Manifold Tuning Valve System Description
Control Module References
Controlled / Monitored Subsystem References
Fuel Injectors and Fuel Pump
Underhood Fuse Block A/C CLUTCH and PWR/TRN Relays, EMISSION 1, ETC, IGN MOD and IMTV/DOD Fuses
Underhood Fuse Block RBEC 2 Fuse and RUN RLY, BCM HVAC BLOWER HIGH and RUN Relays, HVAC BLOWER and HVAC CTRL (IGN) Fuses, Rear Fuse Block FUEL, PARK LPS and TRUNK Relays, DRV ST, EMISSION 2, FOLDING T
Underhood Fuse Block A/C CLUTCH and PWR/TRN Relays, EMISSION 1, ETC, IGN MOD and IMTV/DOD Fuses
G103, G104, and G105
Figure 12:

Controlled/Monitored Subsystem References


Object Number: 1822074  Size: FS
Master Electrical Component List
Engine Control Module Description
Control Module References
EVAP Controls, FTP Sensor, IMT Valve
Starting System - LE5/LY7
Charging System
Ambient Air Temperature Sensor and Compressor Controls
Ambient Air Temperature Sensor and Compressor Controls
Indicators
BCM, EBCM, ECM