GM Service Manual Online
For 1990-2009 cars only
Figure 1:

PCM Power and Ground


Object Number: 654312  Size: FS
TCC, ELEK IGN, and A/C CLU/ABS IGN Fuses
G100, G111, G113
IP-IGN, CRUISE, ECM Fuses
IP-IGN, CRUISE, ECM Fuses
IP-IGN, CRUISE, ECM Fuses
IP-IGN, CRUISE, ECM Fuses
Indicators
Data Link Connector (DLC) Schematics
Master Electrical Component List
Ignition Control Module
OBD II Symbol Description Notice
Figure 2:

Ignition Control Module


Object Number: 654316  Size: FS
TCC, ELEK IGN, and A/C CLU/ABS IGN Fuses
Master Electrical Component List
Fuel Control
PCM Power and Ground
OBD II Symbol Description Notice
Figure 3:

Fuel Control


Object Number: 654318  Size: FS
Gauges
Gauges
BATT-MAIN 1-2, IGN-MAIN 1-2, HEADLAMPS, PARK LP, RADIO, AIR, ECM SENSE, ALT SENSE, B/U LAMP, COOL FAN 1-2, FUEL PUMP, FOG LP, HORN, INJ, IGN 1-UH, ELEK IGN, TCC,
G100, G111, G113
G302, S402, S406, S416
G100, G111, G113
Master Electrical Component List
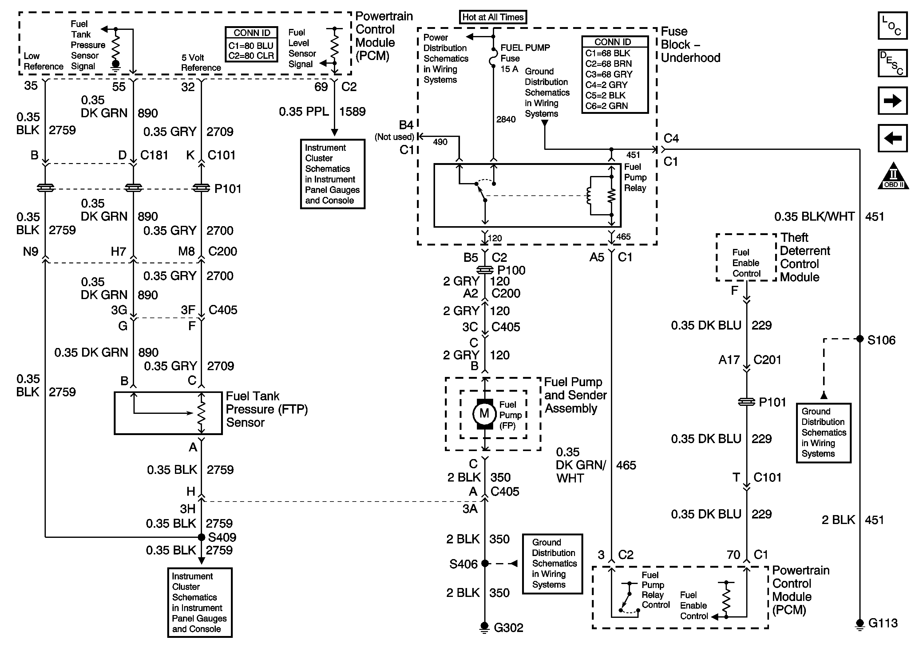
Fuel Injectors
Ignition Control Module
OBD II Symbol Description Notice
Figure 4:

Fuel Injectors


Object Number: 654321  Size: FS
BATT-MAIN 1-2, IGN-MAIN 1-2, HEADLAMPS, PARK LP, RADIO, AIR, ECM SENSE, ALT SENSE, B/U LAMP, COOL FAN 1-2, FUEL PUMP, FOG LP, HORN, INJ, IGN 1-UH, ELEK IGN, TCC,
Master Electrical Component List
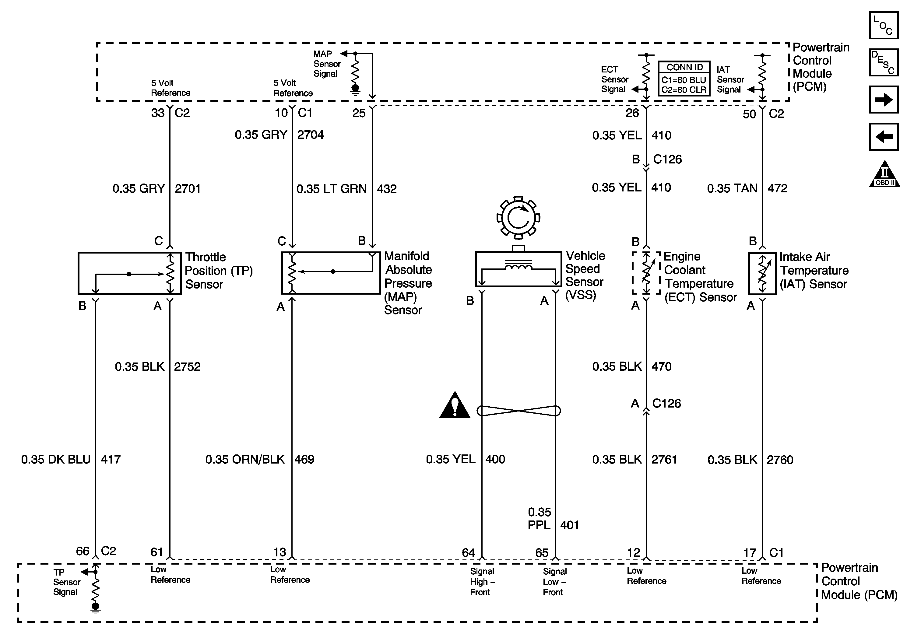
Sensors
Fuel Control
OBD II Symbol Description Notice
Figure 5:

Sensors


Object Number: 654323  Size: FS
Master Electrical Component List
Heated Oxygen Sensors
Fuel Injectors
OBD II Symbol Description Notice
OBD II Symbol Description Notice
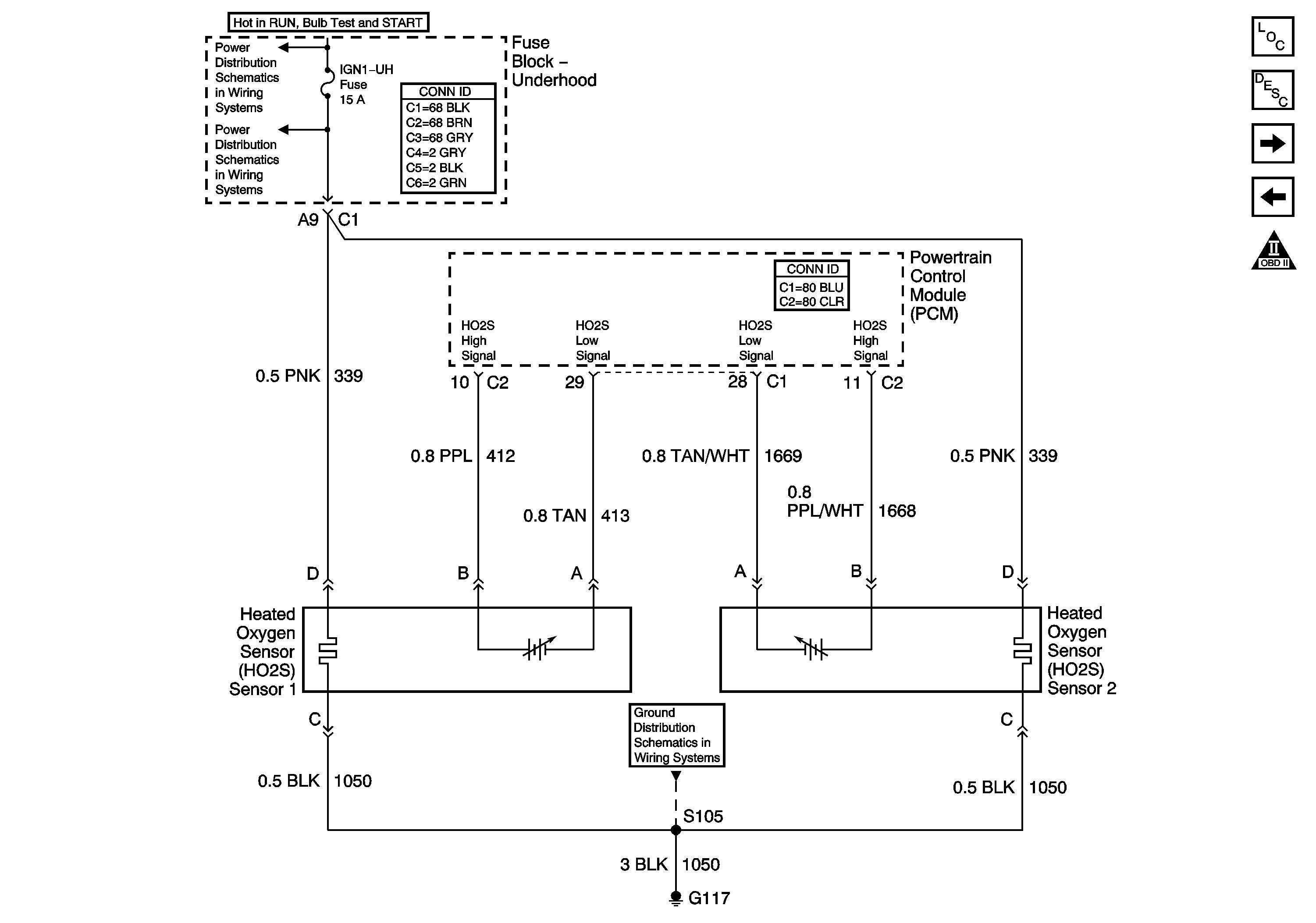
Figure 6:

Heated Oxygen Sensors


Object Number: 654325  Size: FS
BATT-MAIN 1-2, IGN-MAIN 1-2, HEADLAMPS, PARK LP, RADIO, AIR, ECM SENSE, ALT SENSE, B/U LAMP, COOL FAN 1-2, FUEL PUMP, FOG LP, HORN, INJ, IGN 1-UH, ELEK IGN, TCC,
IGN 1-UH Fuse
G117
Master Electrical Component List
Secondary Air Injection, Supercharger Boost Control Solenoid, Idle Air Control Valve
Sensors
OBD II Symbol Description Notice
Figure 7:

Secondary Air Injection, Supercharger Boost Control Solenoid, Idle Air Control Valve


Object Number: 654329  Size: FS
AIR, ECM SENSE, ALT SENSE, B/U LAMP Fuses
BATT-MAIN 1-2, IGN-MAIN 1-2, HEADLAMPS, PARK LP, RADIO, AIR, ECM SENSE, ALT SENSE, B/U LAMP, COOL FAN 1-2, FUEL PUMP, FOG LP, HORN, INJ, IGN 1-UH, ELEK IGN, TCC,
IGN 1-UH Fuse
Master Electrical Component List
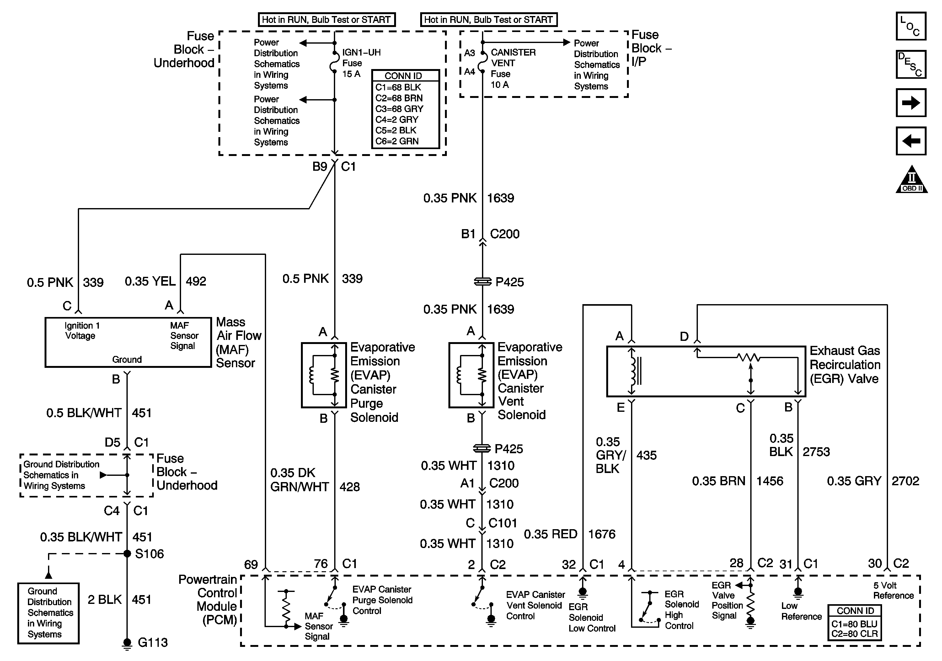
MAF Sensor, EVAP Valves, EGR Valve
Heated Oxygen Sensors
OBD II Symbol Description Notice
Figure 8:

MAF Sensor, EVAP Valves, EGR Valve


Object Number: 654334  Size: FS
BATT-MAIN 1-2, IGN-MAIN 1-2, HEADLAMPS, PARK LP, RADIO, AIR, ECM SENSE, ALT SENSE, B/U LAMP, COOL FAN 1-2, FUEL PUMP, FOG LP, HORN, INJ, IGN 1-UH, ELEK IGN, TCC,
IGN 1-UH Fuse
G100, G111, G113
G100, G111, G113
IGN MAIN 1, BTSI, DRL, CANISTER VENT, PWR DROP, TURN, SIR Fuses
Master Electrical Component List
A/T Controls Schematic References
Secondary Air Injection, Supercharger Boost Control Solenoid, Idle Air Control Valve
OBD II Symbol Description Notice
Figure 9:

A/T Controls Schematic References


Object Number: 654341  Size: FS
A/T Controls 1 of 3
A/T Controls 2 of 3
A/T Controls 3 of 3
Master Electrical Component List
Misc. Schematic References
MAF Sensor, EVAP Valves, EGR Valve
OBD II Symbol Description Notice
Figure 10:

Misc. Schematic References


Object Number: 653570  Size: FS
Master Electrical Component List
A/T Controls Schematic References
OBD II Symbol Description Notice
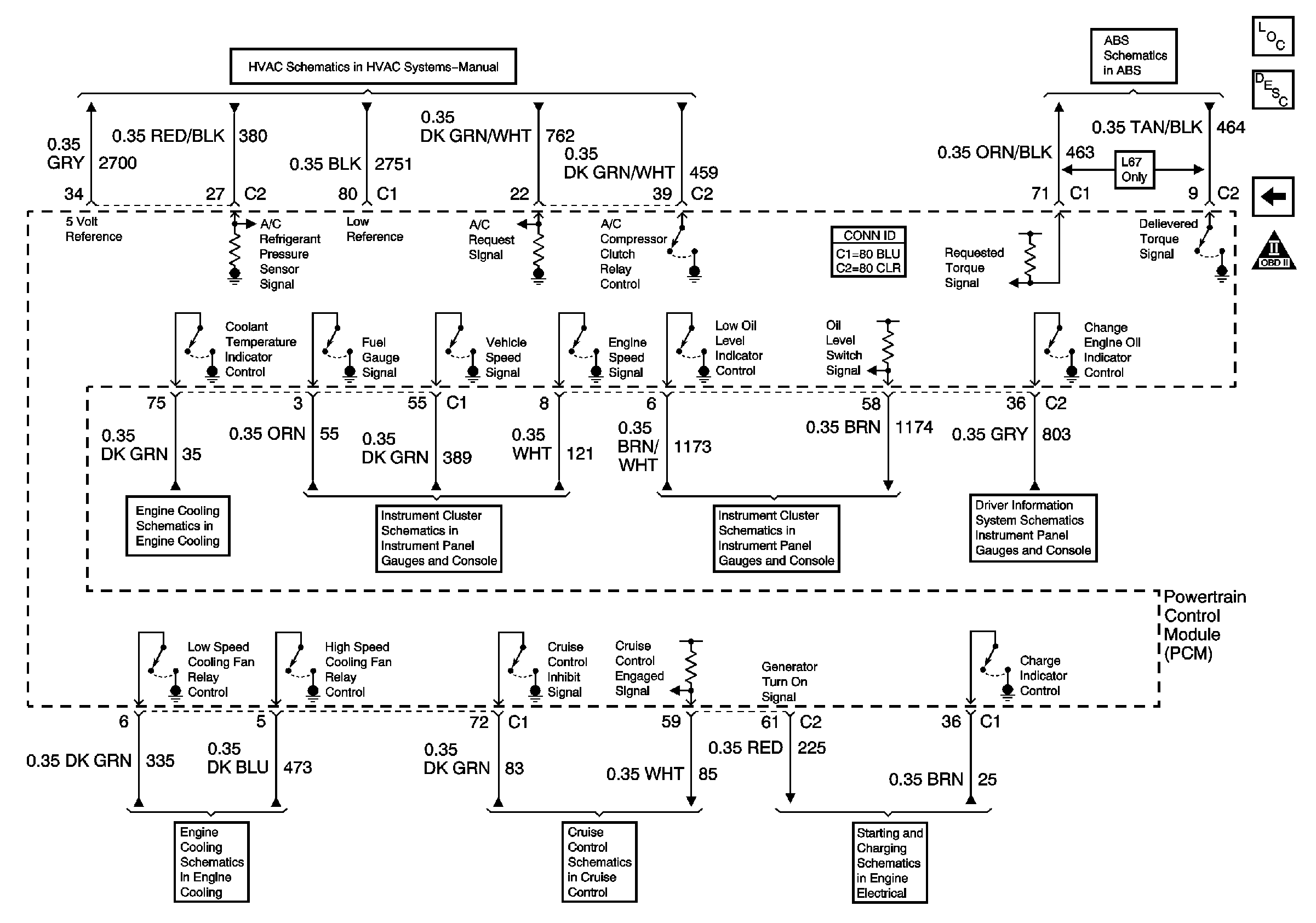
A/C Compressor Controls
ABS Indicator, Torque Signals, and Steering
Indicators
Gauges
Indicators
Driver Information Center (DIC) (W/O U40)
Fans
Cruise Control
Generator