GM Service Manual Online
For 1990-2009 cars only
Figure 1:

Module Power, Ground, Serial Data and Malfunction Indicator Lamp (MIL)


Object Number: 1251640  Size: FS
Master Electrical Component List
Engine Data Sensors - Pressure and Temperature
Instrument Panel Fuse Block - ECM and TCM Fuses, Underhood Fuse Block - AUDIO, CIGAR LIGHTER, CLUSTER, AIRBAG, POWER WINDOW and TURN SIGNAL Fuses
Underhood Fuse Block (1.0L) - ECM, FUEL PUMP Fuses
Instrument Panel Fuse Block - ECM and TCM Fuses, Underhood Fuse Block - AUDIO, CIGAR LIGHTER, CLUSTER, AIRBAG, POWER WINDOW and TURN SIGNAL Fuses
Instrument Panel Fuse Block - ECM and TCM Fuses, Underhood Fuse Block - AUDIO, CIGAR LIGHTER, CLUSTER, AIRBAG, POWER WINDOW and TURN SIGNAL Fuses
Underhood Fuse Block (1.0L) - ECM, FUEL PUMP Fuses
Indicator Lamps
Data Link Connector (DLC) (Sirius-D4)
Figure 2:

Engine Data Sensors - Pressure and Temperature


Object Number: 1251643  Size: FS
Master Electrical Component List
Engine Data Sensors - Oxygen Sensors (O2S)
Module Power, Ground, Serial Data and Malfunction Indicator Lamp (MIL)
Vehicle Speed Sensor (VSS)
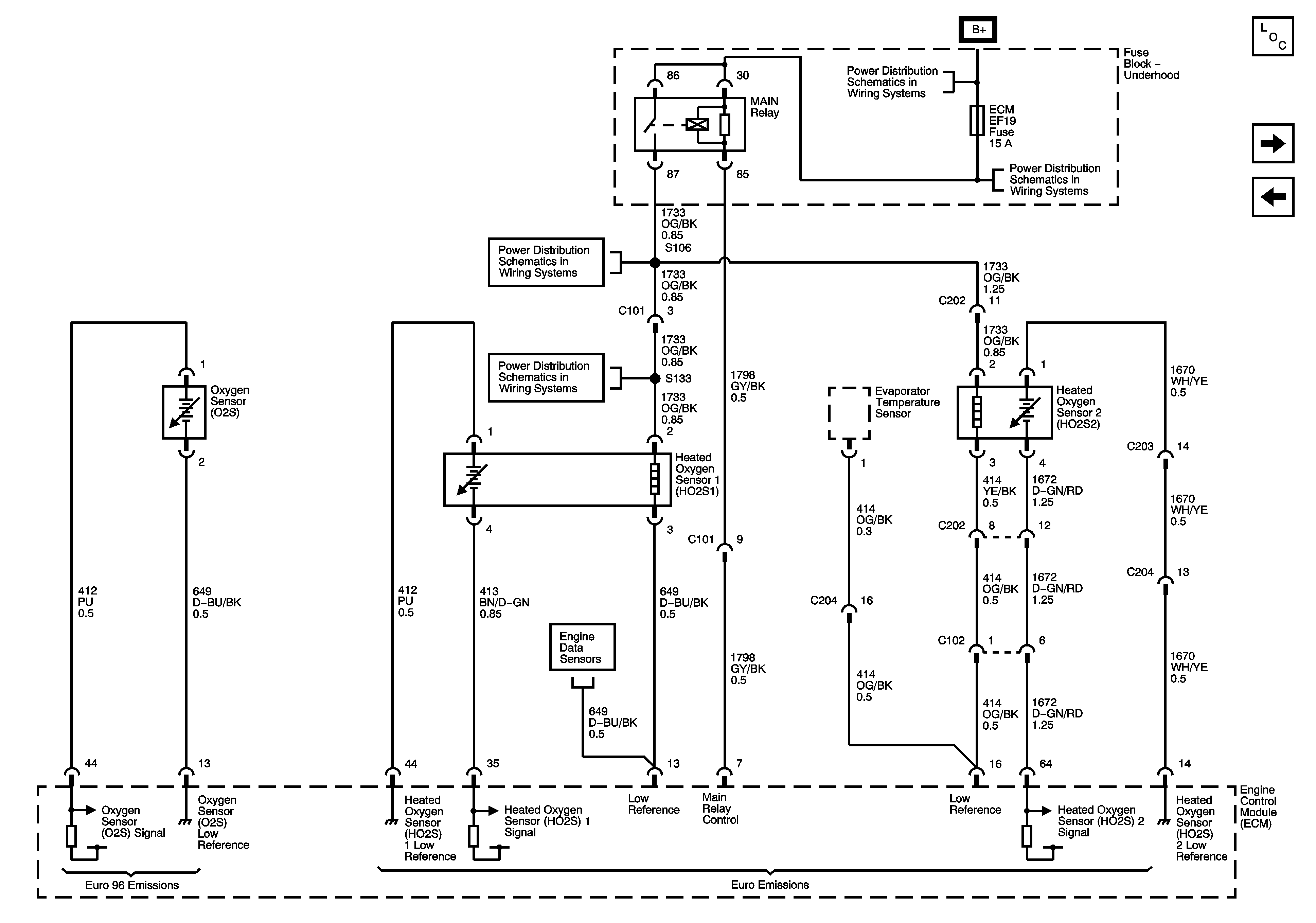
Figure 3:

Engine Data Sensors - Oxygen Sensors (O2S)


Object Number: 1511824  Size: FS
Master Electrical Component List
Engine Data Sensors - Idle Speed Control (ISC)
Engine Data Sensors - Pressure and Temperature
Underhood Fuse Block - Battery Feeds
Underhood Fuse Block (1.0L) - ECM, FUEL PUMP Fuses
Underhood Fuse Block (1.0L) - ECM, FUEL PUMP Fuses
Underhood Fuse Block (1.0L) - ECM, FUEL PUMP Fuses
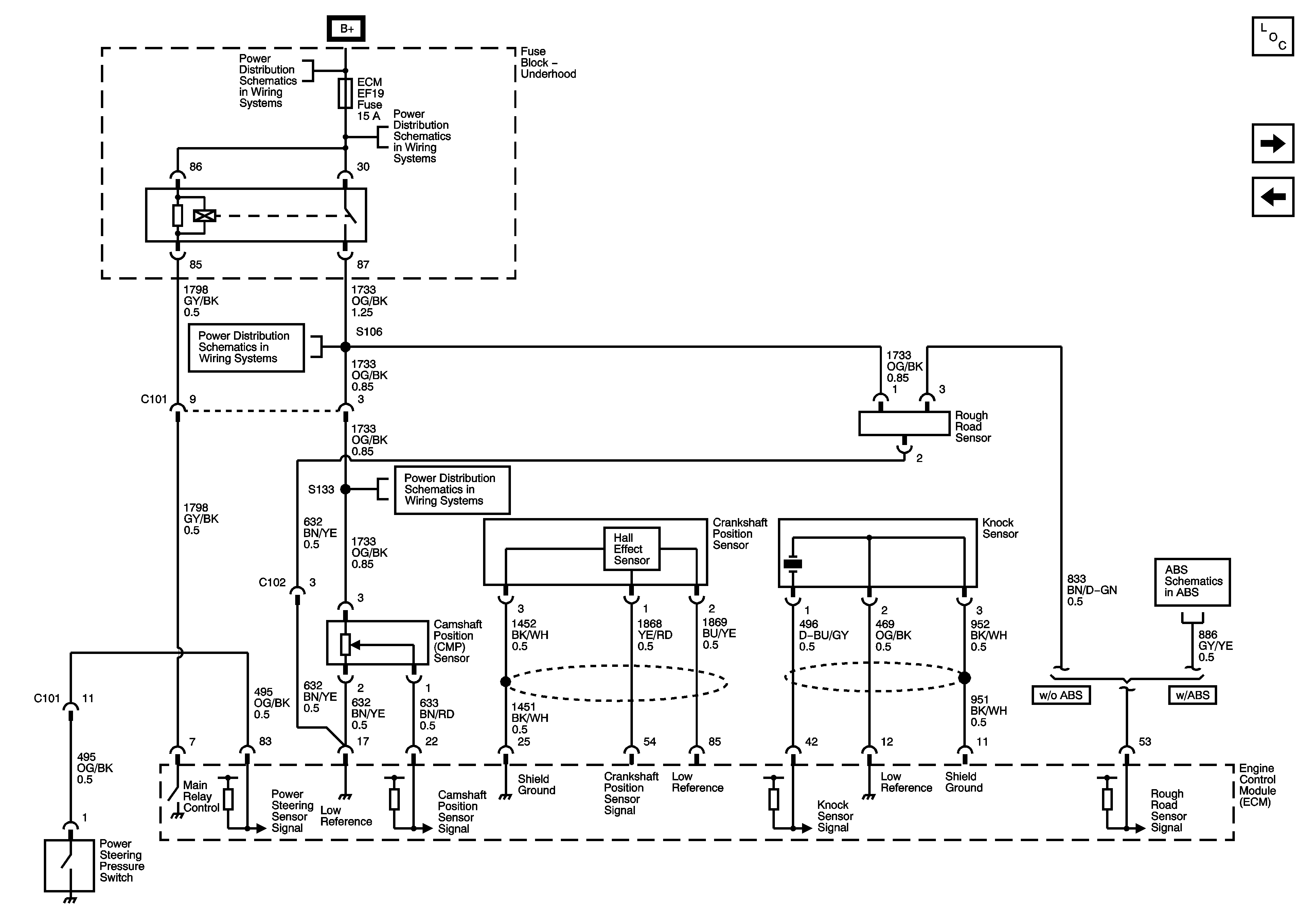
Engine Data Sensors - Pressure and Temperature
Figure 4:

Engine Data Sensors - Idle Speed Control (ISC)


Object Number: 1511825  Size: FS
Master Electrical Component List
Ignition Controls - Sensors
Engine Data Sensors - Oxygen Sensors (O2S)
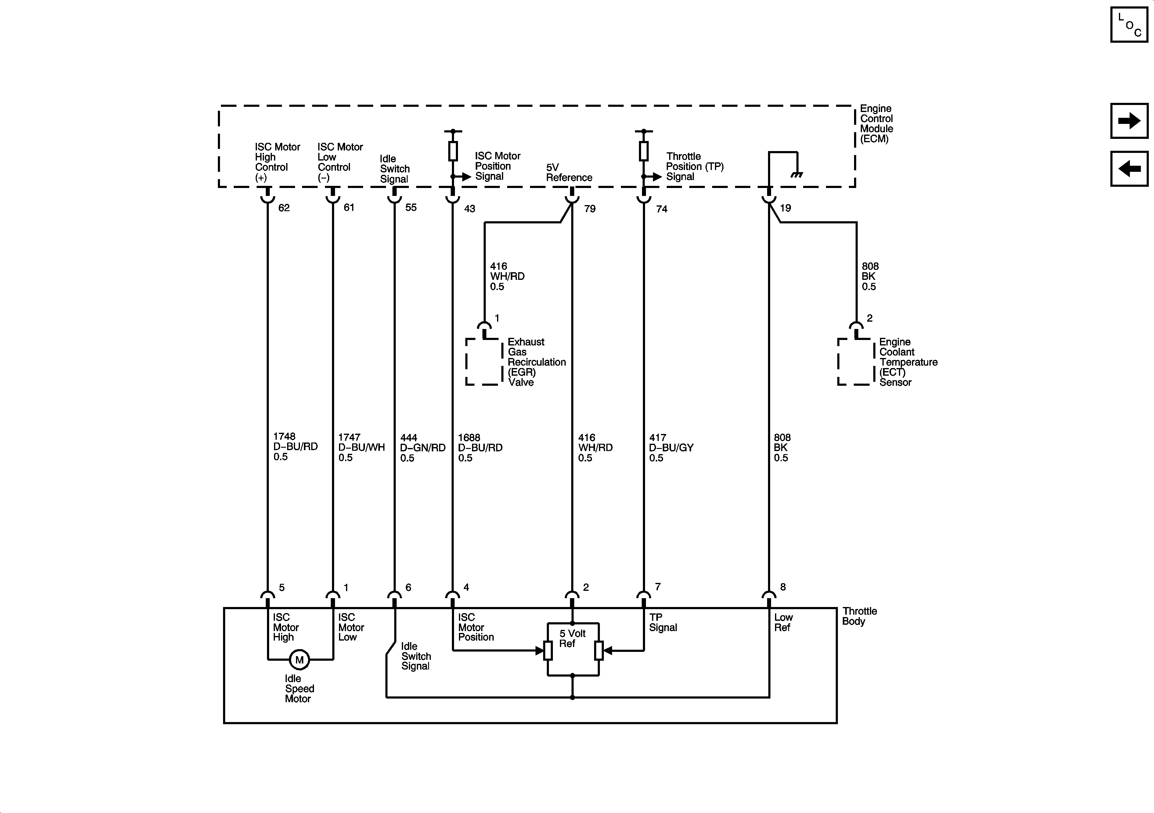
Figure 5:

Ignition Controls - Sensor


Object Number: 1511827  Size: FS
Master Electrical Component List
Ignition Controls - Ignition System
Engine Data Sensors - Idle Speed Control (ISC)
Underhood Fuse Block (1.0L) - ECM, FUEL PUMP Fuses
Underhood Fuse Block (1.0L) - ECM, FUEL PUMP Fuses
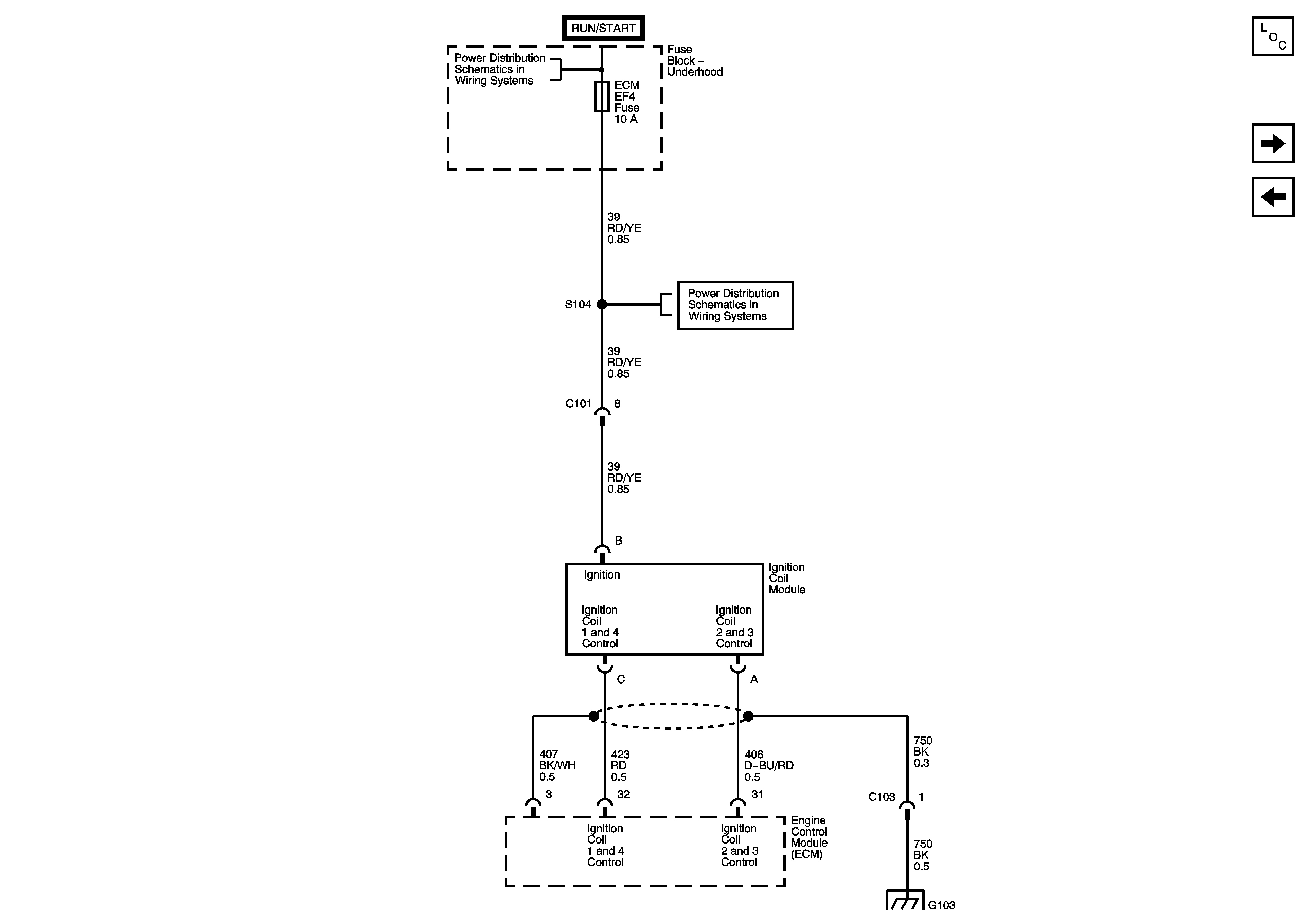
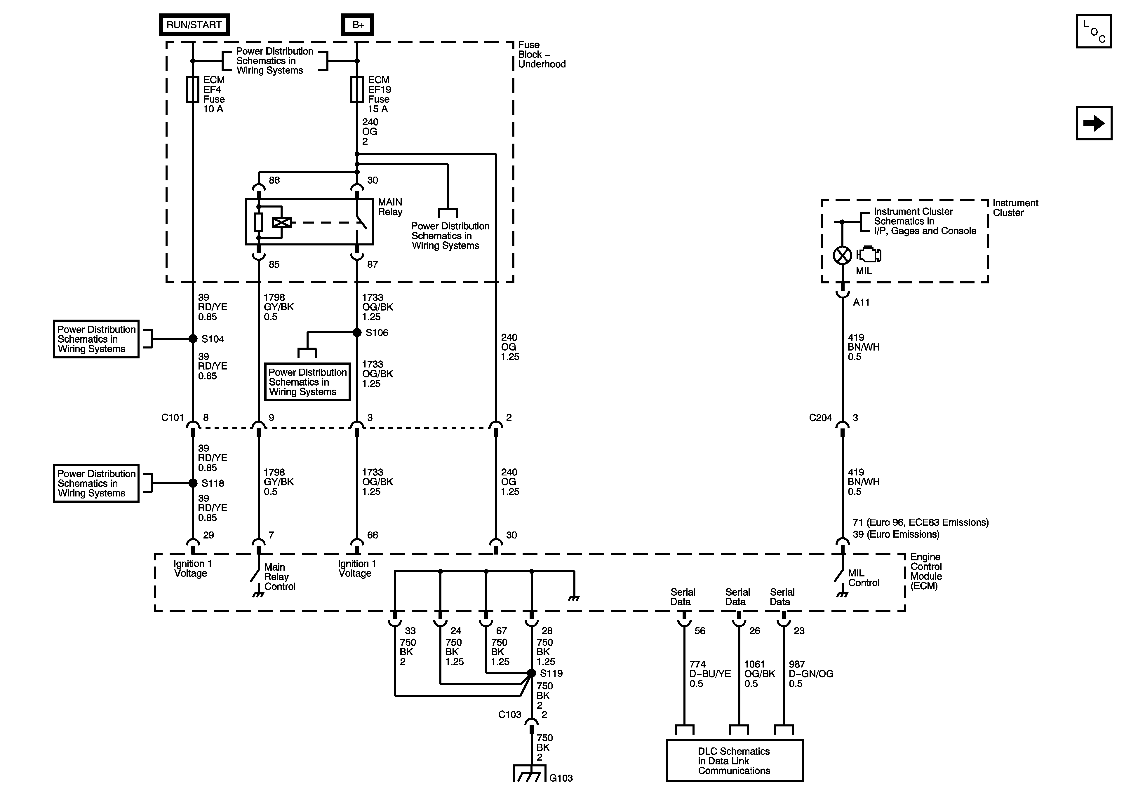
Figure 6:

Ignition Controls - Ignition System


Object Number: 1251641  Size: FS
Master Electrical Component List
Fuel Controls - Fuel Pump and Injectors
Ignition Controls - Sensors
Underhood Fuse Block - Battery Feeds
Underhood Fuse Block (1.0L) - ECM, FUEL PUMP Fuses
Underhood Fuse Block (1.0L) - ECM, FUEL PUMP Fuses
Underhood Fuse Block (1.0L) - ECM, FUEL PUMP Fuses
Wheel Speed Sensor Circuits
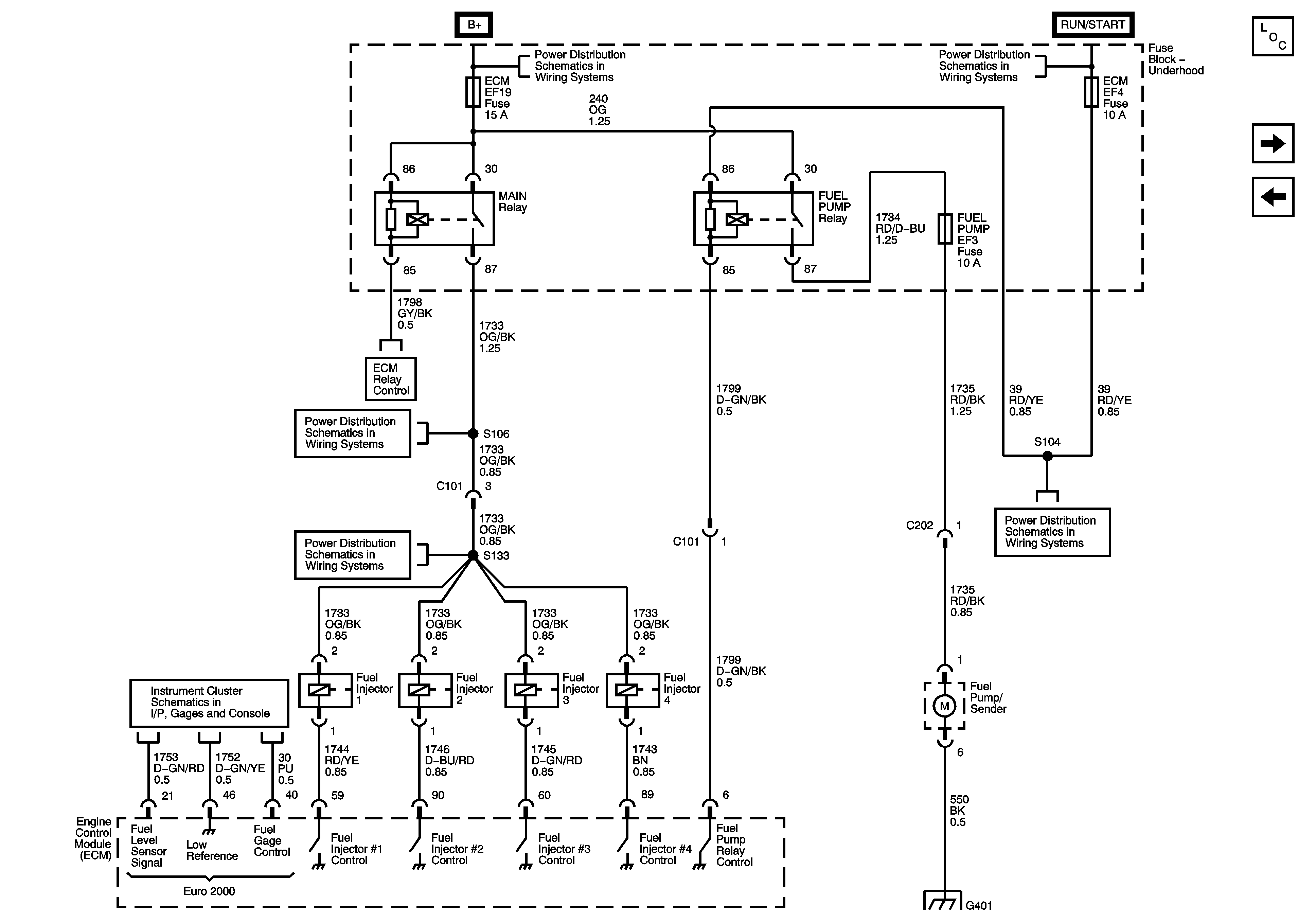
Figure 7:

Fuel Controls - Fuel Pump and Injectors


Object Number: 1251644  Size: FS
Master Electrical Component List
EVAP and Device Controls
Ignition Controls - Ignition System
Underhood Fuse Block - Battery Feeds
Module Power, Ground, Serial Data and Malfunction Indicator Lamp (MIL)
Underhood Fuse Block (1.0L) - ECM, FUEL PUMP Fuses
Underhood Fuse Block (1.0L) - ECM, FUEL PUMP Fuses
Underhood Fuse Block (1.0L) - ECM, FUEL PUMP Fuses
Underhood Fuse Block (1.0L) - ECM, FUEL PUMP Fuses
Instrument Cluster Gages (0.8L A/T or 1.0L)
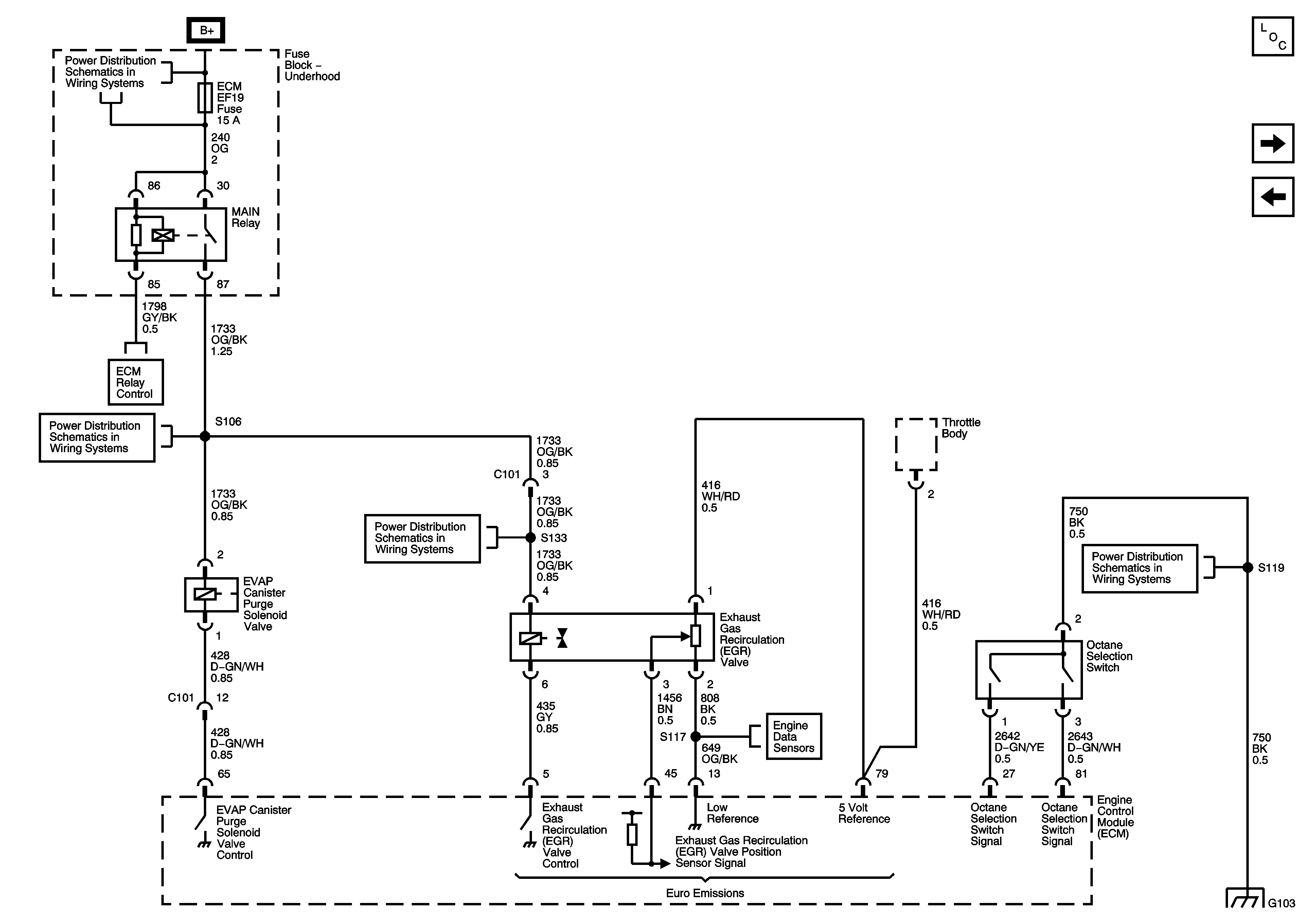
Figure 8:

EVAP and Device Controls


Object Number: 1251646  Size: FS
Master Electrical Component List
Controlled/Monitored Subsystem References
Fuel Controls - Fuel Pump and Injectors
Underhood Fuse Block (1.0L) - ECM, FUEL PUMP Fuses
Module Power, Ground, Serial Data and Malfunction Indicator Lamp (MIL)
Underhood Fuse Block (1.0L) - ECM, FUEL PUMP Fuses
Underhood Fuse Block (1.0L) - ECM, FUEL PUMP Fuses
Engine Data Sensors - Pressure and Temperature
G103 (1.0L Sirius-D4)
Figure 9:

Controlled/Monitored Subsystem References


Object Number: 1511829  Size: FS
Master Electrical Component List
EVAP and Device Controls
Headlamps
Colling Fan Controls 1.0L
Compressor Controls (Sirius D3/D4)
Multifunction Alarm