GM Service Manual Online
For 1990-2009 cars only
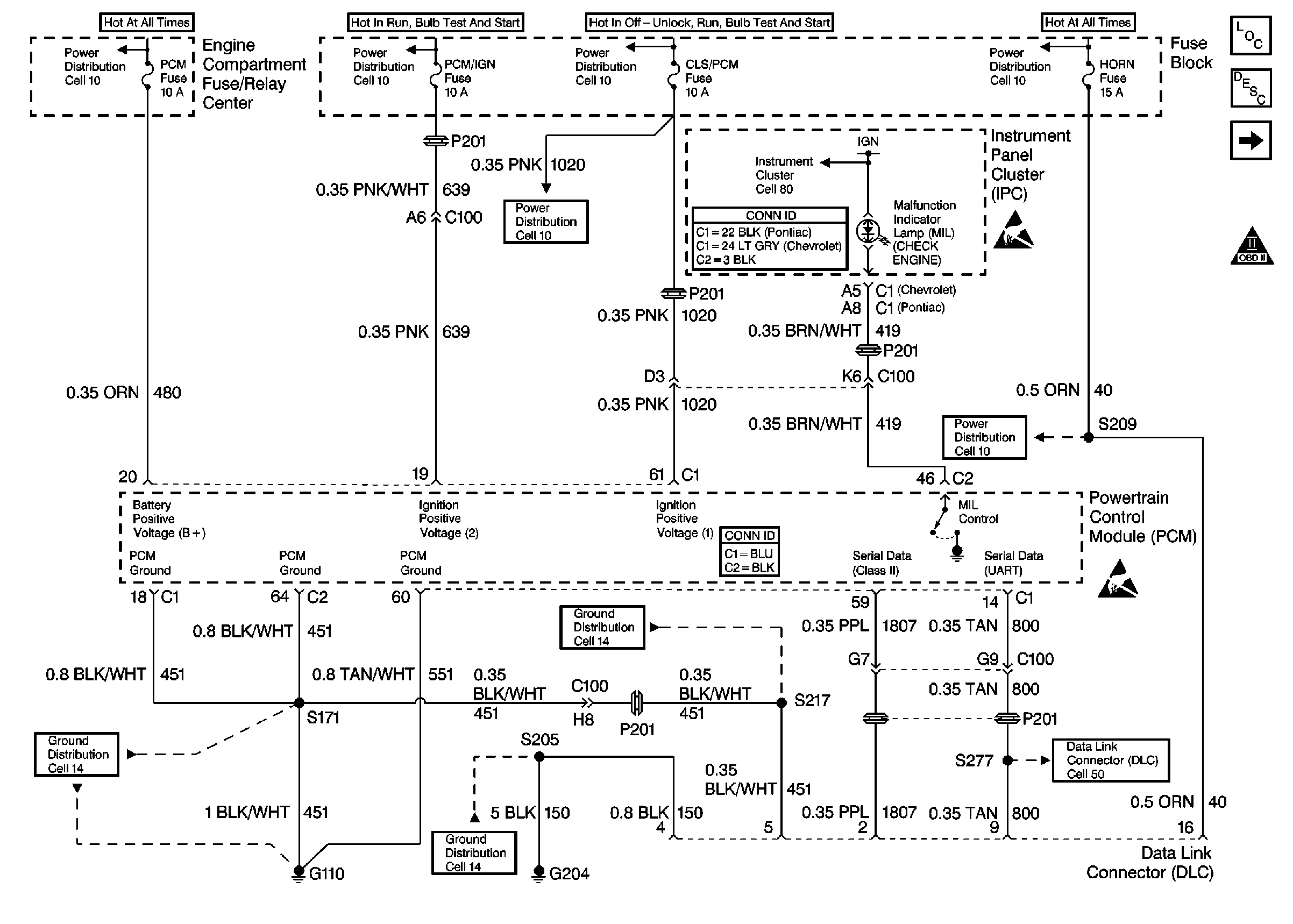
Figure 1:

Power, Ground, MIL, and DLC


Object Number: 364954  Size: FS
Engine Controls Components
Information Sensors/Switches Description
Ignition Controls
Handling ESD Sensitive Parts Notice
OBD II Symbol Description Notice
Handling ESD Sensitive Parts Notice
Power Distribution Schematics
Power Distribution Schematics
Data Link Communications Connector End Views
Instrument Cluster: Digital Schematics
Engine Controls Connector End Views
Engine Controls Connector End Views
Power Distribution Schematics
Power Distribution Schematics
Ground Distribution Schematics
Ground Distribution Schematics
Power Distribution Schematics
Power Distribution Schematics
Ground Distribution Schematics
Figure 2:

Ignition Controls


Object Number: 364955  Size: FS
Engine Controls Components
Information Sensors/Switches Description
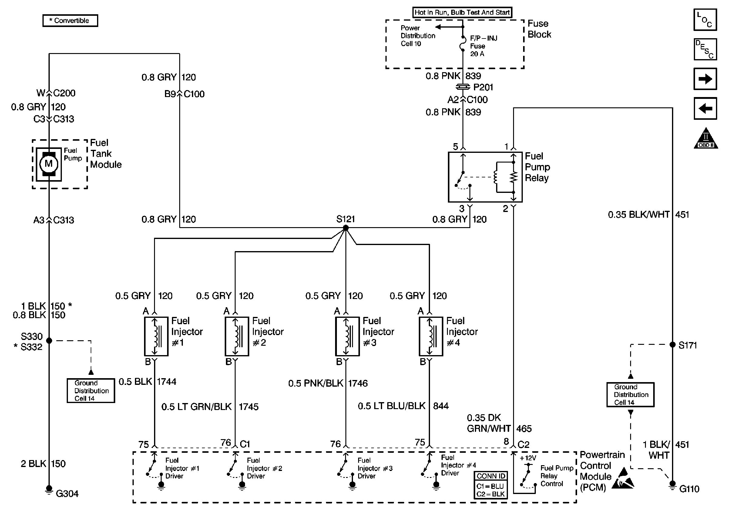
Fuel Controls
Power, Ground, MIL, and DLC
OBD II Symbol Description Notice
Handling ESD Sensitive Parts Notice
Power Distribution Schematics
Engine Controls Connector End Views
Engine Controls Connector End Views
Ground Distribution Schematics
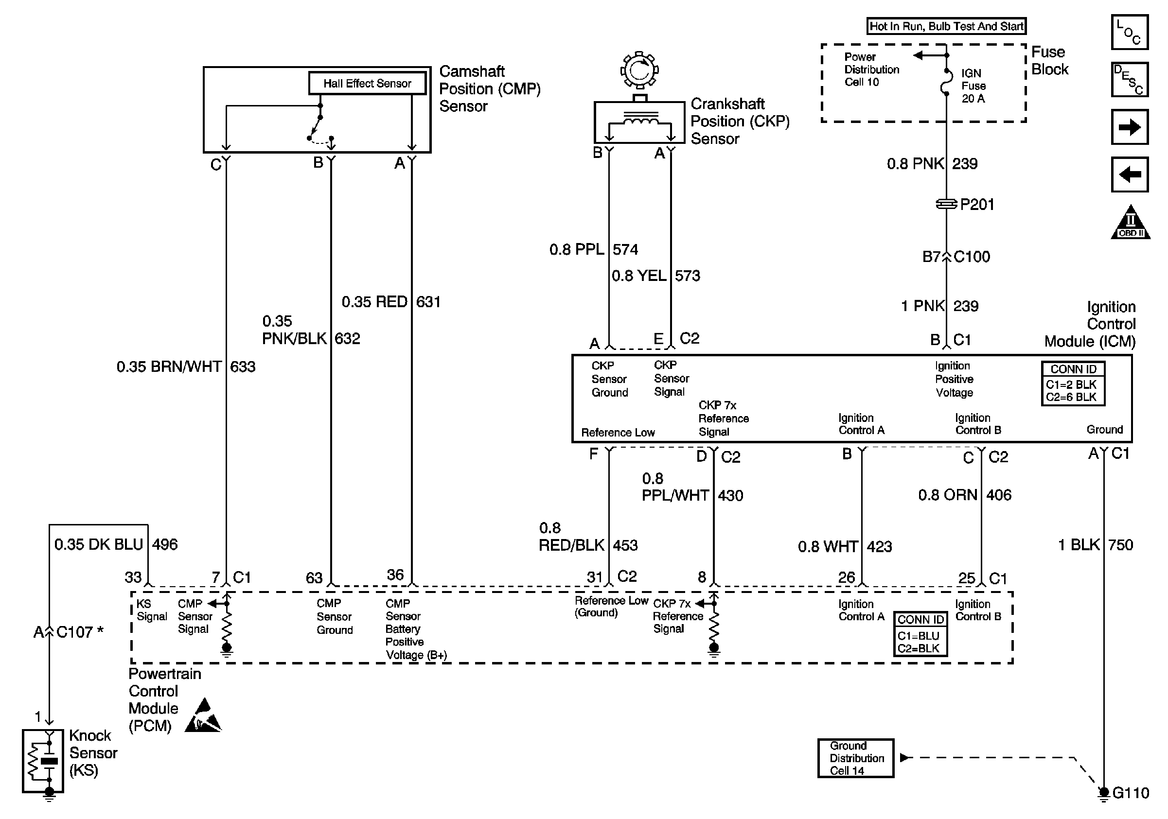
Figure 3:

Fuel Controls


Object Number: 364957  Size: FS
Engine Controls Components
Information Sensors/Switches Description
Engine Data Sensors
Ignition Controls
OBD II Symbol Description Notice
Handling ESD Sensitive Parts Notice
Ground Distribution Schematics
Power Distribution Schematics
Engine Controls Connector End Views
Ground Distribution Schematics
Figure 4:

Engine Data Sensors


Object Number: 364959  Size: FS
Engine Controls Components
Information Sensors/Switches Description
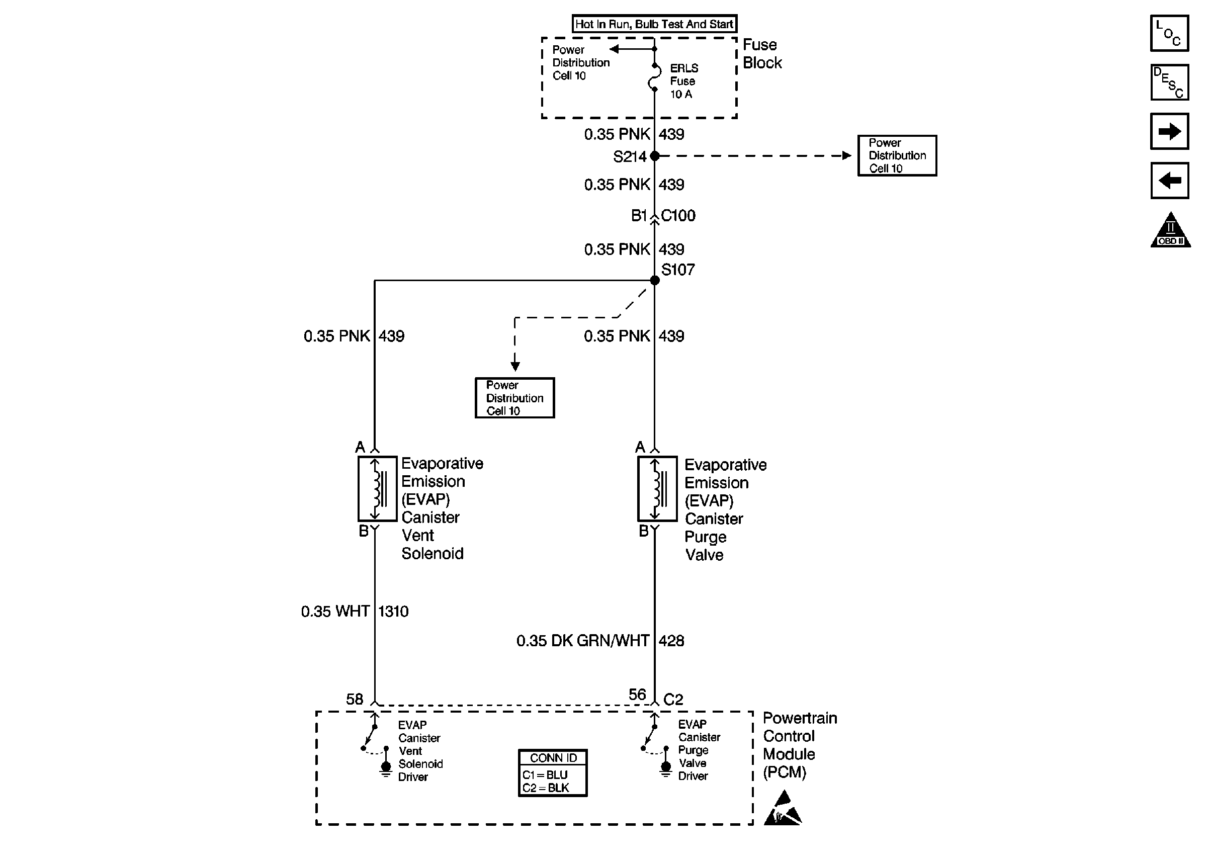
EVAP and EGR Controls
Fuel Controls
OBD II Symbol Description Notice
Handling ESD Sensitive Parts Notice
Engine Controls Connector End Views
Handling ESD Sensitive Parts Notice
Figure 5:

EVAP and EGR Controls


Object Number: 364961  Size: FS
Engine Controls Components
Information Sensors/Switches Description
Oxygen Sensors
Engine Data Sensors
OBD II Symbol Description Notice
Handling ESD Sensitive Parts Notice
Power Distribution Schematics
Power Distribution Schematics
Power Distribution Schematics
Engine Controls Connector End Views
Figure 6:

Oxygen Sensors


Object Number: 364973  Size: FS
Engine Controls Components
Information Sensors/Switches Description
IAC Valve, Generator, TR, Oil, and Coolant Switches
EVAP and EGR Controls
OBD II Symbol Description Notice
Handling ESD Sensitive Parts Notice
Ground Distribution Schematics
Engine Controls Connector End Views
Power Distribution Schematics
Ground Distribution Schematics
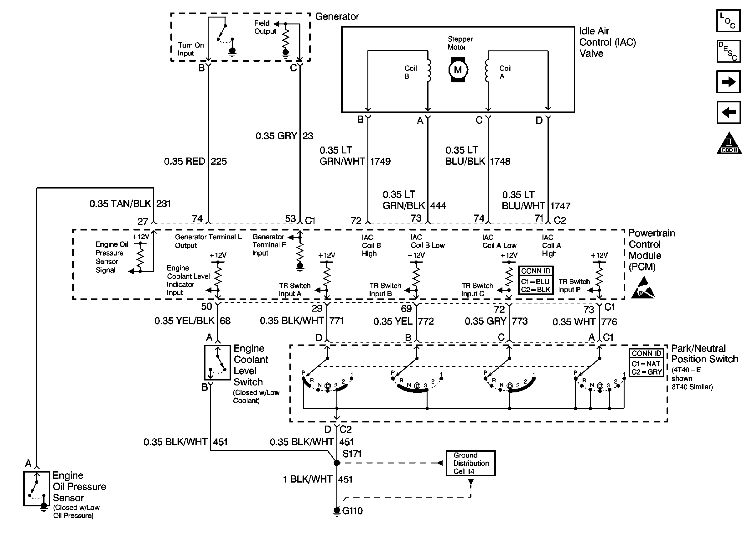
Figure 7:

IAC Valve, Generator, TR, Oil, and Coolant Switches


Object Number: 364976  Size: FS
Engine Controls Components
Information Sensors/Switches Description
VSS and Cruise Control
Oxygen Sensors
OBD II Symbol Description Notice
Handling ESD Sensitive Parts Notice
Engine Controls Connector End Views
Engine Controls Connector End Views
Ground Distribution Schematics
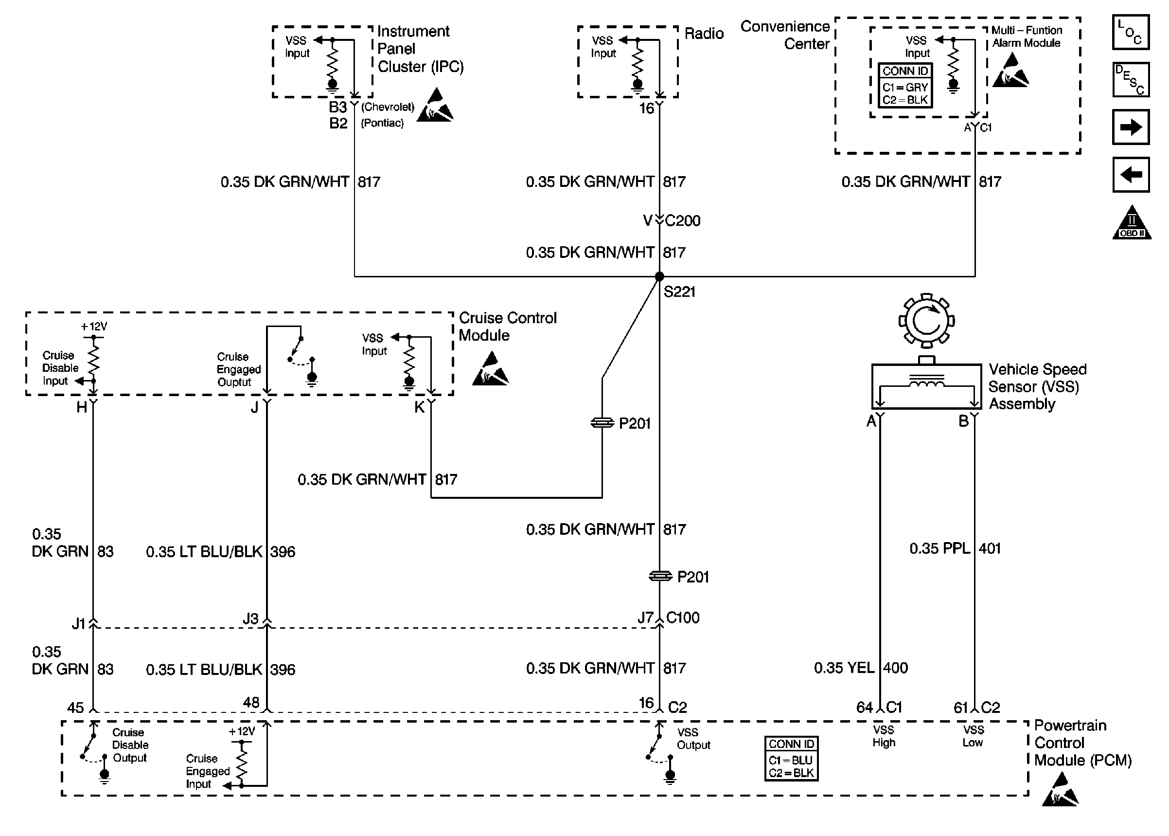
Figure 8:

VSS and Cruise Control


Object Number: 364980  Size: FS
Engine Controls Components
Information Sensors/Switches Description
Cell 10 Cooling Fan, BATT1, BATT2, IGN, and ABS Fuses
IAC Valve, Generator, TR, Oil, and Coolant Switches
OBD II Symbol Description Notice
Handling ESD Sensitive Parts Notice
Handling ESD Sensitive Parts Notice
Handling ESD Sensitive Parts Notice
Handling ESD Sensitive Parts Notice
Engine Controls Connector End Views
Engine Controls Connector End Views
Figure 9:

Cell 10 Cooling Fan, BATT1, BATT2, IGN, and ABS Fuses


Object Number: 421430  Size: FS
Engine Controls Components
Information Sensors/Switches Description
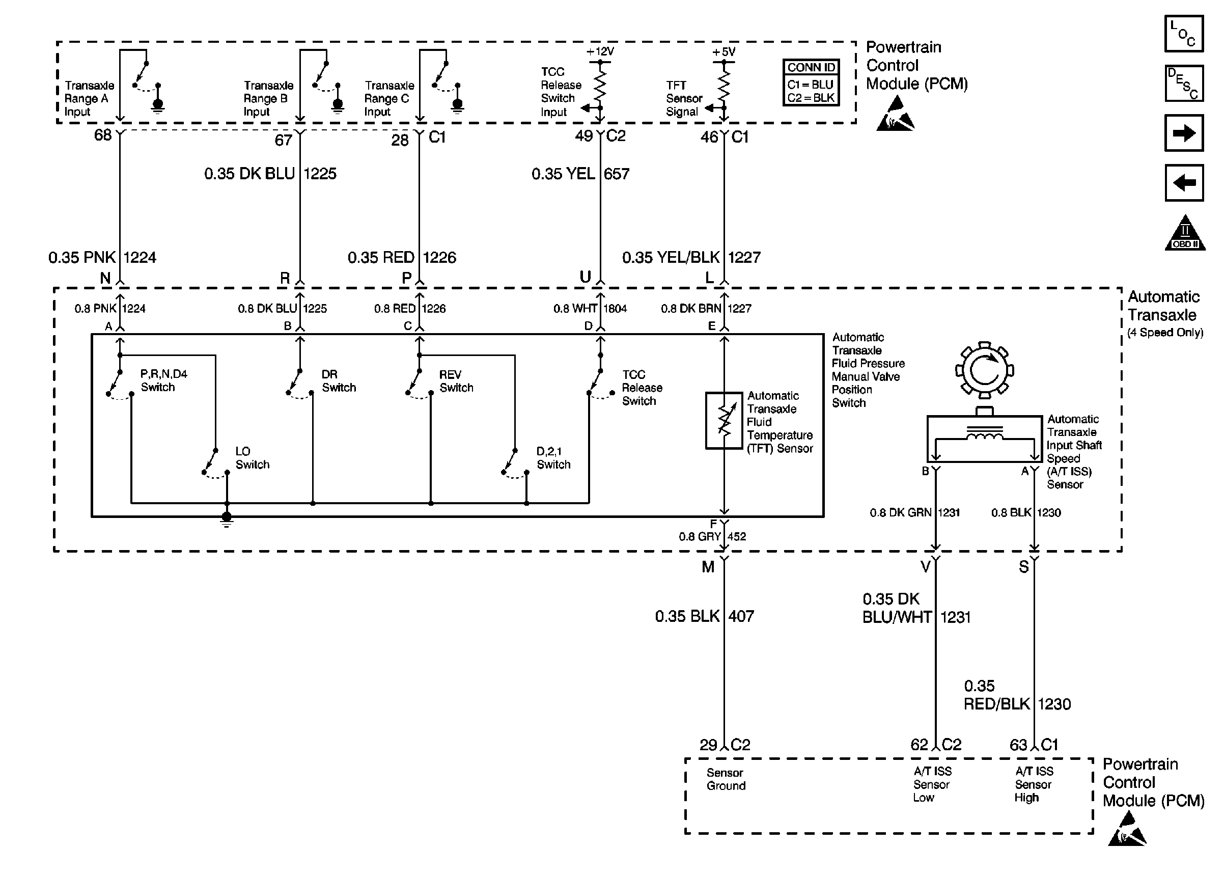
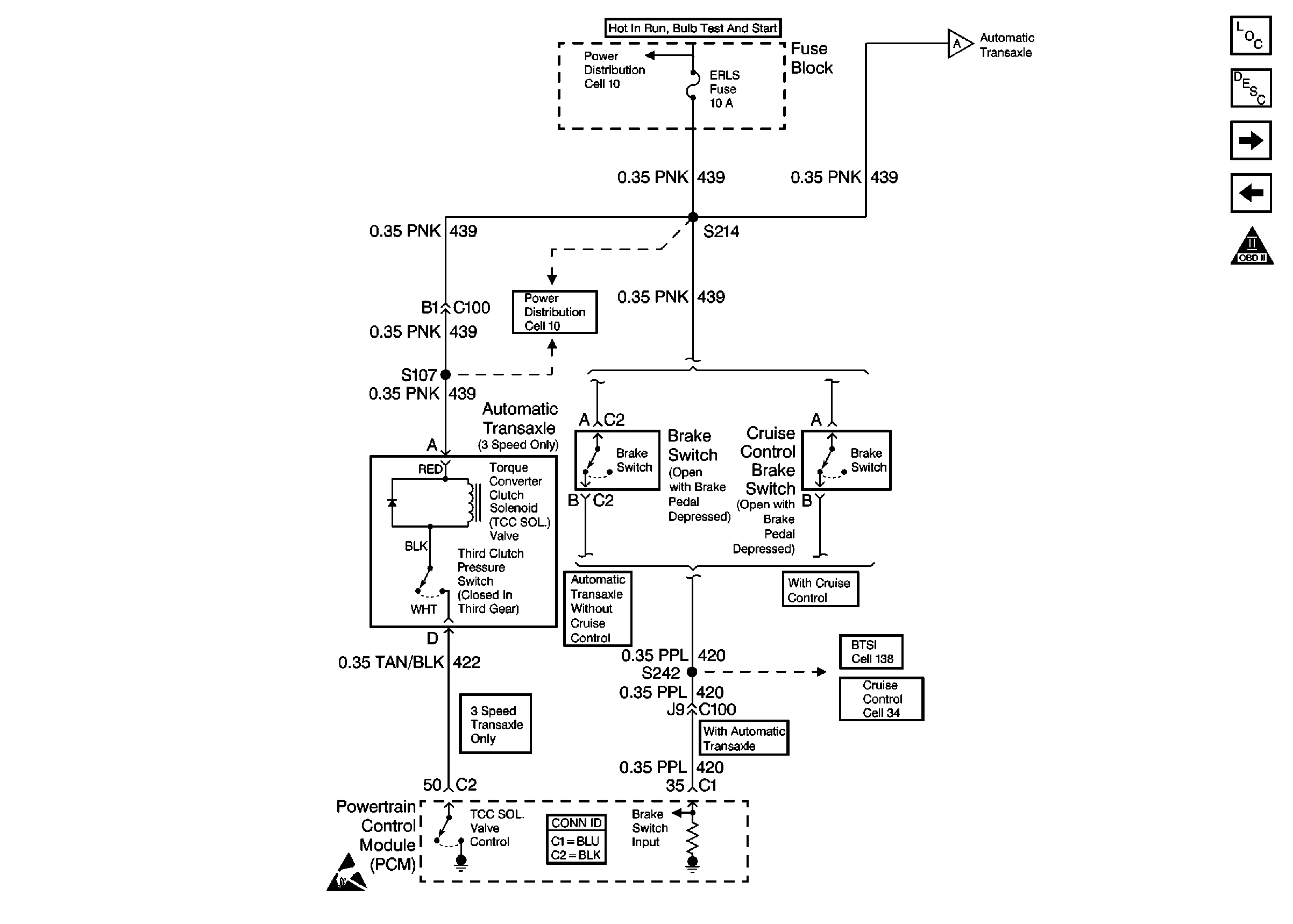
Transaxle Controls and Brake Switches
VSS and Cruise Control
OBD II Symbol Description Notice
Transaxle Controls and Brake Switches
Shift Lock Control Schematics
Cruise Control Schematics
Power Distribution Schematics
Power Distribution Schematics
Engine Controls Connector End Views
Handling ESD Sensitive Parts Notice
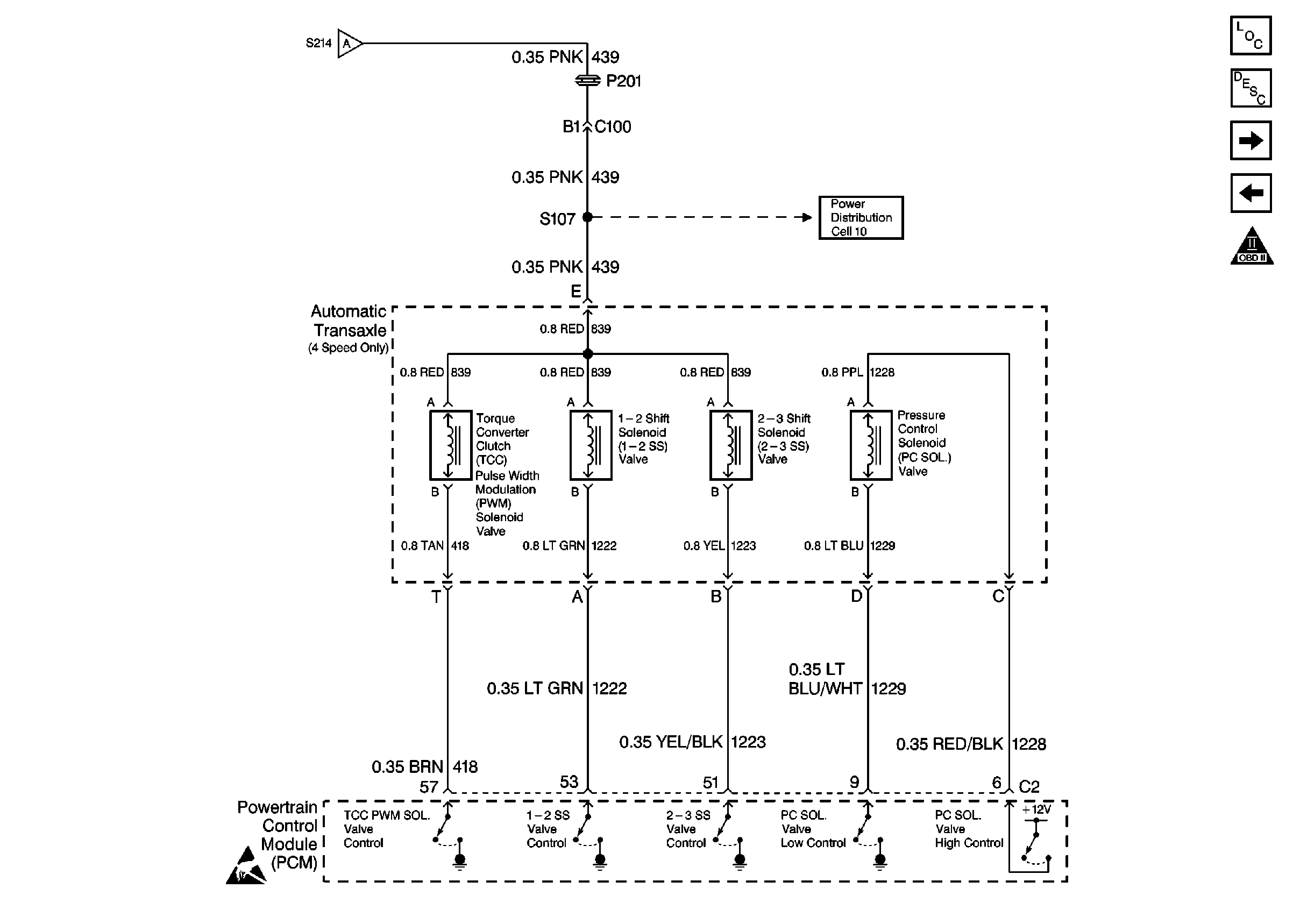
Figure 10:

Transaxle Controls and Brake Switches


Object Number: 364987  Size: FS
Engine Controls Components
Information Sensors/Switches Description
Transaxle Controls (Switches)
Cell 10 Cooling Fan, BATT1, BATT2, IGN, and ABS Fuses
OBD II Symbol Description Notice
Power Distribution Schematics
Cell 10 Cooling Fan, BATT1, BATT2, IGN, and ABS Fuses
Handling ESD Sensitive Parts Notice
Figure 11:

Transaxle Controls (Switches)


Object Number: 364990  Size: FS
Engine Controls Components
Information Sensors/Switches Description
A/C Controls
Transaxle Controls and Brake Switches
OBD II Symbol Description Notice
Handling ESD Sensitive Parts Notice
Handling ESD Sensitive Parts Notice
Engine Controls Connector End Views
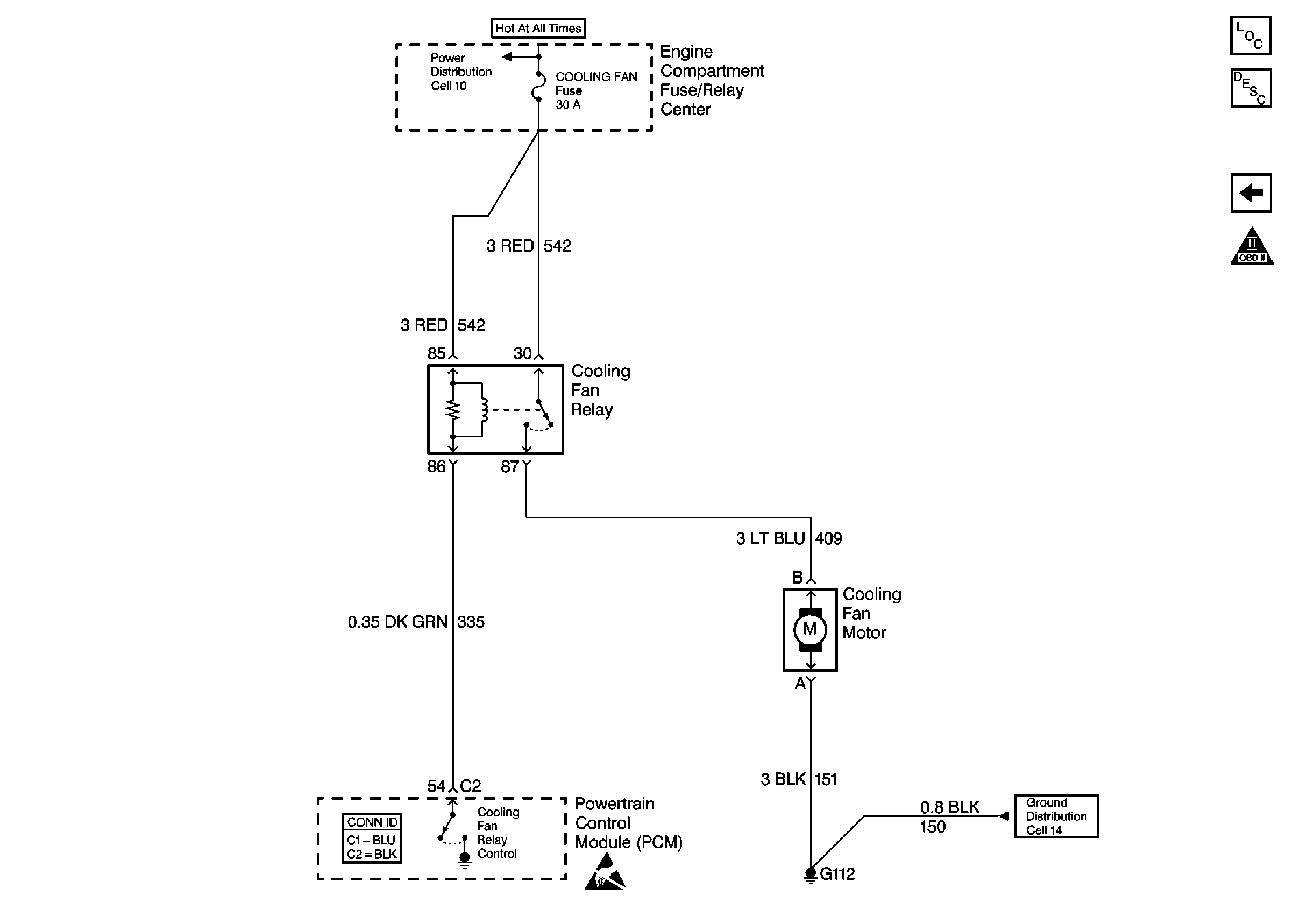
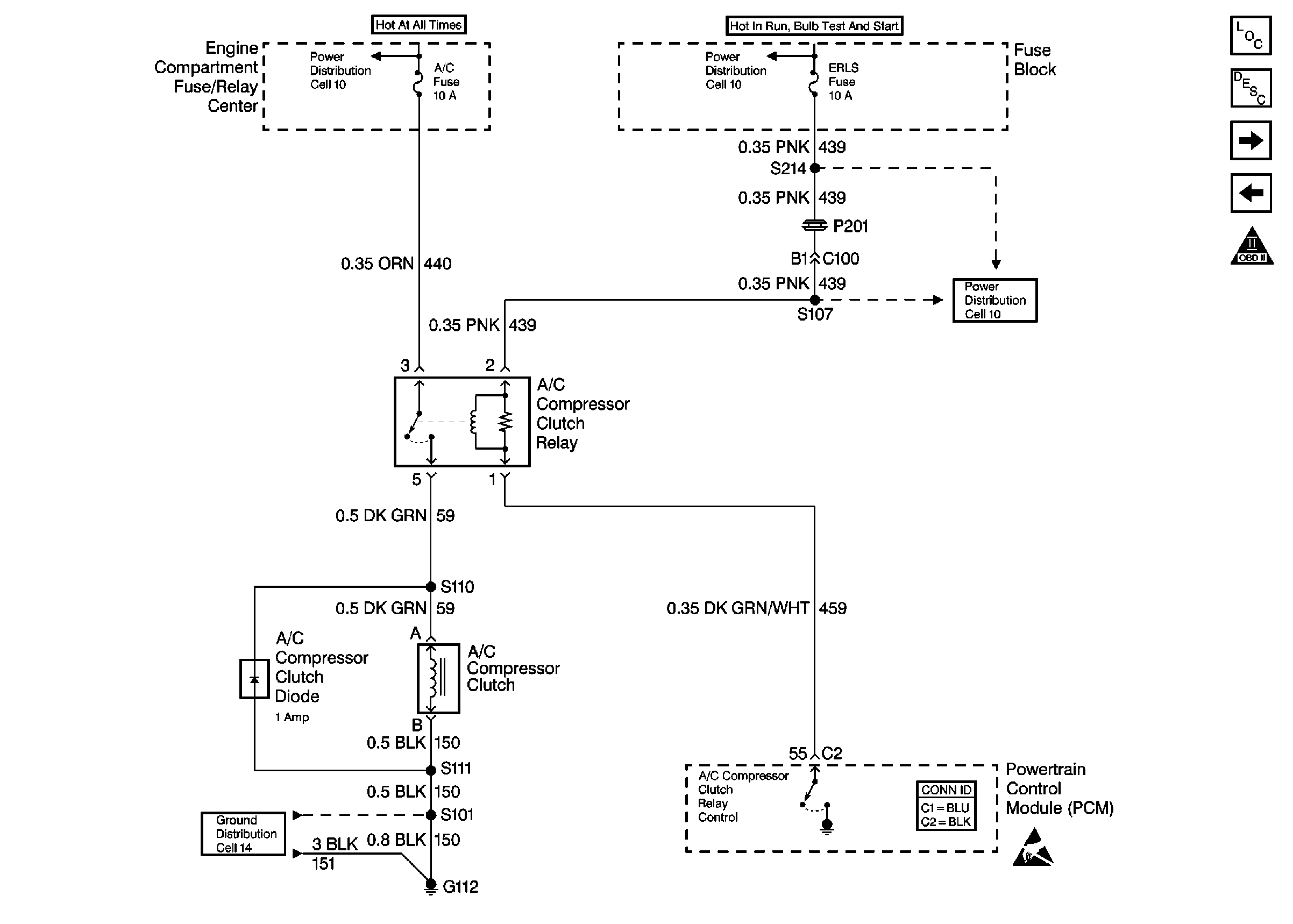
Figure 12:

A/C Controls


Object Number: 364997  Size: FS
Engine Controls Components
Information Sensors/Switches Description
Cooling Fan Controls
Transaxle Controls (Switches)
OBD II Symbol Description Notice
Handling ESD Sensitive Parts Notice
Power Distribution Schematics
Engine Controls Connector End Views
Power Distribution Schematics
Power Distribution Schematics
Ground Distribution Schematics
Figure 13:

Cooling Fan Controls


Object Number: 365001  Size: FS
Engine Controls Components
Information Sensors/Switches Description
A/C Controls
OBD II Symbol Description Notice
Handling ESD Sensitive Parts Notice
Ground Distribution Schematics
Power Distribution Schematics
Engine Controls Connector End Views