GM Service Manual Online
For 1990-2009 cars only
Makes
🢒
Pontiac
🢒
1999
🢒
Sunfire
🢒
Body and Accessories
🢒
Cruise Control
🢒 Cruise Control Schematics
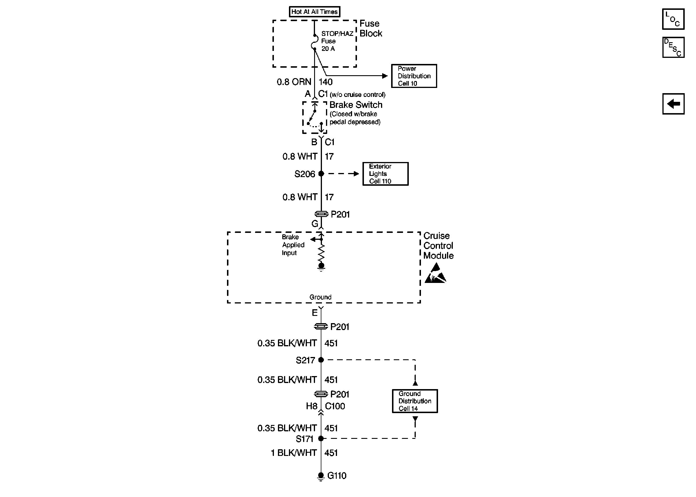
Figure
1:
Cell 34: Cruise Control Module, PCM
Cruise Control Components
Cruise Control System Circuit Description
Cell 34: Cruise Control Module
Power Distribution Schematics
Handling ESD Sensitive Parts Notice
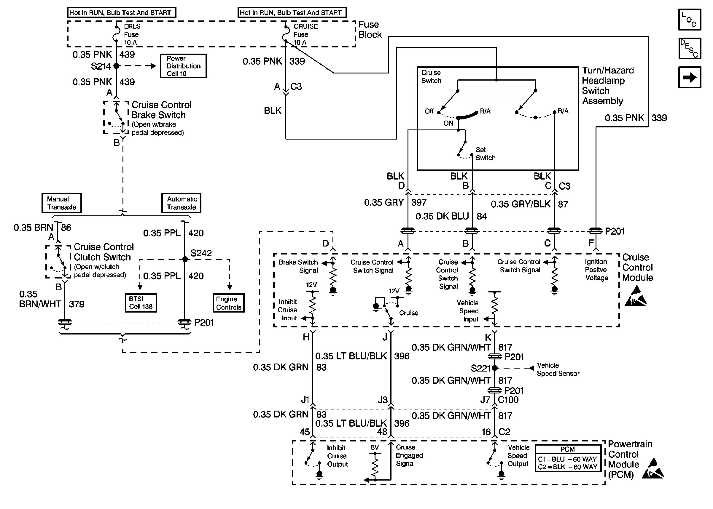
Figure
2:
Cell 34: Cruise Control Module
Cruise Control Components
Cruise Control System Circuit Description
Cell 34: Cruise Control Module, PCM
Handling ESD Sensitive Parts Notice
Power Distribution Schematics
Ground Distribution Schematics
Exterior Lights Schematics