GM Service Manual Online
For 1990-2009 cars only
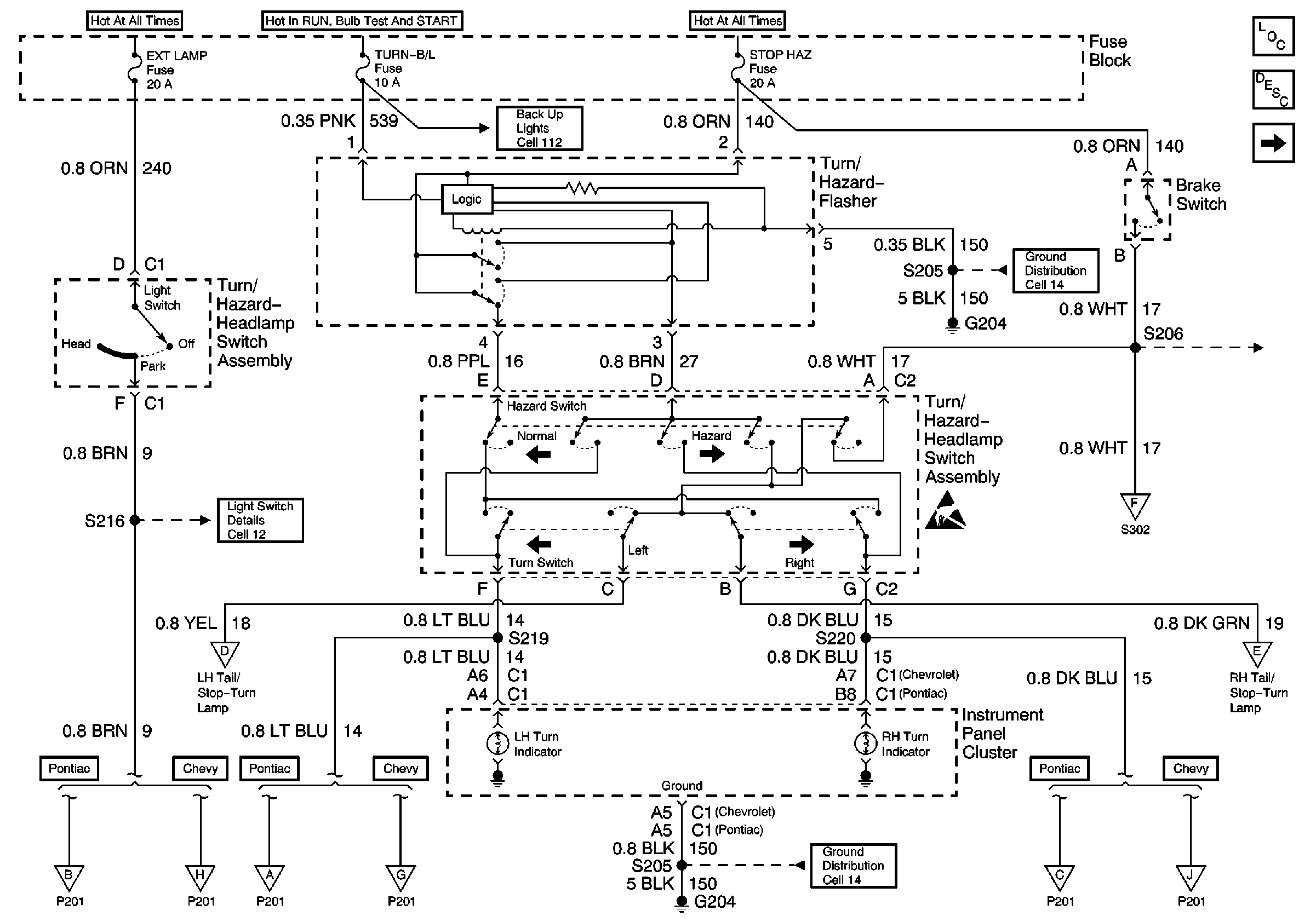
Figure 1:

Cell 110; Turn, Hazard, Headlamp Switch Assembly


Object Number: 284953  Size: FS
Lighting Systems Components
Exterior Lights Circuit Description
Cell 110: Turn, Hazard, Front Marker and Front Park Lamps
Handling ESD Sensitive Parts Notice
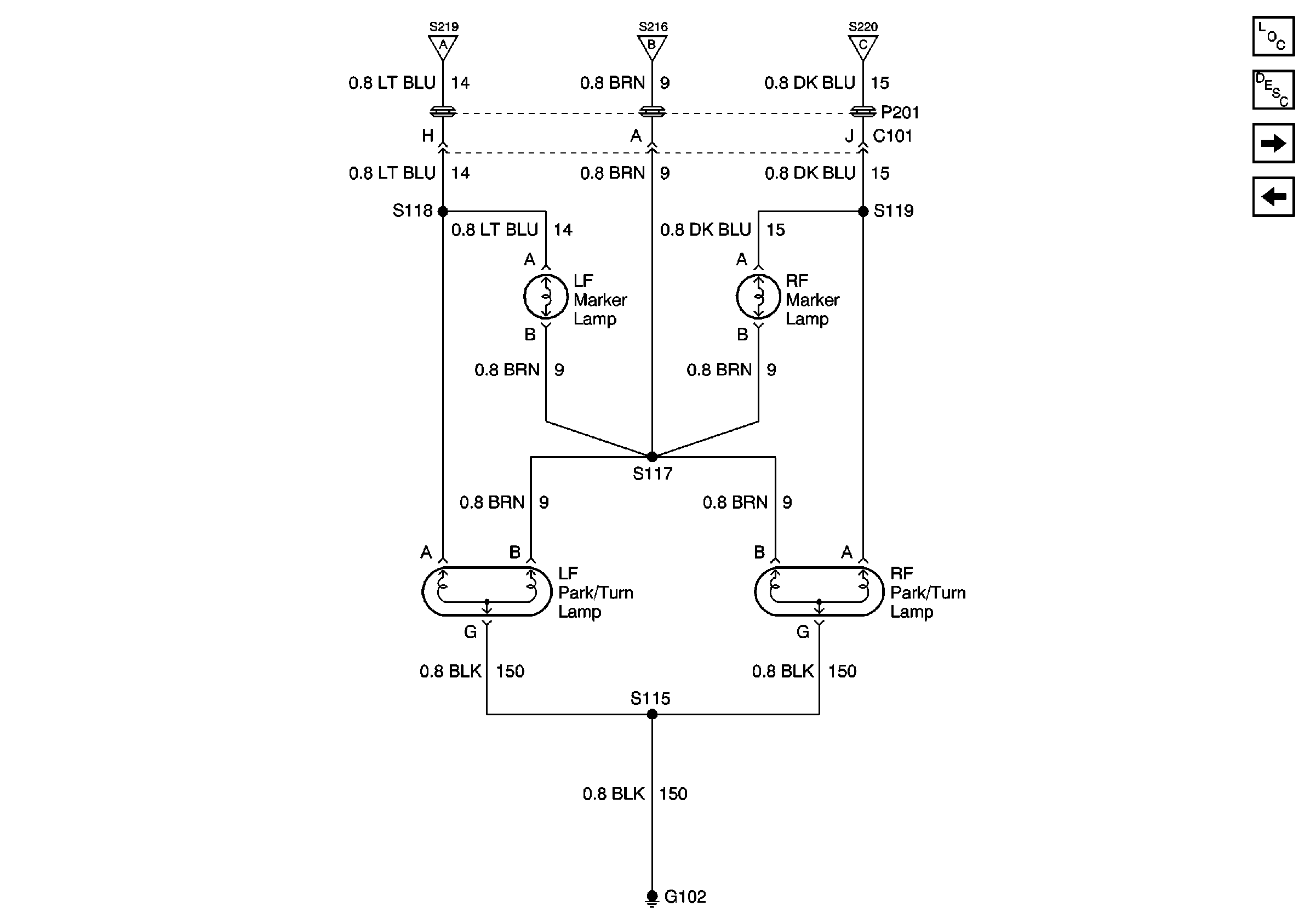
Cell 110: Turn, Hazard, Front Marker and Front Park Lamps
Cell 110: Turn, Hazard, Front Marker and Front Park Lamps
Cell 110: Turn, Hazard, Front Marker and Front Park Lamps
Cell 110: Turn, Hazard, Front Marker and Front Park Lamps Chevrolet
Cell 110: Turn, Hazard, Front Marker and Front Park Lamps Chevrolet
Cell 110: Turn, Hazard, Front Marker and Front Park Lamps Chevrolet
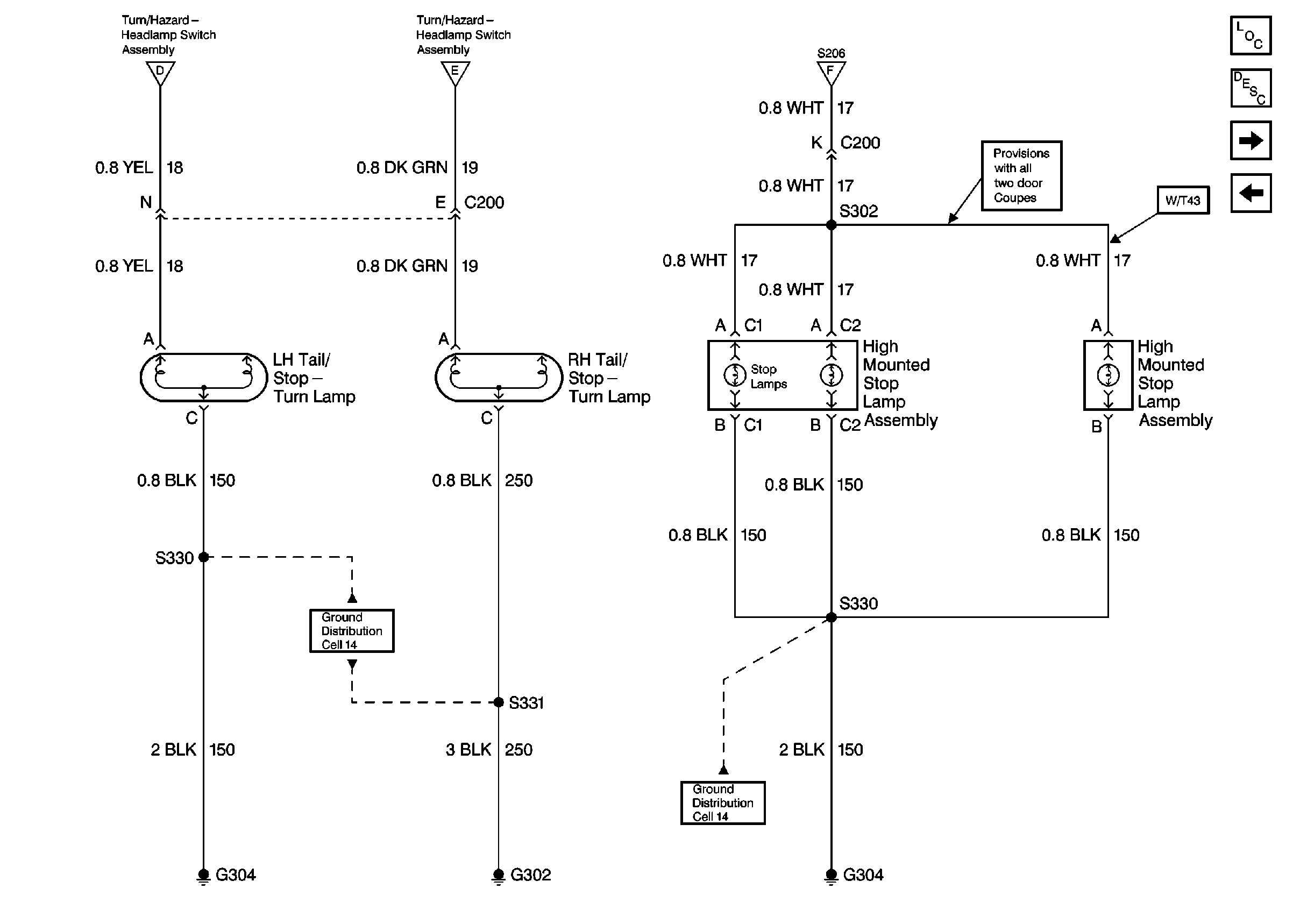
Cell 110: High Mounted Stop/ Turn Lamps
Cell 110: High Mounted Stop/ Turn Lamps
Cell 110: High Mounted Stop/ Turn Lamps
Ground Distribution Schematics
Ground Distribution Schematics
Figure 2:

Cell 110: Turn, Hazard, Front Marker and Front Park Lamps


Object Number: 284954  Size: FS
Lighting Systems Components
Exterior Lights Circuit Description
Cell 110: Turn, Hazard, Front Marker and Front Park Lamps Chevrolet
Cell 110; Turn, Hazard, Headlamp Switch Assembly
Cell 110; Turn, Hazard, Headlamp Switch Assembly
Cell 110; Turn, Hazard, Headlamp Switch Assembly
Cell 110; Turn, Hazard, Headlamp Switch Assembly
Figure 3:

Cell 110: High Mounted Stop/ Turn Lamps


Object Number: 284957  Size: FS
Lighting Systems Components
Exterior Lights Circuit Description
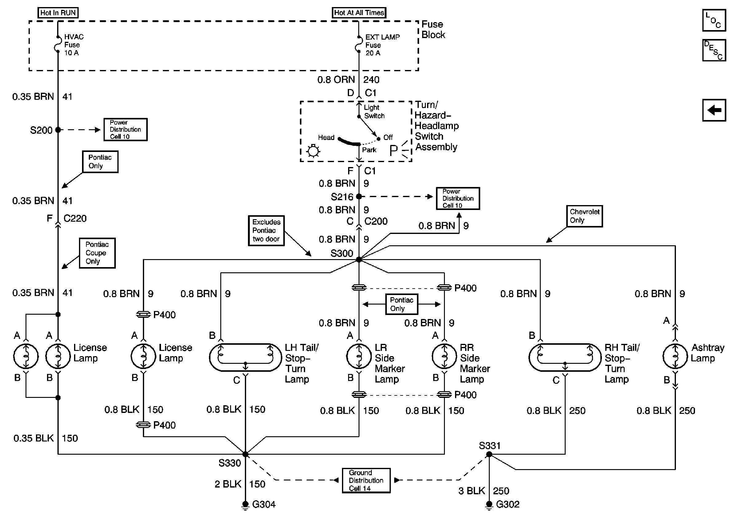
Cell 110: Tail, Rear Marker and License Lamps
Cell 110: Turn, Hazard, Front Marker and Front Park Lamps Chevrolet
Cell 110; Turn, Hazard, Headlamp Switch Assembly
Cell 110; Turn, Hazard, Headlamp Switch Assembly
Cell 110; Turn, Hazard, Headlamp Switch Assembly
Ground Distribution Schematics
Ground Distribution Schematics
Figure 4:

Cell 110: Tail, Rear Marker and License Lamps


Object Number: 284958  Size: FS
Lighting Systems Components
Exterior Lights Circuit Description
Cell 110: High Mounted Stop/ Turn Lamps
Power Distribution Schematics
Power Distribution Schematics
Ground Distribution Schematics