GM Service Manual Online
For 1990-2009 cars only
Figure 1:

Antilock Brake Systems Cell 44 (Motor Pack and Speed Sensors


Object Number: 184626  Size: FS
ABS Components
ABS Description
Antilock Brakes System Cell 44: Relay and Solenoids
Handling ESD Sensitive Parts Notice
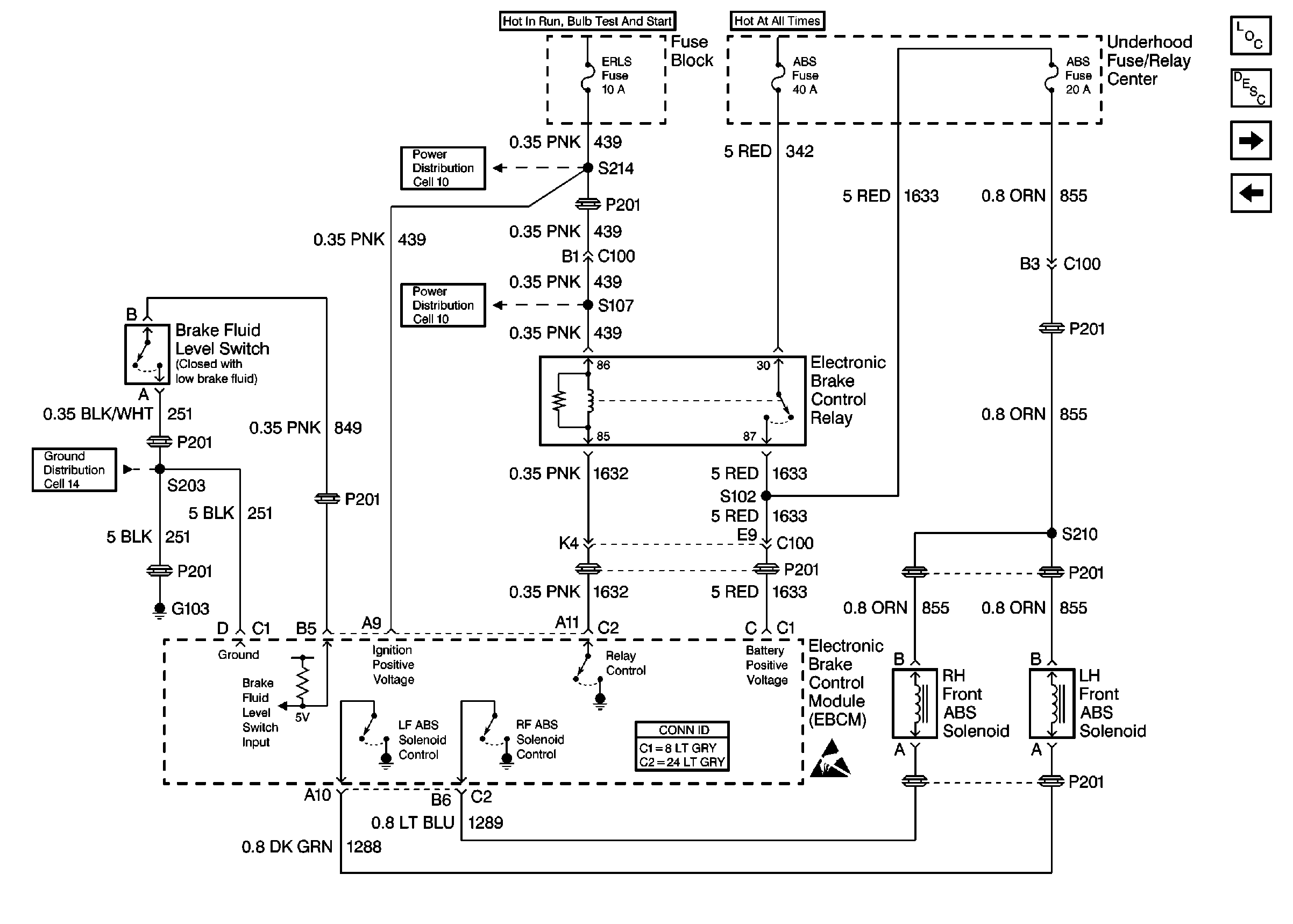
Figure 2:

Antilock Brakes System Cell 44: Relay and Solenoids


Object Number: 440869  Size: FS
ABS Components
ABS Description
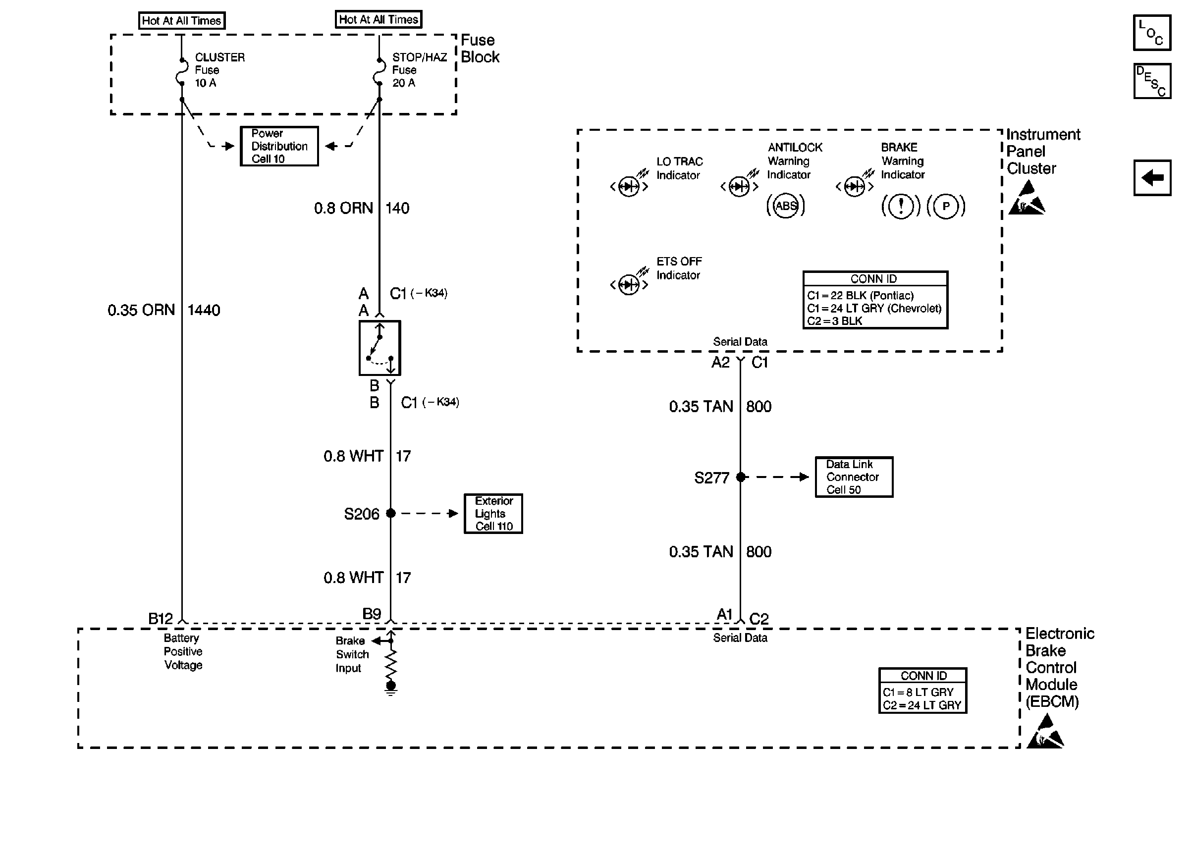
Antilock Brake Systems Cell 44: IPC, EBCM and Brake Switch
Antilock Brake Systems Cell 44 (Motor Pack and Speed Sensors
Handling ESD Sensitive Parts Notice
Power Distribution Schematics
Power Distribution Schematics
Ground Distribution Schematics
Figure 3:

Antilock Brake Systems Cell 44: IPC, EBCM and Brake Switch


Object Number: 440871  Size: FS
ABS Components
ABS Description
Antilock Brakes System Cell 44: Relay and Solenoids
Handling ESD Sensitive Parts Notice
Handling ESD Sensitive Parts Notice
Power Distribution Schematics
Exterior Lights Schematics
Data Link Connector Schematics