GM Service Manual Online
For 1990-2009 cars only
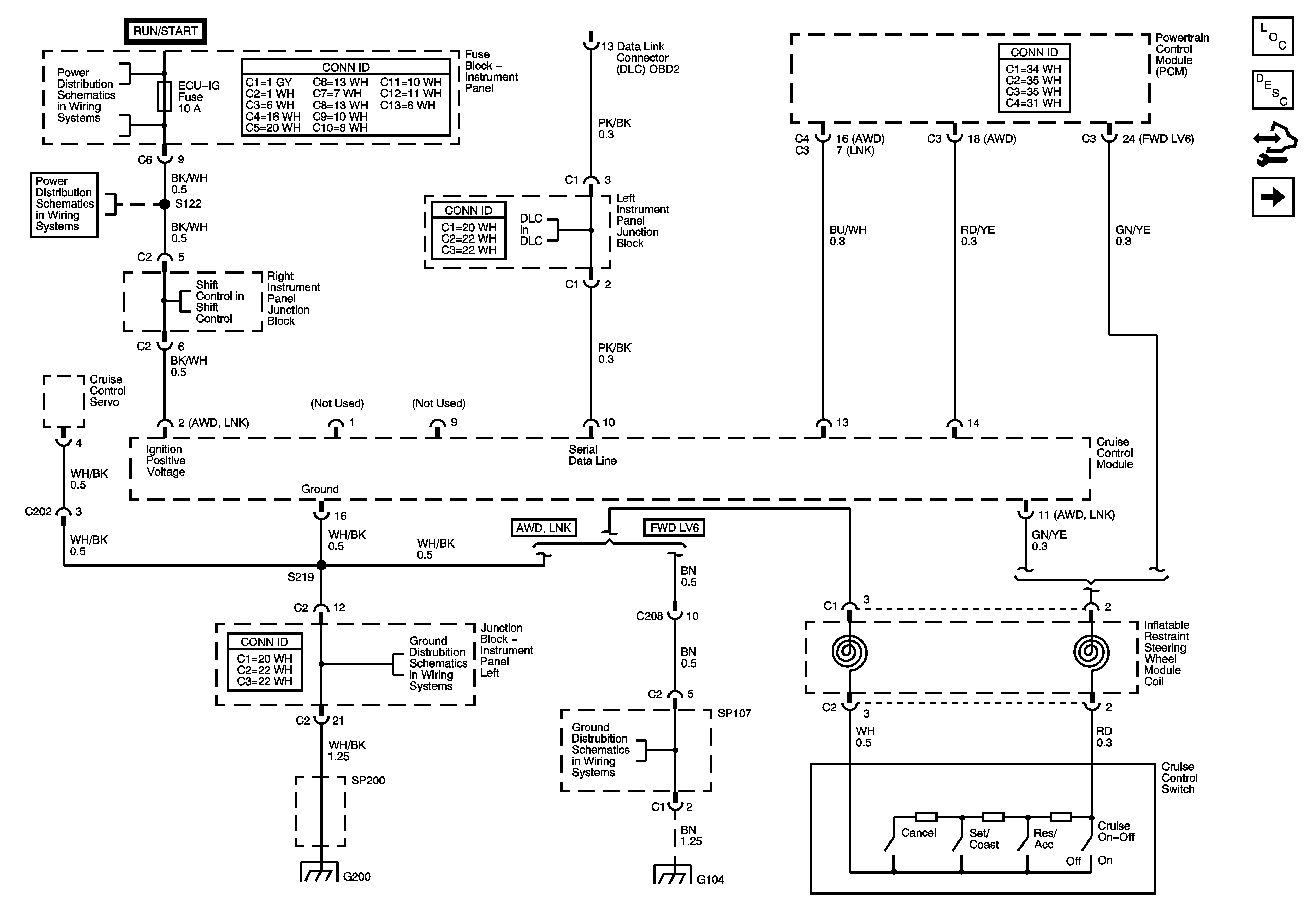
Figure 1:

Cruise Control Module and Switch


Object Number: 1424588  Size: FS
Master Electrical Component List
Cruise Control Description and Operation
Control Module References
Cruise Control Module, Cruise Control Release Switch, Cruise Indicator
Wash, RR Wip, Wiper, ECU-IG, Gauge, Heater, DEF Fuses
Wash, RR Wip, Wiper, ECU-IG, Gauge, Heater, DEF Fuses
P/W Relay, SP109
SP201 and G201
Junction Block - Instrument Panel Left
Data Link Connector - 3 of 3
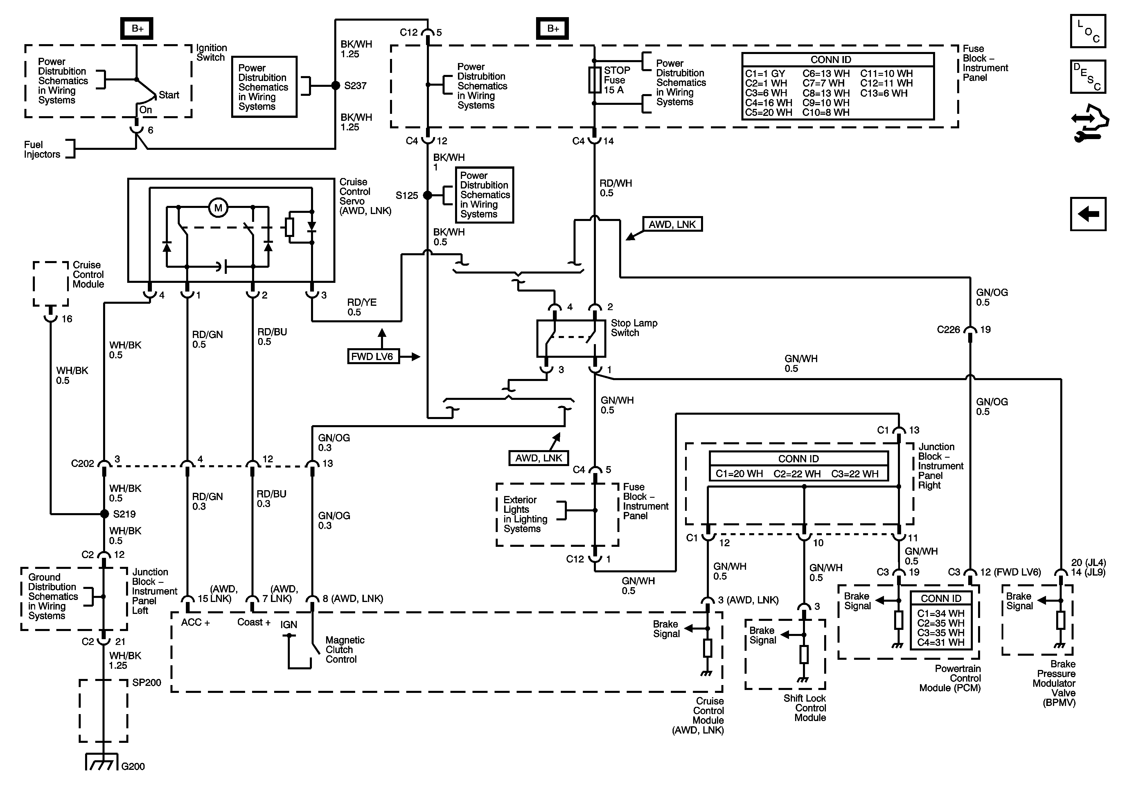
Figure 2:

Cruise Control Module, Cruise Control Release Switch, Cruise Indicator


Object Number: 1424590  Size: FS
Master Electrical Component List
Cruise Control Description and Operation
Control Module References
Cruise Control Module and Servo
Cruise Control Module and Switch
Wash, RR Wip, Wiper, ECU-IG, Gauge, Heater, DEF Fuses
Junction Block - Instrument Panel Right
Junction Block - Instrument Panel Right
Ignition Switch (2 of 2)
Ignition Switch (2 of 2)
Charge, Air Bag, Malfunction, O/D OFF, Cruise Indicators
Figure 3:

Cruise Control Module and Servo


Object Number: 1424592  Size: FS
Master Electrical Component List
Cruise Control Description and Operation
Control Module References
Cruise Control Module, Cruise Control Release Switch, Cruise Indicator
Power, AM 1, Door, Tail, P/Point, ECU-B, Stop, OBD, INV, Fuses
Stop Lamps
Junction Block - Instrument Panel Left
SP201 and G201