GM Service Manual Online
For 1990-2009 cars only
Figure 1:

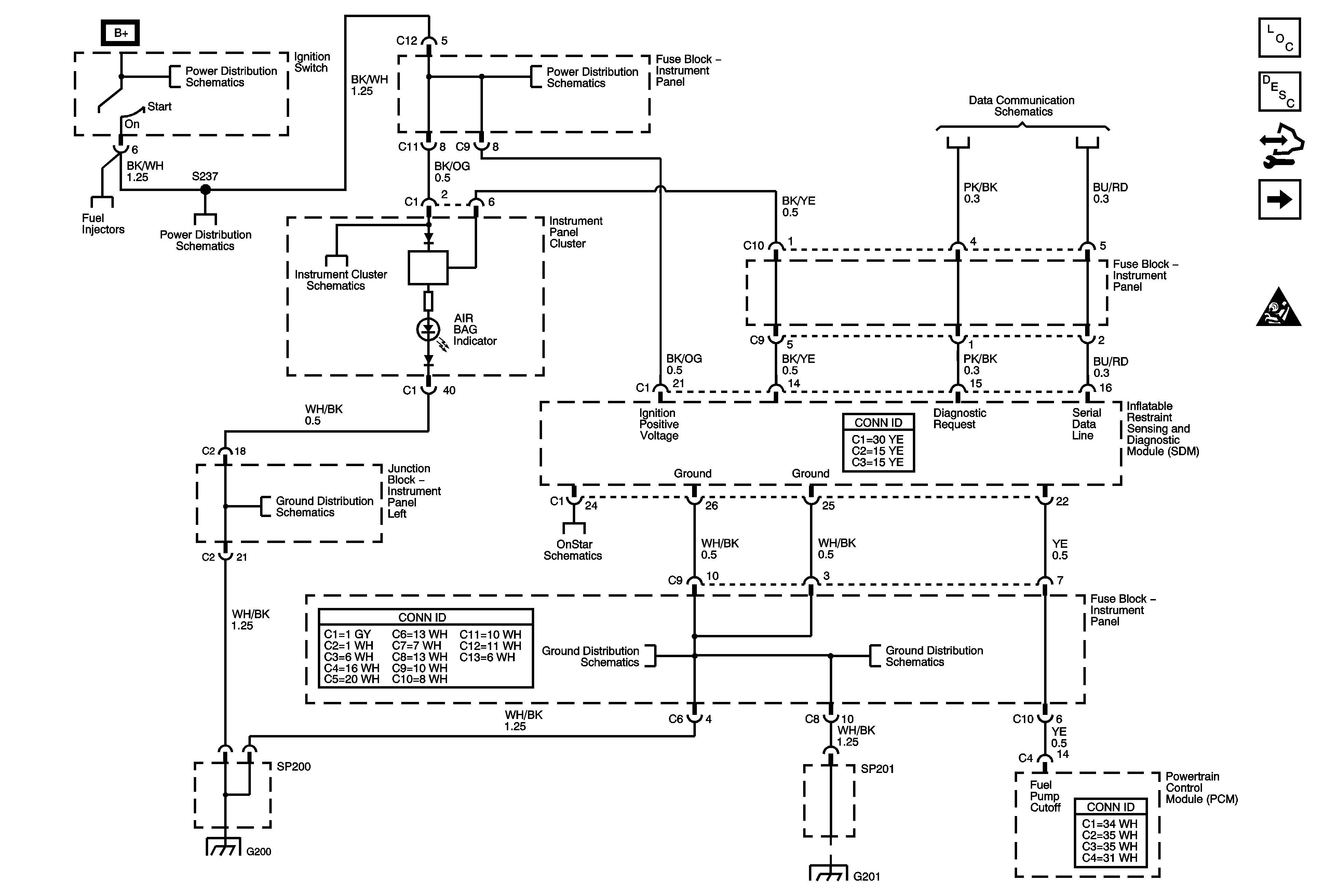
Inflatable Restraint Sensing and Diagnostic Module (SDM) Power and Ground


Object Number: 1424576  Size: FS
Master Electrical Component List
SIR System Description and Operation
Control Module References
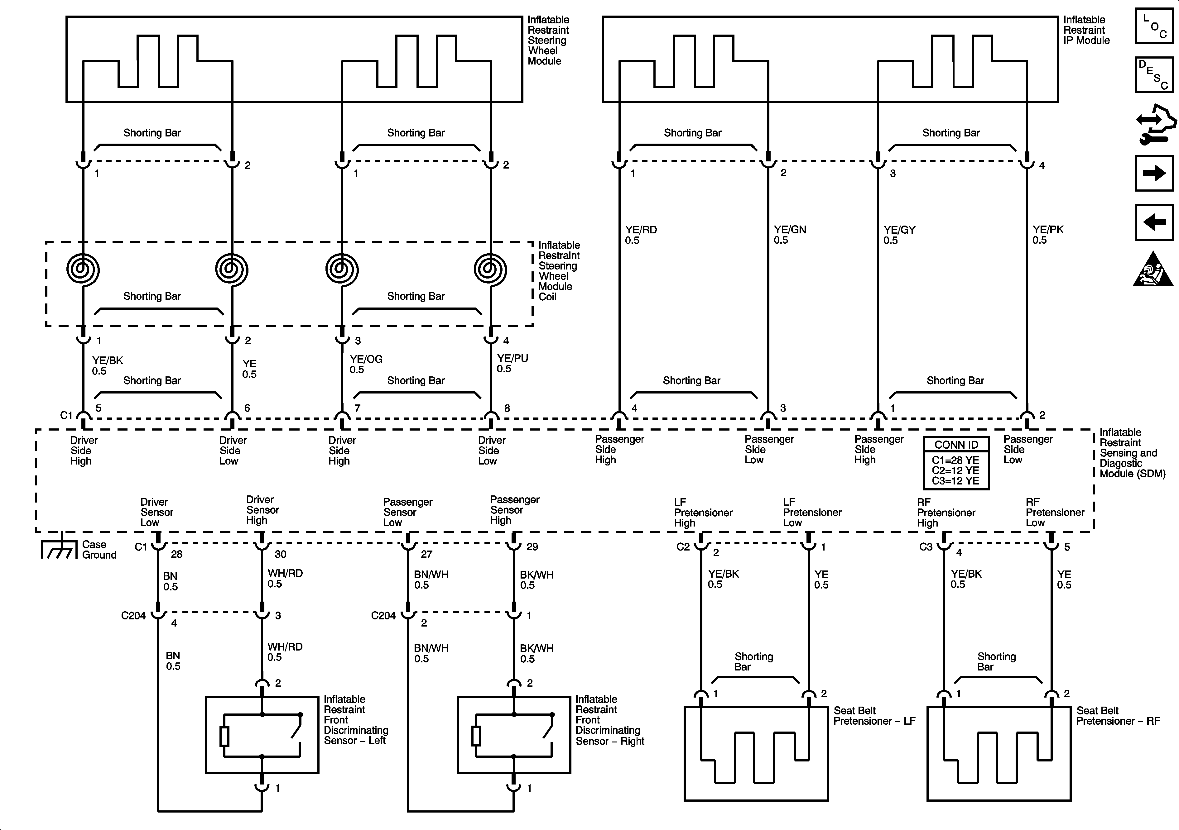
Inflatable Restraint Steering Wheel Module, IP Module, Front Discriminating Sensors, Seat Belt Pretensioners
SIR Caution for Zoning
Ignition Switch (2 of 2)
Ignition Switch (2 of 2)
Ignition Switch (2 of 2)
Charge, Air Bag, Malfunction, O/D OFF, Cruise Indicators
Junction Block - Instrument Panel Left
SP201 and G201
Data Link Connector - 1 of 3
Fuse Block - Instrument Panel
SP201 and G201
Junction Block - Instrument Panel Right
Figure 2:

Inflatable Restraint Steering Wheel Module, I/P Module, Front Discriminating Sensors, Seat Belt Pretensioners


Object Number: 1424579  Size: FS
Master Electrical Component List
SIR System Description and Operation
Control Module References
Inflatable Restraint Side Impact Modules, Roof Rail Modules, Side Impact Sensor
Inflatable Restraint Sensing and Diagnostic Module (SDM) Power and Ground
SIR Caution for Zoning
Figure 3:

Inflatable Restraint Side Impact Modules, Roof Rail Modules, Side Impact Sensors


Object Number: 1424581  Size: FS
Master Electrical Component List
SIR System Description and Operation
Control Module References
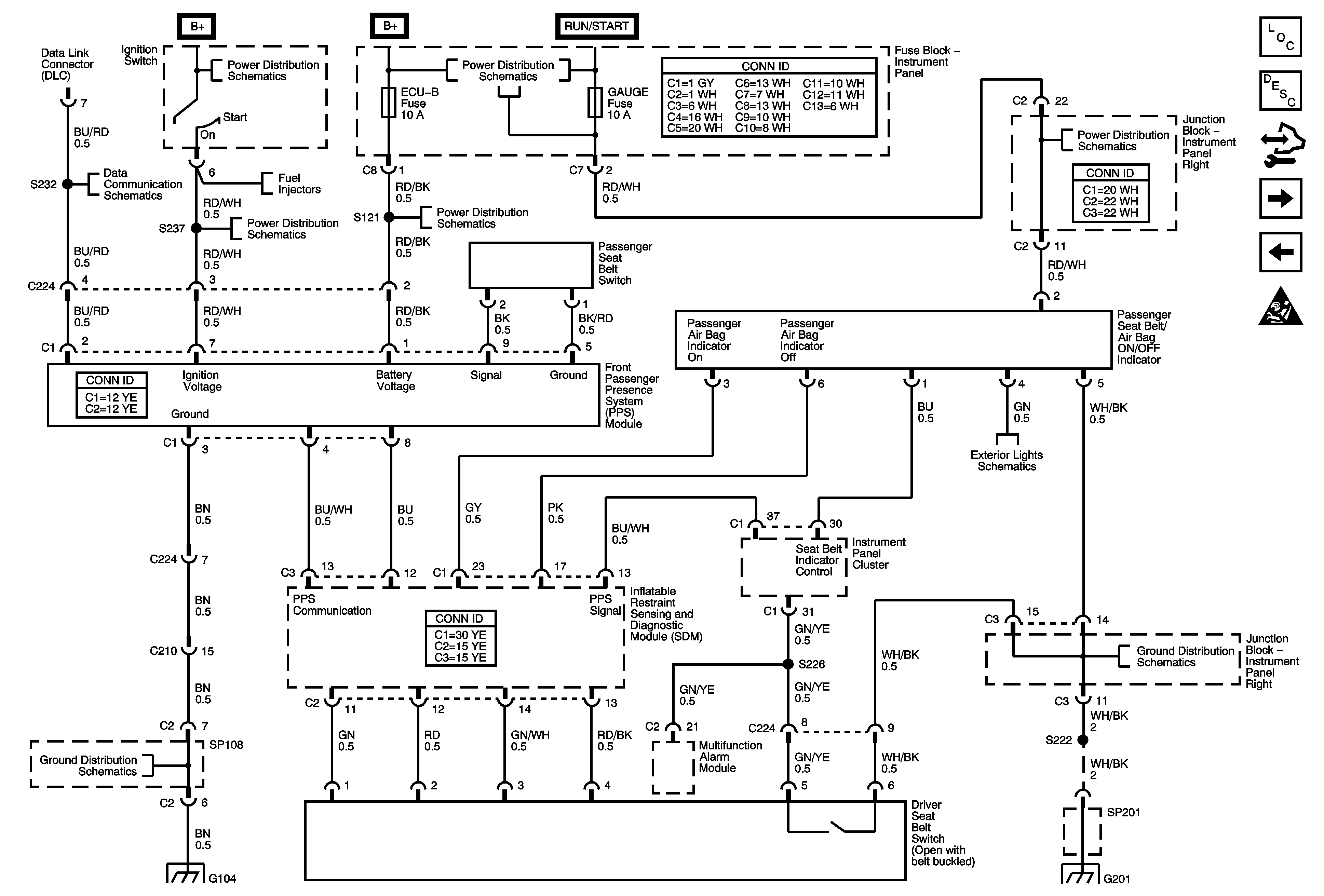
Front Passenger Presence System (PPS) Module, Seat Belt Switches, Passenger Seat Belt Warning Lamp
Inflatable Restraint Steering Wheel Module, IP Module, Front Discriminating Sensors, Seat Belt Pretensioners
SIR Caution for Zoning
Figure 4:

Front Passenger Presence System (PPS) Module, Seat Belt Switches, Passenger Seat Belt Warning Lamp


Object Number: 1424584  Size: FS
Master Electrical Component List
SIR System Description and Operation
Control Module References
Passenger Seat Position Sensors
Inflatable Restraint Side Impact Modules, Roof Rail Modules, Side Impact Sensor
SIR Caution for Zoning
Power, AM 1, Door, Tail, P/Point, ECU-B, Stop, OBD, INV, Fuses
Wash, RR Wip, Wiper, ECU-IG, Gauge, Heater, DEF Fuses
Data Link Connector - 1 of 3
Power, AM 1, Door, Tail, P/Point, ECU-B, Stop, OBD, INV, Fuses
Ignition Switch (2 of 2)
Ignition Switch (2 of 2)
Junction Block - Instrument Panel Right
SP107, SP108, G104
SP107, SP108, G104
Illumination Lamps
Junction Block - Instrument Panel Right
SP201 and G201
Figure 5:

Passenger Presence System Sensors


Object Number: 1480340  Size: FS
Master Electrical Component List
SIR System Description and Operation
Control Module References
Front PPS Module, Seat Belt Switches, Passenger Seat Belt Warning Lamp
SIR Schematic Icons