GM Service Manual Online
For 1990-2009 cars only
Figure 1:

Powertrain Control Module (PCM) Power and Ground


Object Number: 785454  Size: FS
Master Electrical Component List
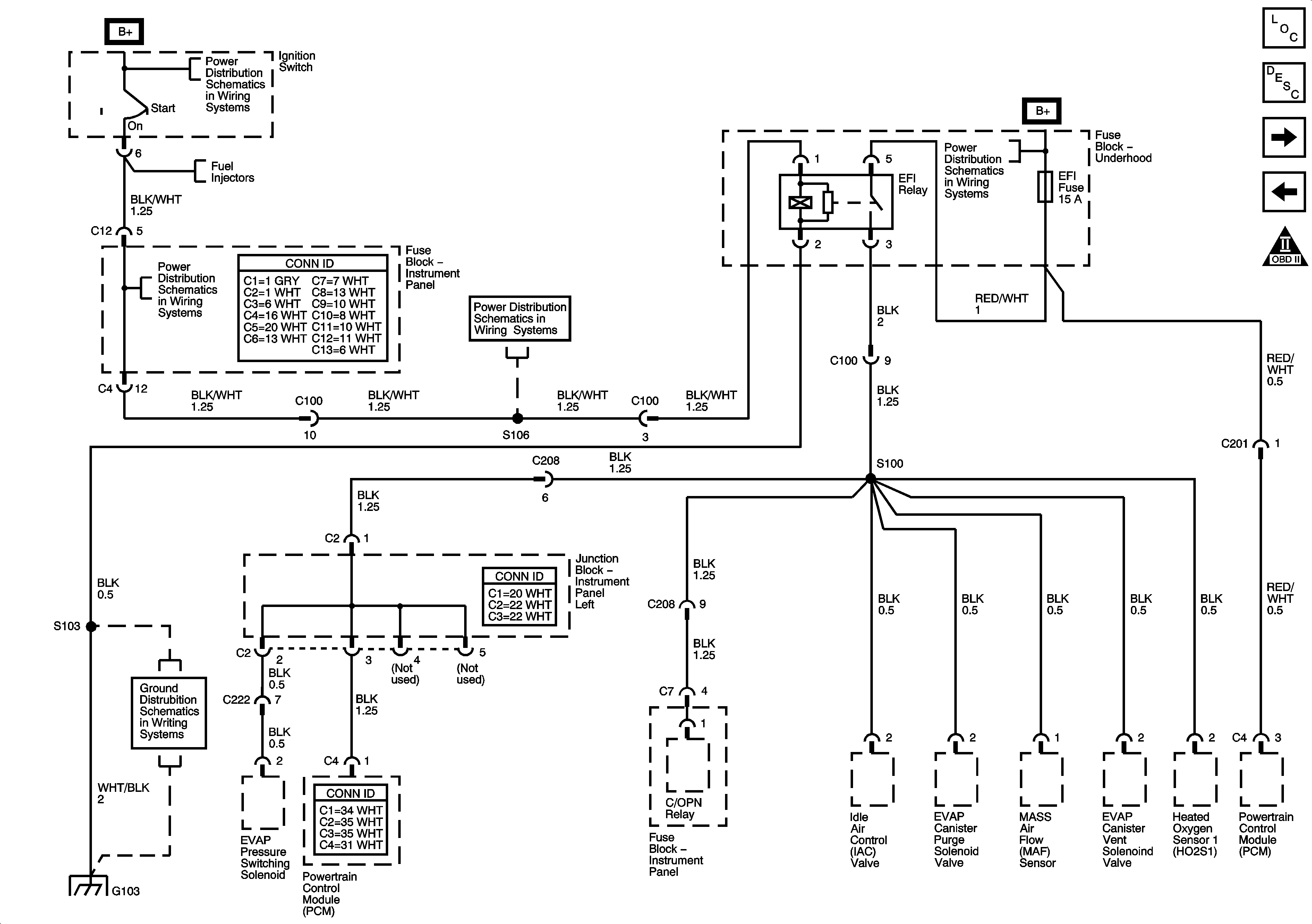
Main Power Feed
OBD II Symbol Description Notice
HORN, DOME, MAIN and AMP Fuses
POWER, AM-1, DOOR, TAIL, P/POINT, ECU-B, STOP, OBD and INV Fuses
Ignition Switch, CIG and IG 1 Fuses
Ignition Switch and C/OPN Relay
Ignition Switch and C/OPN Relay
Ignition Switch and C/OPN Relay
Ignition Switch, CIG and IG 1 Fuses
S103 and G103
H-MAIN, ALT-S, EFI and HAZ Fuses
S100
S100
SP107, SP108 and G104
S105, SP107, G105 and G106
SP201 and G201
Figure 2:

Main Power Feed


Object Number: 785457  Size: FS
Master Electrical Component List
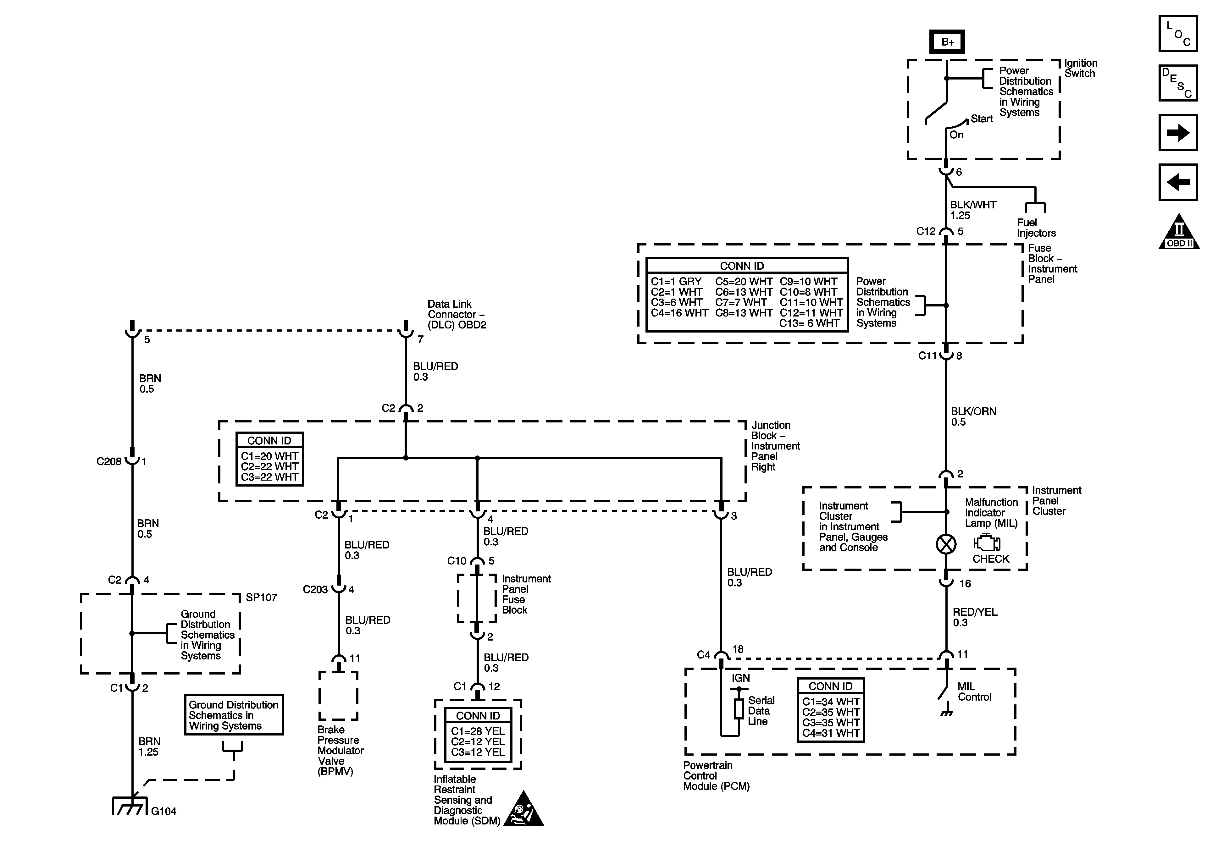
Data Link Connector (1 of 2 (DLC))
Powertrain Control Module (PCM) Power and Ground
OBD II Symbol Description Notice
Ignition Switch and C/OPN Relay
Ignition Switch and C/OPN Relay
S103 and G103
Ignition Switch and C/OPN Relay
H-MAIN, ALT-S, EFI and HAZ Fuses
S100
H-MAIN, ALT-S, EFI and HAZ Fuses
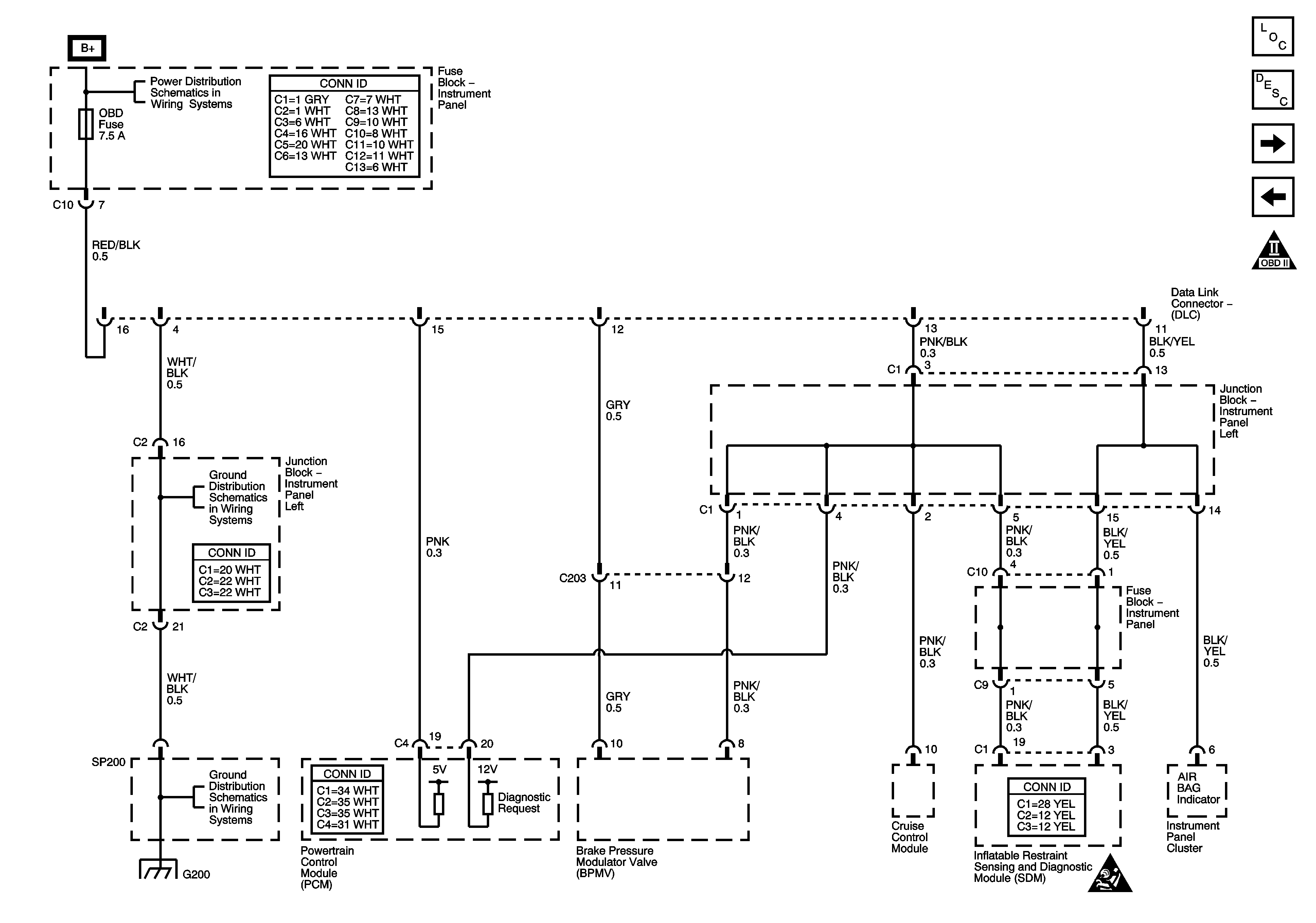
Figure 3:

Data Link Connector ((DLC) 1 of 2 )


Object Number: 785476  Size: FS
Master Electrical Component List
Data Link Connector (2 of 2 (DLC))
Main Power Feed
OBD II Symbol Description Notice
POWER, AM-1, DOOR, TAIL, P/POINT, ECU-B, STOP, OBD and INV Fuses
Left Instrument Panel Junction Block
SP200 and G200
Figure 4:

Data Link Connector ((DLC) 2 of 2)


Object Number: 787259  Size: FS
Master Electrical Component List
Fuel Supply System
Data Link Connector (1 of 2 (DLC))
Ignition Switch and C/OPN Relay
Ignition Switch and C/OPN Relay
Charge, Air Bag, Malfunction, O/D Off, Cruise Indicators
SP107, SP108 and G104
SP107, SP108 and G104
Figure 5:

Fuel Supply System


Object Number: 785462  Size: FS
Master Electrical Component List
OBD II Symbol Description Notice
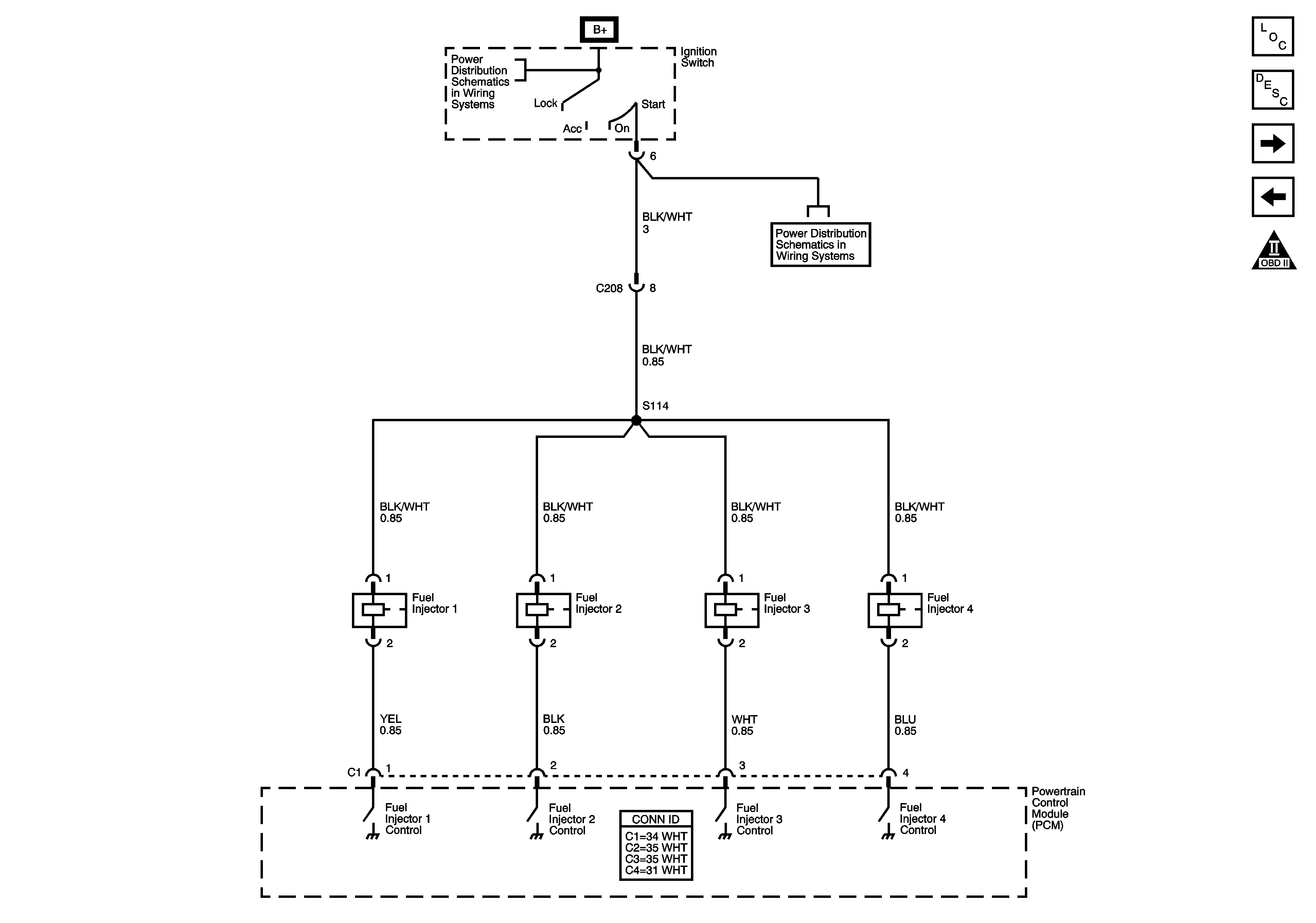
Fuel Injectors
Data Link Connector (2 of 2 (DLC))
Ignition Switch and C/OPN Relay
Ignition Switch and C/OPN Relay
Ignition Switch and C/OPN Relay
H-MAIN, ALT-S, EFI and HAZ Fuses
H-MAIN, ALT-S, EFI and HAZ Fuses
S100
S103 and G103
G202, G300 and G301
Figure 6:

Fuel Injectors


Object Number: 785486  Size: FS
Master Electrical Component List
OBD II Symbol Description Notice
EVAP Controls, IAC Valve
Fuel Supply System
Figure 7:

IAC Valve and EVAP Controls


Object Number: 785470  Size: FS
Master Electrical Component List
OBD II Symbol Description Notice
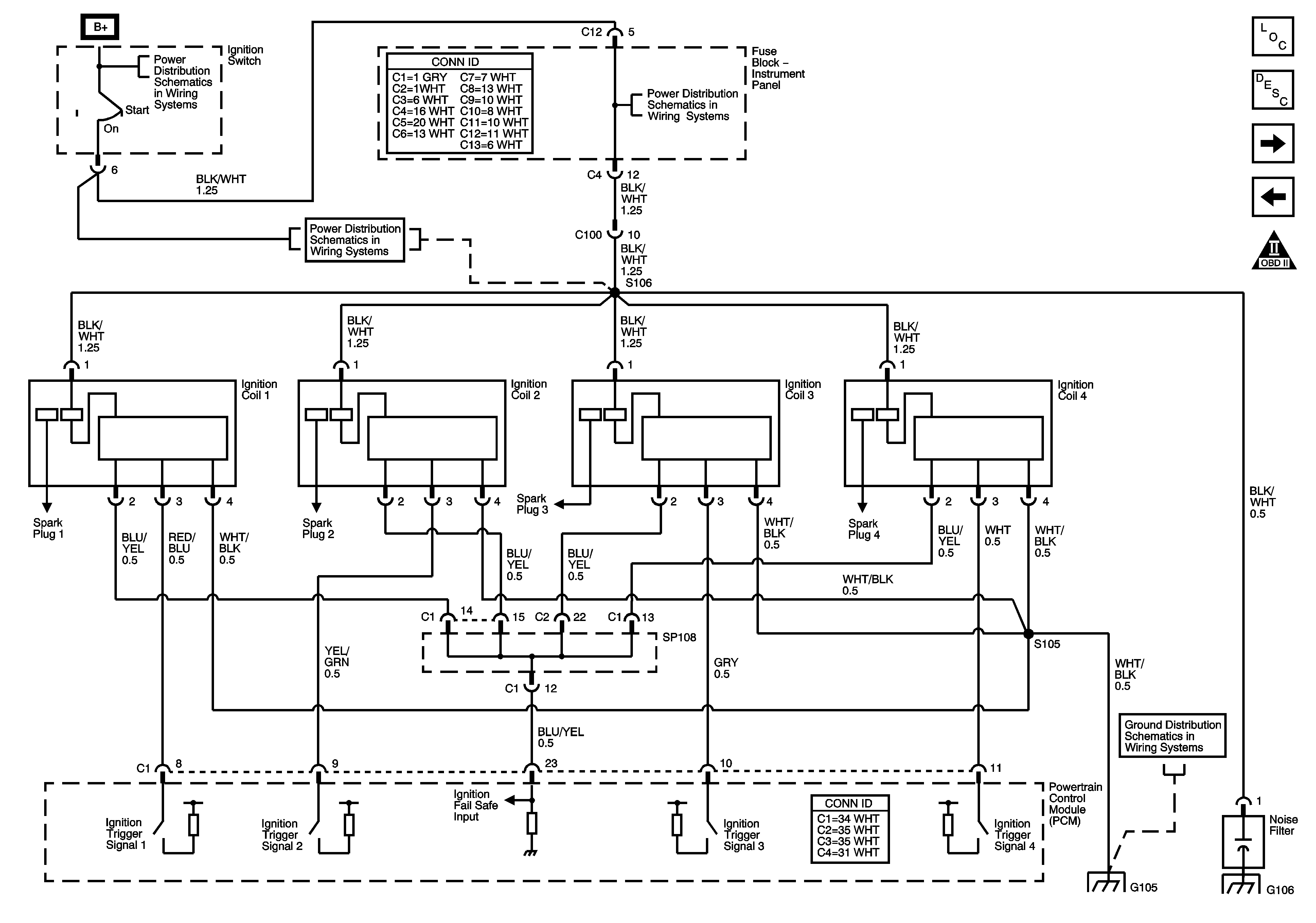
Ignition System
Fuel Injectors
Ignition Switch and C/OPN Relay
Ignition Switch and C/OPN Relay
S103 and G103
Ignition Switch and C/OPN Relay
S100
S105, SP107, G105 and G106
H-MAIN, ALT-S, EFI and HAZ Fuses
H-MAIN, ALT-S, EFI and HAZ Fuses
S100
Figure 8:

Ignition System


Object Number: 785458  Size: FS
Master Electrical Component List
OBD II Symbol Description Notice
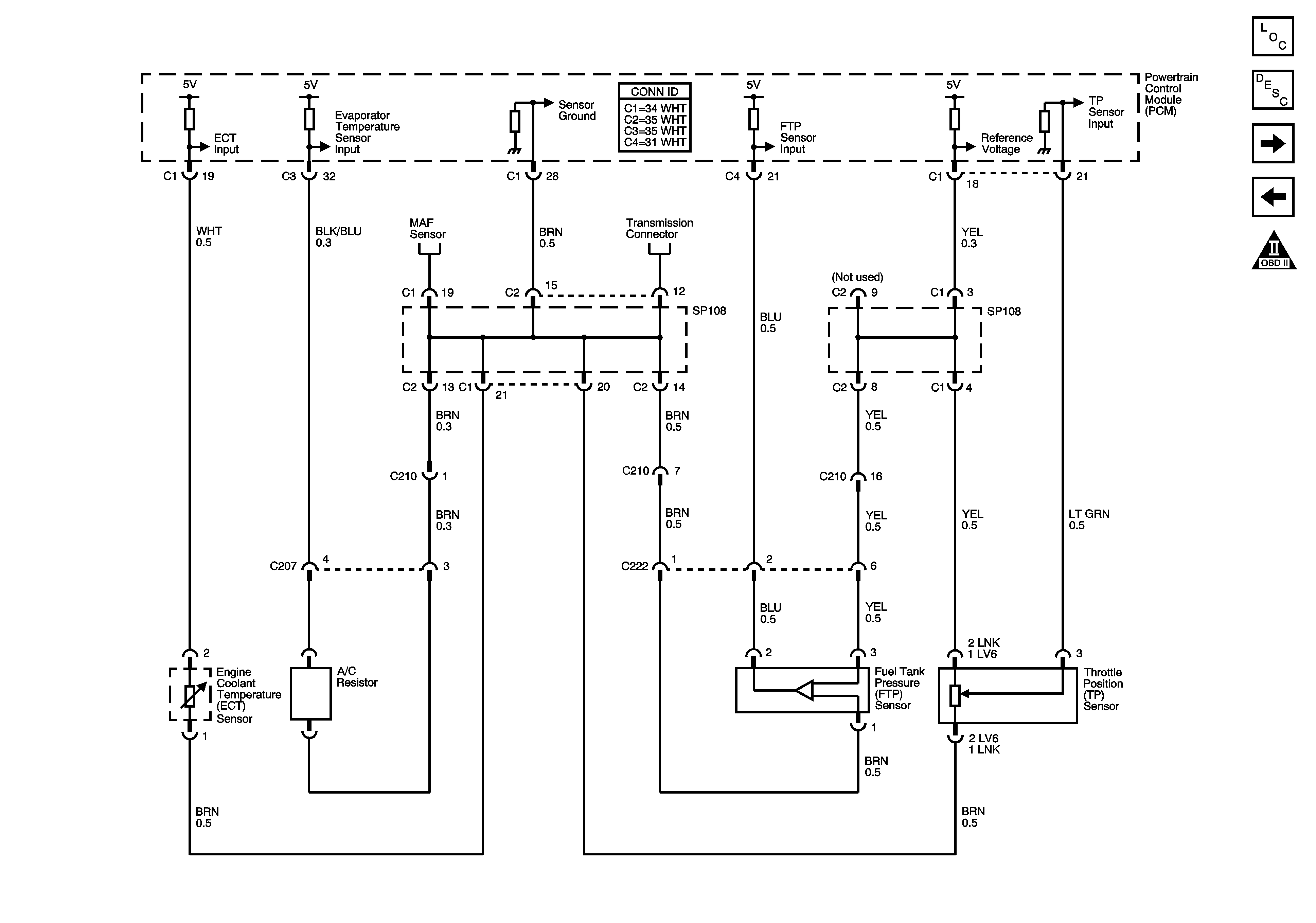
ECT, FTP, TPS, Evaporator Temp Sensors
EVAP Controls, IAC Valve
Ignition Switch and C/OPN Relay
Ignition Switch and C/OPN Relay
S105, SP107, G105 and G106
Figure 9:

Engine Coolant Temperature (ECT) Sensor, Evaporator Temperature Sensor, Fuel Tank Pressure (FTP) Sensor, Throttle Position (TP) Sensor


Object Number: 785465  Size: FS
Master Electrical Component List
OBD II Symbol Description Notice
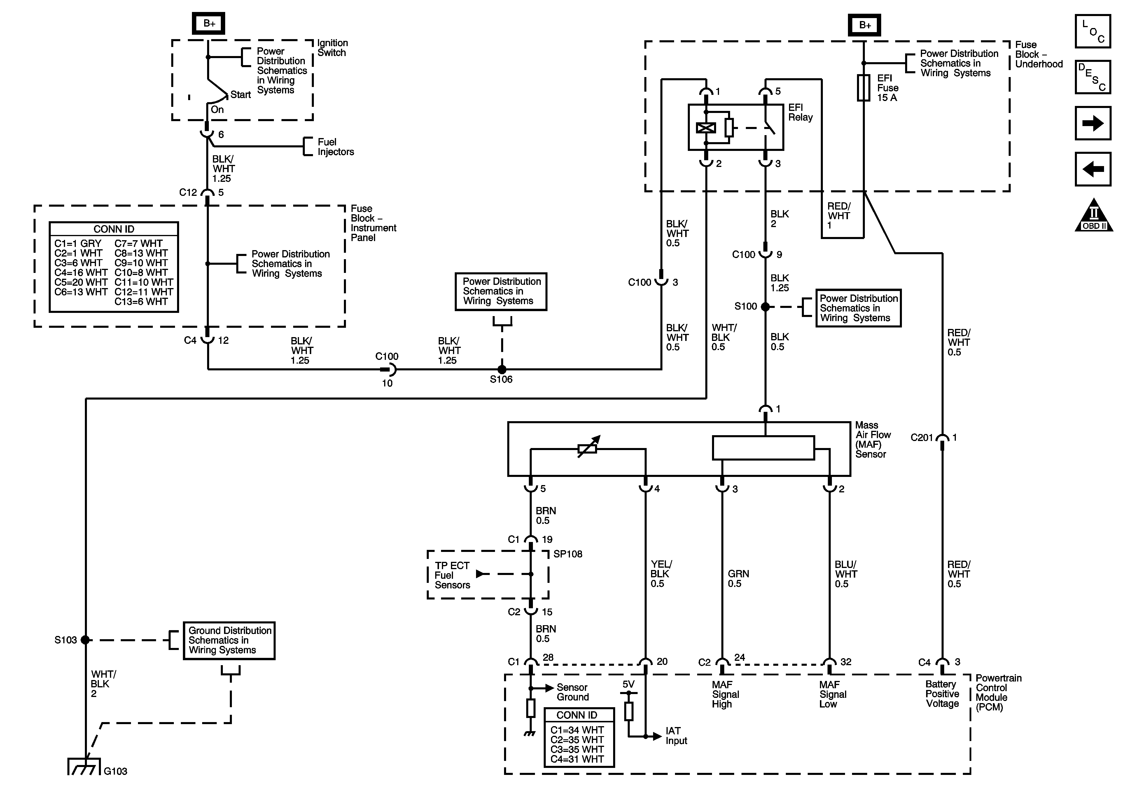
MAF Sensor
Ignition System
Figure 10:

MAF Sensor


Object Number: 785466  Size: FS
Master Electrical Component List
OBD II Symbol Description Notice
KS, CMP, CKP and Camshaft Position (CMP) Actuator Solenoid Valve
ECT, FTP, TPS, Evaporator Temp Sensors
Ignition Switch and C/OPN Relay
Ignition Switch and C/OPN Relay
S103 and G103
Ignition Switch and C/OPN Relay
H-MAIN, ALT-S, EFI and HAZ Fuses
S100
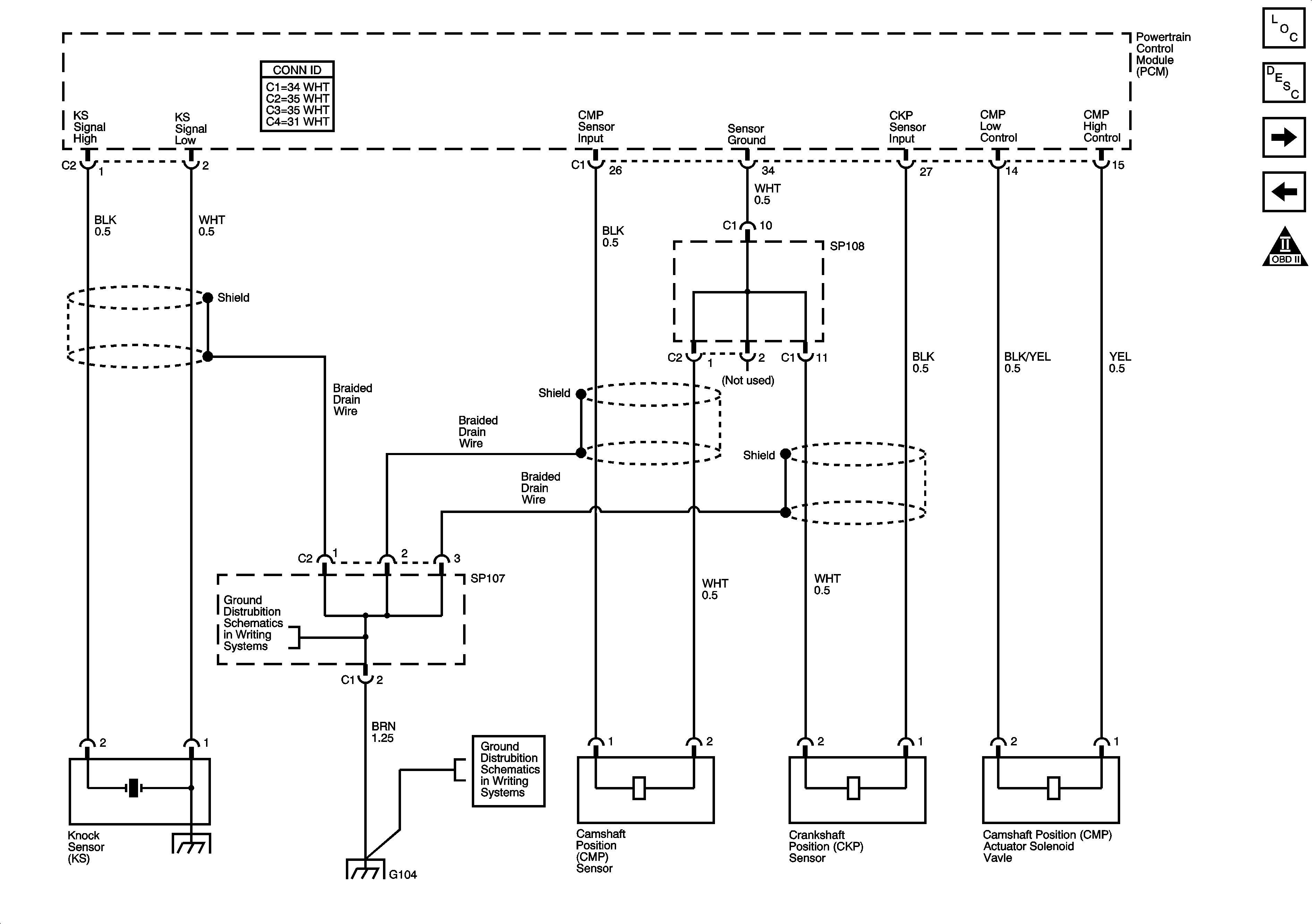
Figure 11:

Knock Sensor (KS), Camshaft Position (CMP) Sensor, Crankshaft Position (CKP) Sensor, Camshaft Position (CMP) Actuator Solenoid Valve


Object Number: 785460  Size: FS
Master Electrical Component List
OBD II Symbol Description Notice
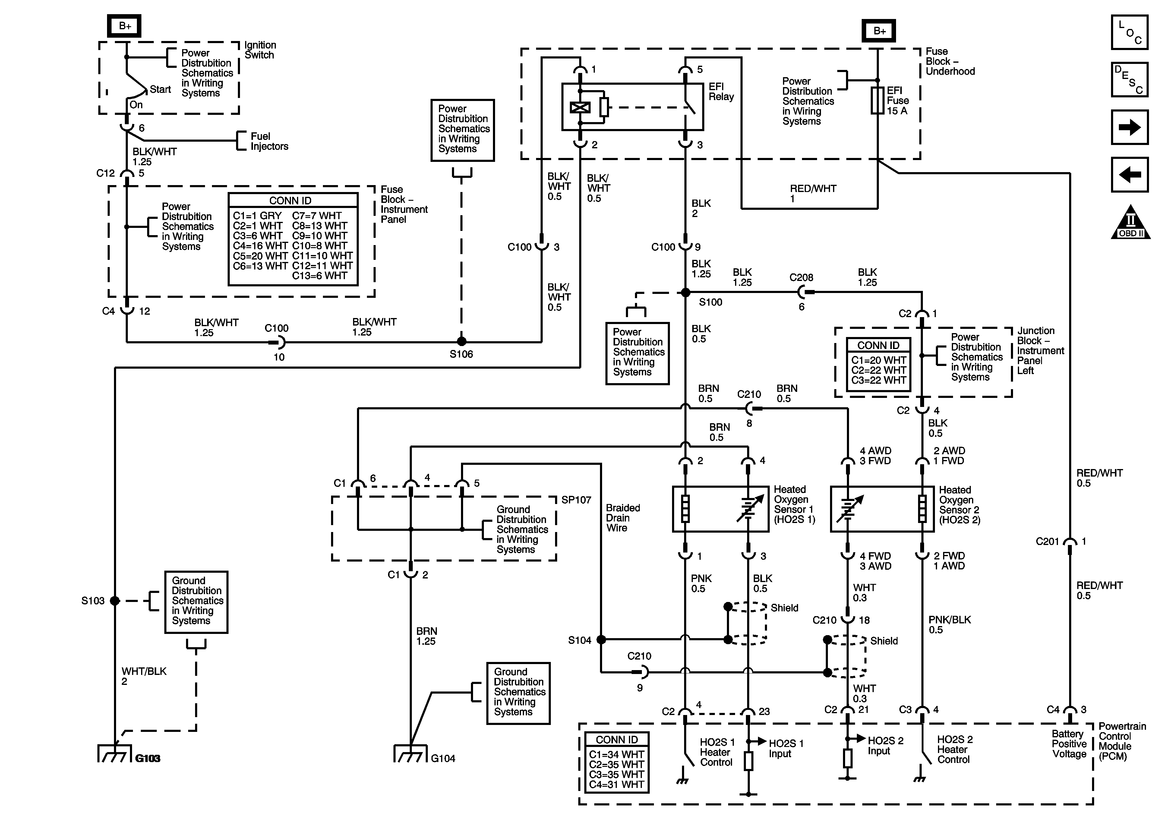
Heated Oxygen Sensors (HO2S)
MAF Sensor
SP107, SP108 and G104
SP107, SP108 and G104
Figure 12:

Heated Oxygen Sensors (HO2S)


Object Number: 785467  Size: FS
Master Electrical Component List
OBD II Symbol Description Notice
Park/Neutral Position (PNP) Switch
KS, CMP, CKP and Camshaft Position (CMP) Actuator Solenoid Valve
Ignition Switch and C/OPN Relay
Ignition Switch and C/OPN Relay
S103 and G103
Ignition Switch and C/OPN Relay
S100
SP107, SP108 and G104
SP107, SP108 and G104
H-MAIN, ALT-S, EFI and HAZ Fuses
H-MAIN, ALT-S, EFI and HAZ Fuses
S100
Figure 13:

Park/Neutral Position (PNP) Switch


Object Number: 785559  Size: FS
Master Electrical Component List
OBD II Symbol Description Notice
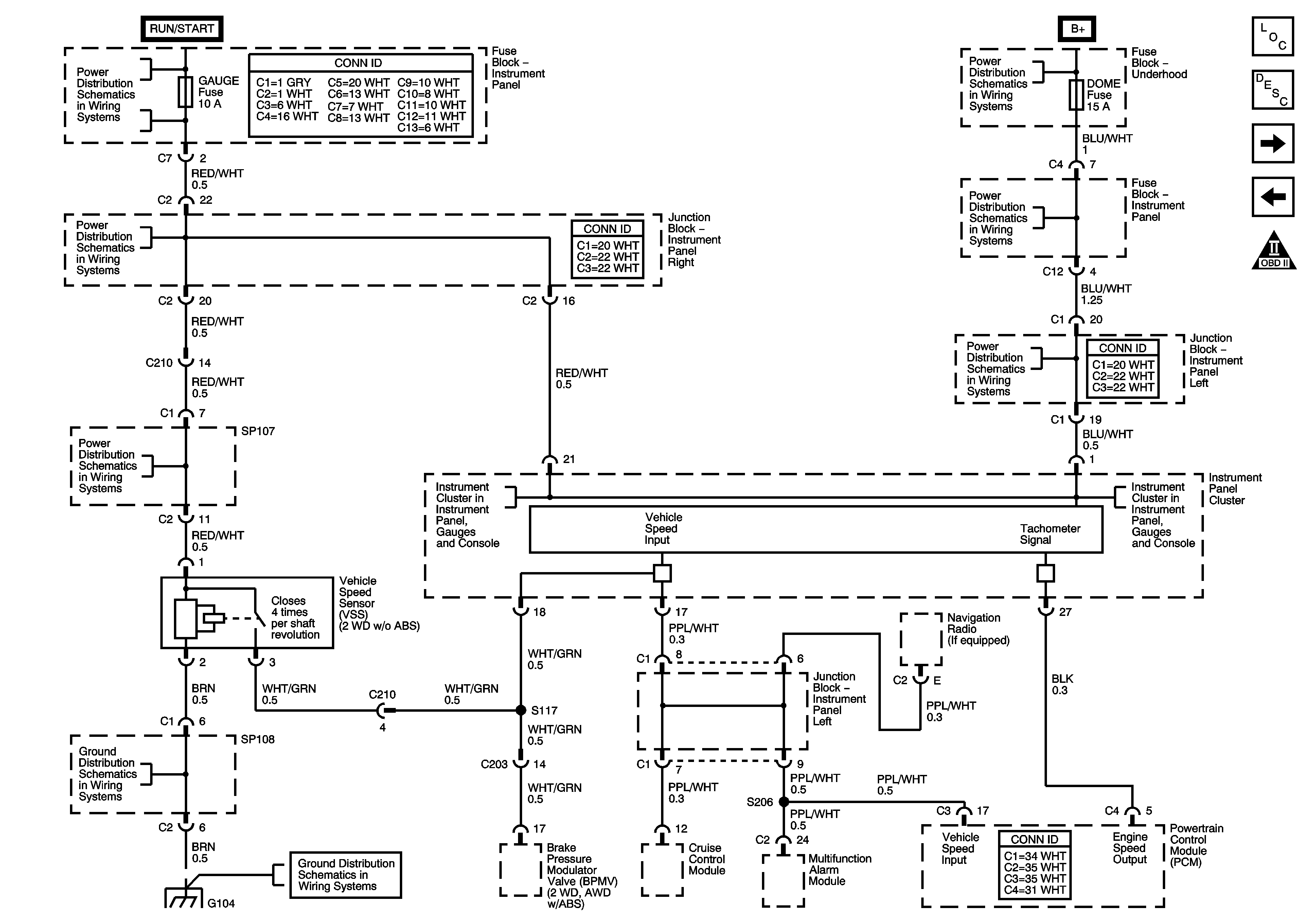
Vehicle Speed Sensors (VSS)
Heated Oxygen Sensors (HO2S)
Ignition Switch, CIG and IG 1 Fuses
Ignition Switch, CIG and IG 1 Fuses
Starting System
Back Up Lamps
POWER, AM-1, DOOR, TAIL, P/POINT, ECU-B, STOP, OBD and INV Fuses
WASH, RR WIP, WIPER, ECU-IG, GAUGE, HEATER, and DEF Fuses
Ignition Switch, CIG and IG 1 Fuses
Heater Relay, Right Instrument Panel Junction Block
Figure 14:

Vehicle Speed Sensor (VSS)


Object Number: 785468  Size: FS
Master Electrical Component List
OBD II Symbol Description Notice
Automatic Transaxle Controls, FWD
Park/Neutral Position (PNP) Switch
HORN, DOME, MAIN and AMP Fuses
HORN, DOME, MAIN and AMP Fuses
HORN, DOME, MAIN and AMP Fuses
Tachometer, Speedometer and Headlamps ON Indicator
WASH, RR WIP, WIPER, ECU-IG, GAUGE, HEATER, and DEF Fuses
Heater Relay, Right Instrument Panel Junction Block
Heater Relay, Right Instrument Panel Junction Block
Tachometer, Speedometer and Headlamps ON Indicator
SP107, SP108 and G104
SP107, SP108 and G104
Gage and Door Fuse, Multifunction Alarm Module and Remote Control Door Lock Receiver
Figure 15:

Automatic Transaxle Controls, FWD


Object Number: 785471  Size: FS
Master Electrical Component List
OBD II Symbol Description Notice
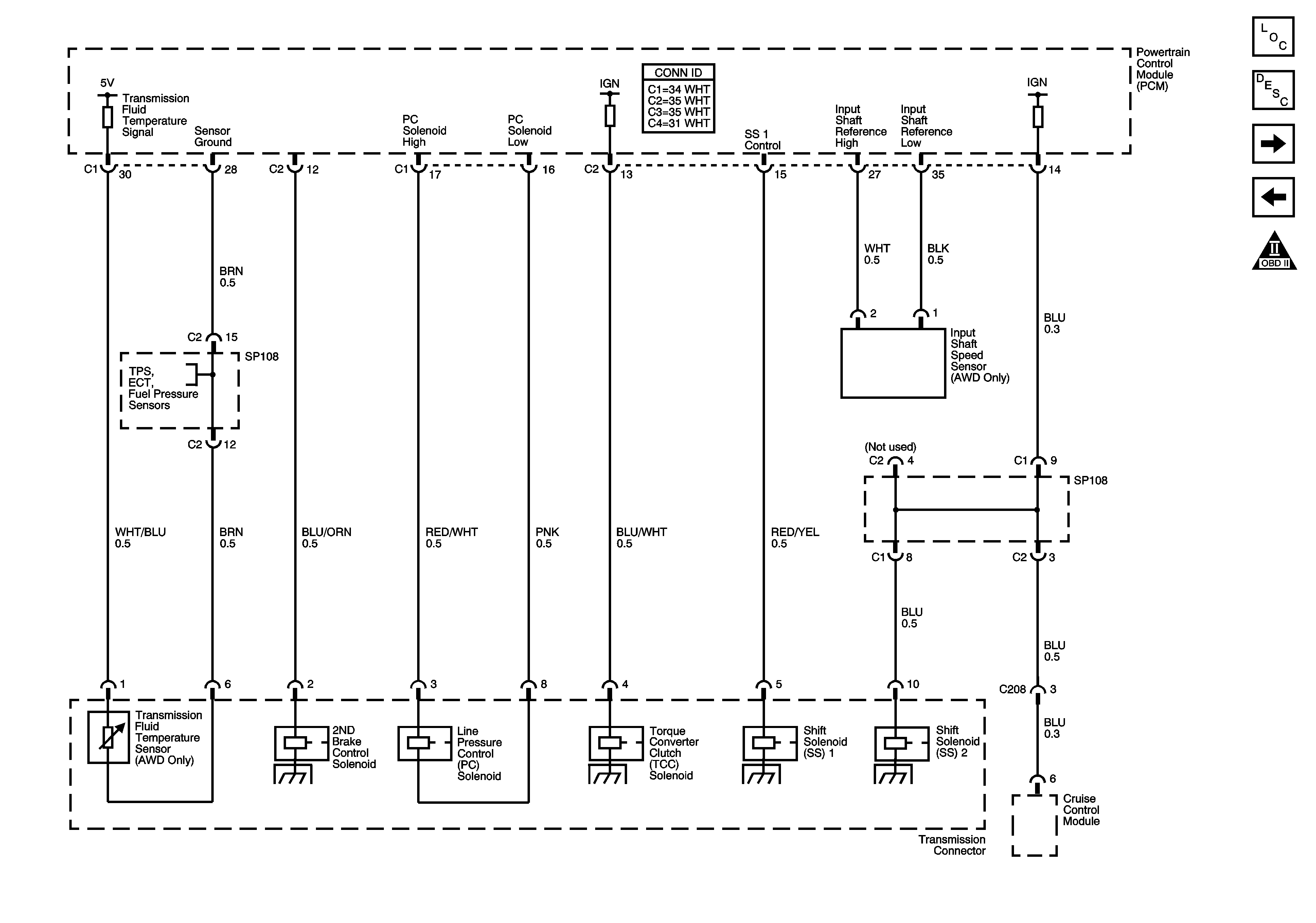
Automatic Transaxle Controls, AWD
Vehicle Speed Sensors (VSS)
Figure 16:

Automatic Transaxle Controls, AWD


Object Number: 785474  Size: FS
Master Electrical Component List
OBD II Symbol Description Notice
Overdrive Switch
Automatic Transaxle Controls, FWD
ECT, FTP, TPS, Evaporator Temp Sensors
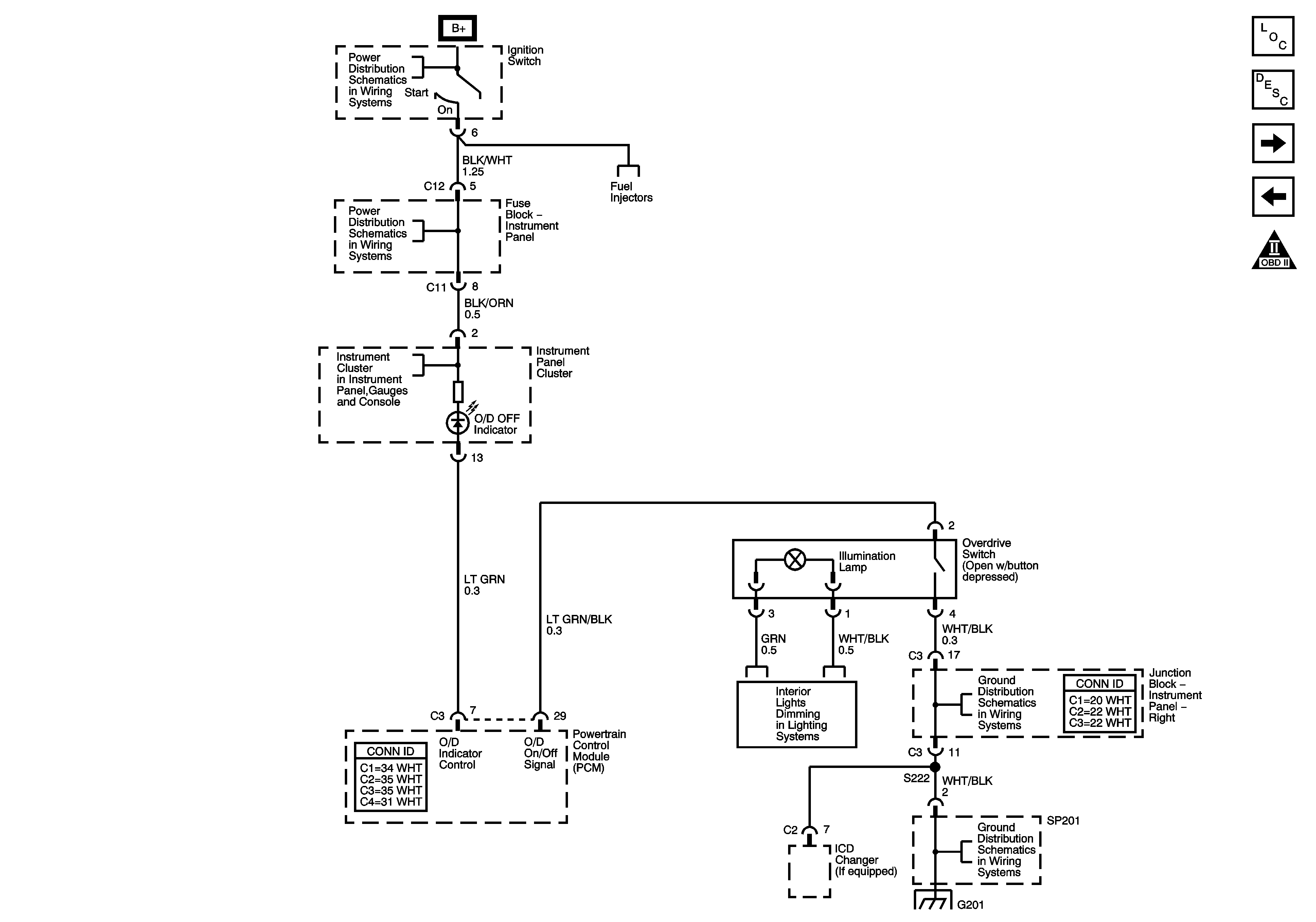
Figure 17:

Overdrive Switch


Object Number: 785455  Size: FS
Master Electrical Component List
OBD II Symbol Description Notice
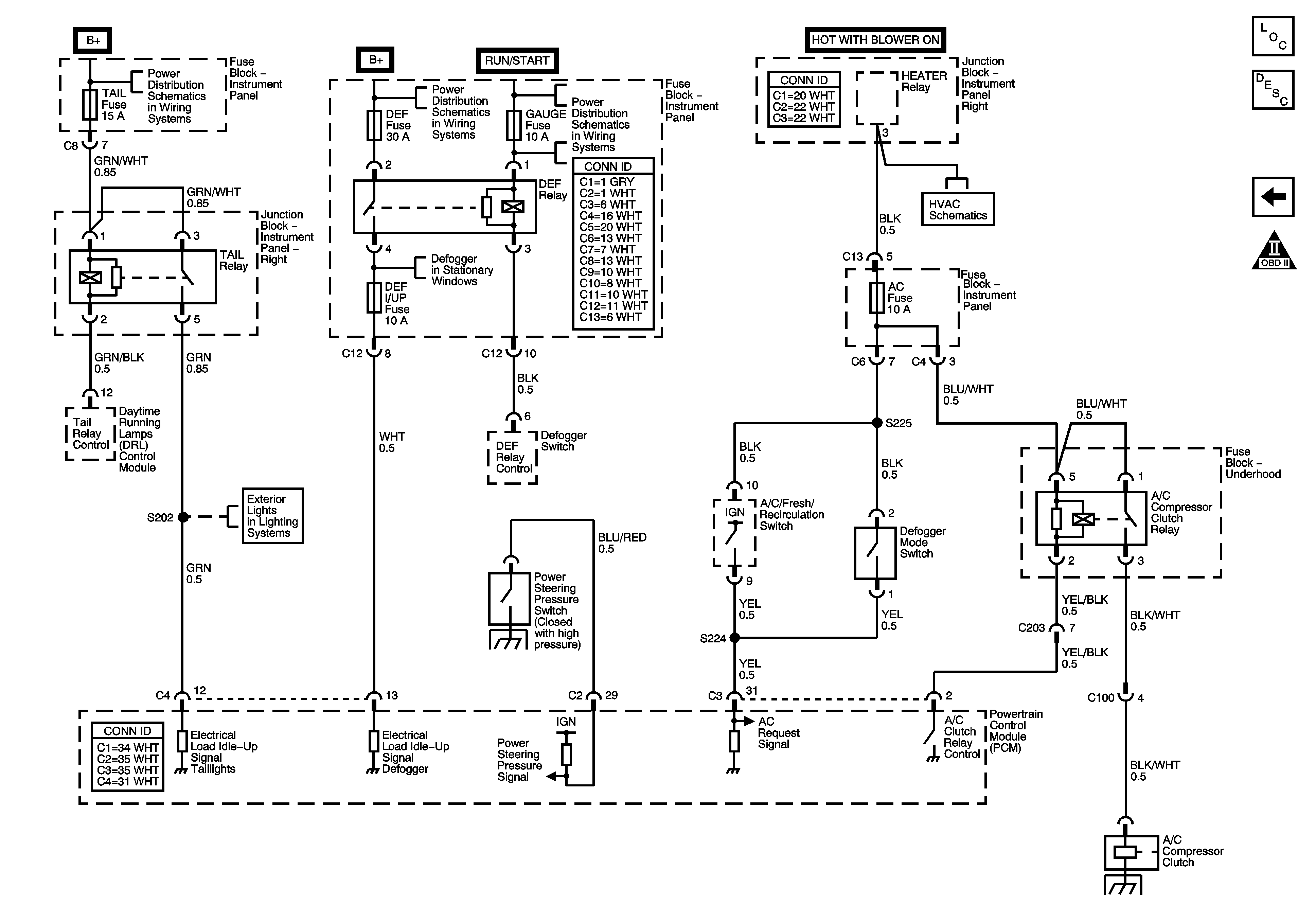
Powertrain Control Module (PCM) Idle Up Inputs
Automatic Transaxle Controls, AWD
Ignition Switch and C/OPN Relay
Ignition Switch and C/OPN Relay
Charge, Air Bag, Malfunction, O/D Off, Cruise Indicators
Illumination Lamps
Right Instrument Panel Junction Block
SP201 and G201
Figure 18:

Powertrain Control Module (PCM) Idle Up Inputs


Object Number: 785461  Size: FS
Master Electrical Component List
OBD II Symbol Description Notice
Overdrive Switch
POWER, AM-1, DOOR, TAIL, P/POINT, ECU-B, STOP, OBD and INV Fuses
Park Lamps
WASH, RR WIP, WIPER, ECU-IG, GAUGE, HEATER, and DEF Fuses
WASH, RR WIP, WIPER, ECU-IG, GAUGE, HEATER, and DEF Fuses
Defogger Schematics