GM Service Manual Online
For 1990-2009 cars only
Figure 1:

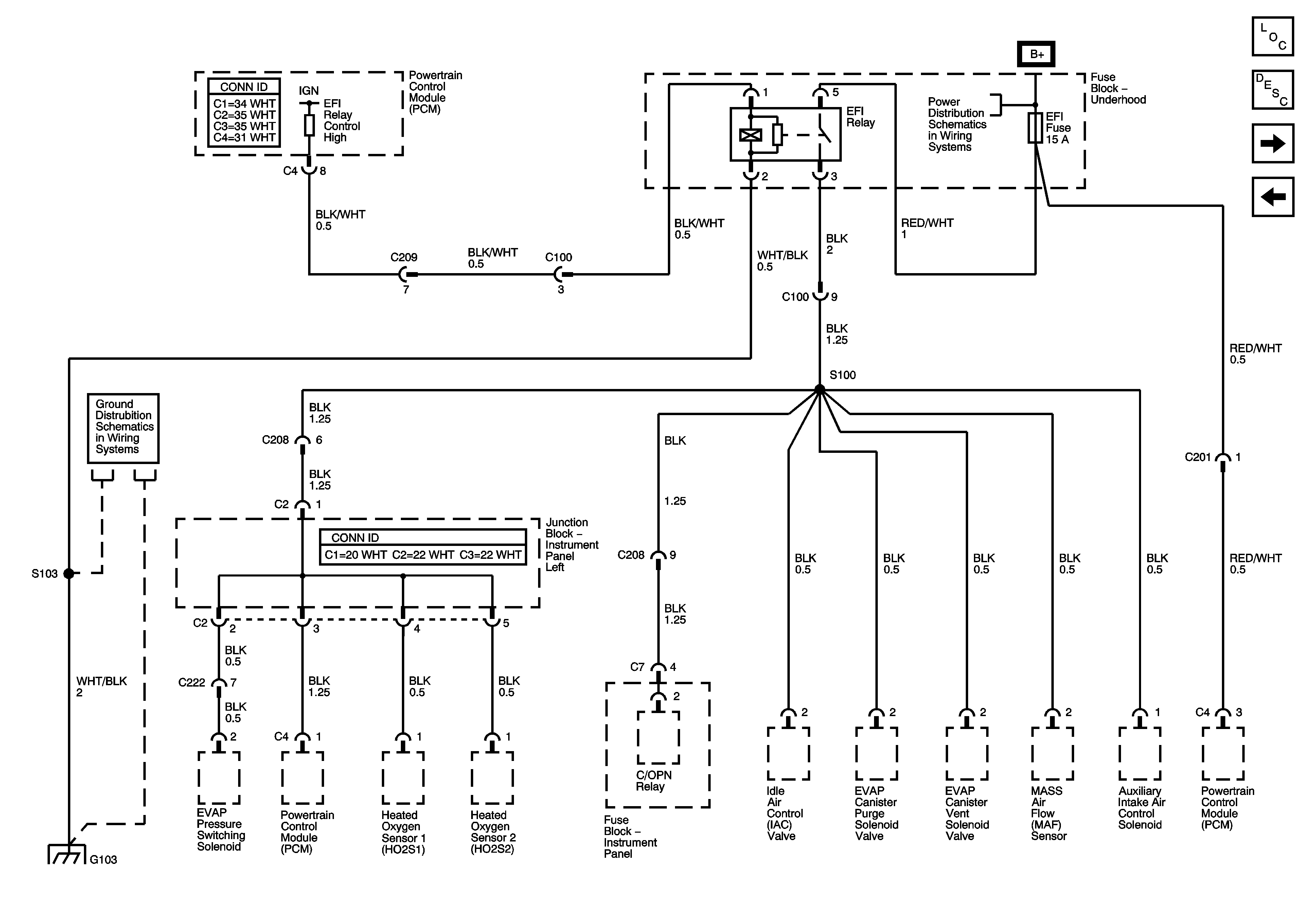
Powertrain Control Module (PCM) Power and Ground


Object Number: 785475  Size: FS
Master Electrical Component List
OBD II Symbol Description Notice
Main Power Feed
HORN, DOME, MAIN and AMP Fuses
HORN, DOME, MAIN and AMP Fuses
Ignition Switch, CIG and IG 1 Fuses
Ignition Switch and C/OPN Relay
Ignition Switch, CIG and IG 1 Fuses
S103 and G103
Ignition Switch, CIG and IG 1 Fuses
SP107, SP108 and G104
S100
H-MAIN, ALT-S, EFI and HAZ Fuses
S100
SP201 and G201
Figure 2:

Main Power Feed


Object Number: 785477  Size: FS
Master Electrical Component List
OBD II Symbol Description Notice
Data Link Connector (1 of 2 (DLC))
Powertrain Control Module (PCM) Power and Ground
S103 and G103
H-MAIN, ALT-S, EFI and HAZ Fuses
H-MAIN, ALT-S, EFI and HAZ Fuses
Figure 3:

Data Link Connector (1 of 2 (DLC))


Object Number: 785476  Size: FS
Master Electrical Component List
OBD II Symbol Description Notice
Data Link Connector (2 of 2 (DLC))
Main Power Feed
POWER, AM-1, DOOR, TAIL, P/POINT, ECU-B, STOP, OBD and INV Fuses
Left Instrument Panel Junction Block
SP200 and G200
Figure 4:

Data Link Connector (2 of 2 (DLC))


Object Number: 787259  Size: FS
Master Electrical Component List
OBD II Symbol Description Notice
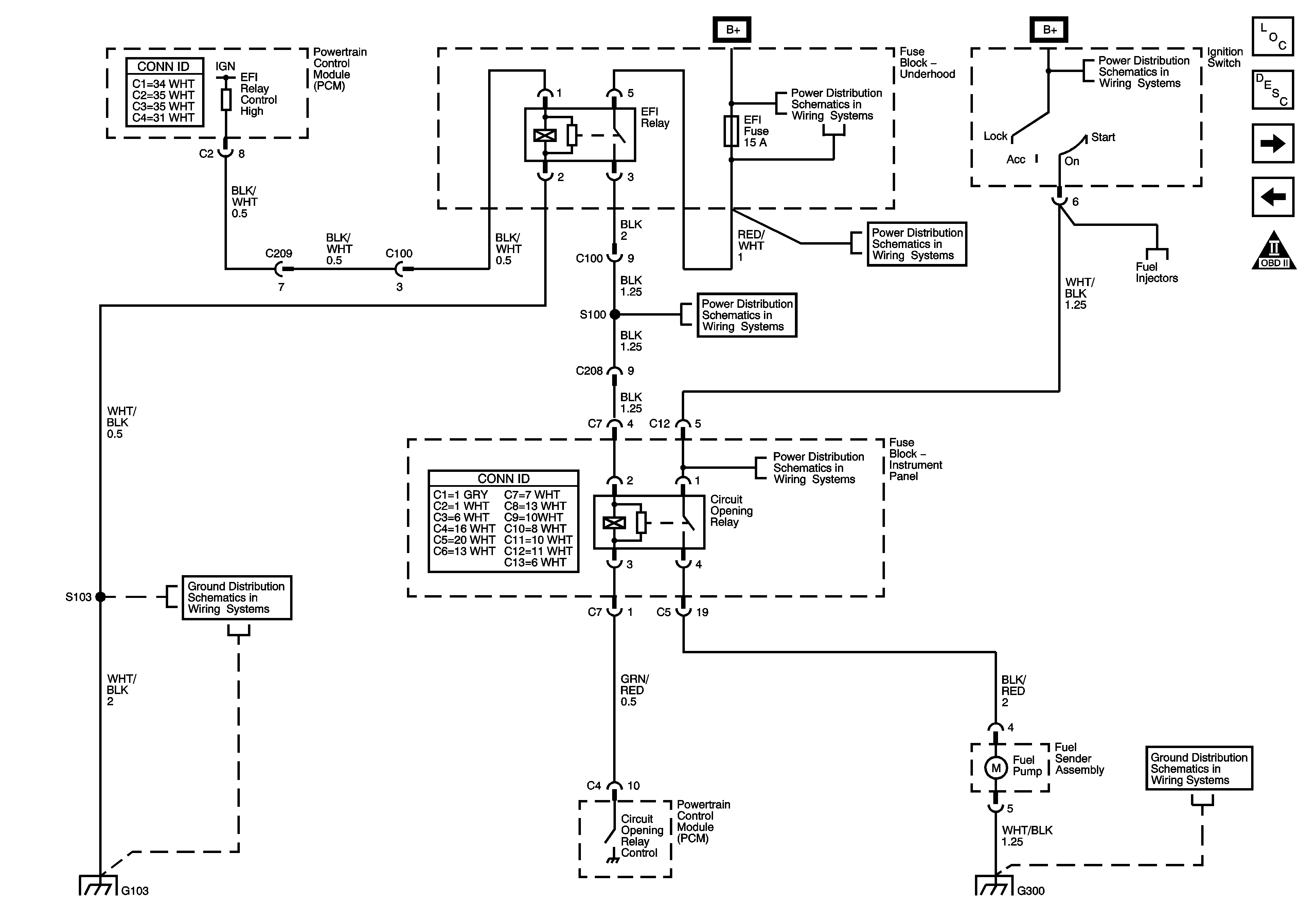
Fuel Supply System
Data Link Connector (1 of 2 (DLC))
SP107, SP108 and G104
SP107, SP108 and G104
Figure 5:

Fuel Supply System


Object Number: 785483  Size: FS
Master Electrical Component List
OBD II Symbol Description Notice
Fuel Injectors
Data Link Connector (2 of 2 (DLC))
S103 and G103
H-MAIN, ALT-S, EFI and HAZ Fuses
H-MAIN, ALT-S, EFI and HAZ Fuses
S100
Ignition Switch and C/OPN Relay
Ignition Switch and C/OPN Relay
G202, G300 and G301
Figure 6:

Fuel Injectors


Object Number: 785486  Size: FS
Master Electrical Component List
OBD II Symbol Description Notice
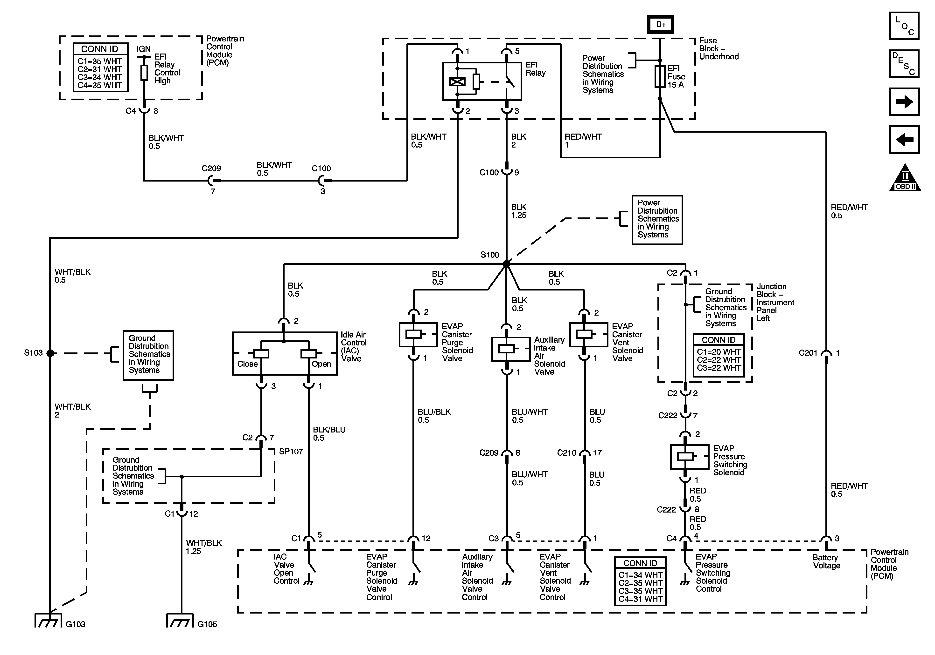
EVAP Controls and IAC Valve
Fuel Supply System
Ignition Switch and C/OPN Relay
Figure 7:

IAC Valve and EVAP Control


Object Number: 785540  Size: FS
Master Electrical Component List
OBD II Symbol Description Notice
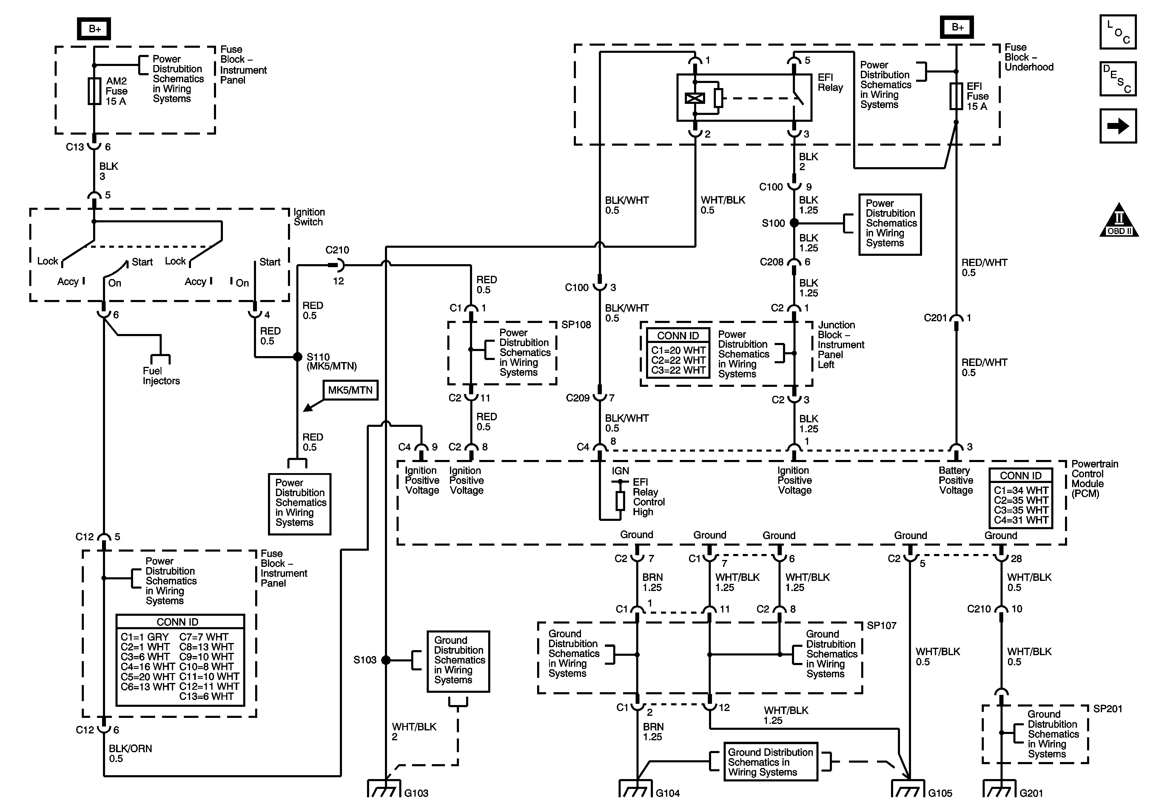
Ignition System
Fuel Injectors
S103 and G103
S105, SP107, G105 and G106
H-MAIN, ALT-S, EFI and HAZ Fuses
H-MAIN, ALT-S, EFI and HAZ Fuses
S100
Figure 8:

Ignition System


Object Number: 785458  Size: FS
Master Electrical Component List
OBD II Symbol Description Notice
ECT, FTP, TPS, Evaporator Temp Sensors
EVAP Controls and IAC Valve
Ignition Switch and C/OPN Relay
Ignition Switch and C/OPN Relay
S105, SP107, G105 and G106
Figure 9:

Engine Coolant Temperature (ECT), Evaporator Temperature, Fuel Tank Pressure (FTP) and Throttle Position Sensors


Object Number: 785465  Size: FS
Master Electrical Component List
OBD II Symbol Description Notice
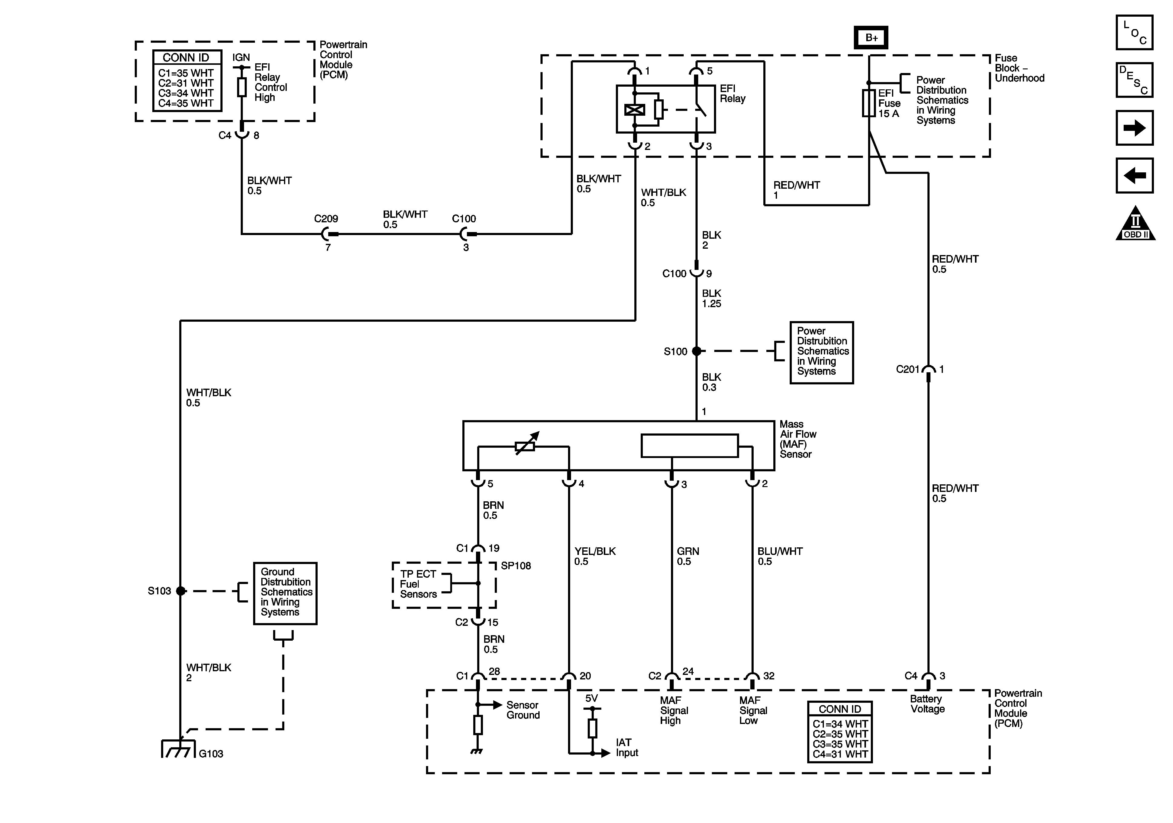
MAF Sensor
Ignition System
Figure 10:

MAF Sensor


Object Number: 785492  Size: FS
Master Electrical Component List
OBD II Symbol Description Notice
KS, CKP and CMP Sensors and CMP Actuator Solenoid Valve
ECT, FTP, TPS, Evaporator Temp Sensors
S103 and G103
H-MAIN, ALT-S, EFI and HAZ Fuses
S100
Figure 11:

Knock Sensor (KS), Camshaft Position (CMP) Sensor, Crankshaft Position (CKP) Sensor and Camshaft Position (CMP) Actuator Solenoid Valve


Object Number: 785460  Size: FS
Master Electrical Component List
OBD II Symbol Description Notice
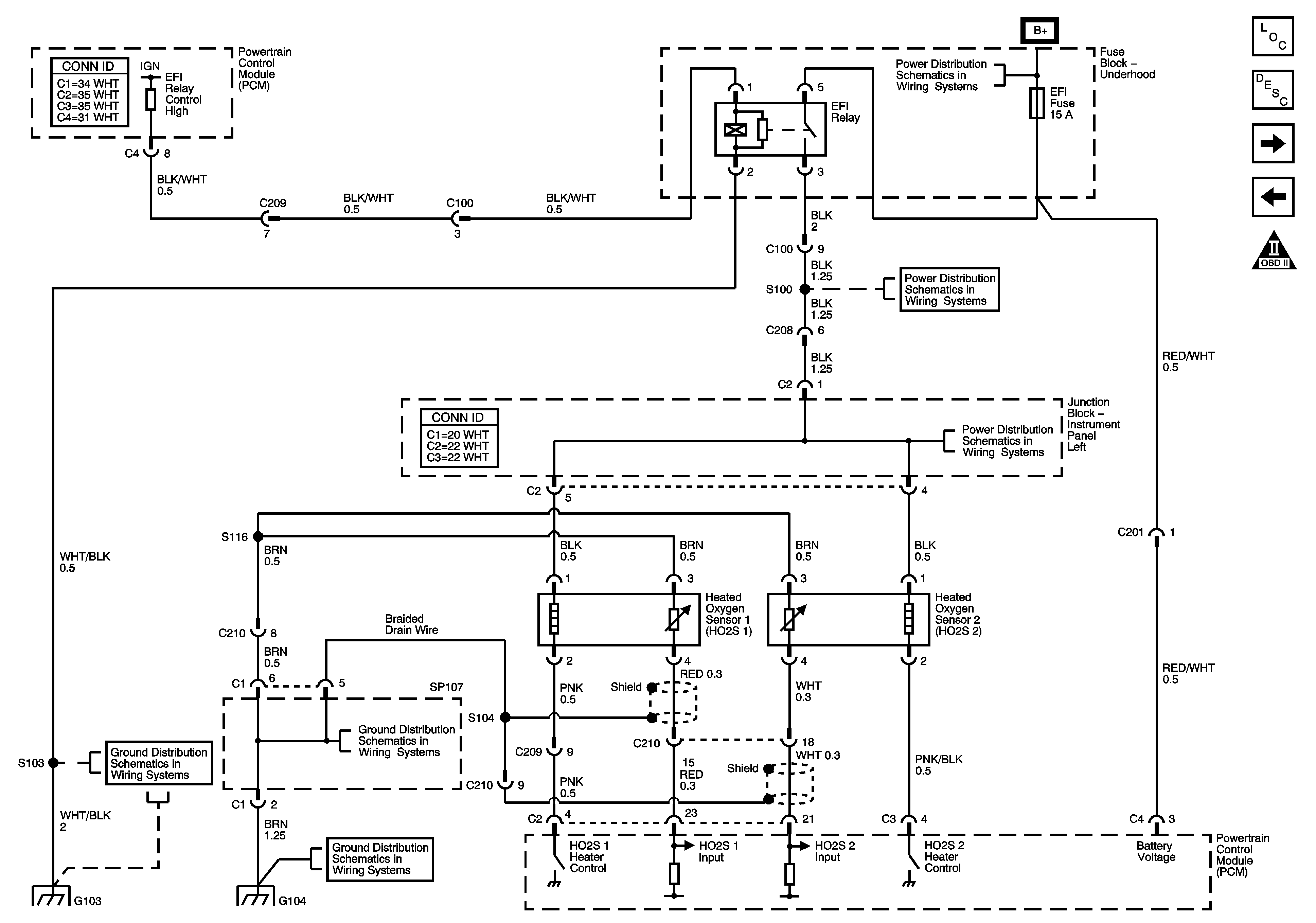
HO2S
MAF Sensor
SP107, SP108 and G104
SP107, SP108 and G104
Figure 12:

Heated Oxygen Sensors (HO2S)


Object Number: 785538  Size: FS
Master Electrical Component List
OBD II Symbol Description Notice
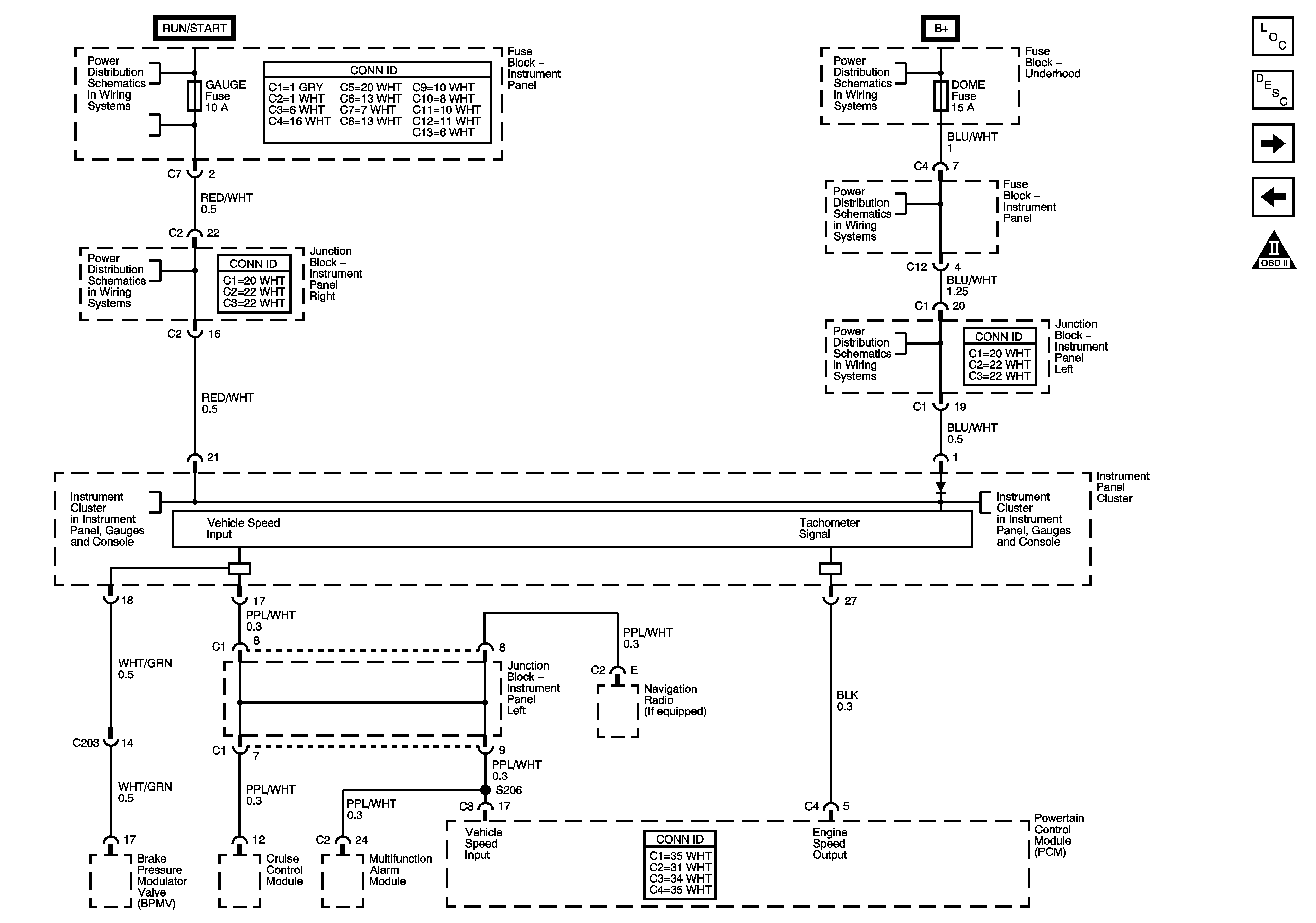
Vehicle Speed Sensor (VSS)
KS, CKP and CMP Sensors and CMP Actuator Solenoid Valve
S103 and G103
H-MAIN, ALT-S, EFI and HAZ Fuses
S100
S100
SP107, SP108 and G104
SP107, SP108 and G104
Figure 13:

Vehicle Speed Sensor (VSS)


Object Number: 785539  Size: FS
Master Electrical Component List
OBD II Symbol Description Notice
Rocker Arm Oil Control Valve Solenoid, Oil Pressure Switches
HO2S
WASH, RR WIP, WIPER, ECU-IG, GAUGE, HEATER, and DEF Fuses
Heater Relay, Right Instrument Panel Junction Block
Fuel Gauge, Seat Belt, Low Fuel Indicators and Seat Belt Buzzer
HORN, DOME, MAIN and AMP Fuses
HORN, DOME, MAIN and AMP Fuses
HORN, DOME, MAIN and AMP Fuses
High Beam, Door Open Indicators and ECT Gauge
Figure 14:

Rocker Arm Oil Control Valve Solenoid, Oil Pressure Switches


Object Number: 785541  Size: FS
Master Electrical Component List
OBD II Symbol Description Notice
PCM Idle Up Inputs
Vehicle Speed Sensor (VSS)
WASH, RR WIP, WIPER, ECU-IG, GAUGE, HEATER, and DEF Fuses
Heater Relay, Right Instrument Panel Junction Block
IP Illumination, Low Washer Fluid, Oil Pressure Indicators
Figure 15:

Powertrain Control Module (PCM) Idle Up Inputs


Object Number: 785461  Size: FS
Master Electrical Component List
OBD II Symbol Description Notice
Rocker Arm Oil Control Valve Solenoid, Oil Pressure Switches
POWER, AM-1, DOOR, TAIL, P/POINT, ECU-B, STOP, OBD and INV Fuses
Park Lamps
WASH, RR WIP, WIPER, ECU-IG, GAUGE, HEATER, and DEF Fuses
Defogger Schematics
WASH, RR WIP, WIPER, ECU-IG, GAUGE, HEATER, and DEF Fuses