GM Service Manual Online
For 1990-2009 cars only
Makes
🢒
Saab
🢒
2007
🢒
9-7x
🢒
Diagnostic Navigation
🢒
Vehicle Diagnostic Information
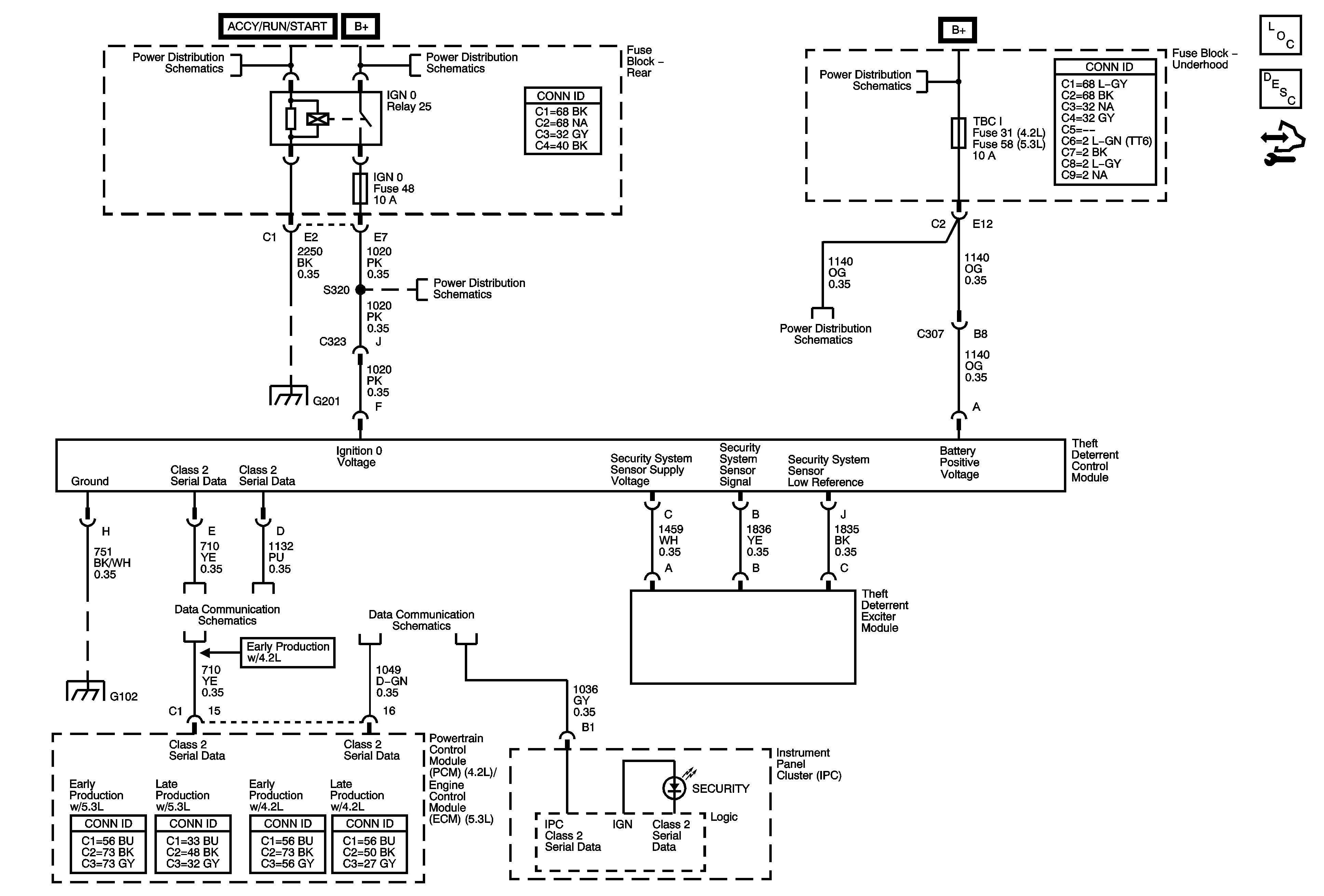
🢒 Immobilizer Schematics
Master Electrical Component List
Immobilizer Description and Operation
Control Module References
Ignition Switch - ACCY/RUN/START, RUN, START Bus Bars, and IGNA1 Fuse
B+ BUS - Rear Fuse Block
B+ BUS - Underhood Fuse Block - 1 of 2
4WD, BRK, FRT WPR, HVAC I, IGN 0, and TCM Fuses
AIR PUMP, EAP, ECM, PCM B, TBC I, and TCM CNSTR Fuses
G201 - 1 of 2
Power, Ground, and Data Link Connector
SP205
G102