GM Service Manual Online
For 1990-2009 cars only
Makes
🢒
Saturn
🢒
2008
🢒
Astra
🢒
Engine
🢒
Cruise Control
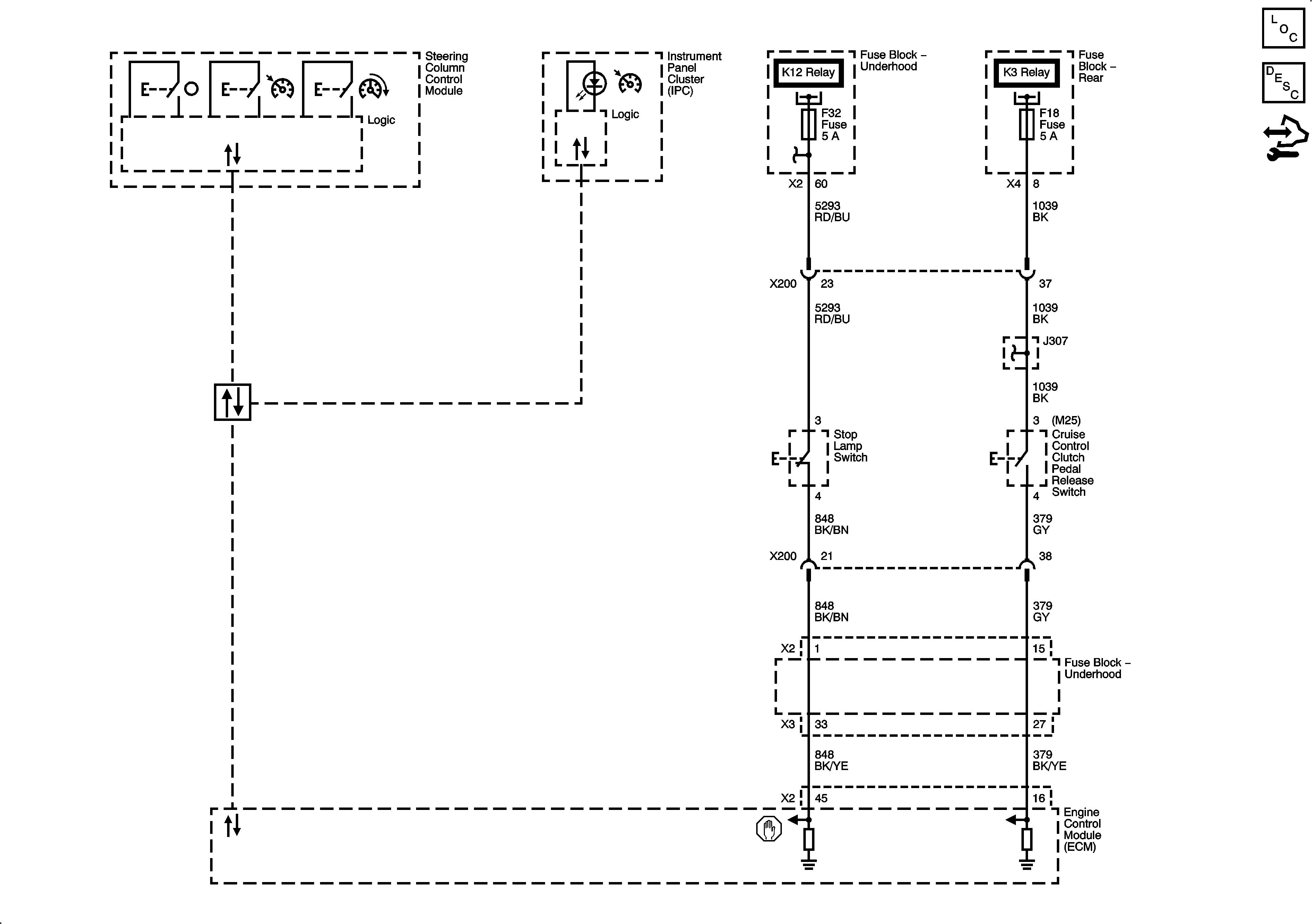
🢒 Cruise Control Schematics
Master Electrical Component List
Cruise Control Description and Operation
Control Module References
Module Power, Ground, Serial Data and MIL
Fuse Block - Underhood F5, F21, F26, and F32 Fuses
B+ Bus 1 of 2
Fuse Block - Rear F40, F39, F14, F16, F17, F18 and F12 Fuses
Power, Ground, Class 2, and GM Low Speed Serial Data (CAN A)