GM Service Manual Online
For 1990-2009 cars only
Makes
🢒
Saturn
🢒
2008
🢒
Astra
🢒
Engine
🢒
Engine Cooling
🢒 Engine Cooling Schematics
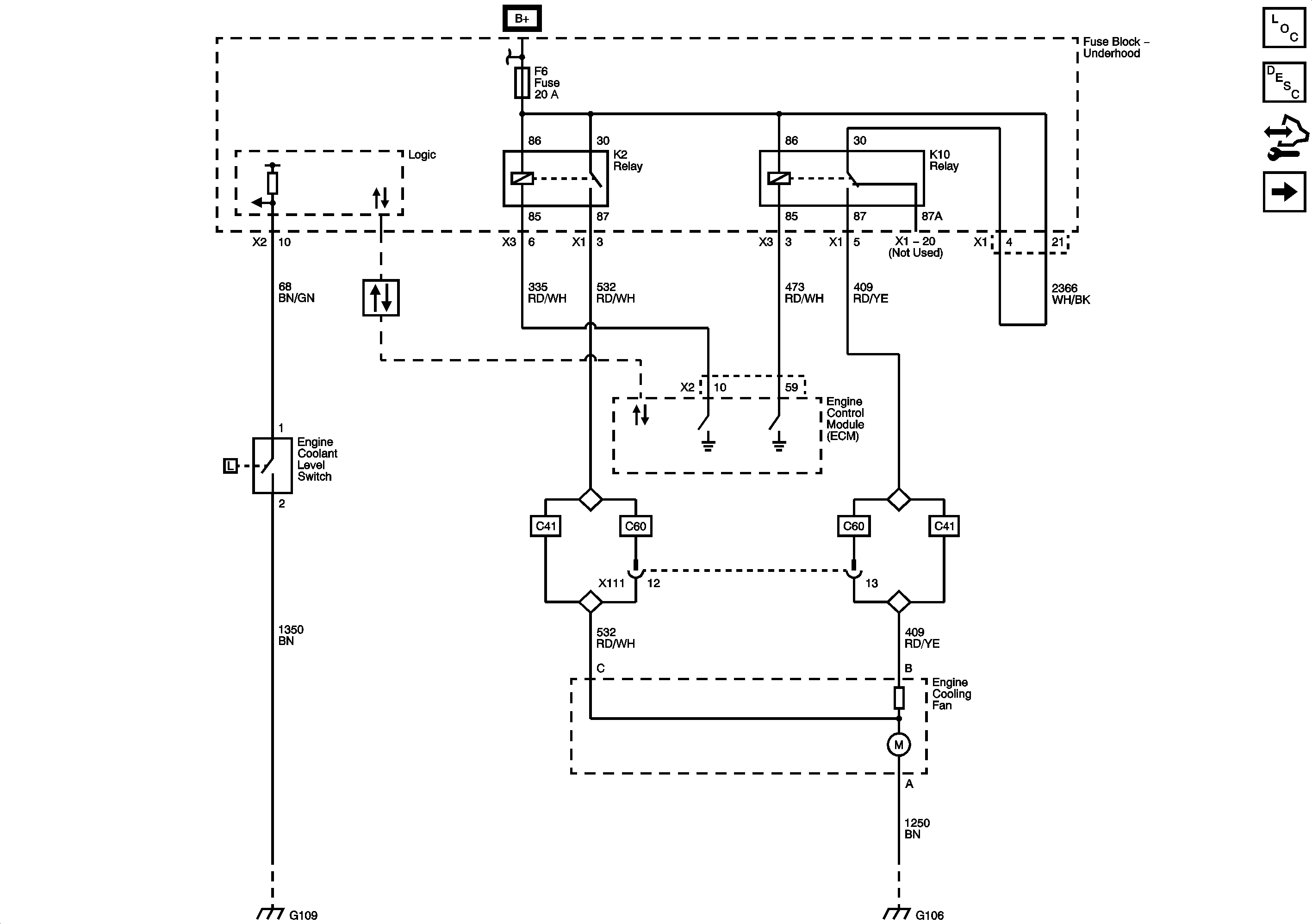
Figure
1:
MNF with C41 or M25
Master Electrical Component List
Cooling Fan Description and Operation
Control Module References
MNF with C60
B+ Bus 2 of 2
Fuse Block - Underhood F6, F15, F14, and F17 Fuses
GM High Speed Serial Data (CAN C)
G109 and G110
G100, G103, G104, G105 and G106
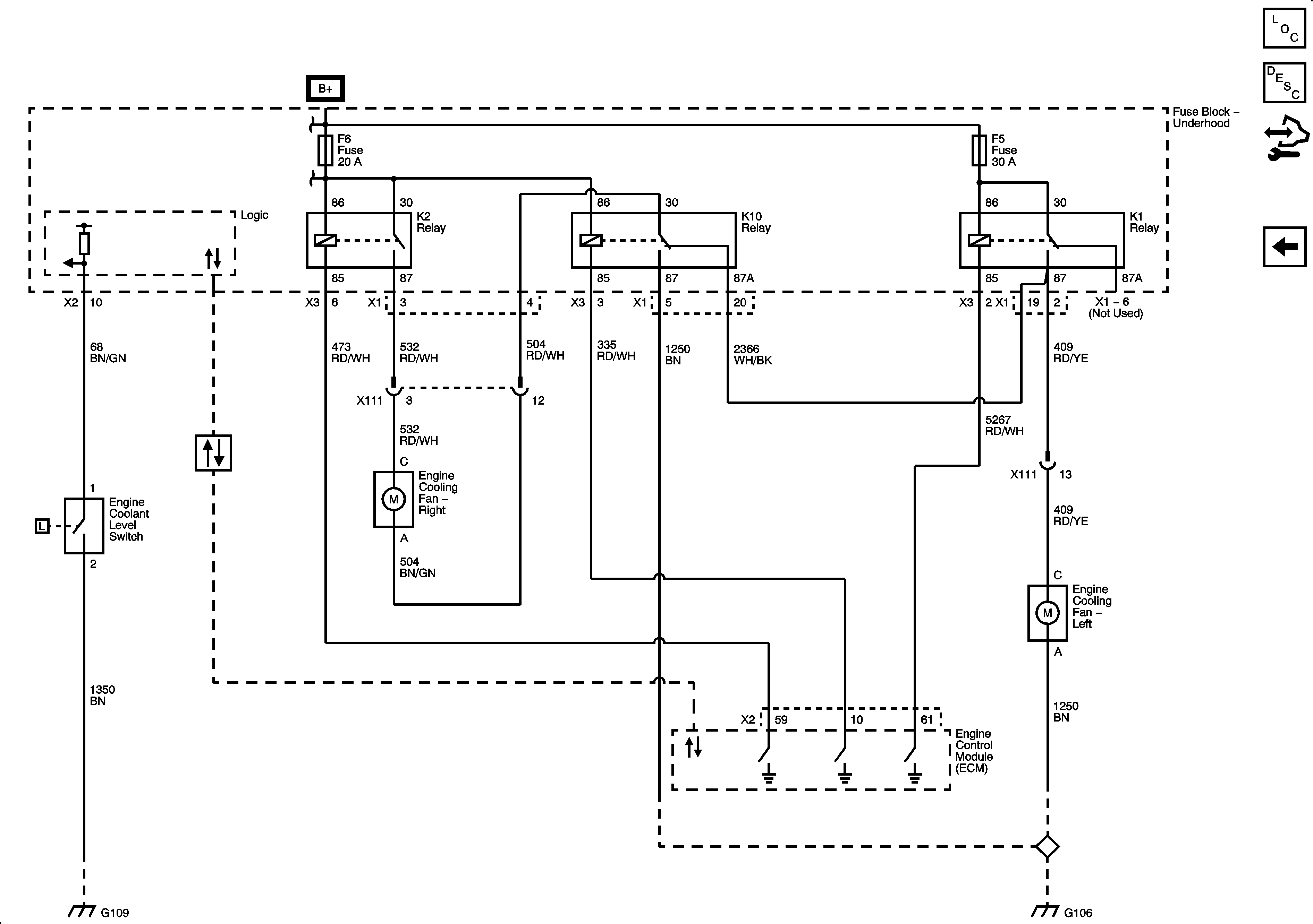
Figure
2:
MNF with C60
Master Electrical Component List
Cooling Fan Description and Operation
Control Module References
MNF with C41 or M25
B+ Bus 2 of 2
Fuse Block - Underhood F5, F21, F26, and F32 Fuses
Fuse Block - Underhood F6, F15, F14, and F17 Fuses
GM High Speed Serial Data (CAN C)
G109 and G110
G100, G103, G104, G105 and G106