GM Service Manual Online
For 1990-2009 cars only
Figure 1:

Brake, Hazard, and Turn Signal Switching


Object Number: 2033932  Size: FS
Master Electrical Component List
Exterior Lighting Systems Description and Operation
Control Module References
Turn Signal and Brake Lights
B+ Bus 2 of 2
Fuse Block - Underhood F35 and F16 Fuses
Power, Ground, Class 2, and GM Low Speed Serial Data (CAN A)
G203, G204, and G205
G203, G204, and G205
Figure 2:

Turn Signal and Brake Lights


Object Number: 2033933  Size: FS
Master Electrical Component List
Exterior Lighting Systems Description and Operation
Control Module References
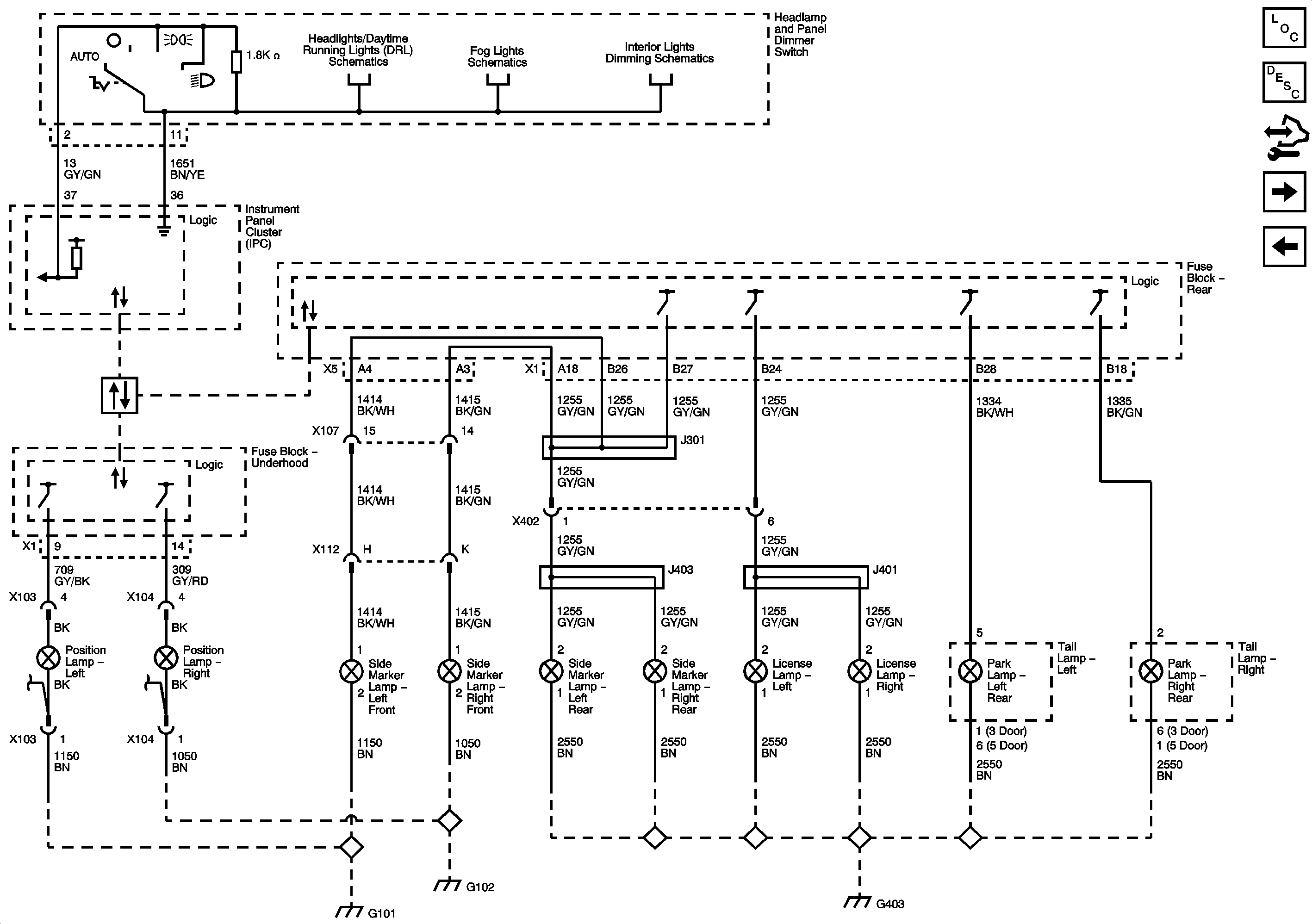
Park Lamps
Brake, Hazard, and Turn Signal Switching
G101 and G102
G101 and G102
G101 and G102
G101 and G102
G403
Figure 3:

Park Lamps


Object Number: 2033935  Size: FS
Master Electrical Component List
Exterior Lighting Systems Description and Operation
Control Module References
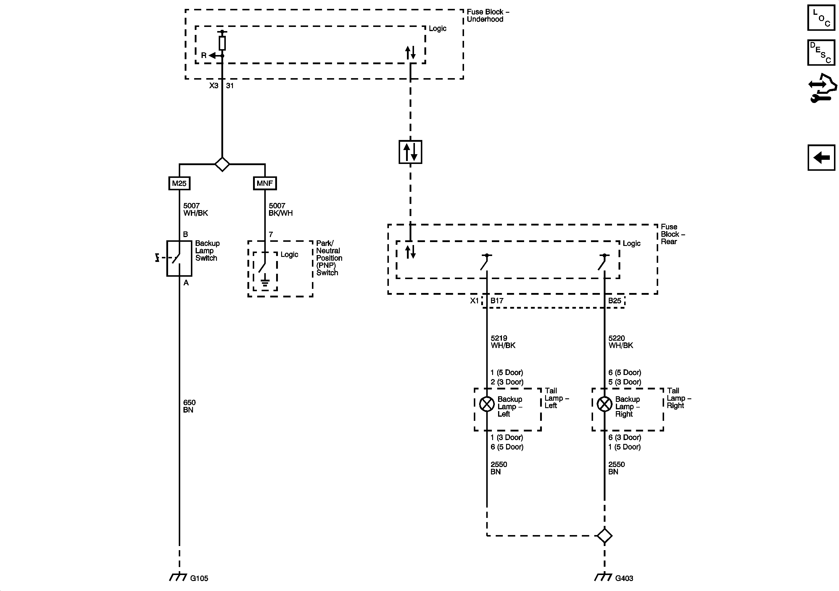
Backup Lamps
Turn Signal and Brake Lights
Headlamp/DRL
Fog Lights
Interior Lights Dimming
Power, Ground, Class 2, and GM Low Speed Serial Data (CAN A)
G101 and G102
G101 and G102
G101 and G102
G101 and G102
G403
Figure 4:

Backup Lamps


Object Number: 2033936  Size: FS
Master Electrical Component List
Exterior Lighting Systems Description and Operation
Control Module References
Park Lamps
Power, Ground, Class 2, and GM Low Speed Serial Data (CAN A)
G100, G103, G104, G105 and G106
G403