GM Service Manual Online
For 1990-2009 cars only
Makes
🢒
Saturn
🢒
2008
🢒
Astra
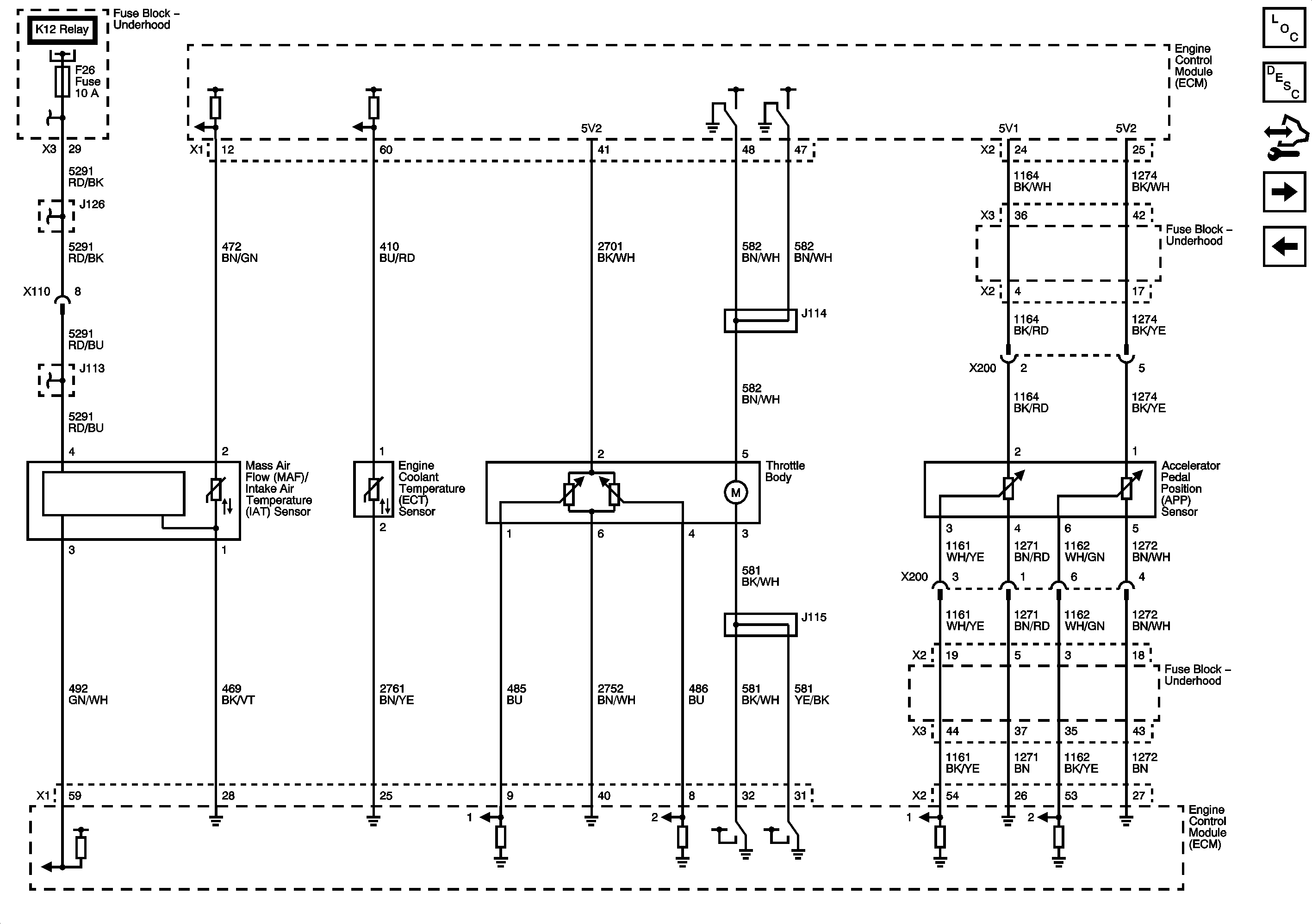
🢒 Engine Data Sensors - Pressure, Temperature, and Throttle Controls
Engine Data Sensors - Pressure, Temperature, and Throttle Controls
Engine Data Sensors - Pressure, Temperature, and Throttle Controls
Master Electrical Component List
Throttle Actuator Control (TAC) System Description
Control Module References
Engine Data Sensors - HO2s
5-Volt and Low References
Module Power, Ground, Serial Data and MIL
Fuse Block - Underhood F5, F21, F26, and F32 Fuses
Fuse Block - Underhood F5, F21, F26, and F32 Fuses
Fuse Block - Underhood F5, F21, F26, and F32 Fuses