GM Service Manual Online
For 1990-2009 cars only
Makes
🢒
Saturn
🢒
2008
🢒
Astra
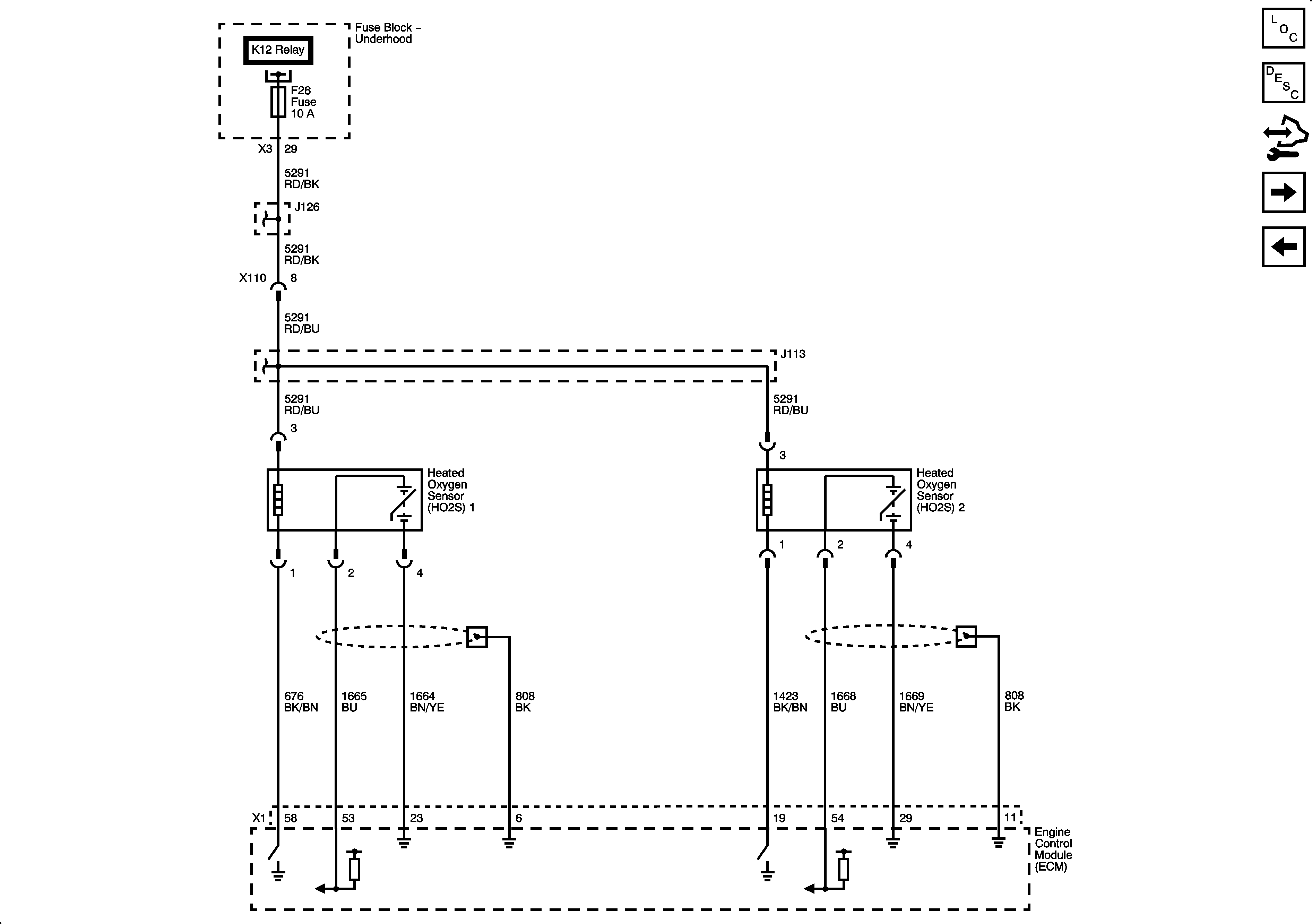
🢒 Engine Data Sensors - HO2s
Engine Data Sensors - HO2s
Engine Data Sensors - HO2S
Master Electrical Component List
Fuel System Description
Control Module References
Ignition Controls - Ignition Control Module (ICM)
Engine Data Sensors - Pressure, Temperature, and Throttle Controls
Module Power, Ground, Serial Data and MIL
Fuse Block - Underhood F5, F21, F26, and F32 Fuses
Fuse Block - Underhood F5, F21, F26, and F32 Fuses