GM Service Manual Online
For 1990-2009 cars only
Makes
🢒
Saturn
🢒
2008
🢒
Astra
🢒 Door Locks
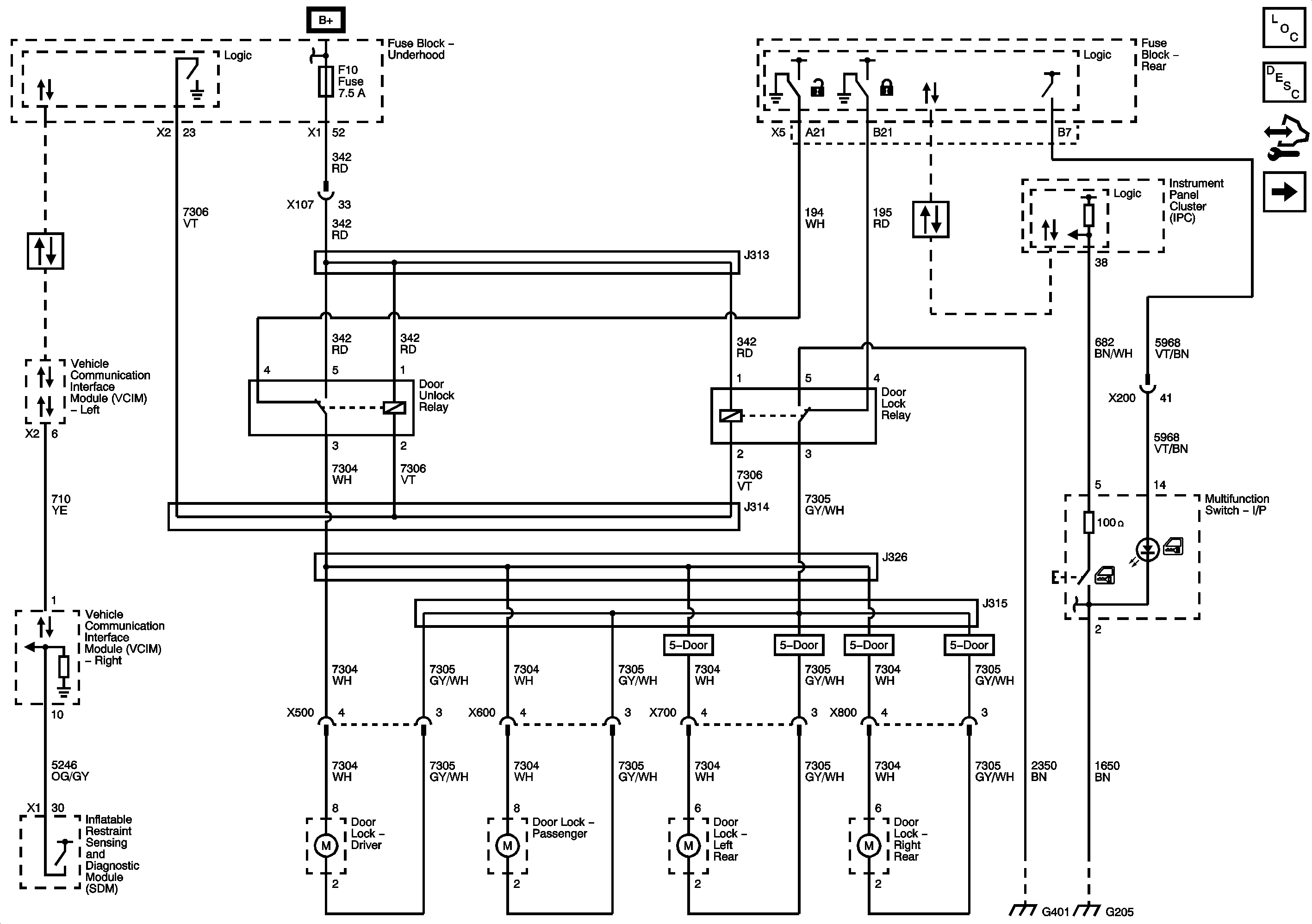
Door Locks
Door Locks
Master Electrical Component List
Power Door Locks Description and Operation
Control Module References
Door Ajar Switches
B+ Bus 2 of 2
Fuse Block - Underhood F28, F10, F22, F2, F1, and F36 Fuses
Power, Ground, Class 2, and GM Low Speed Serial Data (CAN A)
Power, Ground, Class 2, and GM Low Speed Serial Data (CAN A)
G203, G204, and G205
G401
G203, G204, and G205