GM Service Manual Online
For 1990-2009 cars only
Makes
🢒
Saturn
🢒
2004
🢒
ION
🢒
Accessories
🢒
Theft Deterrent
🢒 Theft Deterrent System Schematics
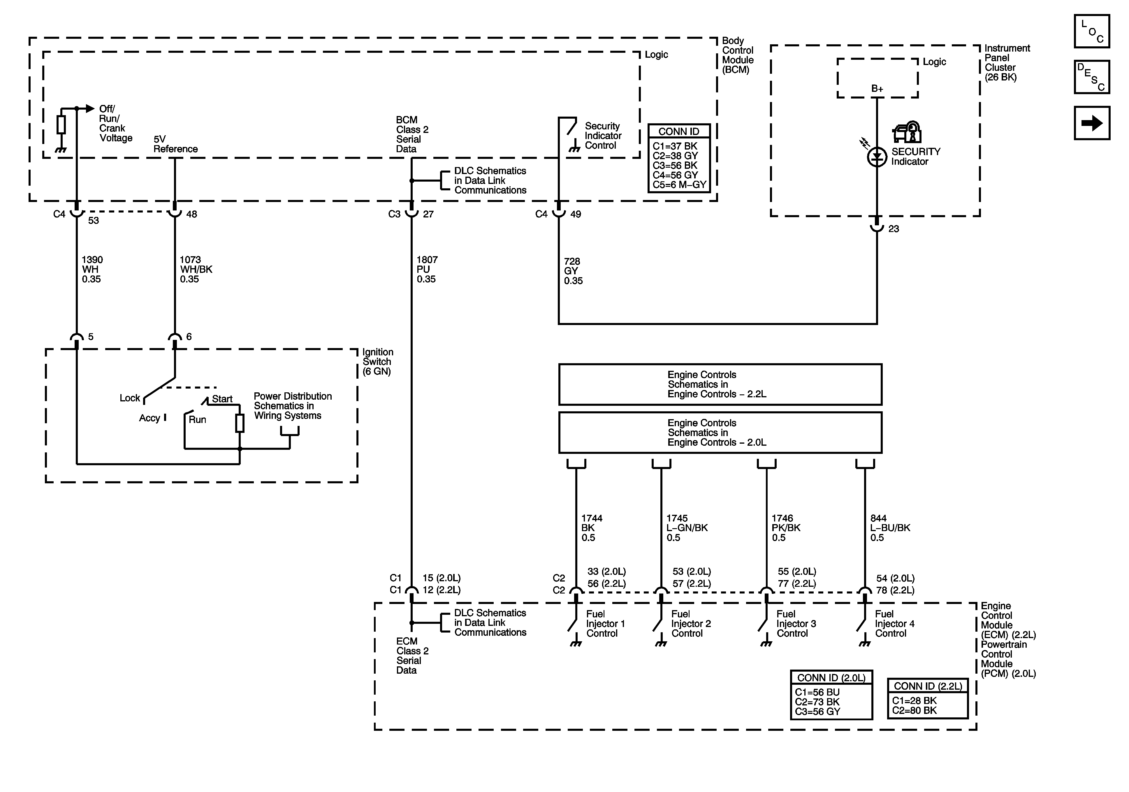
Figure
1:
Vehicle Theft Deterrent
Master Electrical Component List
Vehicle Theft Deterrent (VTD) Description and Operation
COntent Theft Deterrent
Data Link Communication Schematics
Ignition Switch
Fuel Delivery
Fuel Delivery
Data Link Communication Schematics
Figure
2:
Content Theft Deterrent
Master Electrical Component List
Content Theft Deterrent (CTD) Description and Operation
Vehicle Theft Deterrent
Subsystem References to Body Rear End, Doors, Horns, and Lighting
Interior Lights Schematics
Body Rear End Schematics
Inside Rearview Mirror
Turn/Hazard Lamps