GM Service Manual Online
For 1990-2009 cars only
Makes
🢒
Saturn
🢒
2005
🢒
ION
🢒
Body
🢒
Wiring Systems
🢒 Engine Cooling Schematics
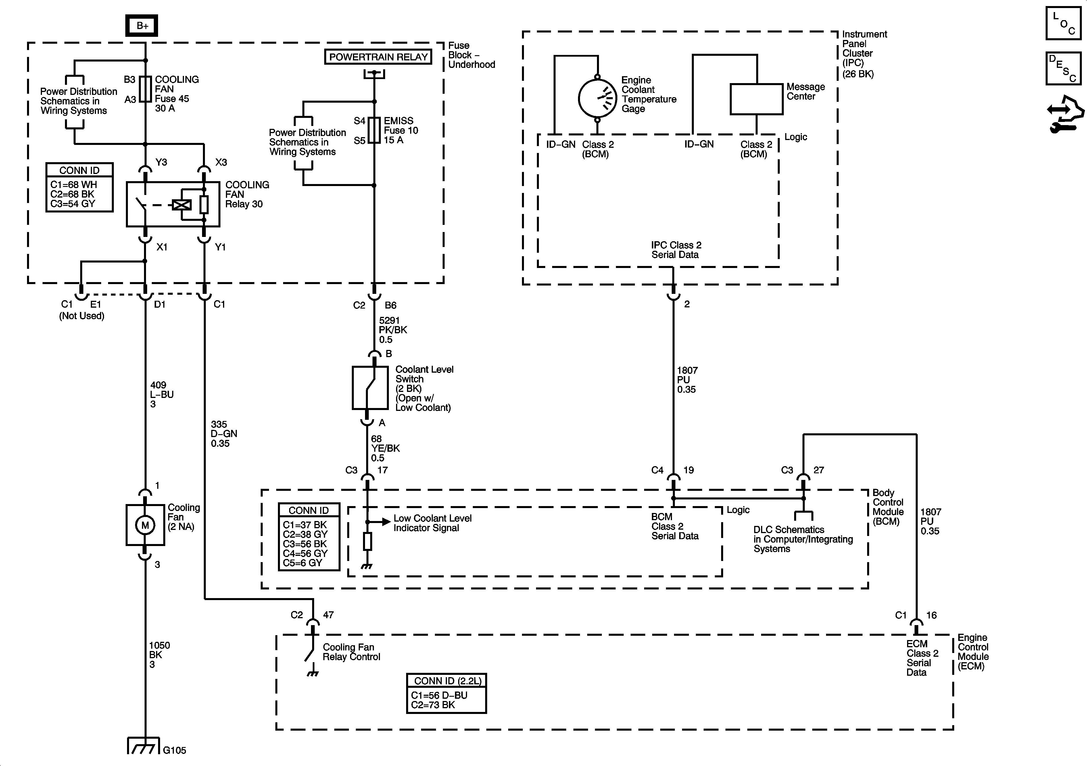
Engine Cooling Schematics 2.2L
Master Electrical Component List
Cooling System Description and Operation
Control Module References
Fuseblock - Underhood Bus
ECM/ETC, EMISS, IGN, and INJECTORS Fuses - 2.2L
ECM/ETC, EMISS, IGN, and INJECTORS Fuses - 2.2L
DLC Power, Ground, Class 2, and Low Speed GM LAN
G103 (2.2L), G105 (2.2L), G109
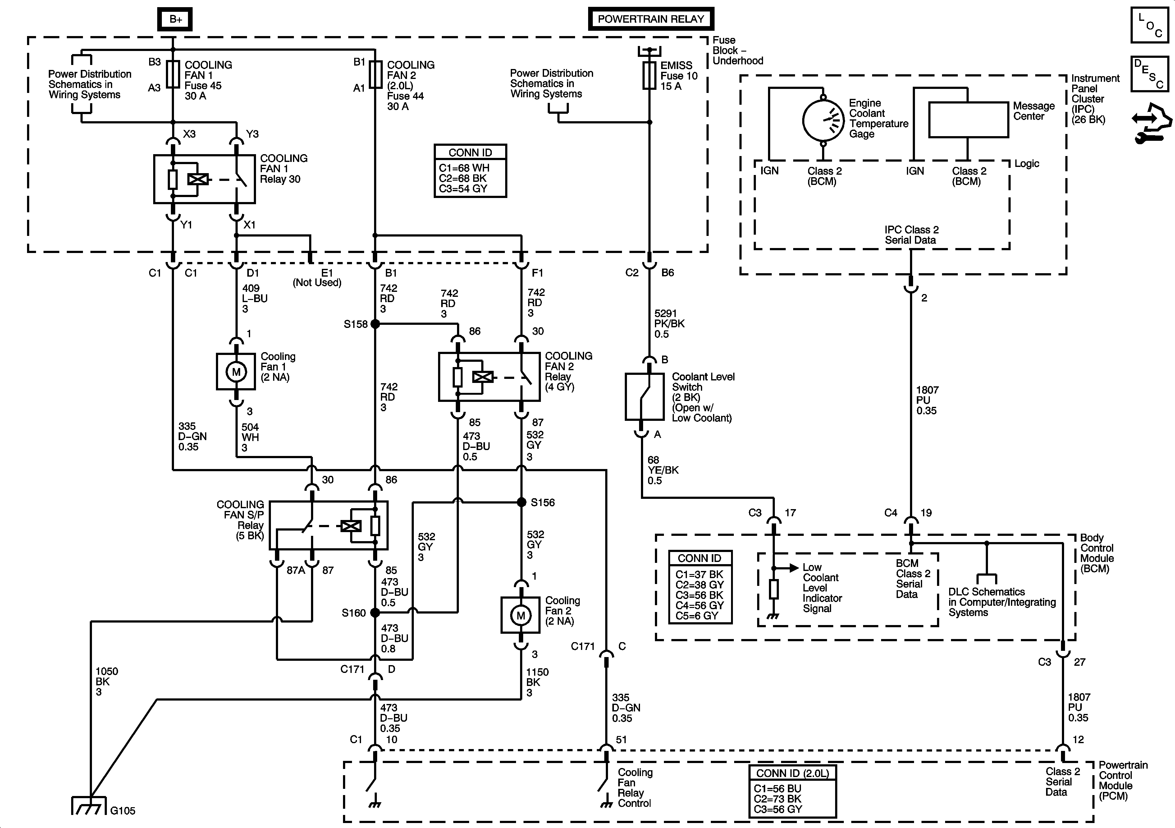
Engine Cooling Schematics 2.0L
Master Electrical Component List
Cooling System Description and Operation
Control Module References
Fuseblock - Underhood Bus
ECM/ETC, EMISS, IGN, and INJECTORS Fuses - 2.0L
ECM/ETC, EMISS, IGN, and INJECTORS Fuses - 2.0L
DLC Power, Ground, Class 2, and Low Speed GM LAN
G103 and G105 - 2.0L