GM Service Manual Online
For 1990-2009 cars only
Figure 1:

Power, Ground, MIL, and Serial Data


Object Number: 1592476  Size: FS
Master Electrical Component List
Engine Control Module Description
Control Module References
Engine Data Sensors-5-Volt and Low References
Engine Controls Schematic Icons
B+ Bus
Ignition Switch, RUN/CRANK Fuse, RUN/CRANK (IGN1) Relay
ABS (10A), BACK UP, BOOST, ECM, TRANS 1, and TRANS 2 Fuses
ABS (10A), BACK UP, BOOST, ECM, TRANS 1, and TRANS 2 Fuses
Ignition Switch, RUN/CRANK Fuse, RUN/CRANK (IGN1) Relay
Accessory Voltage, Stop Lamp Switch, and Serial Data
BCM ELECT, CLUSTER/AOS, EPS (60A), FUEL PUMP, HVAC, IGN SW, IP BATT 2, RUN (IGN 3), and STOP Fuses, RUN and FUEL PUMP Relays
High Speed GM LAN - 2.2L
DLC Power, Ground, Class 2, and Low Speed GM LAN
G103 and G105 - 2.2L, 2.4L, and G109
G101
Figure 2:

Engine Data Sensor- 5-Volt and Low Reference


Object Number: 1592479  Size: FS
Master Electrical Component List
Engine Control Module Description
Control Module References
Engine Data Sensors Pressure, Temp and MAF/IAT
Power, Ground, MIL and Serial Data
Engine Controls Schematic Icons
Figure 3:

Engine Data Sensors- Pressure, Temp & MAF/IAT


Object Number: 1592482  Size: FS
Master Electrical Component List
Engine Control Module Description
Control Module References
Engine Data Sensors, HO2
Engine Data Sensors-5-Volt and Low References
Engine Controls Schematic Icons
Power, Ground, MIL and Serial Data
COOLING FAN2, ECM/ETC, EMISS, IGN and INJECTORS Fuses, POWERTRAIN Relay - 2.4L
Manual Transmission Schematics (M86)
G103 and G105 - 2.2L, 2.4L, and G109
G103 and G105 - 2.2L, 2.4L, and G109
Figure 4:

Engine Data Sensors- HO2S


Object Number: 1592484  Size: FS
Master Electrical Component List
Engine Control Module Description
Control Module References
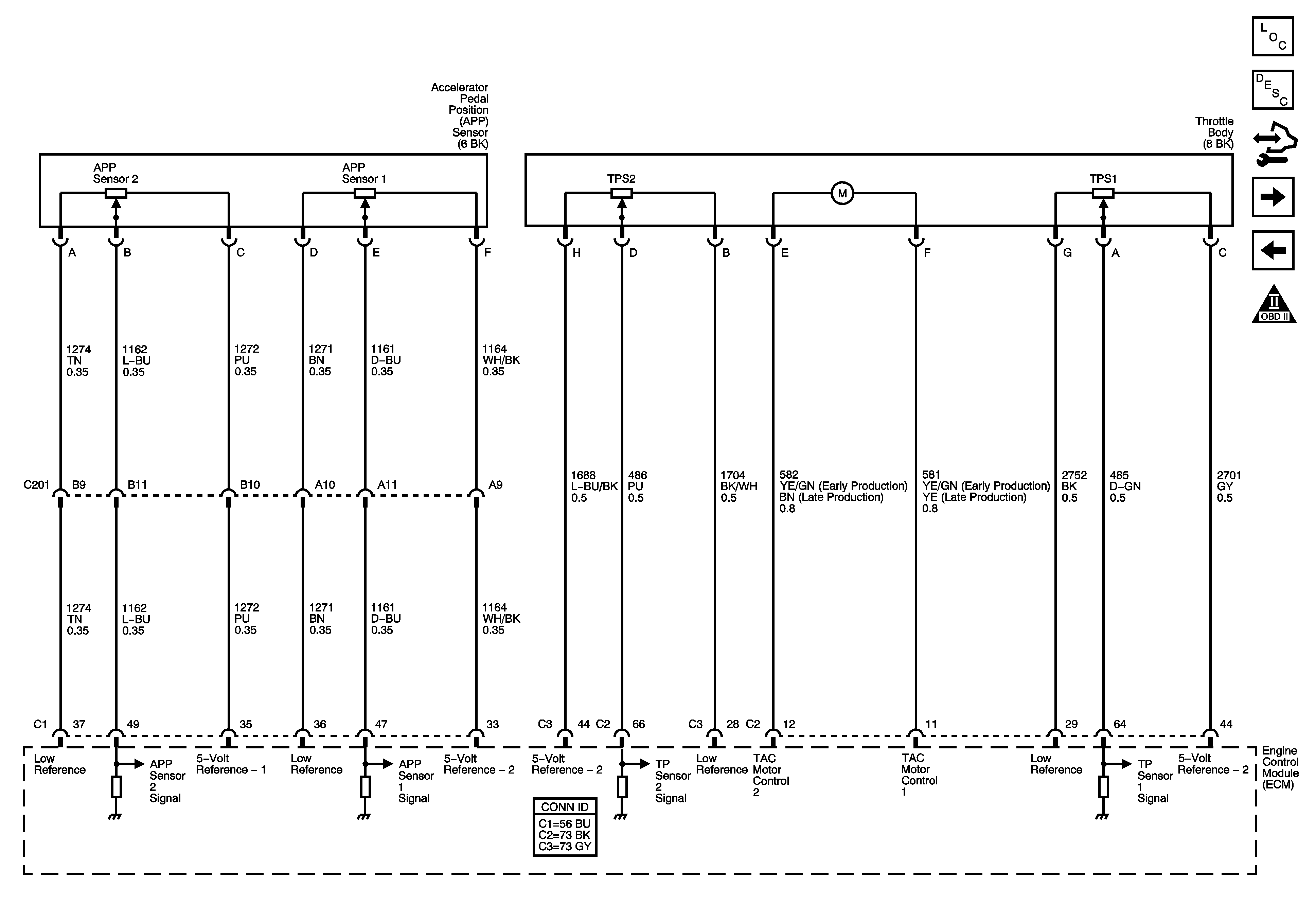
Engine Data Senosrs, APP and TAC
Engine Data Sensors Pressure, Temp and MAF/IAT
Engine Controls Schematic Icons
Power, Ground, MIL and Serial Data
COOLING FAN2, ECM/ETC, EMISS, IGN and INJECTORS Fuses, POWERTRAIN Relay - 2.4L
Figure 5:

Engine Data Sensors- APP & TAC


Object Number: 1592485  Size: FS
Master Electrical Component List
Throttle Actuator Control (TAC) System Description
Control Module References
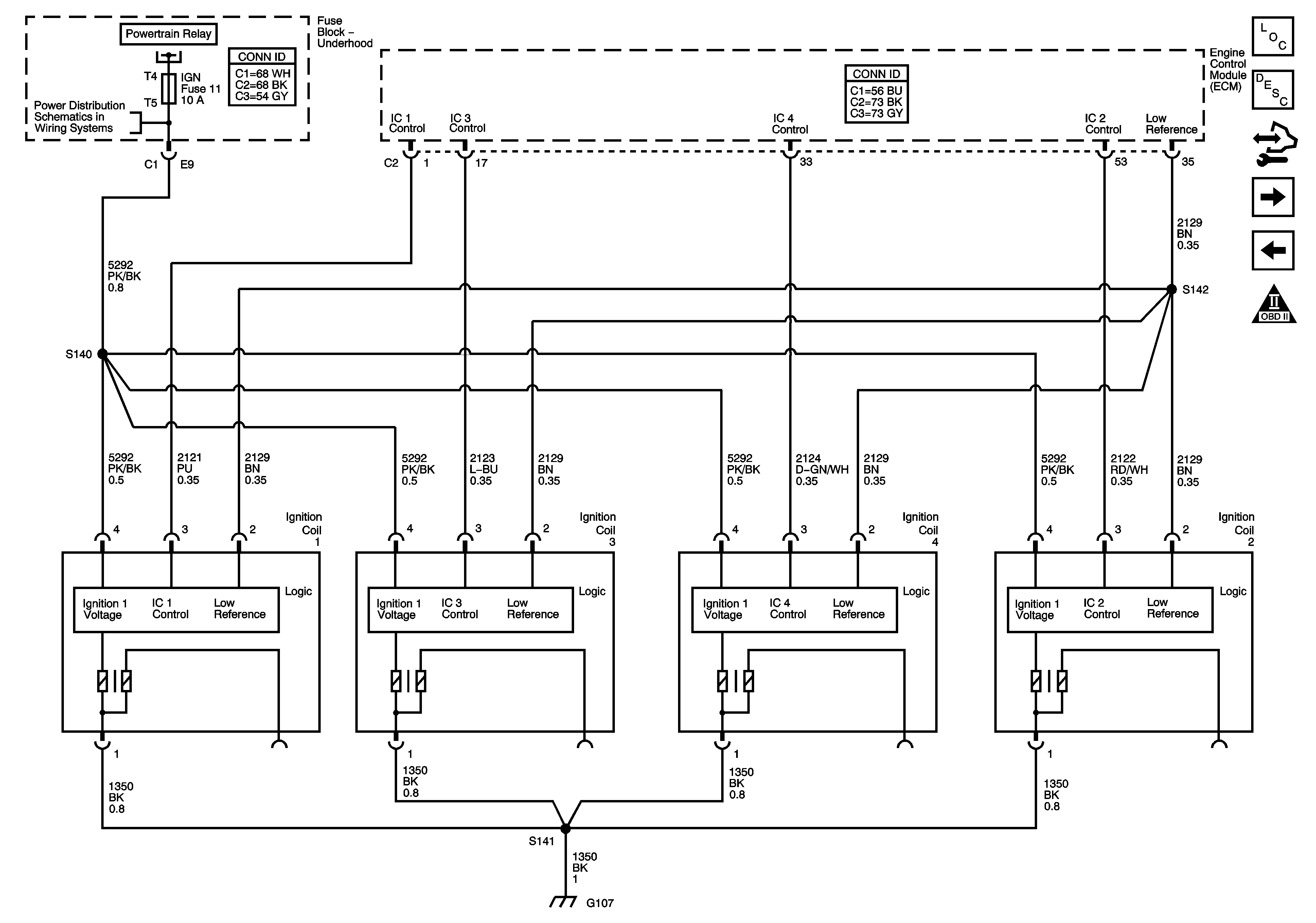
Ignition Controls - Ignition System
Engine Data Sensors, HO2
Engine Controls Schematic Icons
Figure 6:

Ignition Controls-Ignition System


Object Number: 1592487  Size: FS
Master Electrical Component List
Electronic Ignition (EI) System Description
Control Module References
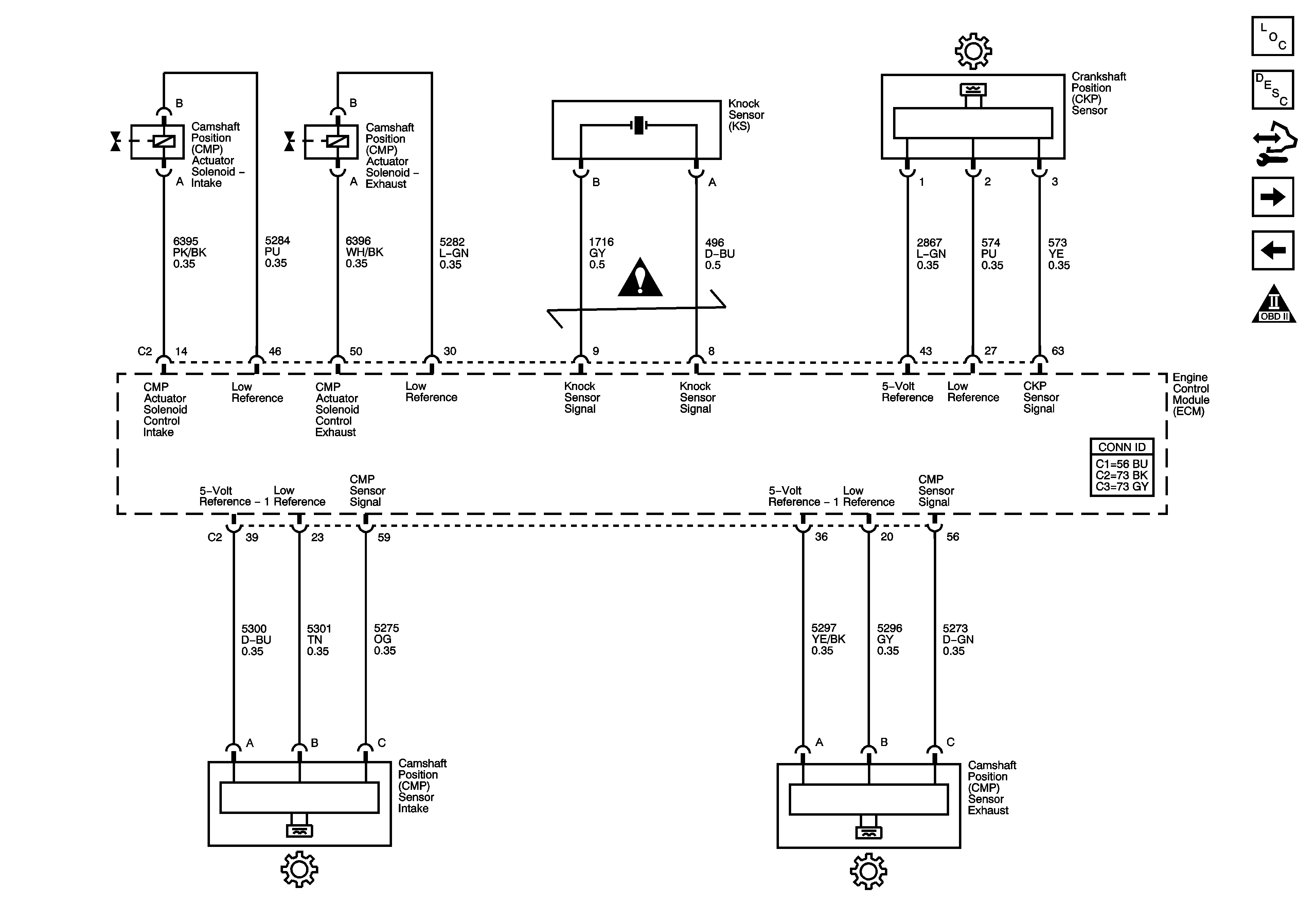
Ignition Controls-Sensors
Engine Data Senosrs, APP and TAC
Engine Controls Schematic Icons
COOLING FAN2, ECM/ETC, EMISS, IGN and INJECTORS Fuses, POWERTRAIN Relay - 2.4L
Power, Ground, MIL and Serial Data
G103 and G105 - 2.0L, and G107 - 2.4L
Figure 7:

Ignition Controls - Sensors


Object Number: 1592490  Size: FS
Master Electrical Component List
Electronic Ignition (EI) System Description
Control Module References
Fuel Controls
Ignition Controls - Ignition System
Engine Controls Schematic Icons
Engine Controls Schematic Icons
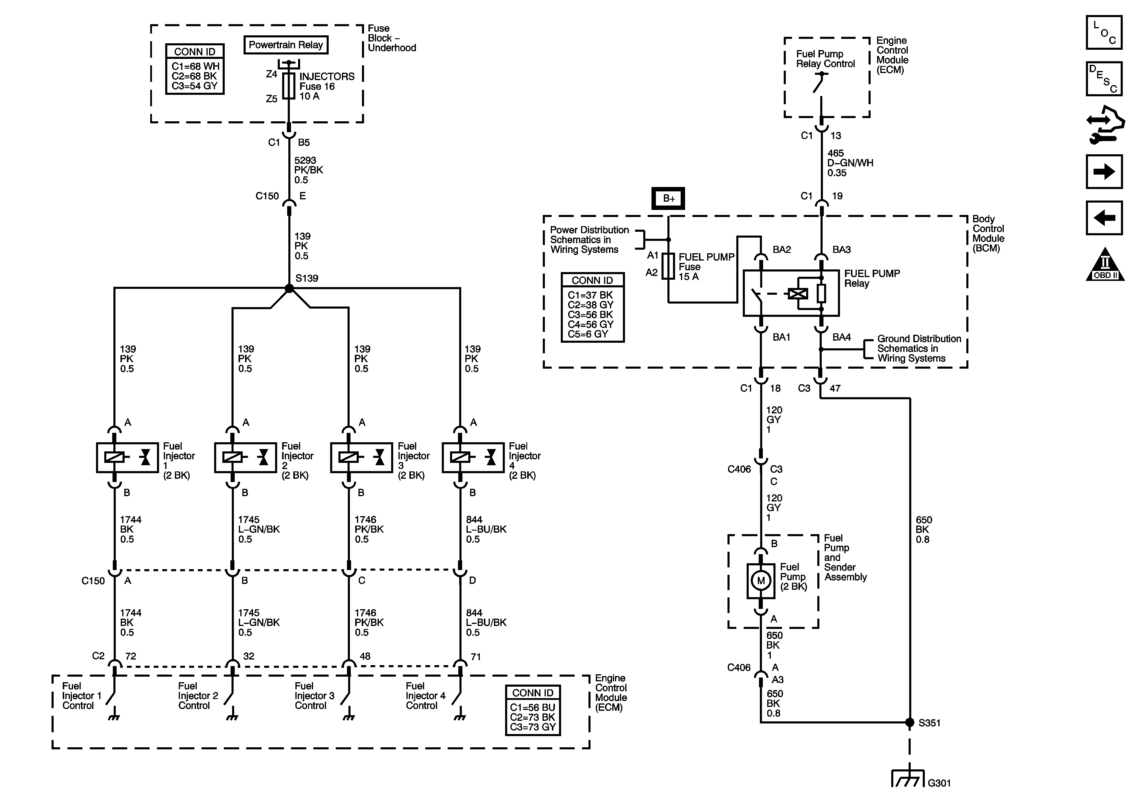
Figure 8:

Fuel Controls


Object Number: 1592492  Size: FS
Master Electrical Component List
Fuel System Description
Control Module References
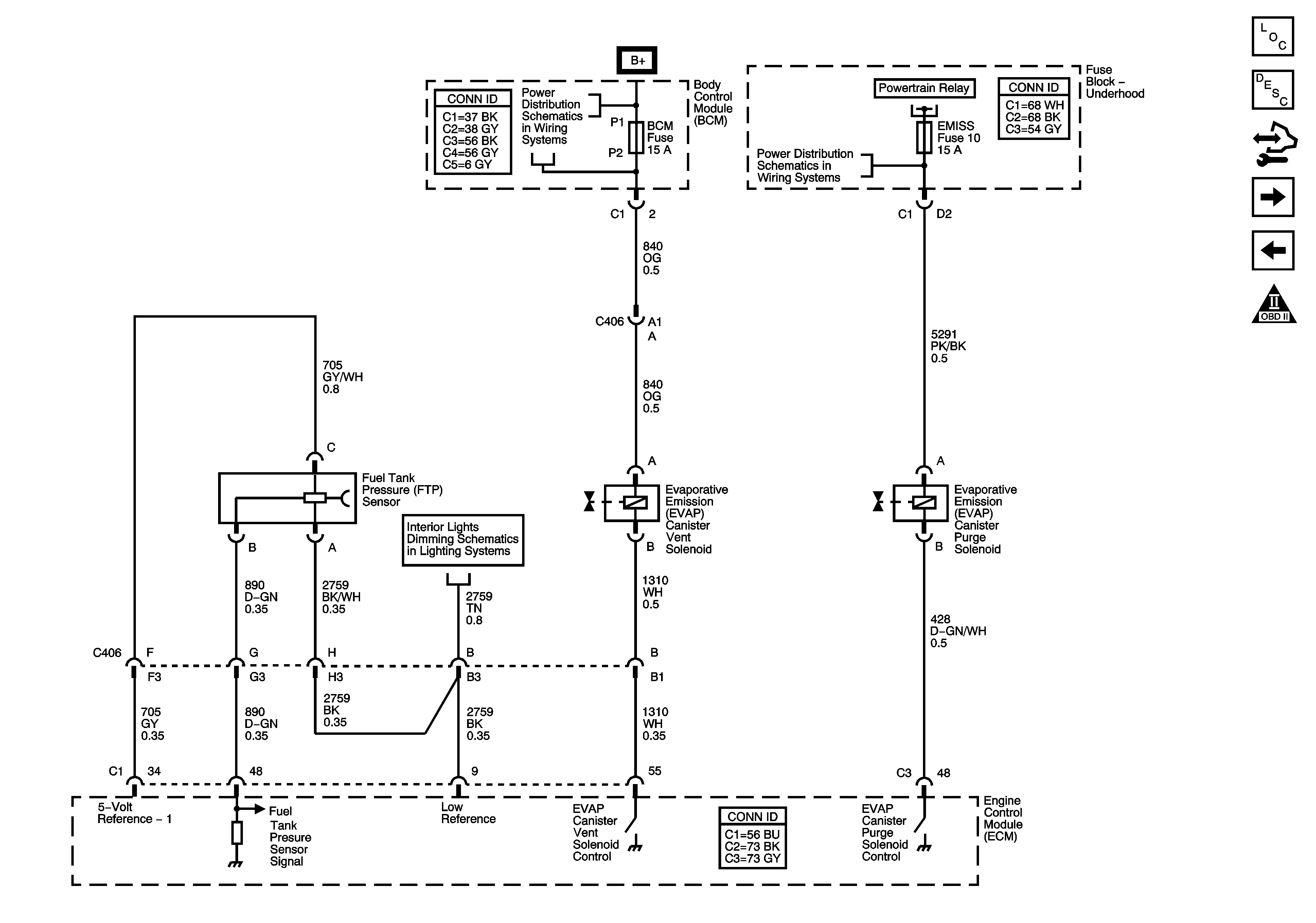
EVAP Controls
Ignition Controls-Sensors
Engine Controls Schematic Icons
Power, Ground, MIL and Serial Data
BCM ELECT, CLUSTER/AOS, EPS (60A), FUEL PUMP, HVAC, IGN SW, IP BATT 2, RUN (IGN 3), and STOP Fuses, RUN and FUEL PUMP Relays
G301
G301
Figure 9:

EVAP Controls


Object Number: 1592494  Size: FS
Master Electrical Component List
Evaporative Emission Control System Description
Control Module References
Controlled/Monitored Sybsystem References
Fuel Controls
Engine Controls Schematic Icons
BCM (PWR), DASH, IP BATT 1, IP BATT 1A, LIGHTER, ONSTAR, PARK, PWR OUTLET, PWR WINDOWS, RADIO (ACC.), RADIO (BATT), SUN ROOF, and WIPER SW Fuses
Power, Ground, MIL and Serial Data
COOLING FAN2, ECM/ETC, EMISS, IGN and INJECTORS Fuses, POWERTRAIN Relay - 2.4L
Fuel Level and Oil Pressure
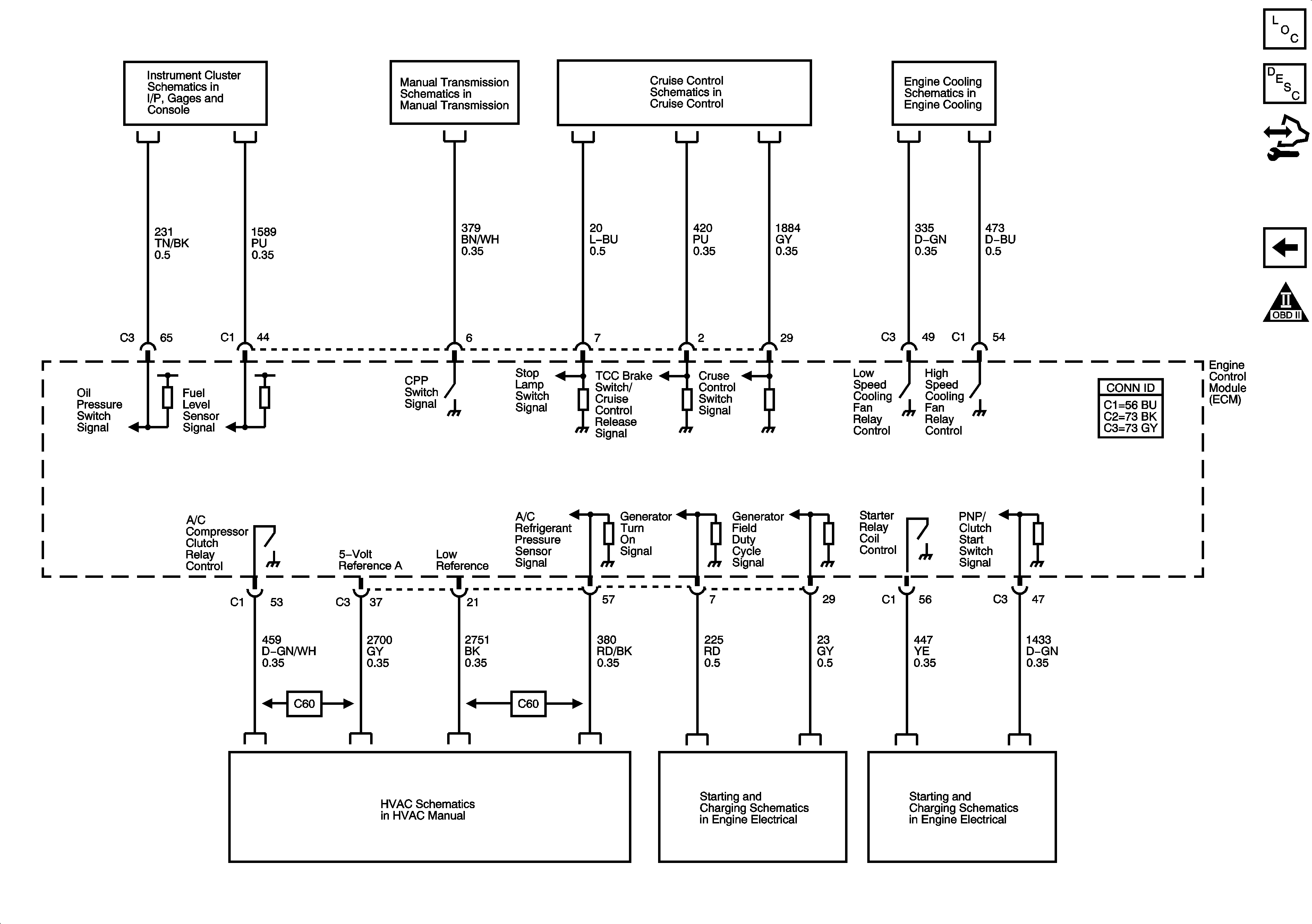
Figure 10:

Controlled/Monitored Subsystem References


Object Number: 1592495  Size: FS
Master Electrical Component List
Engine Control Module Description
Control Module References
EVAP Controls
Engine Controls Schematic Icons
Fuel Level and Oil Pressure
Manual Transmission Schematics (M86)
Stop Lamp and Clutch Switches
06 A Sat-Engine Cooling 2.4L
A/C Compressor Controls (C60)
Charging
Starting