GM Service Manual Online
For 1990-2009 cars only
Figure 1:

Power, Ground, MIL, and Serial Data


Object Number: 1769038  Size: FS
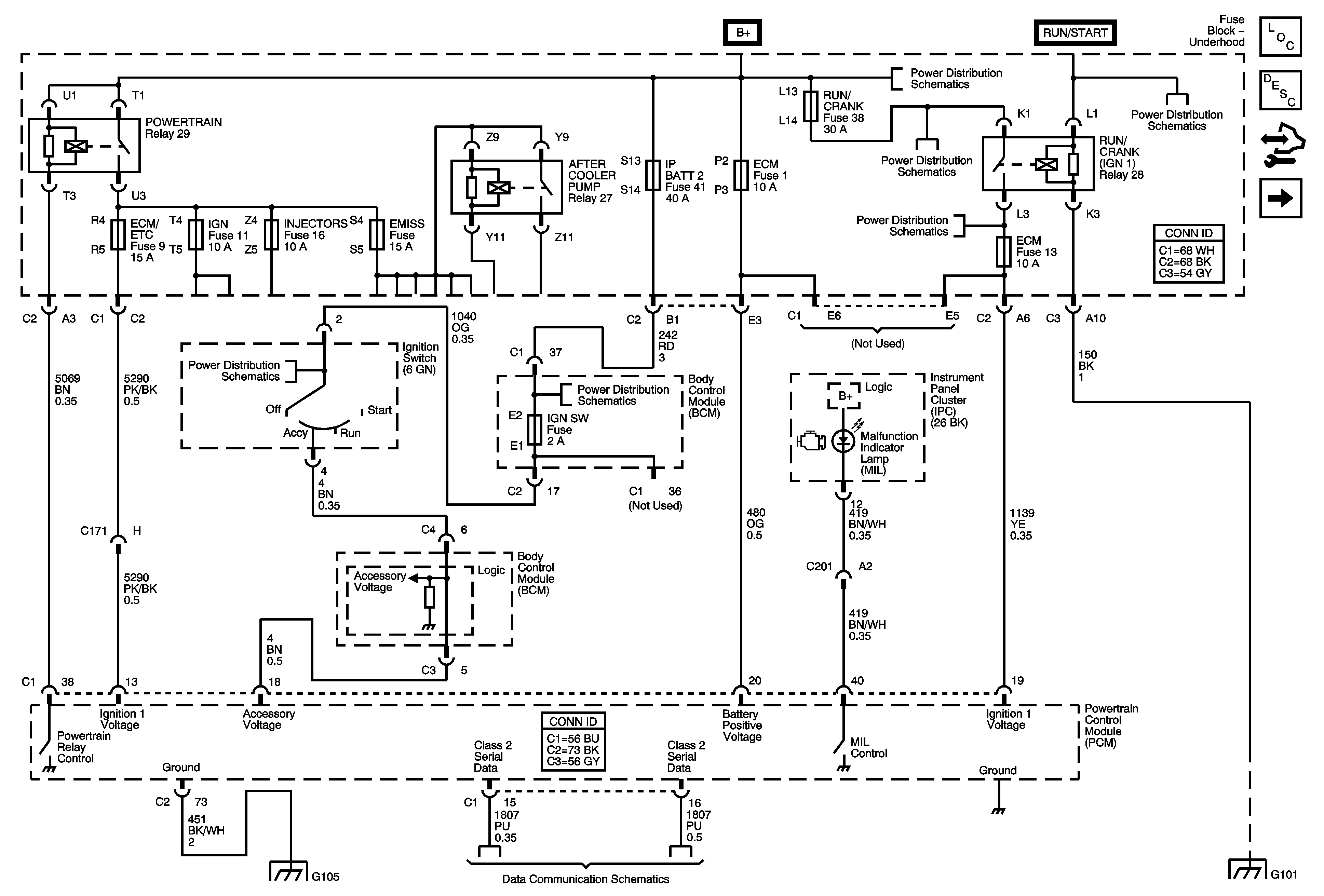
Master Electrical Component List
Powertrain Control Module Description
Control Module References
Engine Data Sensors - 5-Volt and Low References
Ignition Switch, RUN/CRANK Fuse, RUN/CRANK (IGN1) Relay
Ignition Switch, RUN/CRANK Fuse, RUN/CRANK (IGN1) Relay
ABS (IOA), BACK UP, BOOST, ECM, TRANS 1, and TRANS 2 Fuses
G103 and G105 - 2.0L, G107 - 2.2L / 2.4L
Power, Ground, Class 2, and Low Speed GMLAN
G101
Figure 2:

Engine Data Sensors - 5-Volt and Low Reference


Object Number: 1769040  Size: FS
Master Electrical Component List
Powertrain Control Module Description
Control Module References
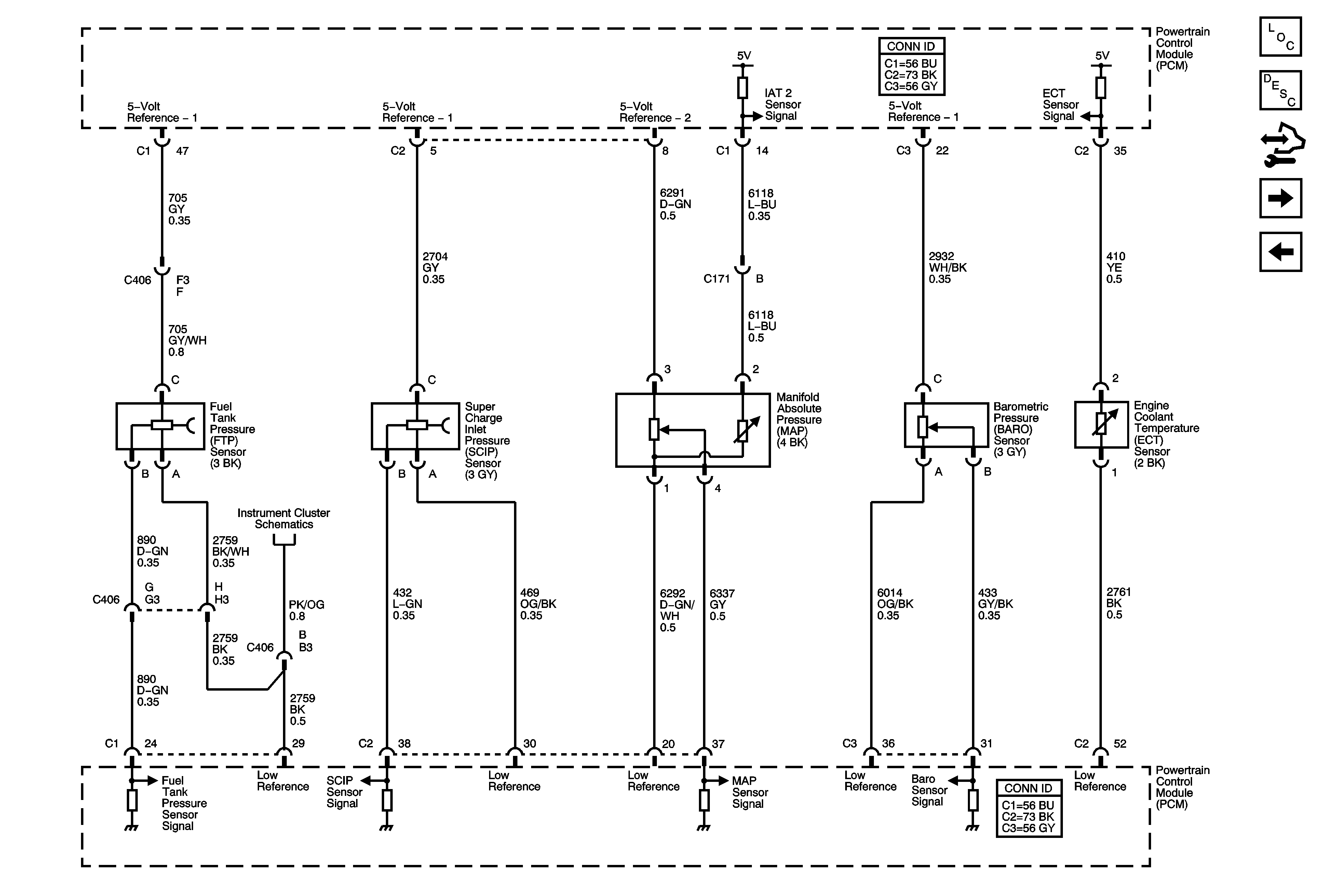
Engine Data Sensors - Pressure and Temperature
Power, Ground, MIL, and Serial Data
Figure 3:

Engine Data Sensors - Pressure and Temperature


Object Number: 1769042  Size: FS
Master Electrical Component List
Powertrain Control Module Description
Control Module References
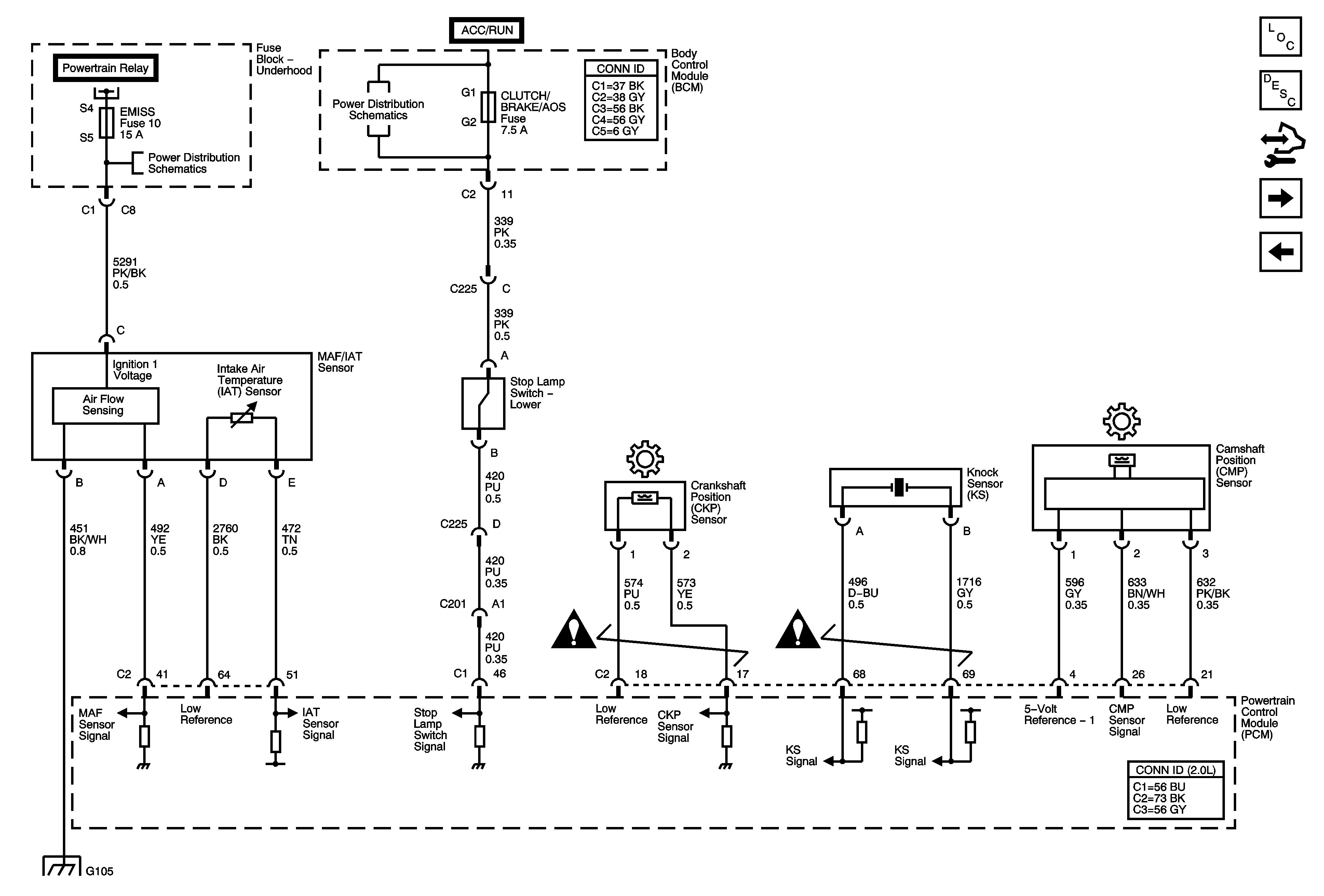
Engine Data Sensors - MAF/IAT, CKP, KS, and CMP
Engine Data Sensors - 5-Volt and Low References
Fuel Level and Oil Pressure
Figure 4:

Engine Data Sensors - MAF/IAT, CKP, KS, and CMP


Object Number: 1769043  Size: FS
Master Electrical Component List
Powertrain Control Module Description
Control Module References
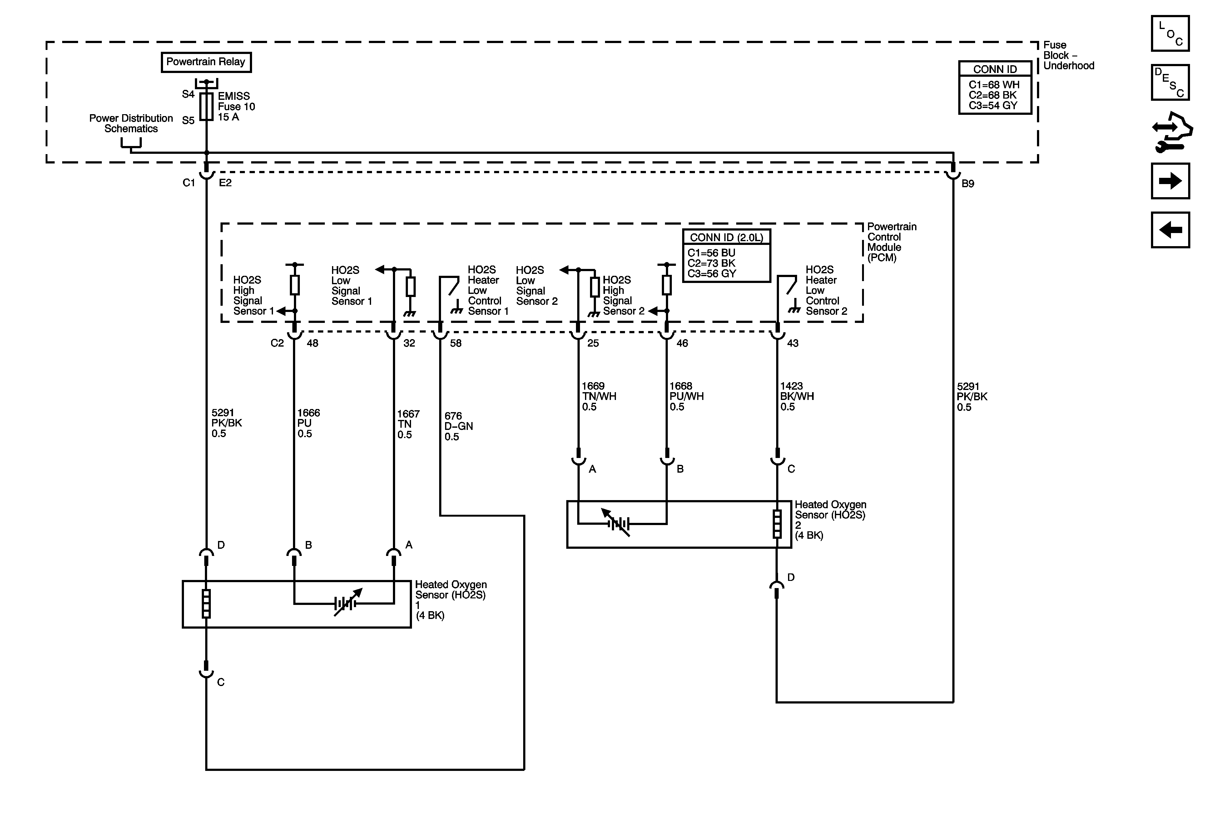
Engine Data Sensors - HO2S
Engine Data Sensors - Pressure and Temperature
Cooling Fan, ECM/ETC, EMISS, INJECTORS, IGN Fuses, AFTER COOLER PUMP, and POWERTRAIN Relays - 2.0L
AIR BAG/AOS, CLUTCH/BRAKE/AOS, EPS/CRUISE Fuses
G203
Engine Controls Schematic Icons
Engine Controls Schematic Icons
Figure 5:

Engine Data Sensors - HO2S


Object Number: 1769044  Size: FS
Master Electrical Component List
Powertrain Control Module Description
Control Module References
Engine Data Sensors - APP and TAC
Engine Data Sensors - MAF/IAT, CKP, KS, and CMP
Cooling Fan, ECM/ETC, EMISS, INJECTORS, IGN Fuses, AFTER COOLER PUMP, and POWERTRAIN Relays - 2.0L
Figure 6:

Engine Data Sensors - APP and TAC


Object Number: 1769045  Size: FS
Master Electrical Component List
Throttle Actuator Control (TAC) System Description
Control Module References
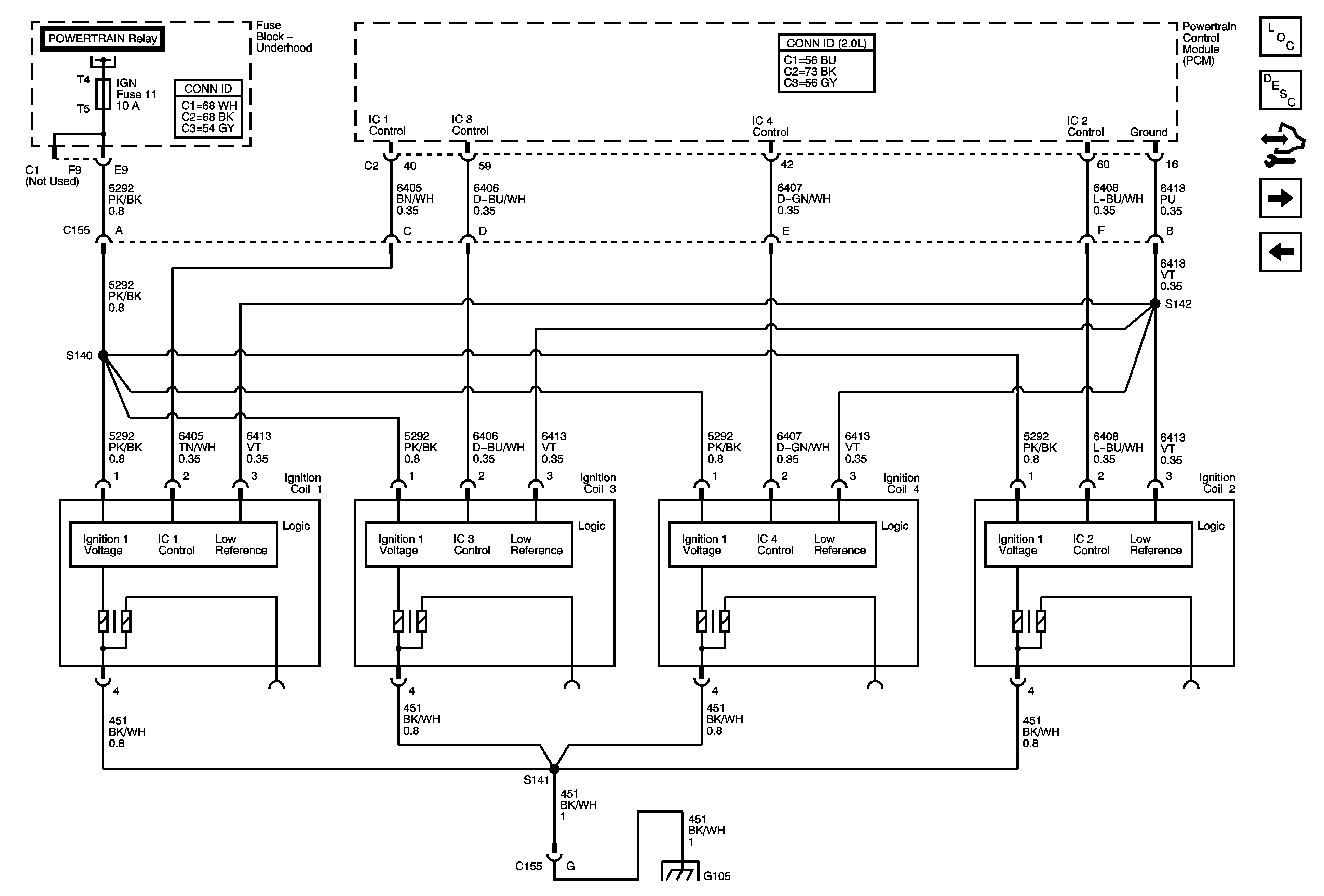
Ignition Controls
Engine Data Sensors - HO2S
Figure 7:

Ignition Controls


Object Number: 1769046  Size: FS
Master Electrical Component List
Electronic Ignition (EI) System Description
Control Module References
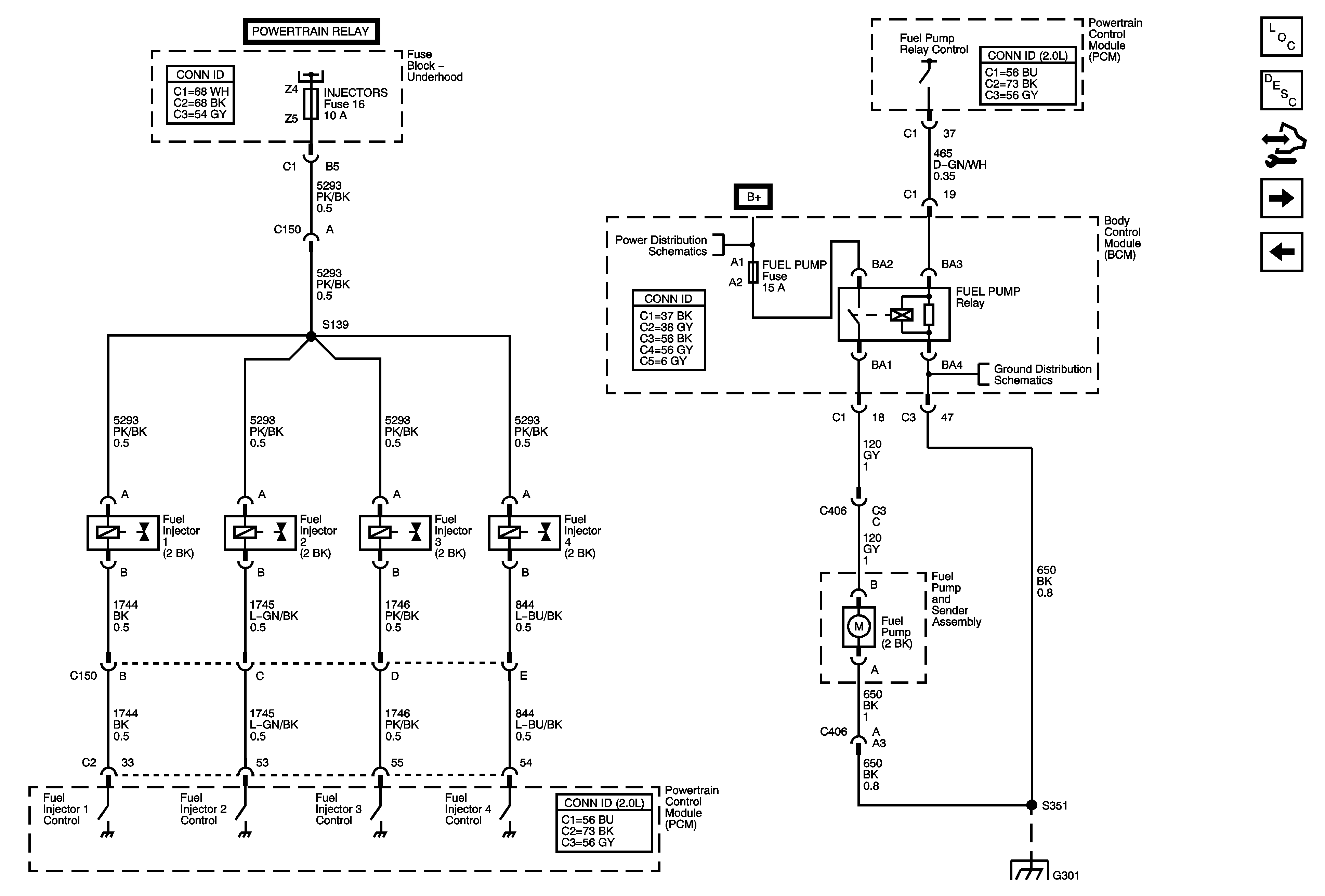
Fuel Controls
Engine Data Sensors - APP and TAC
G103 and G105 - 2.0L, G107 - 2.2L / 2.4L
Figure 8:

Fuel Controls


Object Number: 1769047  Size: FS
Master Electrical Component List
Fuel System Description
Control Module References
Engine Data Sensors - EVAP, After Cooler Pump, and Super Charger Bypass Valve
Ignition Controls
BCM, ELECT, CLUSTER/AOS, EPS (60A), FUEL PUMP, HVAC, IGN SW, IP BATT 2, RUN (IGN3), and STOP Fuses, RUN and Fuel Pump Relays
G301
G301
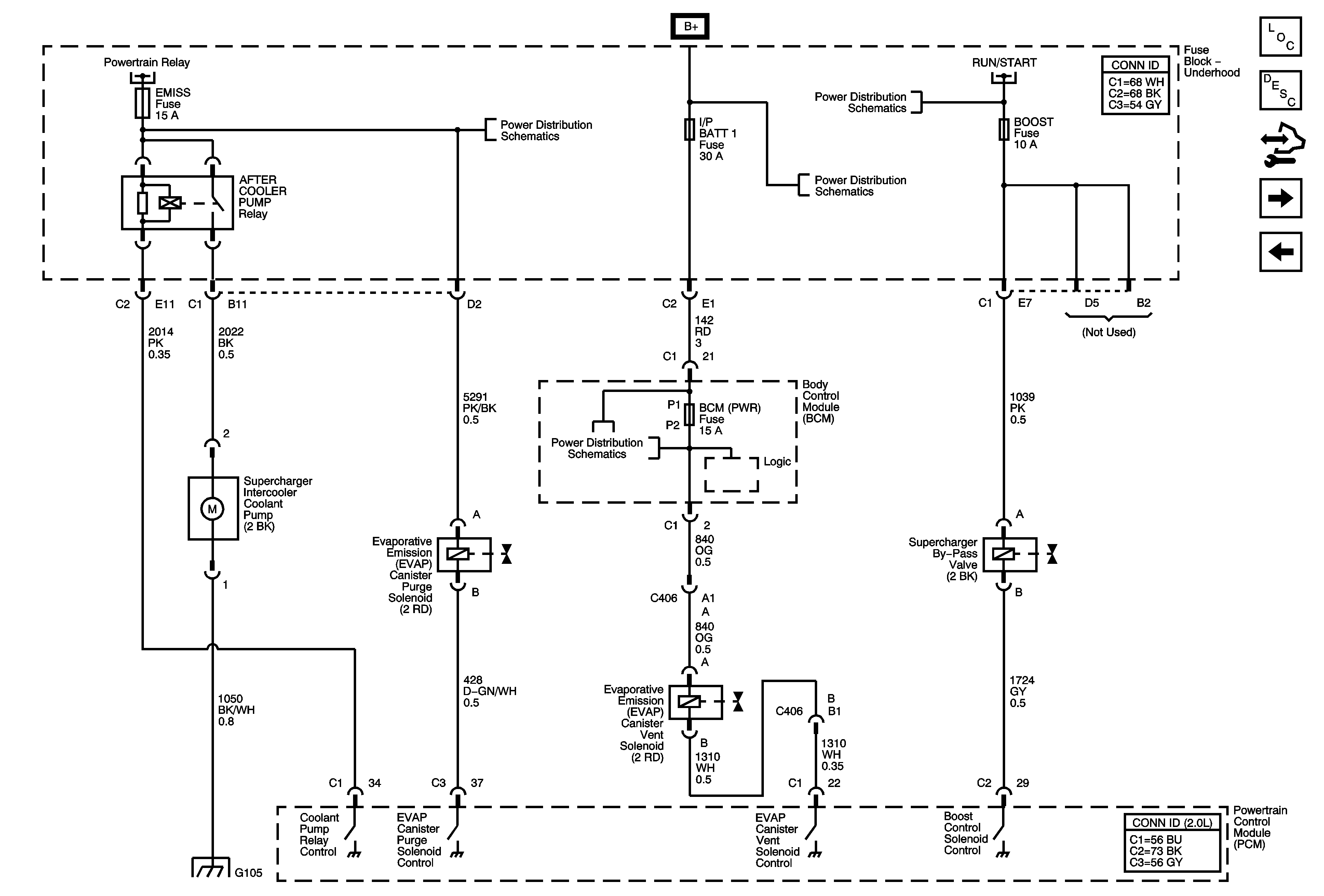
Figure 9:

Engine Data Sensors - EVAP, After Cooler Pump, and Supercharger Bypass Valve


Object Number: 1769048  Size: FS
Master Electrical Component List
Supercharger Description and Operation
Control Module References
Controlled/Monitored Subsystem Reference
Fuel Controls
Cooling Fan, ECM/ETC, EMISS, INJECTORS, IGN Fuses, AFTER COOLER PUMP, and POWERTRAIN Relays - 2.0L
ABS (IOA), BACK UP, BOOST, ECM, TRANS 1, and TRANS 2 Fuses
BCM (PWR), DASH, IP BATT 1, IP BATT 1A, LIGHTER, ONSTAR, PARK PWR OUTLET, PWR WINDOWS, RADIO (BATT 1), RADIO (ACCY), SUNROOF, and WIPER SW Fuses
BCM (PWR), DASH, IP BATT 1, IP BATT 1A, LIGHTER, ONSTAR, PARK PWR OUTLET, PWR WINDOWS, RADIO (BATT 1), RADIO (ACCY), SUNROOF, and WIPER SW Fuses
Figure 10:

Controlled/Monitored Subsystem Reference


Object Number: 1769049  Size: FS
Master Electrical Component List
Powertrain Control Module Description
Control Module References
Engine Data Sensors - EVAP, After Cooler Pump, and Super Charger Bypass Valve
Fuel Level and Oil Pressure
Driver Controls
Controlled/Monitored Subsystem References
Boost Gage - UXE
2.0L
A/C Compressor Controls - C60
Charging
Starting
MV3