GM Service Manual Online
For 1990-2009 cars only
Figure 1:

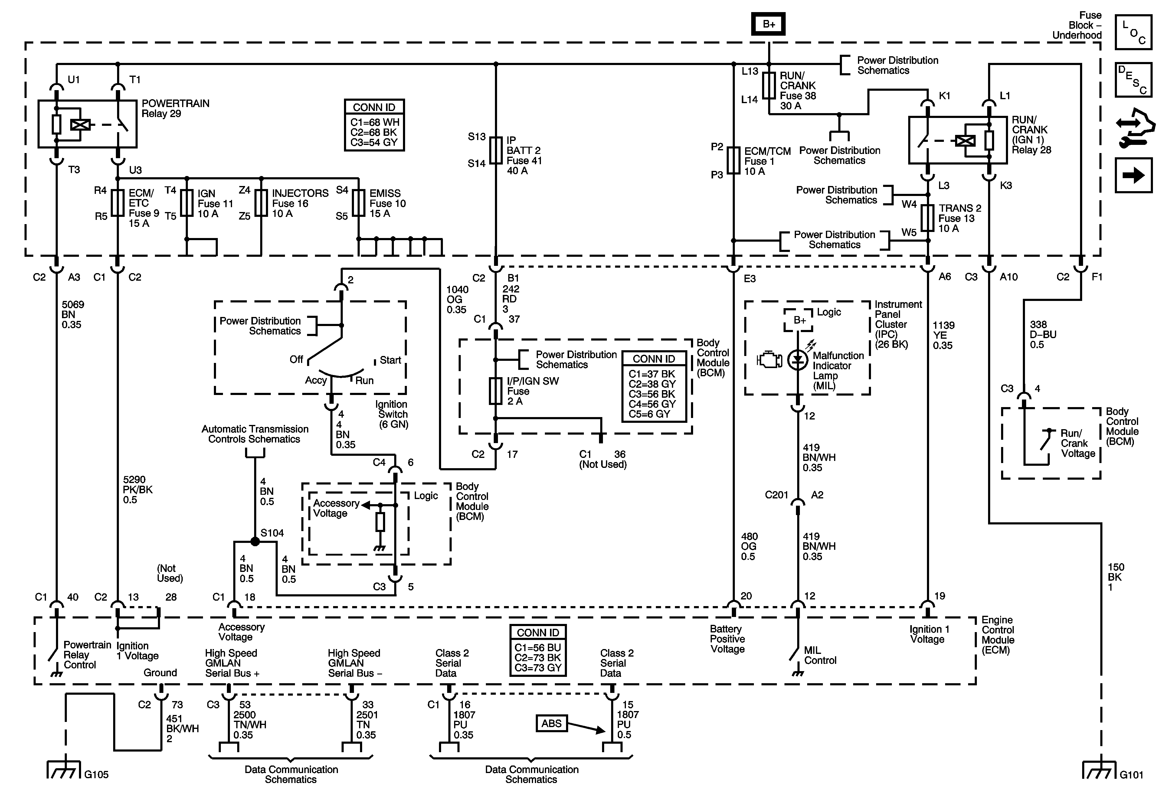
Power, Ground, MIL, and Serial Data


Object Number: 1768414  Size: FS
Master Electrical Component List
Engine Control Module Description
Control Module References
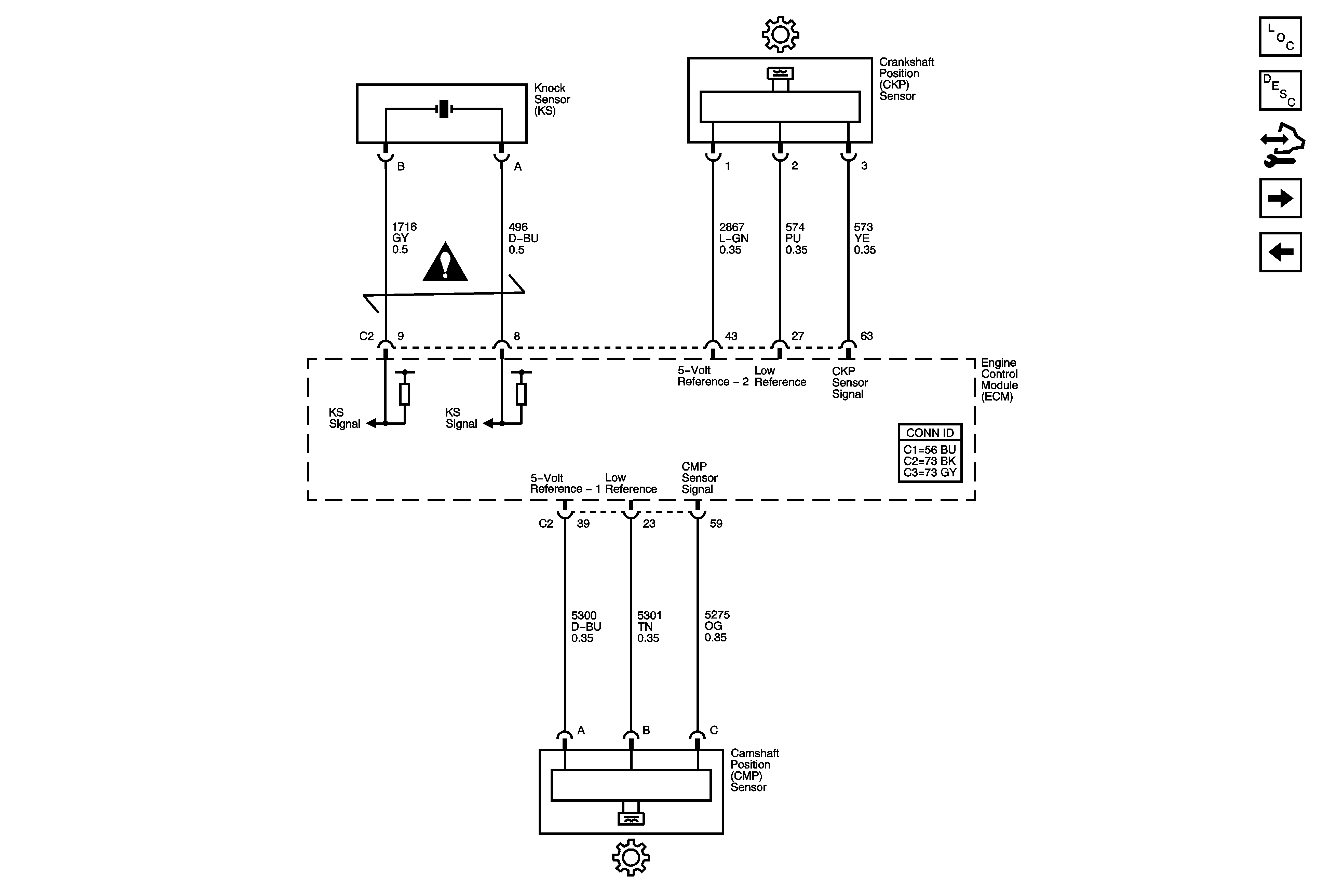
Engine Data Sensors - 5-Volt and Low Reference
Ignition Switch, RUN/CRANK Fuse, RUN/CRANK (IGN1) Relay
Ignition Switch, RUN/CRANK Fuse, RUN/CRANK (IGN1) Relay
ABS (IOA), BACK UP, BOOST, ECM, TRANS 1, and TRANS 2 Fuses
ABS (IOA), BACK UP, BOOST, ECM, TRANS 1, and TRANS 2 Fuses
Ignition Switch, RUN/CRANK Fuse, RUN/CRANK (IGN1) Relay
Accessory Voltage, Stop Lamp Switch, and Serial Data
BCM, ELECT, CLUSTER/AOS, EPS (60A), FUEL PUMP, HVAC, IGN SW, IP BATT 2, RUN (IGN3), and STOP Fuses, RUN and Fuel Pump Relays
G103 and G105 - 2.0L, G107 - 2.2L / 2.4L
High Speed GMLAN - 2.2L, 2.4L
Power, Ground, Class 2, and Low Speed GMLAN
G101
Figure 2:

Engine Data Sensor- 5-Volt and Low Reference


Object Number: 1768434  Size: FS
Master Electrical Component List
Engine Control Module Description
Control Module References
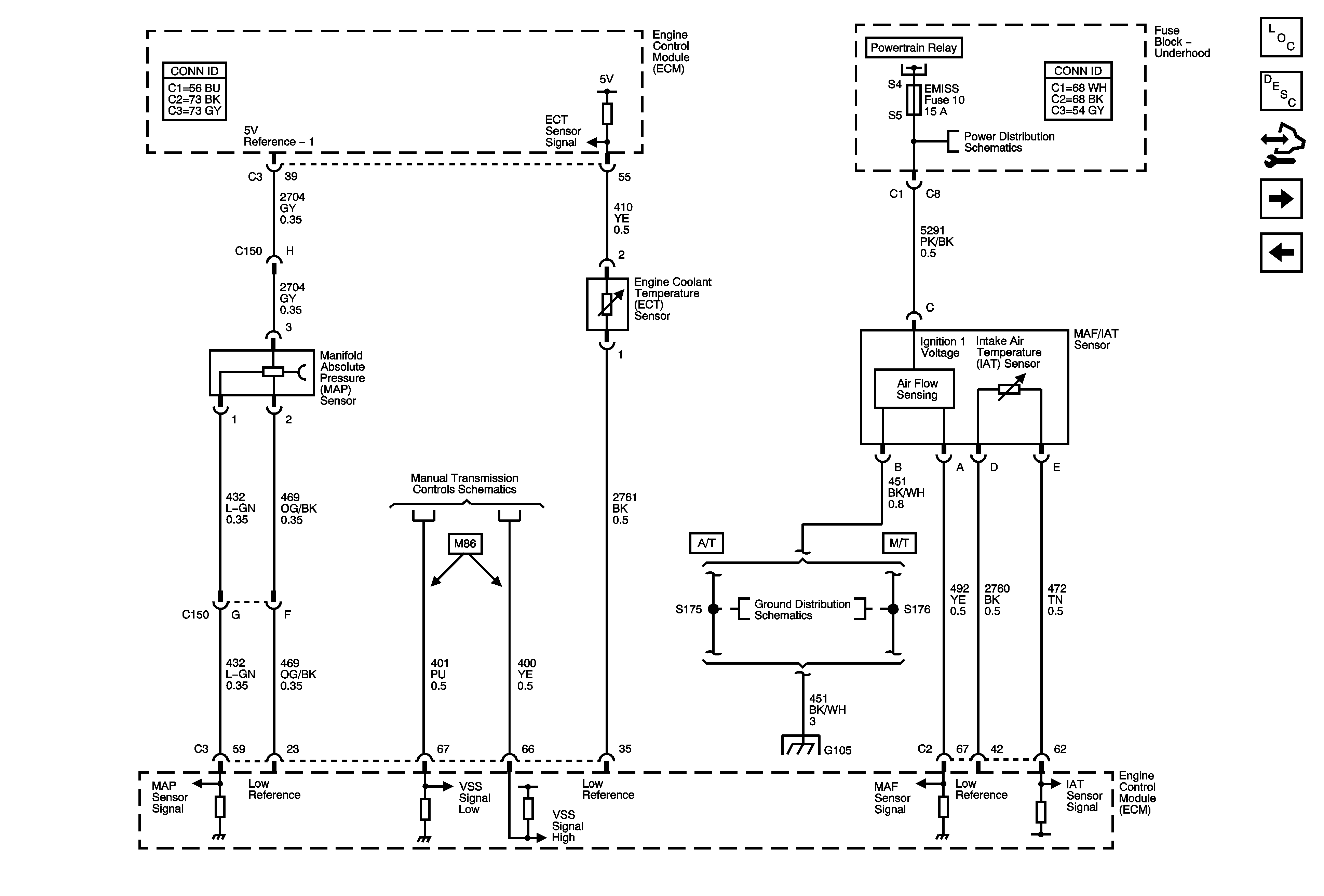
Engine Data Sensors - Pressure, Temperature, and MAF/IAT
Power, Ground, MIL, and Serial Data
Figure 3:

Engine Data Sensors - Pressure, Temperature, and MAF/IAT


Object Number: 1768446  Size: FS
Master Electrical Component List
Engine Control Module Description
Control Module References
Engine Data Sensors - HO2S
Engine Data Sensors - 5-Volt and Low Reference
Power, Ground, MIL, and Serial Data
AIR PUMP RLY, ECM/ETC, EMISS, IGN, and INJECTOR Fuse, AIR SOLENOID, POWERTRAIN Relays - 2.2L
M86 Getrag
G103, G105 - 2.2L, 2.4L, G109
G103, G105 - 2.2L, 2.4L, G109
Figure 4:

Engine Data Sensors - HO2S


Object Number: 1768476  Size: FS
Master Electrical Component List
Engine Control Module Description
Control Module References
Engine Data Sensors - APP and TAC
Engine Data Sensors - Pressure, Temperature, and MAF/IAT
Power, Ground, MIL, and Serial Data
AIR PUMP RLY, ECM/ETC, EMISS, IGN, and INJECTOR Fuse, AIR SOLENOID, POWERTRAIN Relays - 2.2L
Figure 5:

Engine Data Sensors - APP and TAC


Object Number: 1768483  Size: FS
Master Electrical Component List
Throttle Actuator Control (TAC) System Description
Control Module References
Ignition Controls - Ignition System
Engine Data Sensors - HO2S
Figure 6:

Ignition Controls - Ignition System


Object Number: 1768486  Size: FS
Master Electrical Component List
Electronic Ignition (EI) System Description
Control Module References
Ignition Controls - Sensors
Engine Data Sensors - APP and TAC
Power, Ground, MIL, and Serial Data
AIR PUMP RLY, ECM/ETC, EMISS, IGN, and INJECTOR Fuse, AIR SOLENOID, POWERTRAIN Relays - 2.2L
Figure 7:

Ignition Controls - Sensors


Object Number: 1768490  Size: FS
Master Electrical Component List
Electronic Ignition (EI) System Description
Control Module References
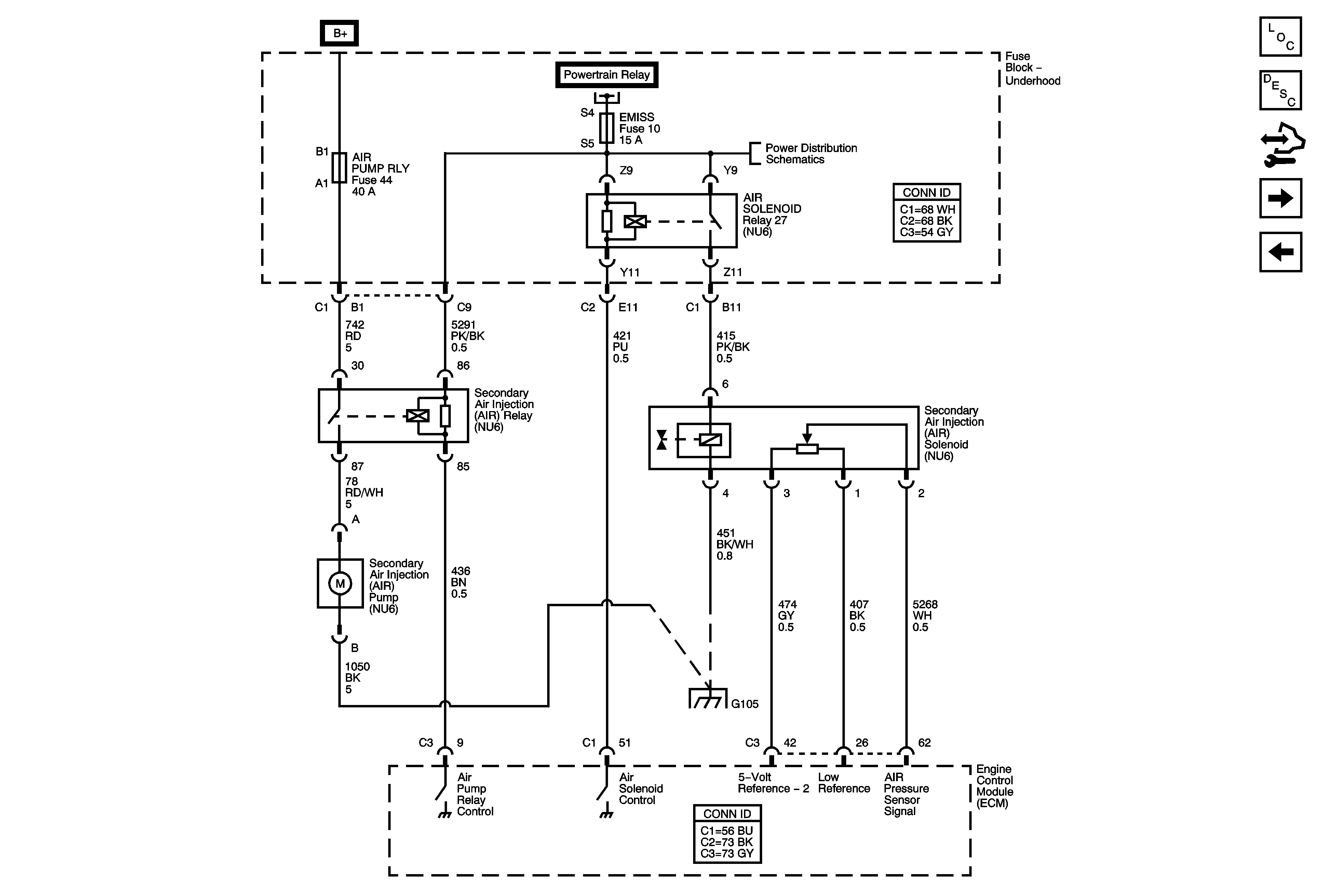
Secondary Air Injection System - NU6
Ignition Controls - Ignition System
Engine Controls Schematic Icons
Figure 8:

Secondary Air Injection System - NU6


Object Number: 1768538  Size: FS
Master Electrical Component List
Secondary Air Injection System Description
Control Module References
Fuel Controls
Ignition Controls - Sensors
Power, Ground, MIL, and Serial Data
AIR PUMP RLY, ECM/ETC, EMISS, IGN, and INJECTOR Fuse, AIR SOLENOID, POWERTRAIN Relays - 2.2L
G103, G105 - 2.2L, 2.4L, G109
Figure 9:

Fuel Controls


Object Number: 1768584  Size: FS
Master Electrical Component List
Fuel System Description (RPO NT7)
Control Module References
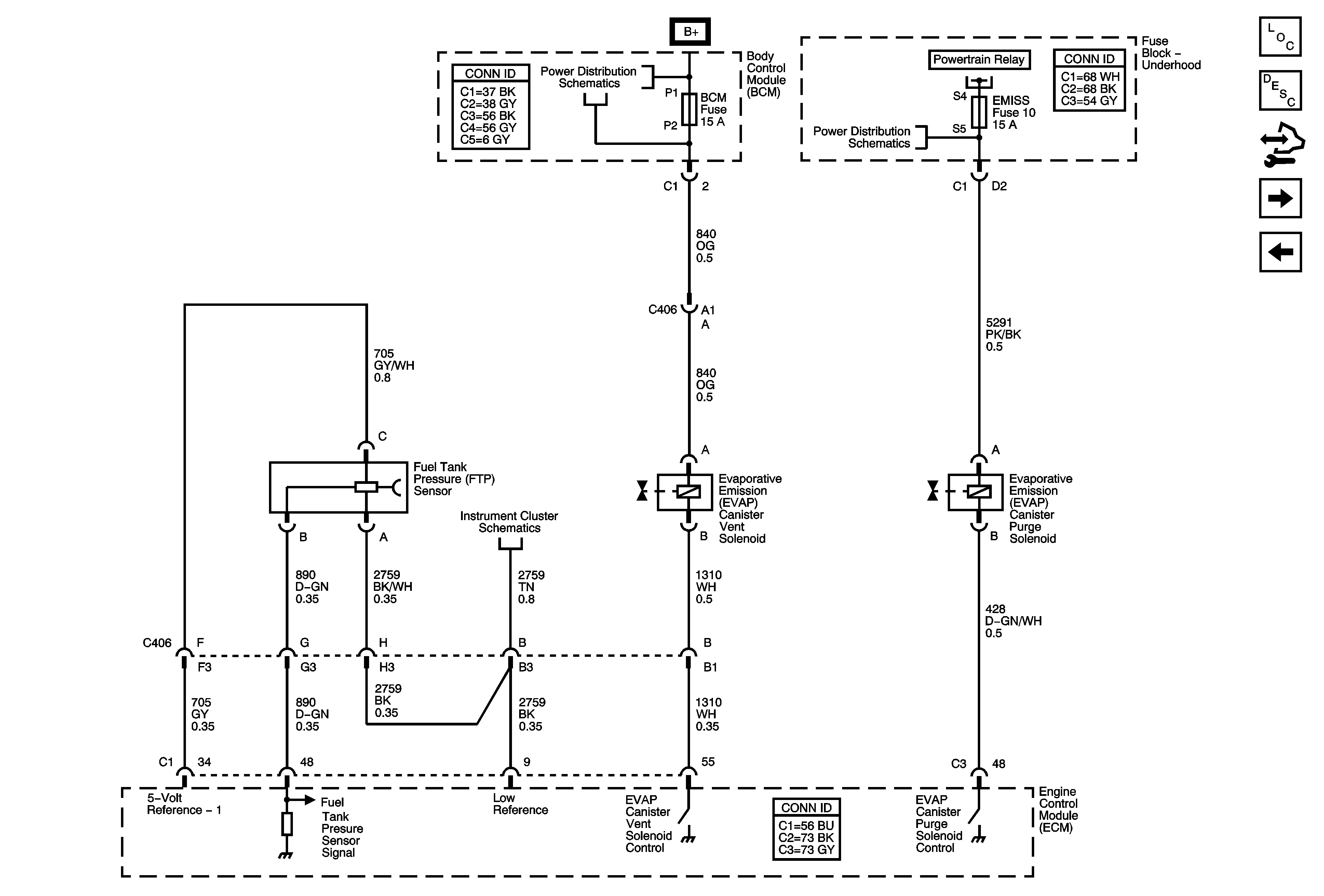
EVAP Controls
Secondary Air Injection System - NU6
Power, Ground, MIL, and Serial Data
BCM, ELECT, CLUSTER/AOS, EPS (60A), FUEL PUMP, HVAC, IGN SW, IP BATT 2, RUN (IGN3), and STOP Fuses, RUN and Fuel Pump Relays
G301
G301
Figure 10:

EVAP Controls


Object Number: 1768590  Size: FS
Master Electrical Component List
Evaporative Emission Control System Description
Control Module References
Controlled/Monitored Subsystem References
Fuel Controls
BCM (PWR), DASH, IP BATT 1, IP BATT 1A, LIGHTER, ONSTAR, PARK PWR OUTLET, PWR WINDOWS, RADIO (BATT 1), RADIO (ACCY), SUNROOF, and WIPER SW Fuses
AIR PUMP RLY, ECM/ETC, EMISS, IGN, and INJECTOR Fuse, AIR SOLENOID, POWERTRAIN Relays - 2.2L
Power, Ground, MIL, and Serial Data
Figure 11:

Controlled/Monitored Subsystem References


Object Number: 1768606  Size: FS
Master Electrical Component List
Engine Control Module Description
Control Module References
EVAP Controls
Fuel Level and Oil Pressure
M86 Getrag
Driver Controls
2.2L
A/C Compressor Controls - C60
Charging
Starting