GM Service Manual Online
For 1990-2009 cars only
Makes
🢒
Saturn
🢒
2003
🢒
L200/LW200
🢒 Module Power, Ground, Serial Data, MIL
Module Power, Ground, Serial Data, MIL
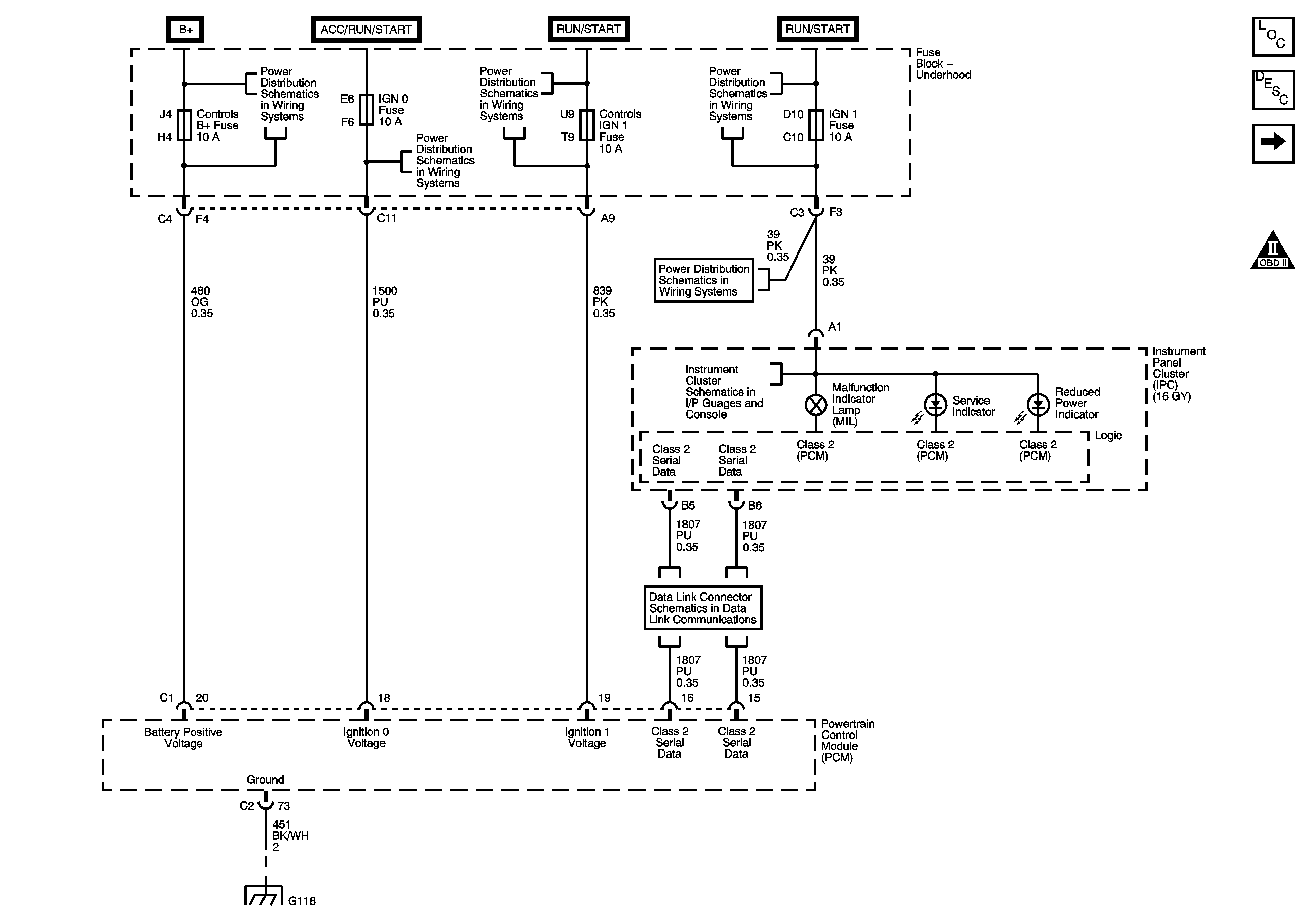
PCM Power, Ground, Serial Data, and MIL
Master Electrical Component List
Powertrain Control Module Description
Engine Data Sensors-5 Volt and Low Reference
OBD II Symbol Description Notice
Fuse Block - Underhood Fuses: Cooling Fan 2, Cooling Fan 1, ABS1, ABS2, Parklamp
Fuse Block-Underhood : IGN1/2, IGN0 and IGN0/3/CR - Ignition Switch
Fuse Block-Underhood Fuses: Injector, Cntrls, IGN1, EIS, IGN
Fuse Block - Underhood Fuses: BCM/ECM/CRUISE/ABS, Cruise Switch, IGN1 and Backup/Turn
Fuse Block - Underhood Fuses: BCM/ECM/CRUISE/ABS, Cruise Switch, IGN1 and Backup/Turn
DLC Schematics (2.2L)
G102, G110, G118, G114