GM Service Manual Online
For 1990-2009 cars only
Makes
🢒
Saturn
🢒
2005
🢒
L300/LW300
🢒
Body
🢒
Doors
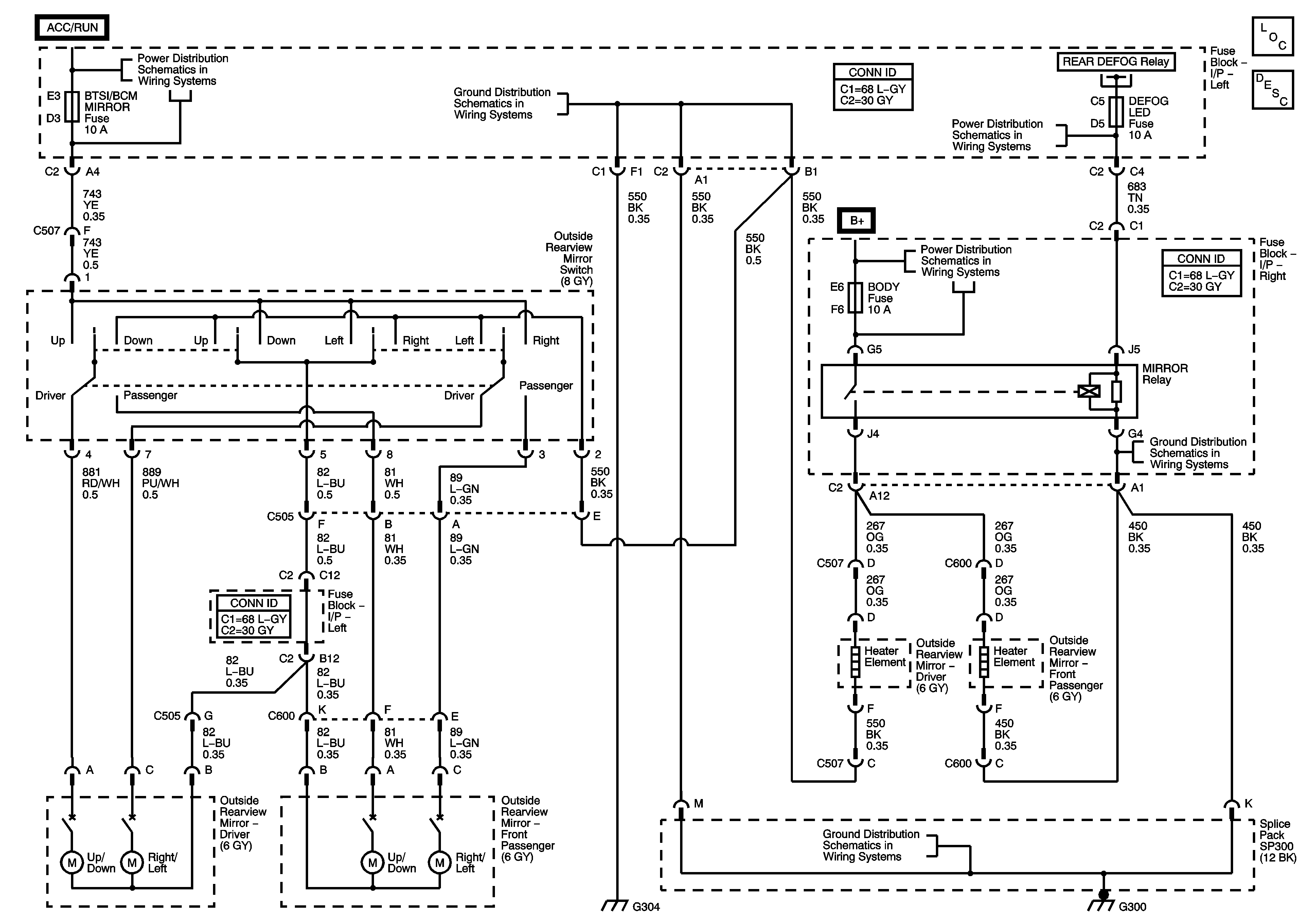
🢒 Outside Rearview Mirror Schematics
Master Electrical Component List
Outside Mirror Description and Operation
BTSI/BCM/MIRROR, RADIO, RR WIPER, and WIPER Fuses
G300 (3 of 3) and G304
BODY, FOG LAMP, IP BATT RT, LOCKS, POWER SEAT, and PREM AUDIO Fuses
BCM CLUSTER, DEFOG LED, and REAR DEFOG Fuses
G300 (2 of 3)
G300 (2 of 3)