GM Service Manual Online
For 1990-2009 cars only
Makes
🢒
Saturn
🢒
2007
🢒
SKY
🢒
Diagnostic Navigation
🢒
Vehicle Diagnostic Information
🢒 Exterior Lights Schematics
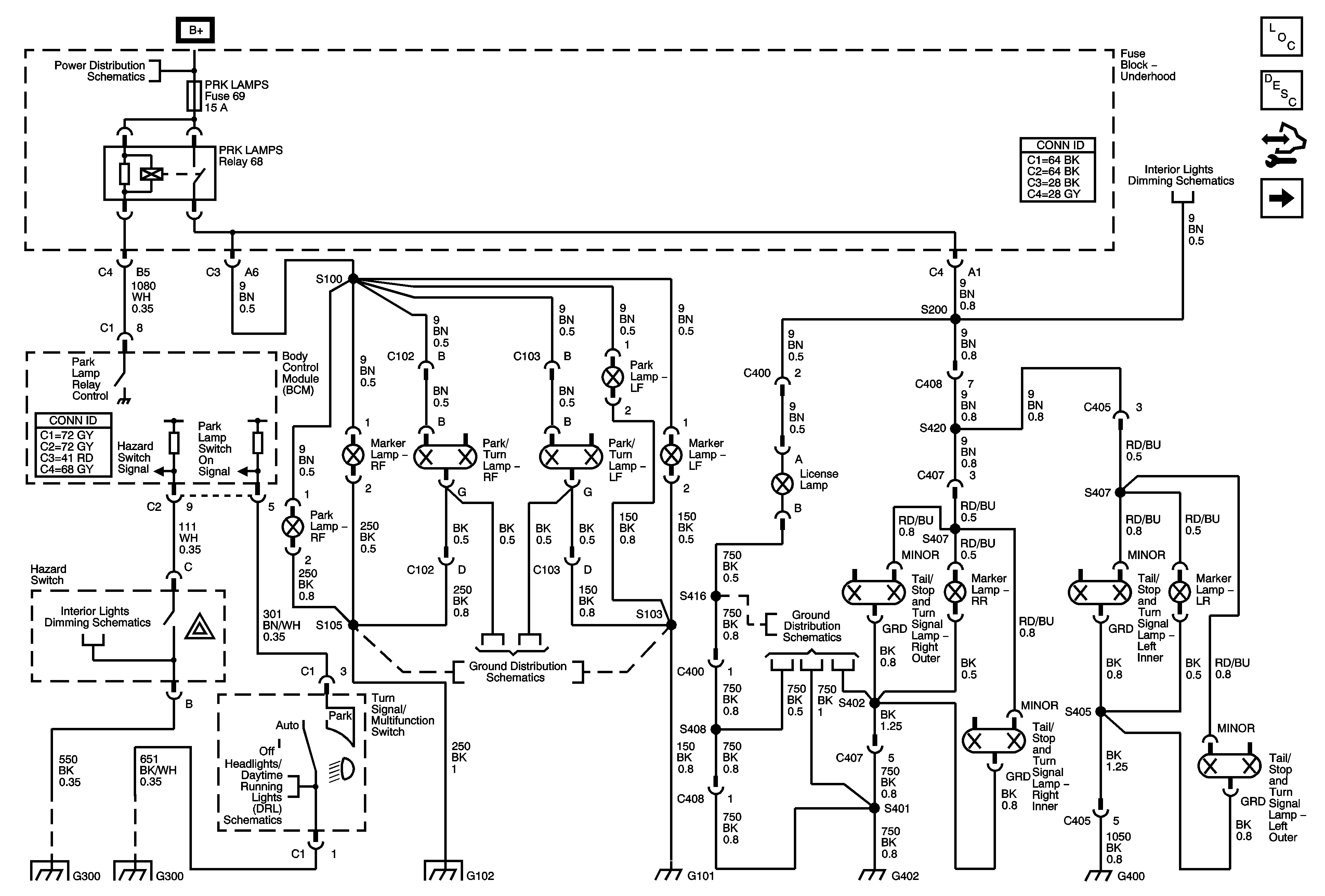
Figure
1:
Hazards and Park Lamps
Master Electrical Component List
Exterior Lighting Systems Description and Operation
Control Module References
Backup Lamps
B+ Bus - 2 of 2
Dimming Controls
Lamps
G301, G302, G303, G400 and G402
G101 and G102
G300 - 1 of 2
G300 - 1 of 2
G101 and G102
G101 and G102
G301, G302, G303, G400 and G402
G301, G302, G303, G400 and G402
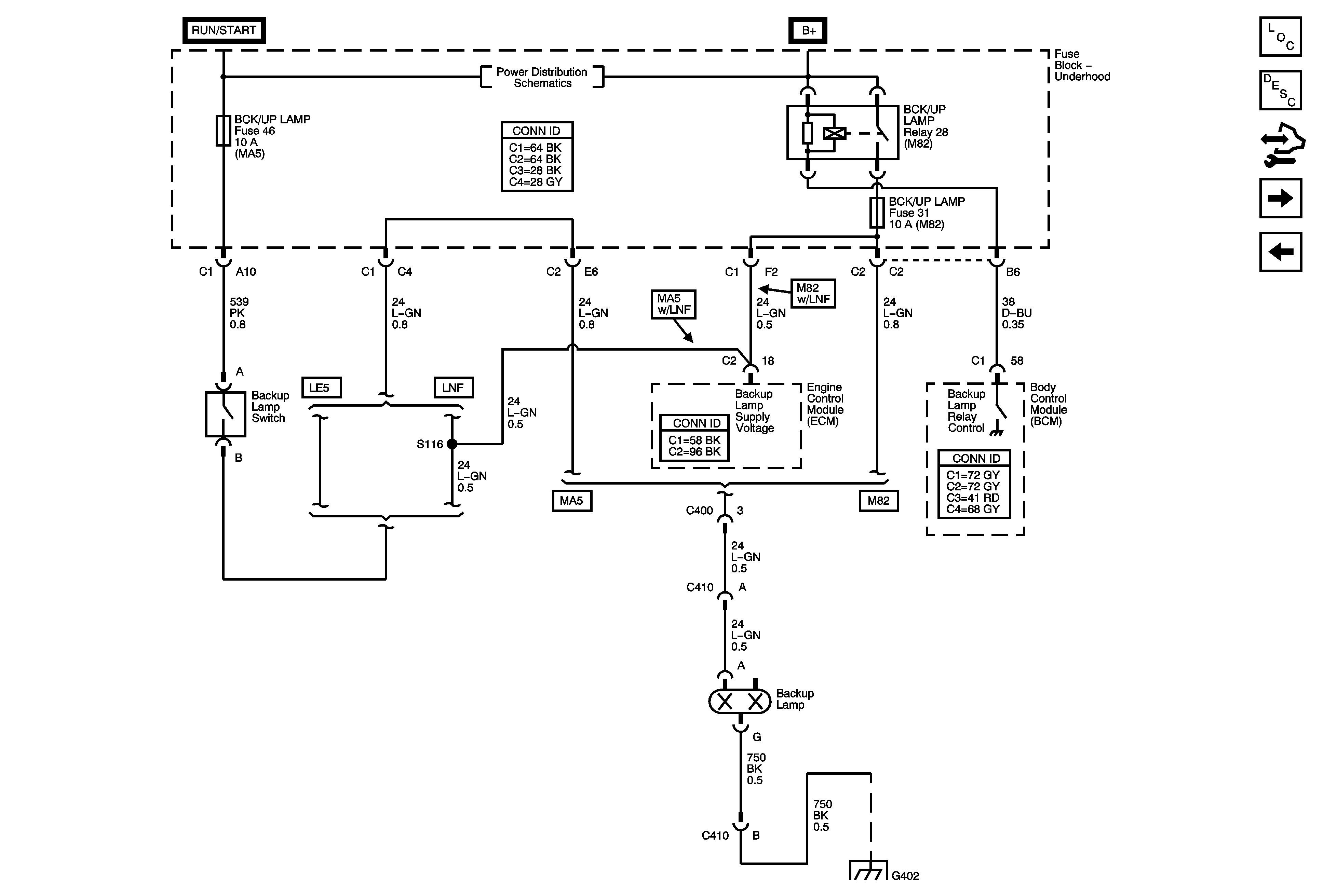
Figure
2:
Backup Lamps
Master Electrical Component List
Exterior Lighting Systems Description and Operation
Control Module References
Stop and Turn Signal Lamps
Hazard and Park Lamps
B+ Bus - 1 of 2
G301, G302, G303, G400 and G402
Figure
3:
Stop and Turn Signal Lamps
Master Electrical Component List
Exterior Lighting Systems Description and Operation
Control Module References
Backup Lamps
G301, G302, G303, G400 and G402
G101 and G102
G300 - 1 of 2
G101 and G102
G101 and G102
G301, G302, G303, G400 and G402
G301, G302, G303, G400 and G402