GM Service Manual Online
For 1990-2009 cars only
Figure 1:

ECM Power, Ground, MIL, and Communication


Object Number: 1338863  Size: FS
Master Electrical Component List
Engine Control Module Description
Engine Data Sensors - Low and 5 Volt References
OBD II Symbol Description Notice
w/L61 - G103, G105, and G207
PWR WDW Relay, PWR WDW, SUNROOF, ABS, ABS PWR, HVAC BLOWER, AUX 1 OUTLET, CIGAR/AUX 2, and ECM/TCM Fuses
IGN Fuse, Ignition Switch, and the Igntion Switch Position Circuits
Battery, Starter, Generator, PSCM, and the B+ Circuits to the Underhood Fuse Block
IGN Fuse, Ignition Switch, and the Igntion Switch Position Circuits
BACKUP, PWR TRAIN, and ABS Fuses
IGN Fuse, Ignition Switch, and the Igntion Switch Position Circuits
IGN 1, BCM(IGN), AIR BAG, EPS, and CRUISE Fuses (I/P Fuse Block)
Indicators and MIL
DLC Schematic
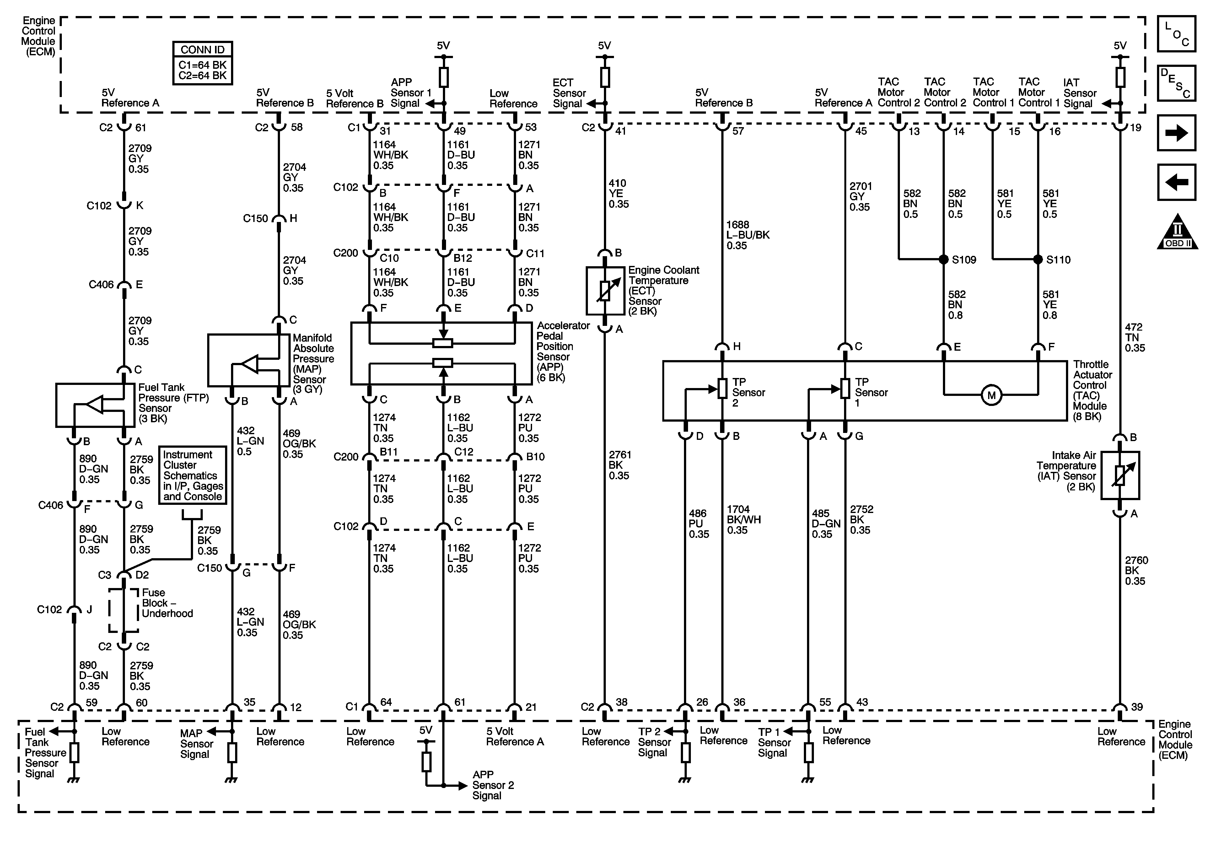
Figure 2:

Engine Data Sensors - Low and 5 Volt References


Object Number: 1352051  Size: FS
Master Electrical Component List
Engine Control Module Description
Engine Data Sensors
ECM Power, Ground, MIL, and Communications
OBD II Symbol Description Notice
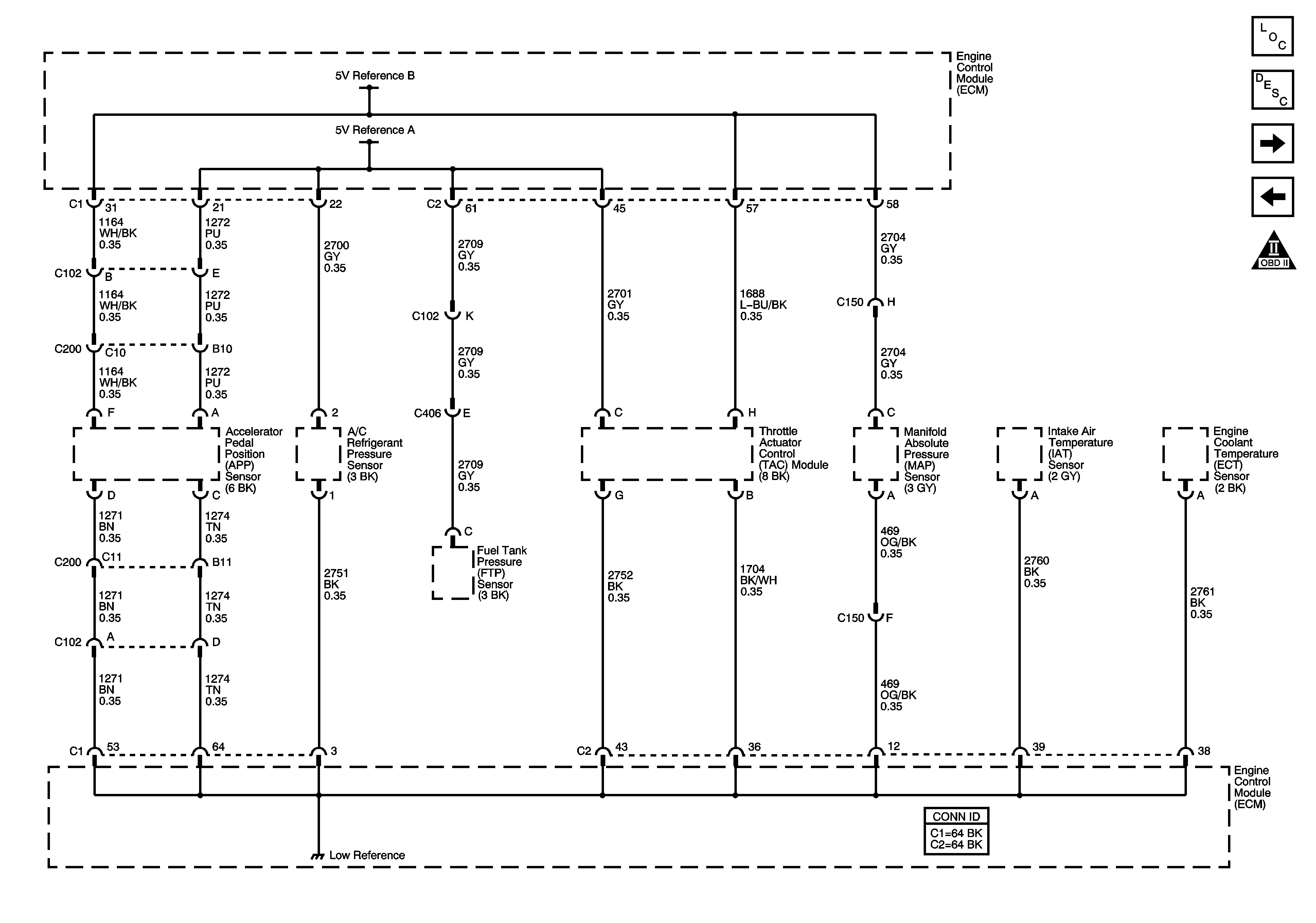
Figure 3:

Engine Data Sensors


Object Number: 1338866  Size: FS
Master Electrical Component List
Engine Control Module Description
HO2 Sensors
Engine Data Sensors - Low and 5 Volt References
OBD II Symbol Description Notice
Gages
Figure 4:

Oxygen Sensors


Object Number: 1338868  Size: FS
Master Electrical Component List
Engine Control Module Description
Ignition Controls
Engine Data Sensors
OBD II Symbol Description Notice
IGN Fuse, Ignition Switch, and the Igntion Switch Position Circuits
L61-ENG MAIN Relay, EMISS Fuse, ETC Fuse, and the IGN/INJ Fuse
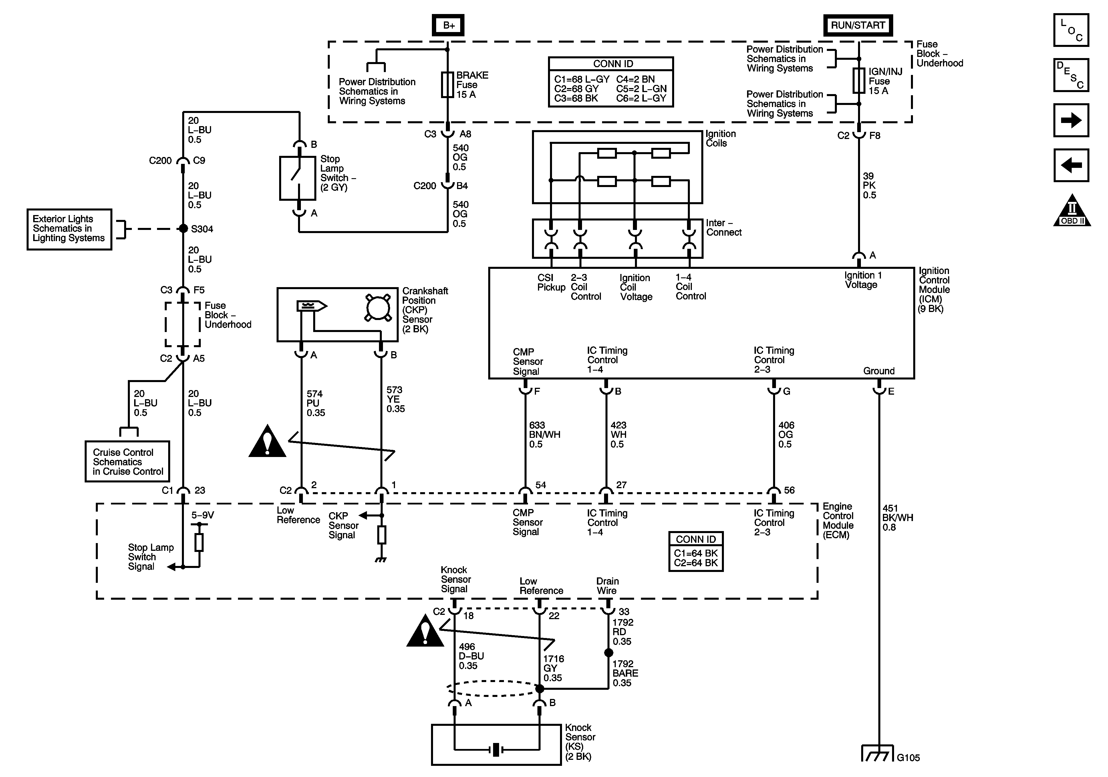
Figure 5:

Ignition Controls


Object Number: 1338869  Size: FS
Master Electrical Component List
Engine Control Module Description
Fuel Delivery
HO2 Sensors
OBD II Symbol Description Notice
Battery, Starter, Generator, PSCM, and the B+ Circuits to the Underhood Fuse Block
IGN Fuse, Ignition Switch, and the Igntion Switch Position Circuits
L61-ENG MAIN Relay, EMISS Fuse, ETC Fuse, and the IGN/INJ Fuse
Stop Lamps
Cruise Control Schematic
w/L61 - G103, G105, and G207
Engine Controls Schematic Icons
Engine Controls Schematic Icons
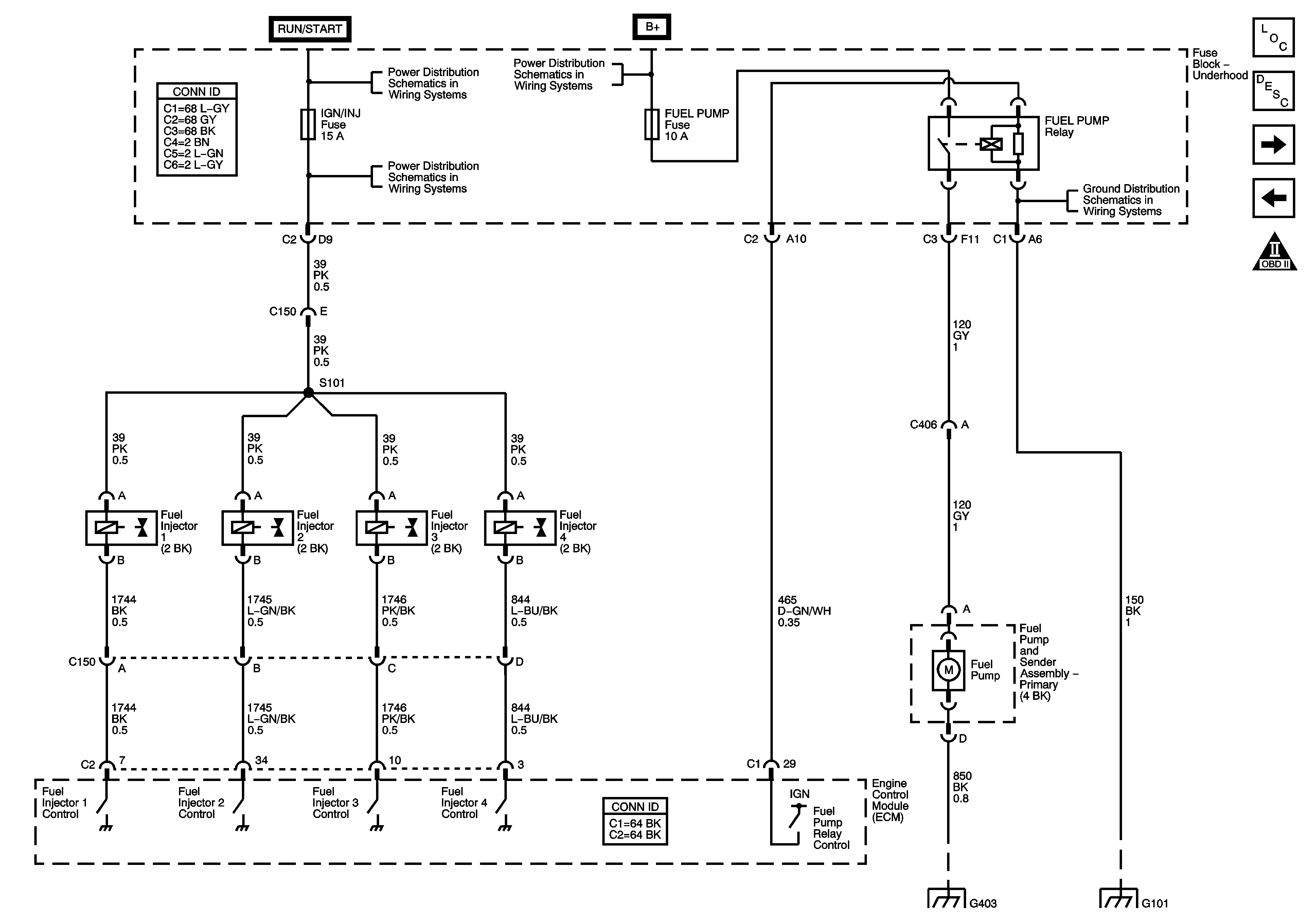
Figure 6:

Fuel Controls


Object Number: 1338871  Size: FS
Master Electrical Component List
Engine Control Module Description
EVAP Controls
Ignition Controls
OBD II Symbol Description Notice
Battery, Starter, Generator, PSCM, and the B+ Circuits to the Underhood Fuse Block
IGN Fuse, Ignition Switch, and the Igntion Switch Position Circuits
L61-ENG MAIN Relay, EMISS Fuse, ETC Fuse, and the IGN/INJ Fuse
G401 and G403
G101
G101
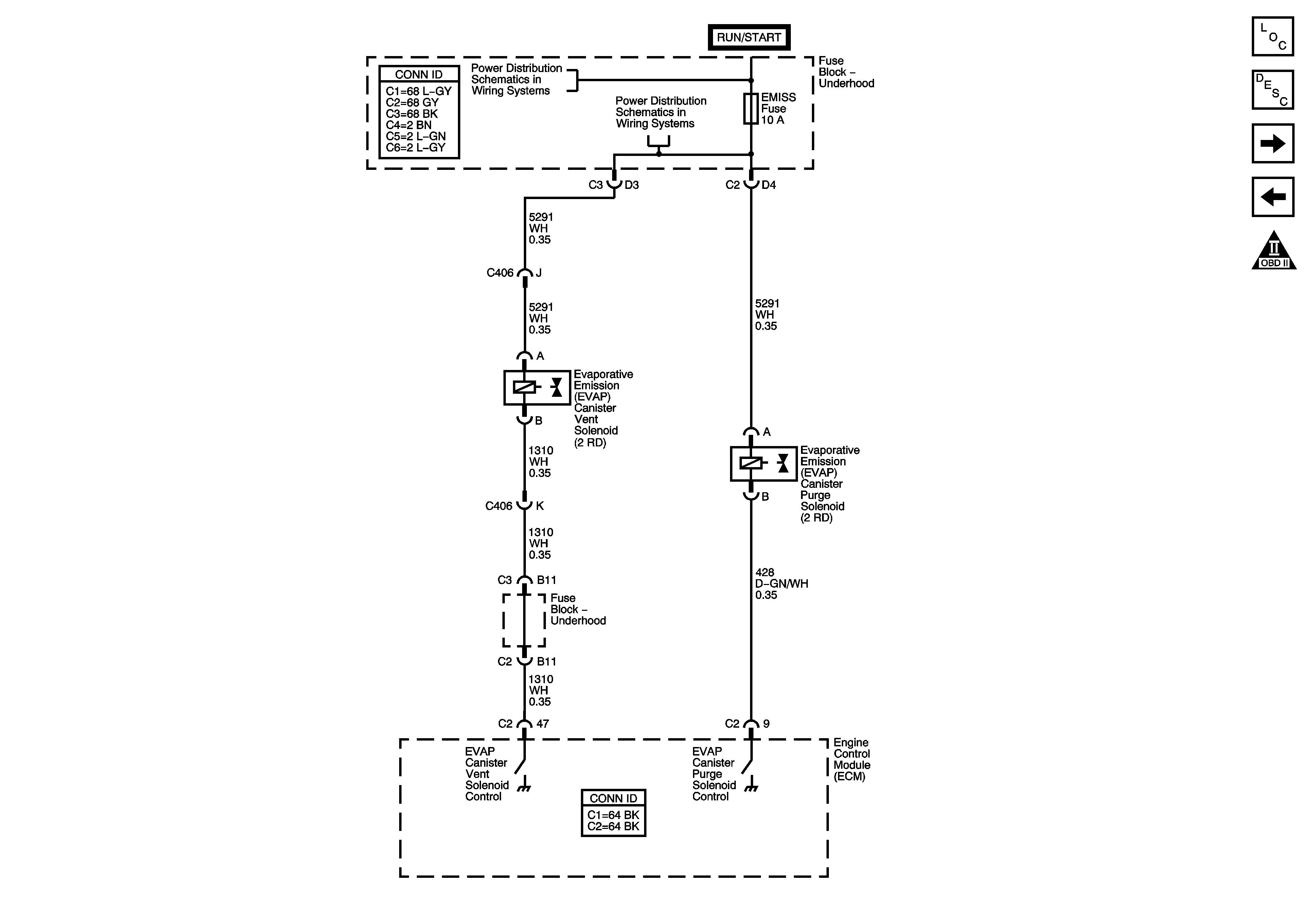
Figure 7:

EVAP Controls


Object Number: 1338873  Size: FS
Master Electrical Component List
Engine Control Module Description
Controlled/Monitored Subsystem References
Fuel Delivery
OBD II Symbol Description Notice
IGN Fuse, Ignition Switch, and the Igntion Switch Position Circuits
L61-ENG MAIN Relay, EMISS Fuse, ETC Fuse, and the IGN/INJ Fuse
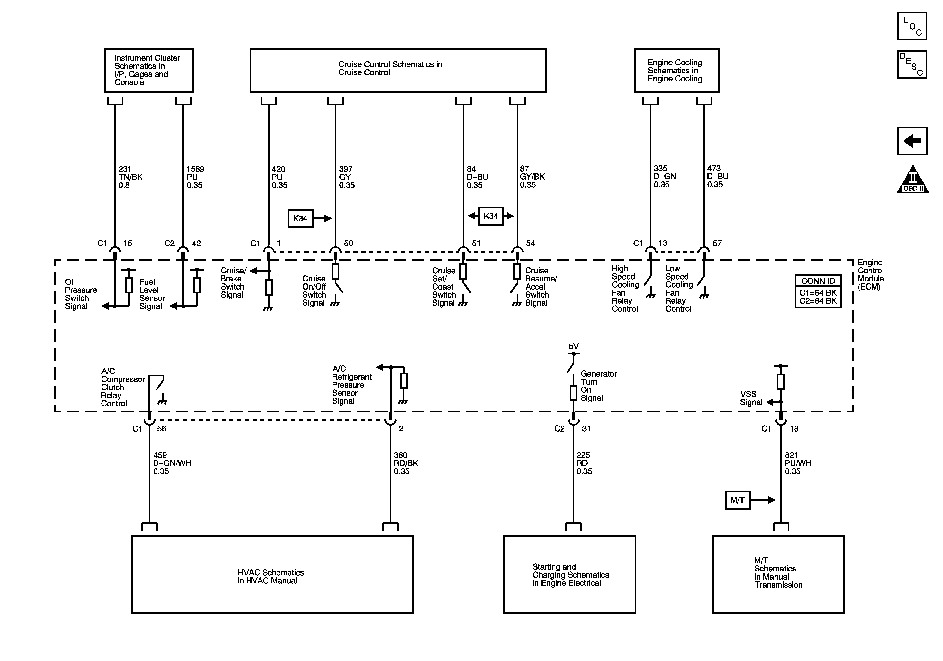
Figure 8:

Controlled/Monitored Subsystem References


Object Number: 1338874  Size: FS
Master Electrical Component List
Engine Control Module Description
EVAP Controls
OBD II Symbol Description Notice
Indicators and MIL
Gages
Cruise Control Schematic
Engine Cooling Schematic (L66)
Compressor and Pressure Sensor Signals
Starting - L61
Manual Transmission Schematic