GM Service Manual Online
For 1990-2009 cars only
Figure 1:

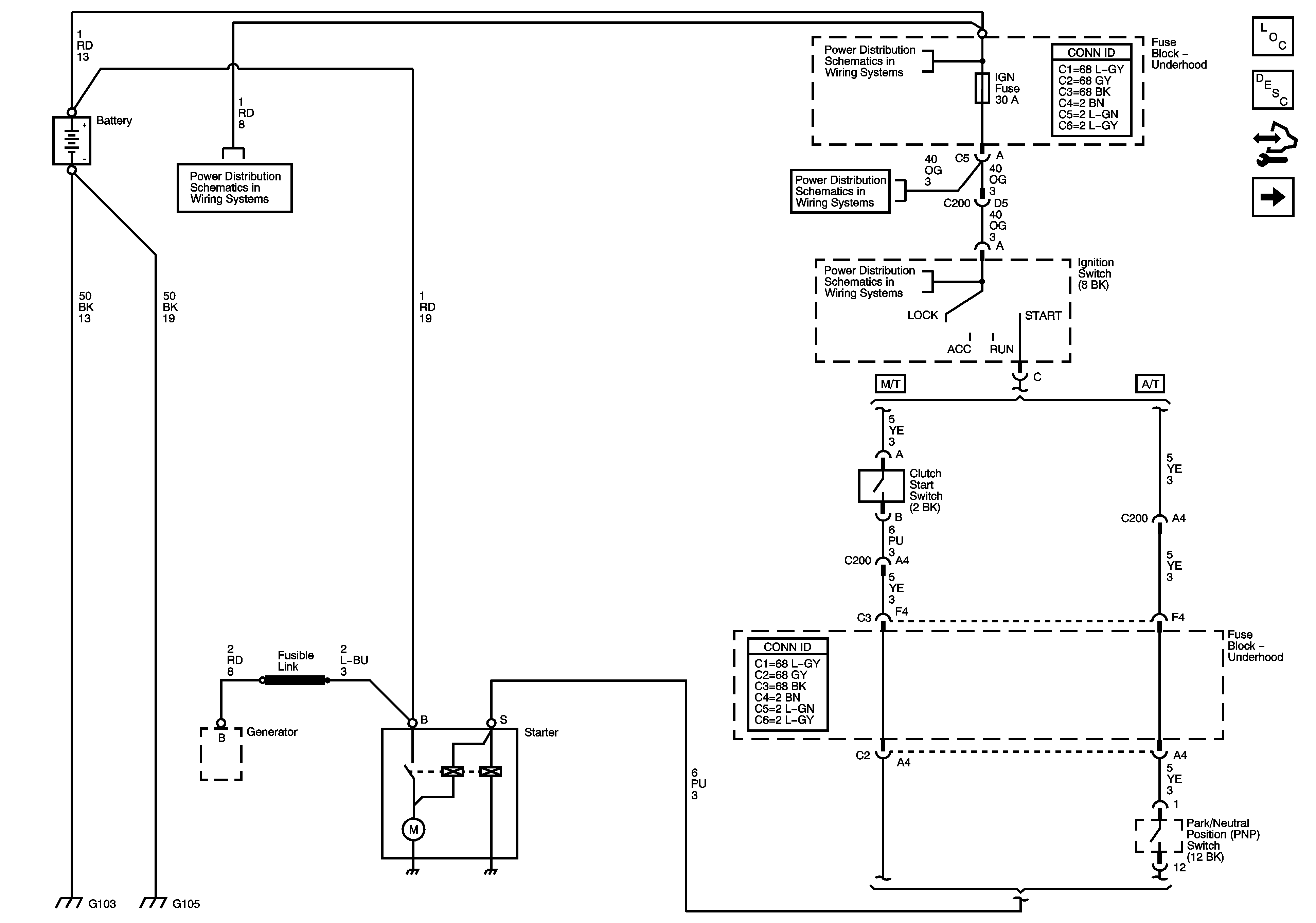
Starting - L61


Object Number: 1583979  Size: FS
Master Electrical Component List
Starting System Description and Operation
Control Module References
Starting - L66
B+ Bussing and the EPS Fuse
IGN Fuse and the Ignition Switch Circuits
IGN Fuse and the Ignition Switch Circuits
B+ Bussing and the EPS Fuse
Figure 2:

Starting - L66


Object Number: 1583981  Size: FS
Master Electrical Component List
Starting System Description and Operation
Control Module References
Charging and Indicators
Starting - L61
B+ Bussing and the EPS Fuse
IGN Fuse and the Ignition Switch Circuits
IGN Fuse and the Ignition Switch Circuits
B+ Bussing and the EPS Fuse
PNP Switch Signals, OSS, ISS, IPC Indicators and PCM Communication
Figure 3:

Charging and Indicators


Object Number: 1583984  Size: FS
Master Electrical Component List
Charging System Description and Operation
Control Module References
Starting - L66
B+ Bussing and the EPS Fuse
L66
DLC Schematic (M/T)