GM Service Manual Online
For 1990-2009 cars only
Makes
🢒
Saturn
🢒
2006
🢒
VUE - FWD
🢒 Fuel Controls - Fuel Pump, Injectors, Rocker Arm Solenoid and Rocker Arm Switch
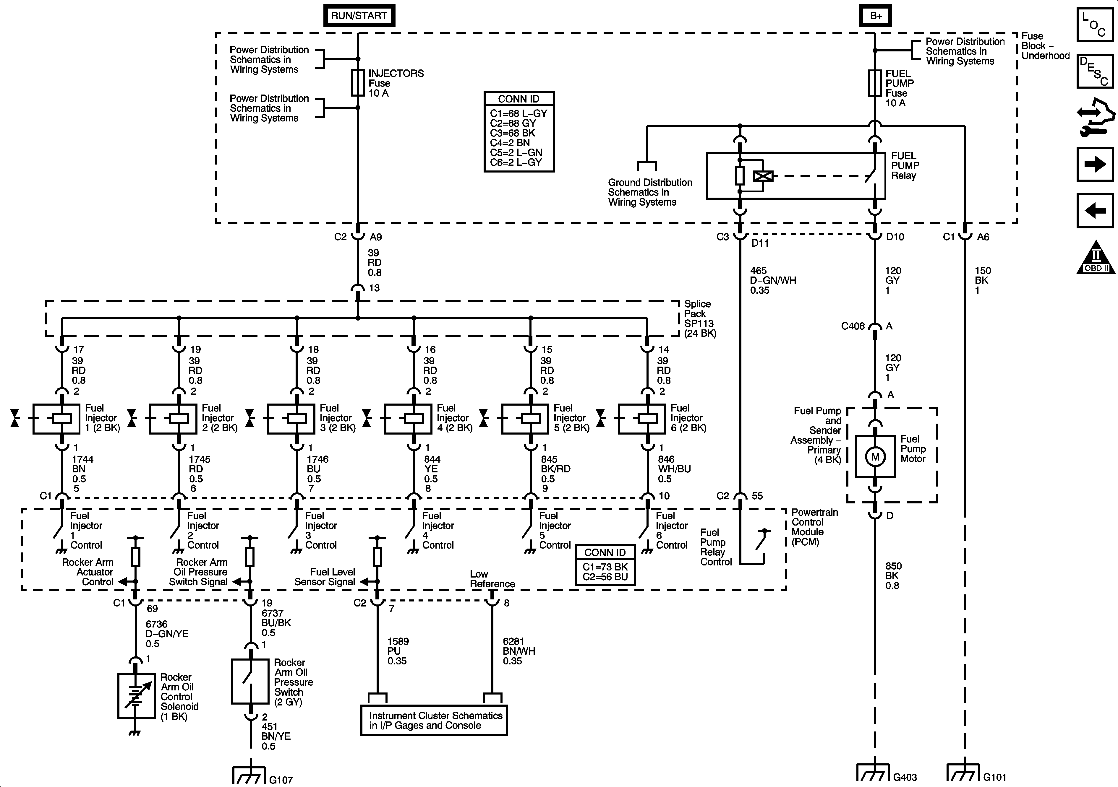
Fuel Controls - Fuel Pump, Injectors, Rocker Arm Solenoid and Rocker Arm Switch
Fuel Controls - Fuel Pump, Injectors, Rocker Arm Solenoid and Rocker Arm Switch
Master Electrical Component List
Fuel System Description
Control Module References
EVAP Controls
Engine Data Sensors - KS, CKP and CMP Sensors
Engine Controls Schematic Icons
IGN Fuse and the Ignition Switch Circuits
BACKUP Fuse, PWR TRAIN Fuse, 10A ABS Fuse and the INJECTORS (L66) Fuse
G107 and G109 - L66
Gages
G101
G401 and G403
G101
B+ Bussing and the EPS Fuse