GM Service Manual Online
For 1990-2009 cars only
Makes
🢒
Saturn
🢒
2006
🢒
VUE - FWD
🢒 EVAP Controls
EVAP Controls
Fuel Controls - EVAP Controls
Master Electrical Component List
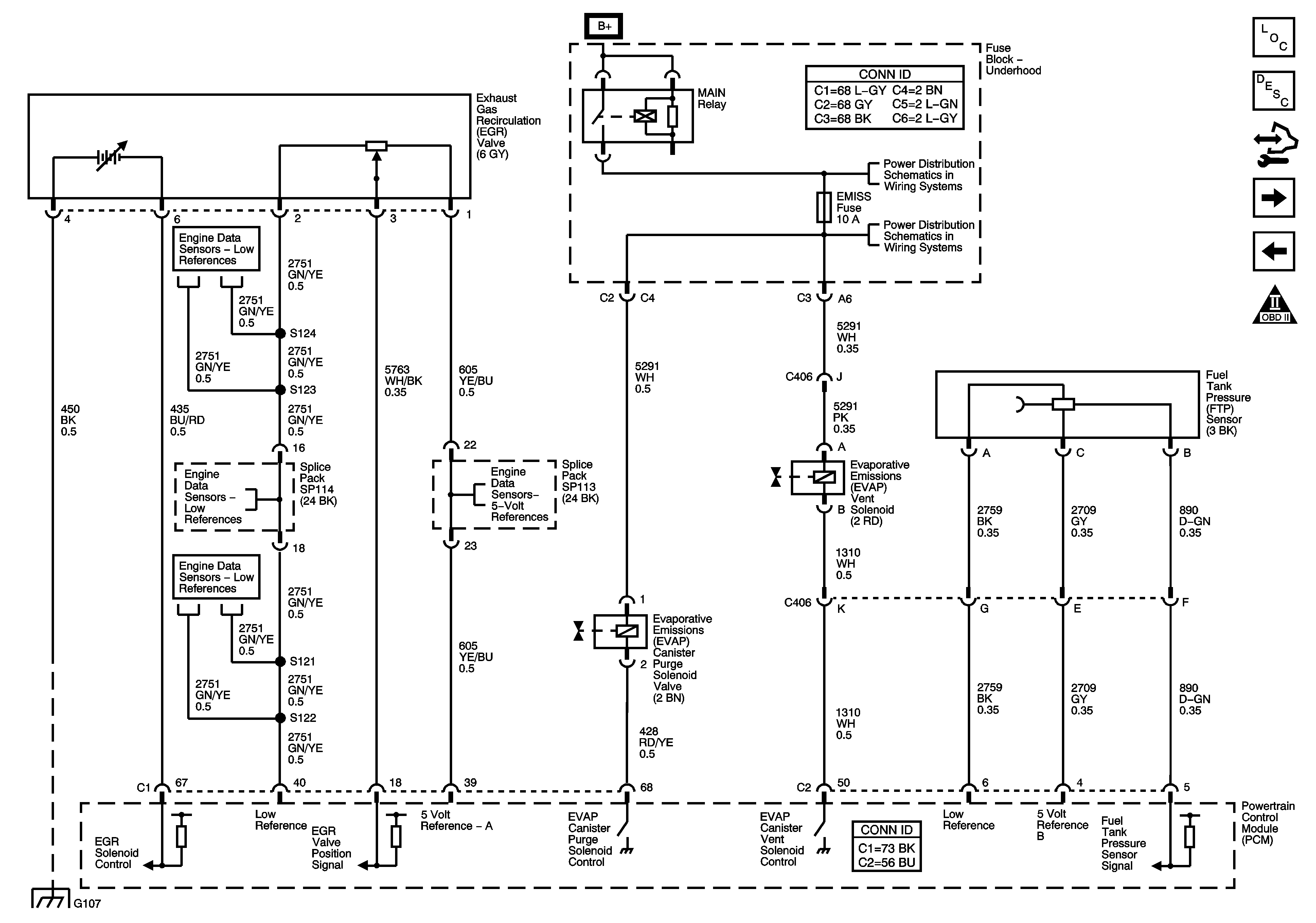
Evaporative Emission Control System Description
Control Module References
Controlled/Monitored Subsystem References
Fuel Controls - Fuel Pump, Injectors, Rocker Arm Solenoid and Rocker Arm Switch
Engine Controls Schematic Icons
Low References
Low References
Low References
G107 and G109 - L66
B+ Bussing and the EPS Fuse
EMISS Fuse and the ETC Fuse - L66
5-Volt References