GM Service Manual Online
For 1990-2009 cars only
Figure 1:

Module Power, Ground, Serial Data, and MIL


Object Number: 1796387  Size: FS
Master Electrical Component List
Powertrain Control Module Description
Control Module References
5-Volt Reference
B+ Bus and EPS Fuse
ECM/CAM Fuse L66
ECM/CAM Fuse L66
IGN Fuse and Ignition Switch Circuits
BACKUP, PWR TRAIN, 10A ABS, and INJECTOR Fuses (Except HP7)
IGN Fuse and Ignition Switch Circuits
IGN 1, BCM (IGN), AIR BAG, EPS, and CRUISE Fuses
ECM/CAM Fuse L66
IGN 1, BCM (IGN), AIR BAG, EPS, and CRUISE Fuses
Indicators, Serial Data
G107 and G109 (L66)
G107 and G109 (L66)
G107 and G109 (L66)
L66 with 5AT
L61 with MG3
Figure 2:

5-Volt Reference


Object Number: 1796395  Size: FS
Master Electrical Component List
Powertrain Control Module Description
Control Module References
Low References
Module Power, Ground, Serial Data, and MIL
Figure 3:

Low References


Object Number: 1796400  Size: FS
Master Electrical Component List
Powertrain Control Module Description
Control Module References
Engine Data Sensors - Pressure, Temperature, and Stop Lamp Switch Signal
5-Volt Reference
Figure 4:

Engine Data Sensors - Pressure, Temperature, and Stop Lamp Switch Signal


Object Number: 1796417  Size: FS
Master Electrical Component List
Air Intake System Description
Control Module References
Bank 1 Oxygen Sensors
Low References
B+ Bus and EPS Fuse
Low References
PNP Switch, OSS, ISS, Indicators, and PCM Communication
Low References
5-Volt Reference
Figure 5:

Bank 1 Oxygen Sensors


Object Number: 1796427  Size: FS
Master Electrical Component List
Fuel System Description
Control Module References
Bank 2 Oxygen Sensors
Engine Data Sensors - Pressure, Temperature, and Stop Lamp Switch Signal
Module Power, Ground, Serial Data, and MIL
Module Power, Ground, Serial Data, and MIL
EMISS and ETC Fuses L66
Low References
Low References
G107 and G109 (L66)
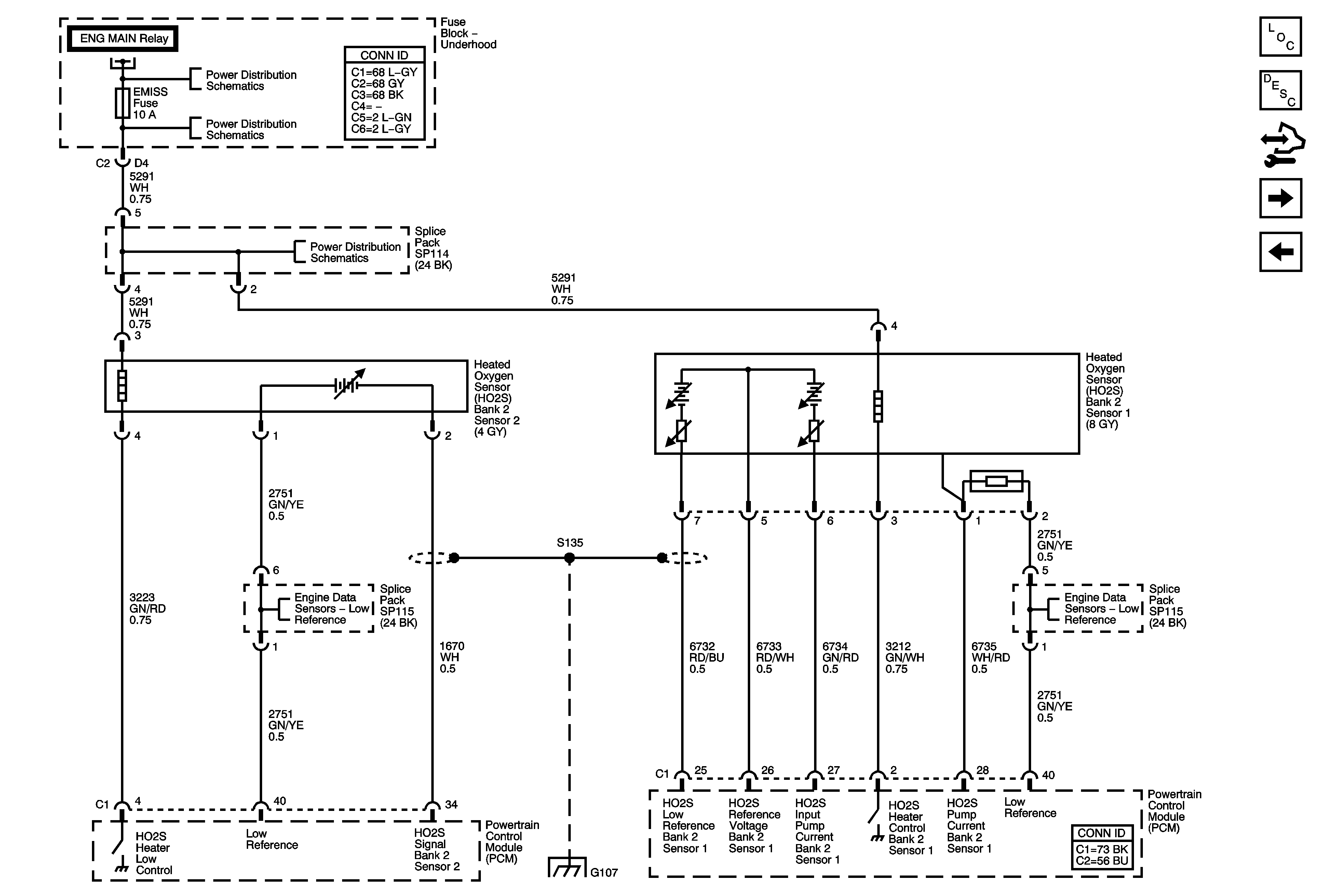
Figure 6:

Bank 2 Oxygen Sensors


Object Number: 1796430  Size: FS
Master Electrical Component List
Fuel System Description
Control Module References
Throttle Actuator Controls
Bank 1 Oxygen Sensors
EMISS and ETC Fuses L66
EMISS and ETC Fuses L66
EMISS and ETC Fuses L66
Low References
Low References
G107 and G109 (L66)
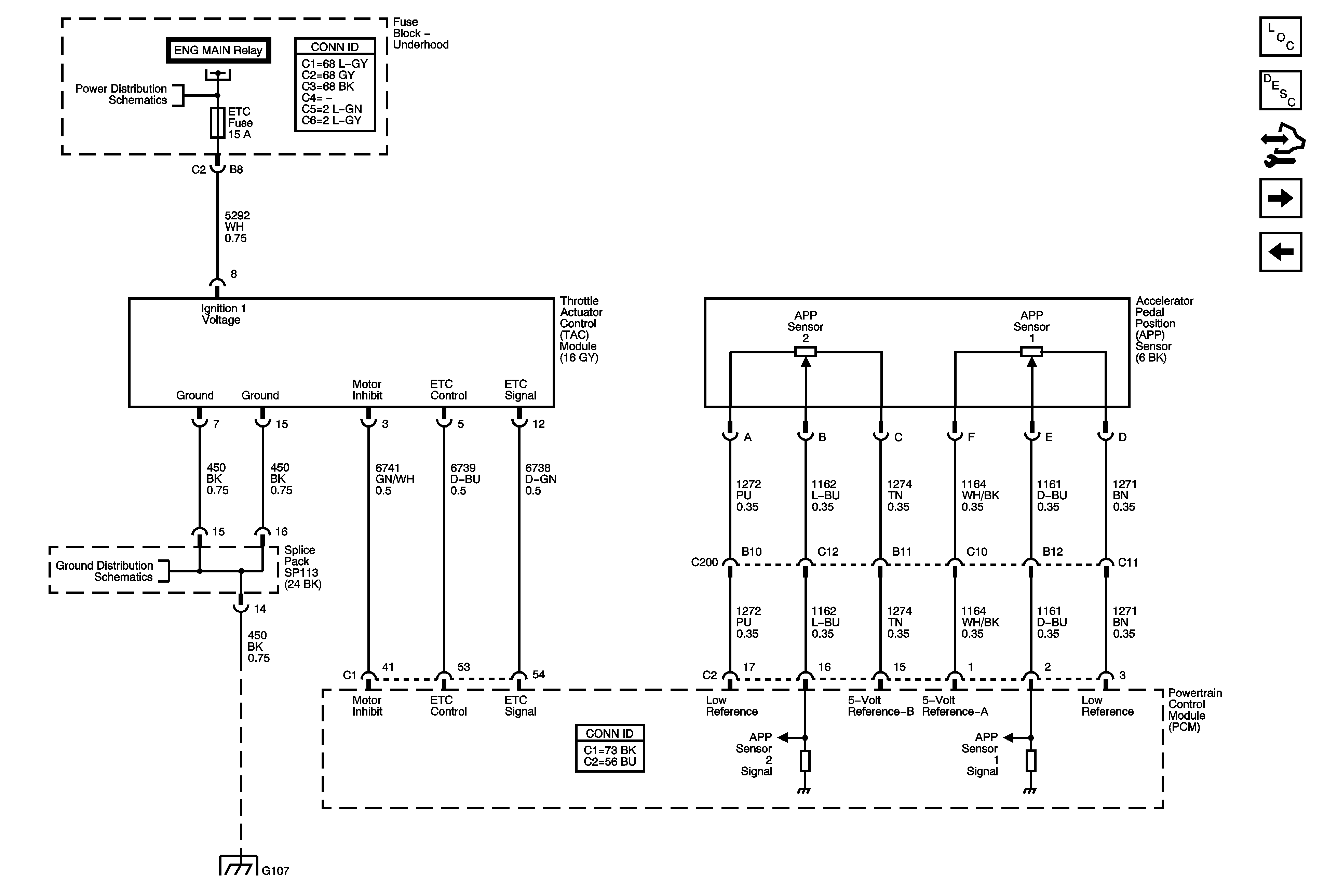
Figure 7:

Throttle Actuator Controls


Object Number: 1796441  Size: FS
Master Electrical Component List
Throttle Actuator Control (TAC) System Description
Control Module References
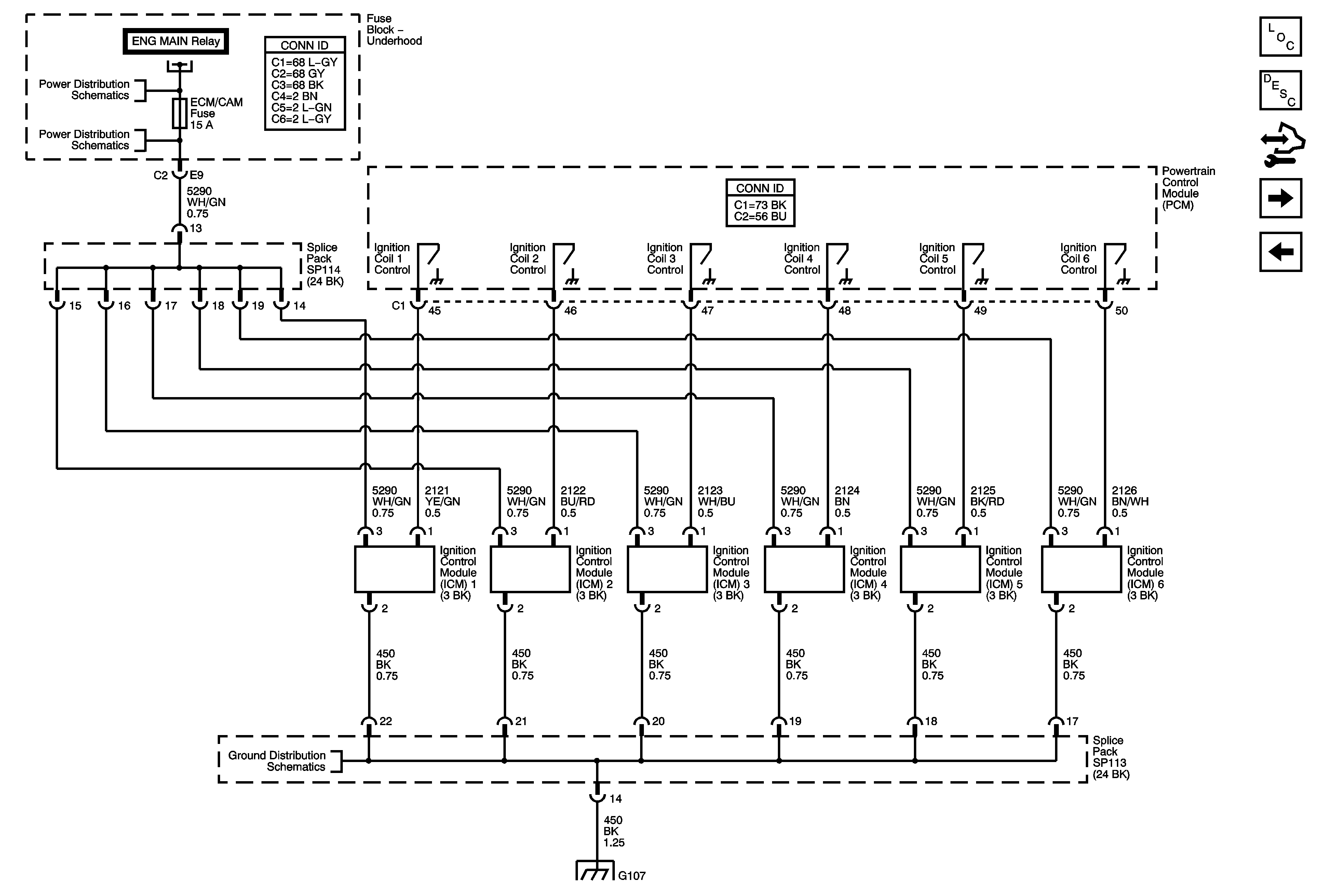
Ignition Control Modules
Bank 2 Oxygen Sensors
EMISS and ETC Fuses L66
G107 and G109 (L66)
G107 and G109 (L66)
Figure 8:

Ignition Control Modules


Object Number: 1796453  Size: FS
Master Electrical Component List
Electronic Ignition (EI) System Description
Control Module References
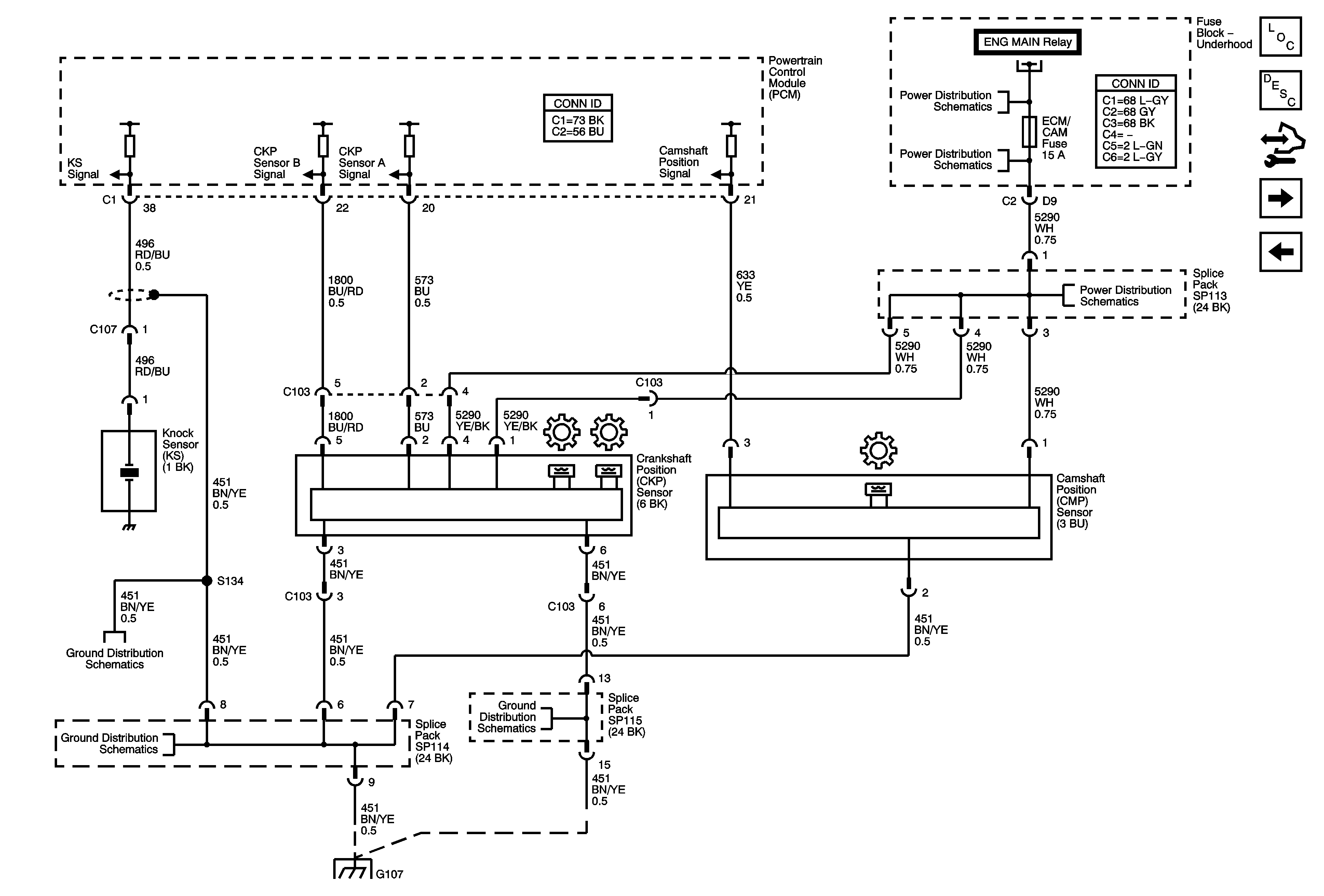
Knock, Crankshaft, and Camshaft Sensors
Throttle Actuator Controls
ECM/CAM Fuse L66
ECM/CAM Fuse L66
G107 and G109 (L66)
G107 and G109 (L66)
Figure 9:

Knock, Crankshaft, and Camshaft Sensors


Object Number: 1796455  Size: FS
Master Electrical Component List
Electronic Ignition (EI) System Description
Control Module References
Fuel Injectors, Fuel Pump, Rocker Arm Oil Switch and Solenoid
Ignition Control Modules
ECM/CAM Fuse L66
ECM/CAM Fuse L66
G107 and G109 (L66)
G107 and G109 (L66)
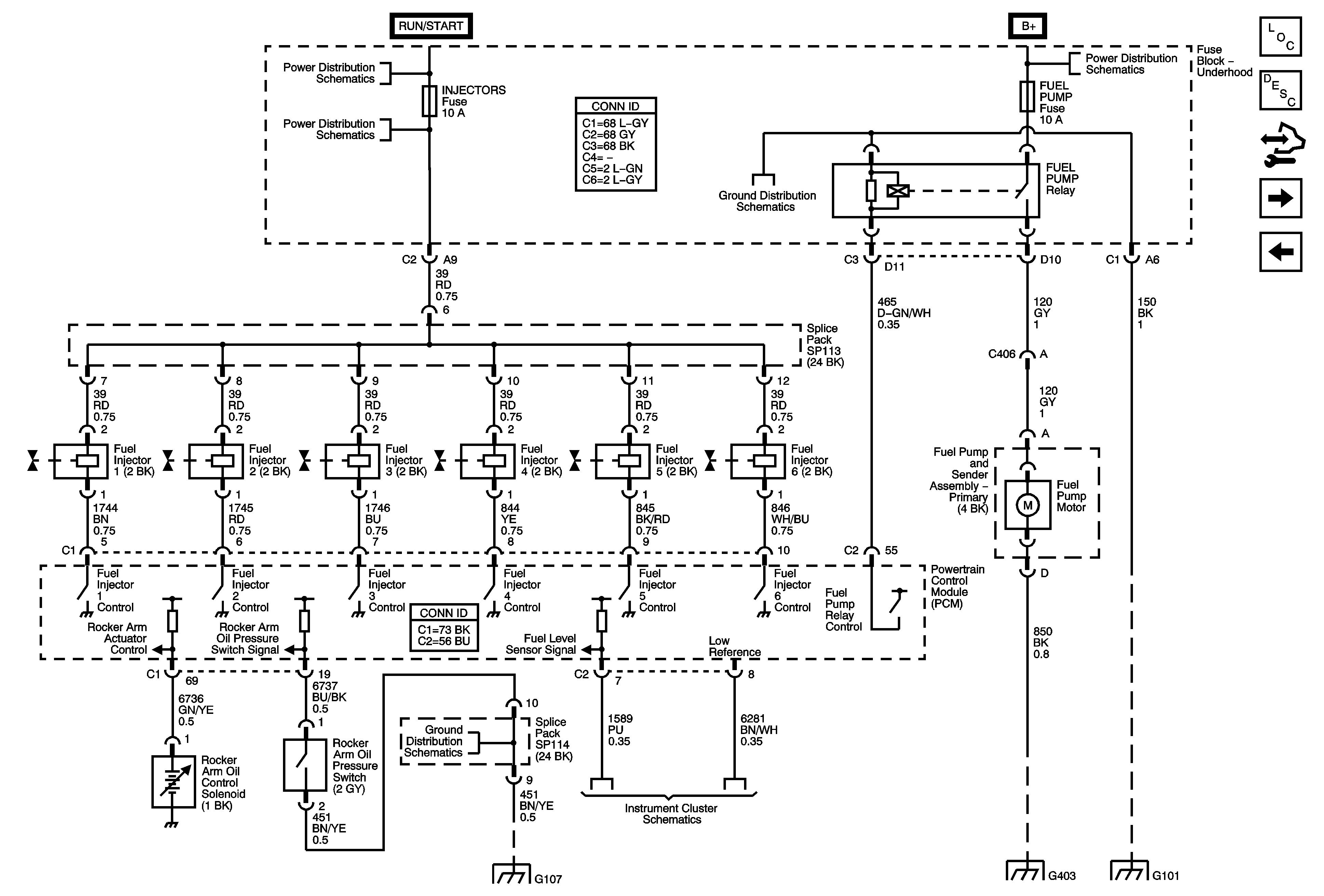
Figure 10:

Fuel Injectors, Fuel Pump, Rocker Arm Oil Switch, and Solenoid


Object Number: 1796456  Size: FS
Master Electrical Component List
Fuel System Description
Control Module References
EVAP Controls
Knock, Crankshaft, and Camshaft Sensors
IGN Fuse and Ignition Switch Circuits
BACKUP, PWR TRAIN, 10A ABS, and INJECTOR Fuses (Except HP7)
G101
B+ Bus and EPS Fuse
G107 and G109 (L66)
G107 and G109 (L66)
G401 and G403
G101
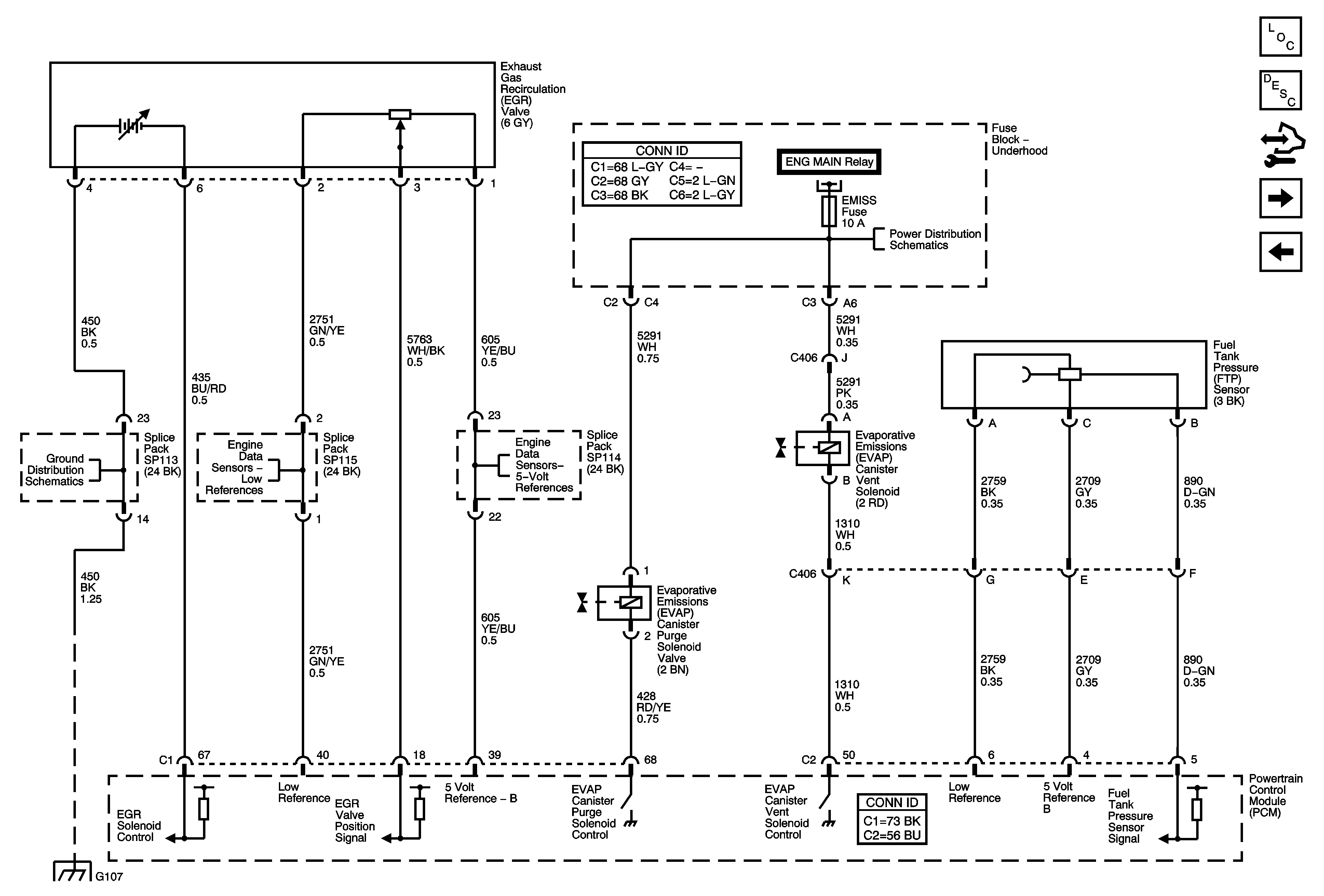
Figure 11:

EVAP Controls


Object Number: 1796460  Size: FS
Master Electrical Component List
Evaporative Emission Control System Description
Control Module References
Controlled/Monitored Subsystem References
Fuel Injectors, Fuel Pump, Rocker Arm Oil Switch and Solenoid
EMISS and ETC Fuses L66
EMISS and ETC Fuses L66
G107 and G109 (L66)
Low References
5-Volt Reference
G107 and G109 (L66)
Figure 12:

Controlled/Monitored Subsystem References


Object Number: 1796464  Size: FS
Master Electrical Component List
Powertrain Control Module Description
Control Module References
Transmission Controls Reference
EVAP Controls
Compressor and Pressure Sensor Signals
Charging
Indicators, Serial Data
L66
Cruise Control Schematics
Figure 13:

Transmission Controls Reference


Object Number: 1796466  Size: FS
Master Electrical Component List
Powertrain Control Module Description
Control Module References
Controlled/Monitored Subsystem References
Solenoid and Switch Controls
PNP Switch, OSS, ISS, Indicators, and PCM Communication