GM Service Manual Online
For 1990-2009 cars only
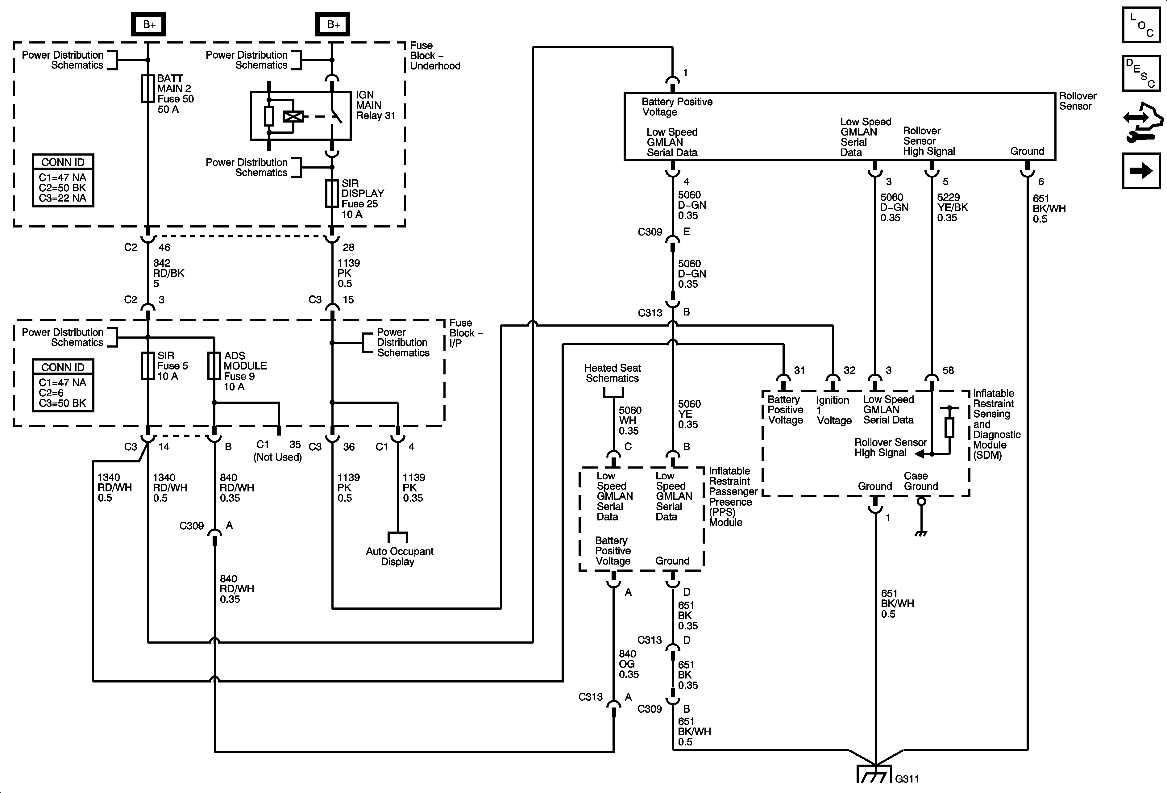
Figure 1:

Power, Ground, Roll Over Sensor, and PPS


Object Number: 1861240  Size: FS
Master Electrical Component List
SIR System Description and Operation
Control Module References
Modules and Sensors Schematics
B+ BUS 1 of 2
B+ BUS 1 of 2
BATT MAIN 1, CAN VENT, CLSTR, HVAC BLOWER, INFO, INT LTS, ONSTAR, REAR DEFOG, AND RVC Fuses
AOS MODULE, BATT MAIN 2, HTD/SEATS, L/GATE, LT TRN/SIG, PWR MIRS, RT TRN/SIG and SIR Fuses and POWER SEATS Circuit Breaker
RUN/CRANK BUS - MAF, PCM, IGN, SIR DISPLAY, and TRANS Fuses
G311
Figure 2:

Modules and Sensors


Object Number: 1861242  Size: FS
Master Electrical Component List
SIR System Description and Operation
Control Module References
Pretensioners and Front End Sensors Schematics
Power, Ground, Rollover Sensor, and PPS Schematics
SIR Schematic Icons
Low Speed GMLAN
Seat Belt
G203 and G205
SIR Schematic Icons
SIR Schematic Icons
SIR Schematic Icons
SIR Schematic Icons
SIR Schematic Icons
Figure 3:

Pretensioners and Front End Sensor


Object Number: 1861243  Size: FS
Master Electrical Component List
SIR System Description and Operation
Control Module References
Modules and Sensors Schematics
SIR Schematic Icons