GM Service Manual Online
For 1990-2009 cars only
Makes
🢒
Buick
🢒
2001
🢒
LeSabre
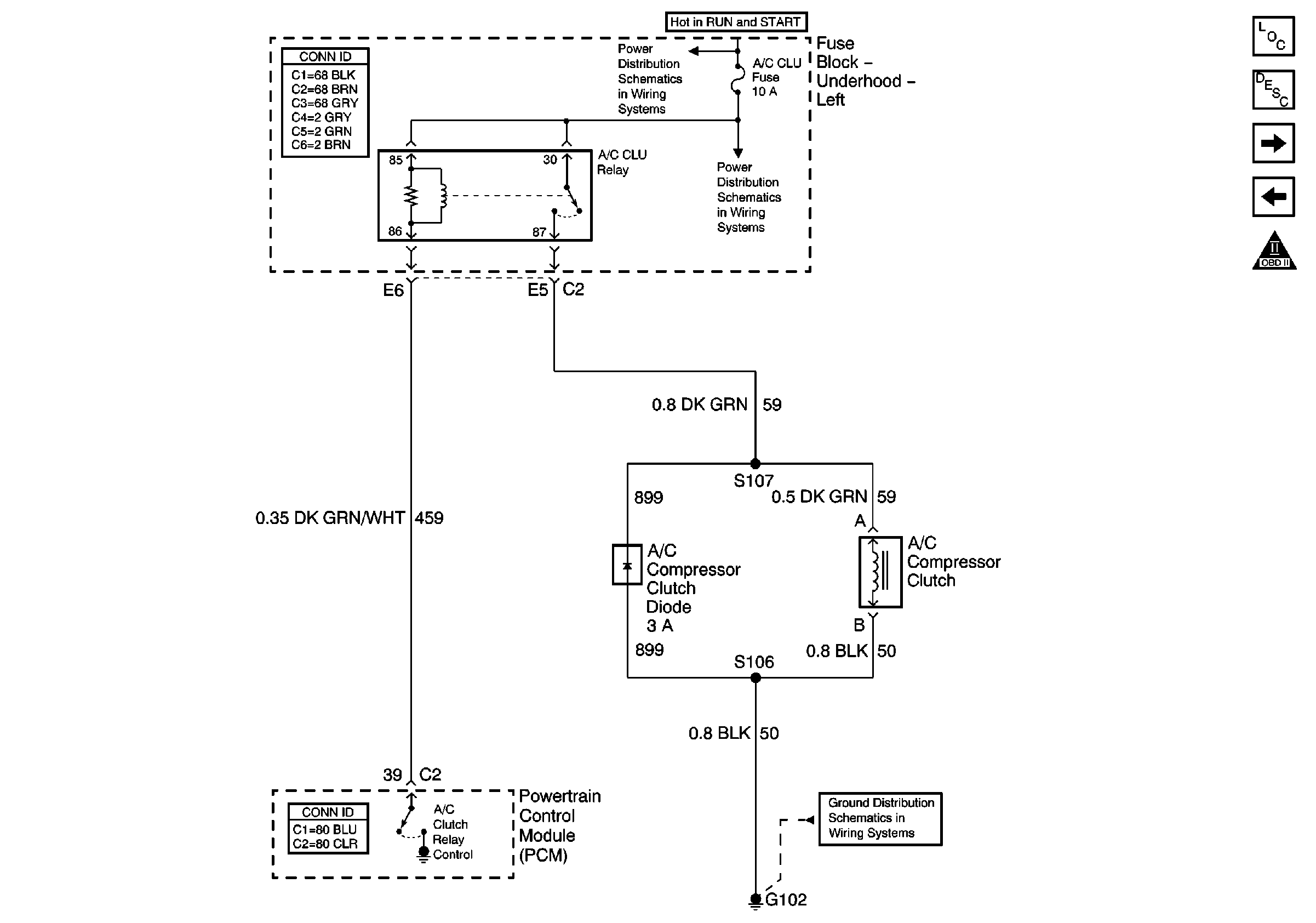
🢒 A/C Clutch Control
A/C Clutch Control
A/C Clutch Control
Master Electrical Component List
Powertrain Control Module Description
Engine Cooling Fan Motor Controls
Automatic Transaxle Internal Mode Switch and VSS
OBD II Symbol Description Notice
Underhood Fuse Block, RUN/CRK Fuse and IGN Relay
Underhood Fuse Block- T/SIG, A/C CLU Fuses and A/C CLU Relay
G100, G101, G102 and G103