GM Service Manual Online
For 1990-2009 cars only
Makes
🢒
Buick
🢒
2006
🢒
Lucerne
🢒
Vehicle Control Systems
🢒
Vehicle DTC Information
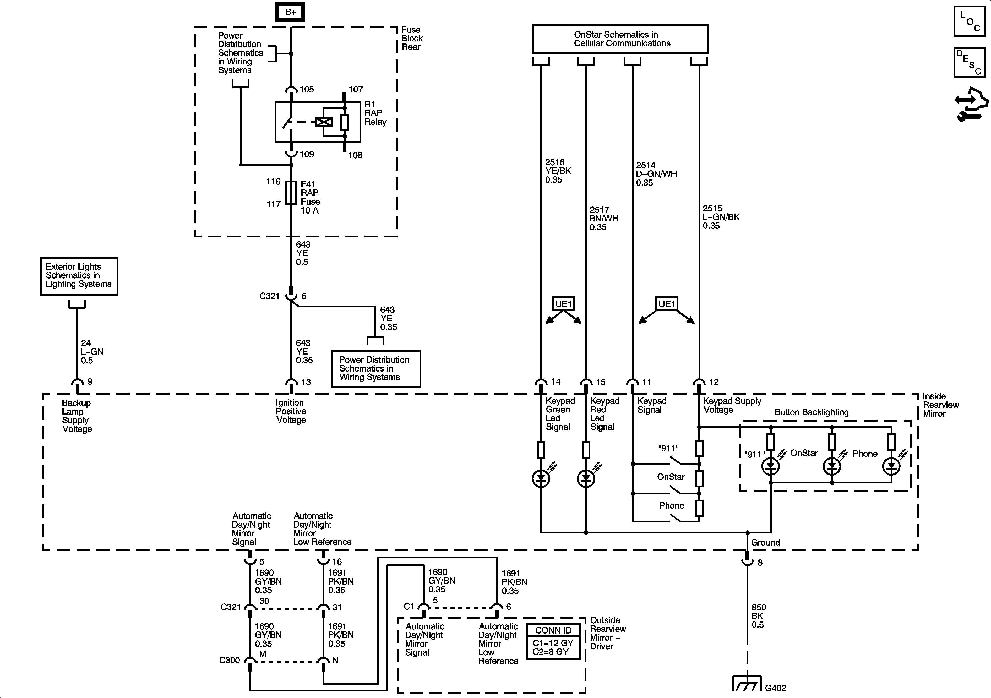
🢒 Inside Rearview Mirror Schematics
Master Electrical Component List
Automatic Day-Night Mirror Description and Operation
Control Module References
Rear Fuse Block B+
Rear Fuse Block B+
UE1
Center High Mounted Stop Lamp, Auxiliary Tail Lamps
Power, Ground, and Low Speed GMLAN
AIR BAG, OBJ SNSR, ONSTAR/S-BAND, BODY HARN MDL Fuses
RAP Relay, CTSY/RF TRN, S/ROOF, SHFTR SOL, RAP Fuses
G402