GM Service Manual Online
For 1990-2009 cars only
Figure 1:

Power and Ground


Object Number: 1680172  Size: FS
Master Electrical Component List
ABS Description and Operation
Control Module References
Wheel Speed Sensors
Underhood Fuse Block B+
Serial Data Wake Up
High Speed Serial Data
G101, G110, G111, G114, G115, G302, G303, G306, G307
Figure 2:

Wheel Speed Sensors


Object Number: 1680174  Size: FS
Master Electrical Component List
ABS Description and Operation
Control Module References
Yaw and Lateral Acceleration, Steering Angle Sensor
ABS Power and Ground
Antilock Brake System Schematic Icons
Antilock Brake System Schematic Icons
Antilock Brake System Schematic Icons
Antilock Brake System Schematic Icons
Antilock Brake System Schematic Icons
Antilock Brake System Schematic Icons
Antilock Brake System Schematic Icons
Antilock Brake System Schematic Icons
Antilock Brake System Schematic Icons
Antilock Brake System Schematic Icons
Figure 3:

Yaw and Lateral Acceleration, Steering Angle Sensor


Object Number: 1680177  Size: FS
Master Electrical Component List
ABS Description and Operation
Control Module References
Brake Pedal Position, Traction Control Switch, Data Link Communications
Wheel Speed Sensors
Steering Controls Schematic
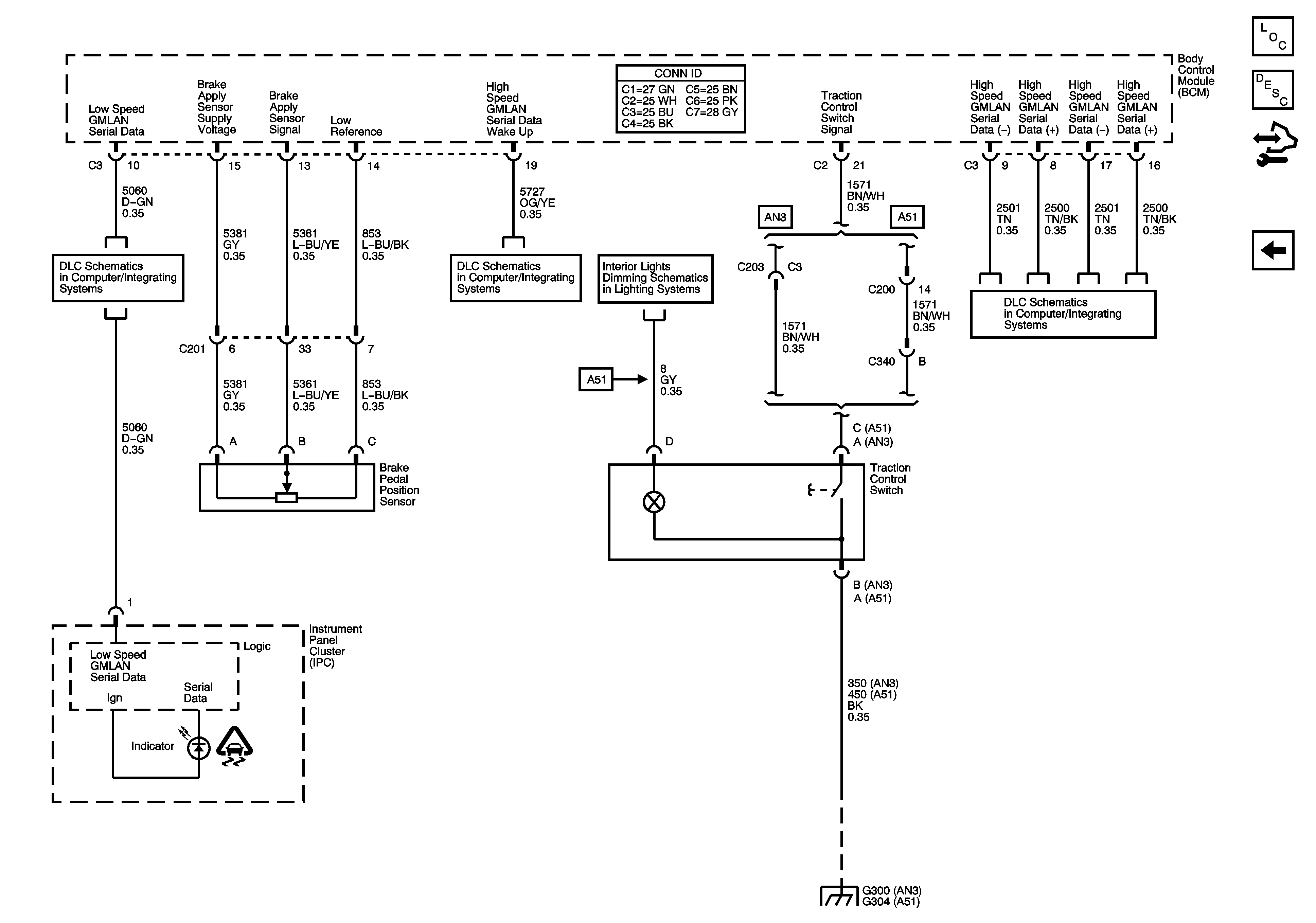
Figure 4:

Brake Pedal Position, Traction Control Switch, Data Link Communications


Object Number: 1680181  Size: FS
Master Electrical Component List
ABS Description and Operation
Control Module References
Yaw and Lateral Acceleration, Steering Angle Sensor
Power, Ground, and Low Speed GMLAN
Serial Data Wake Up
Traction Control, Sunroof Switches, Reverse Lockout Solenoid, Garage Door Opener
High Speed Serial Data
G300