GM Service Manual Online
For 1990-2009 cars only
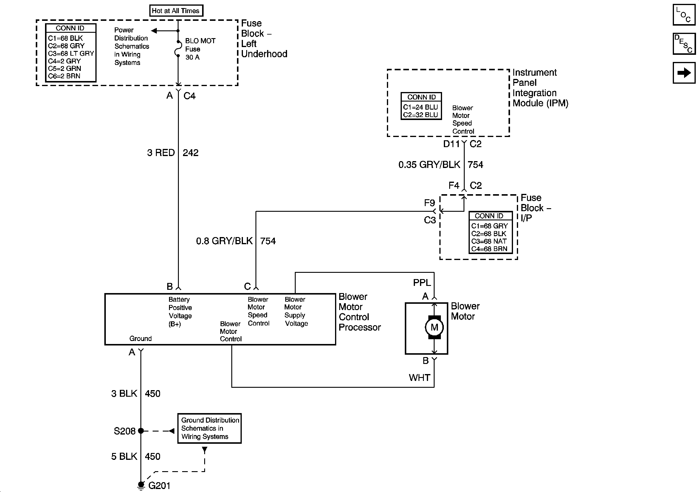
Figure 1:

Blower Control


Object Number: 659885  Size: FS
Master Electrical Component List
Air Delivery Description and Operation
Power and Ground
G201 (1 of 2)
Figure 2:

Power and Ground


Object Number: 659888  Size: FS
Master Electrical Component List
Air Delivery Description and Operation
Compressor Control
Blower Control
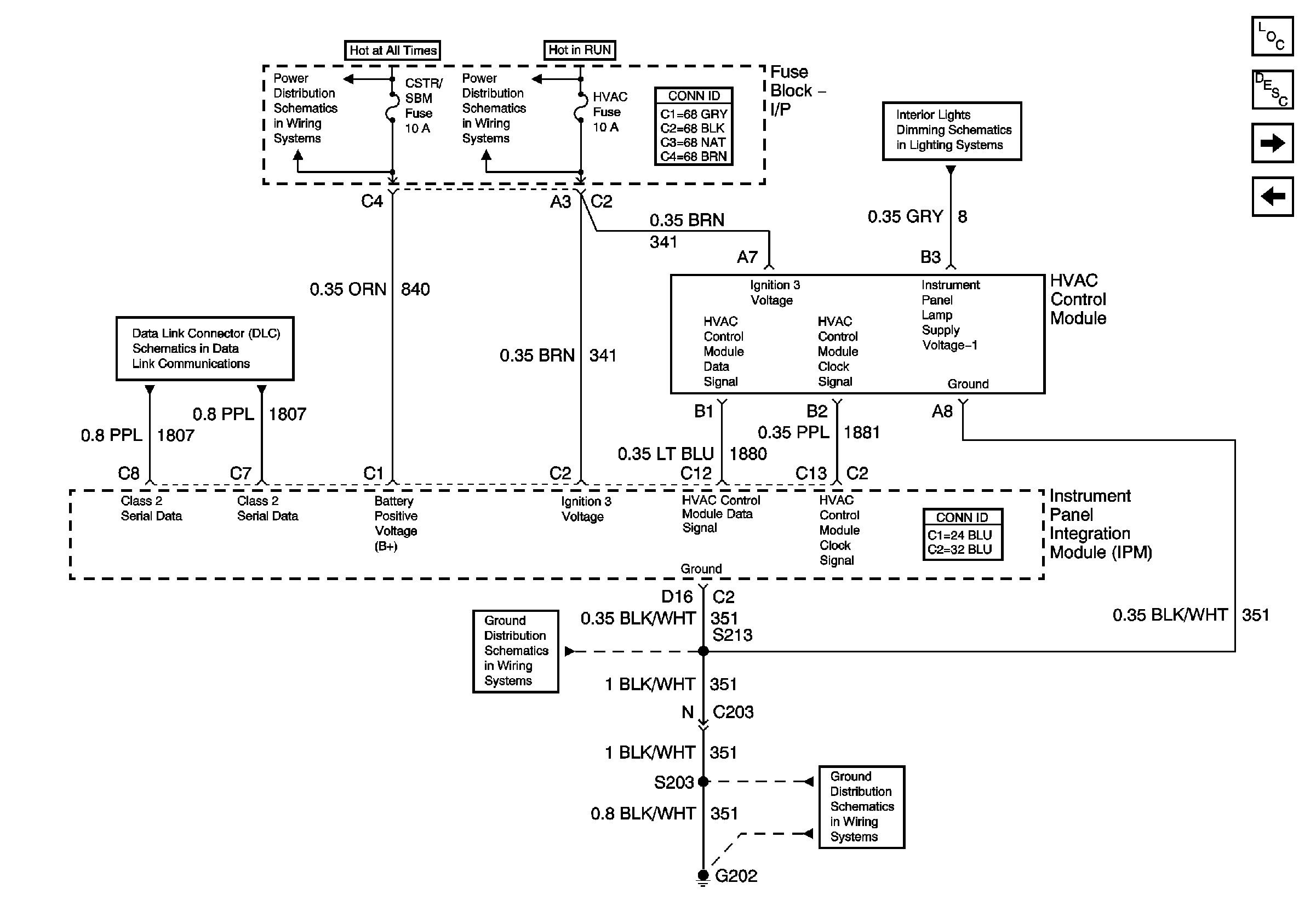
Underhood Fuse Block- BAT 1/ Rear Fuse Block- RDM, C/LTR, DDM, HTDSTL, TRK REL Fuses and Trunk Lid Release Relay/ IP Fuse Block- PDM, SBM, CSTR/SBM Fuses
IP Fuse Block- HVAC and A/C Fuse
IP and Front Door Backlighting
Class 2 Serial Data Line
G202 (2 of 4)
G202 (1 of 4)
Figure 3:

Compressor Control


Object Number: 659893  Size: FS
Master Electrical Component List
Air Delivery Description and Operation
Actuators
Power and Ground
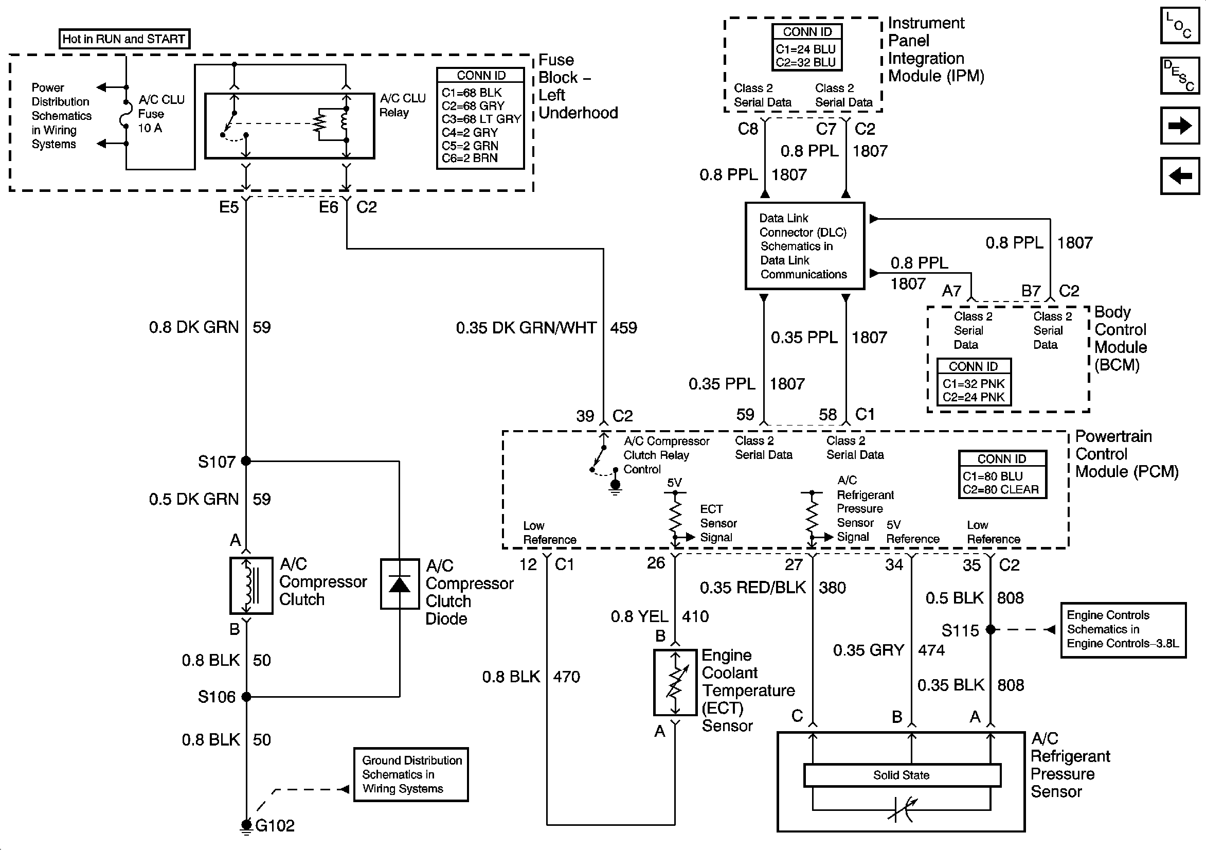
Underhood Fuse Block- T/SIG, A/C CLU Fuses and A/C CLU Relay
Class 2 Serial Data Line
Sensors
G100, G101, G102 and G103
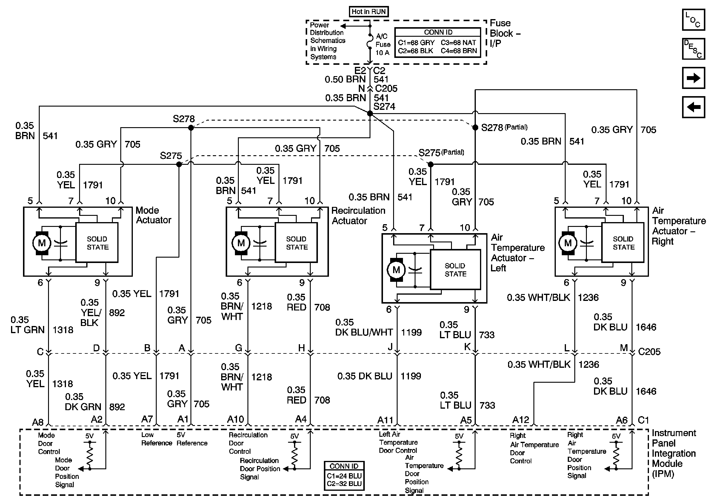
Figure 4:

Actuators


Object Number: 659894  Size: FS
Master Electrical Component List
Air Delivery Description and Operation
Sensors
Compressor Control
Underhood Fuse Block- IGN Fuse/ IP Fuse Block- RUN Fuse, IGN 3 and ACCY Relay
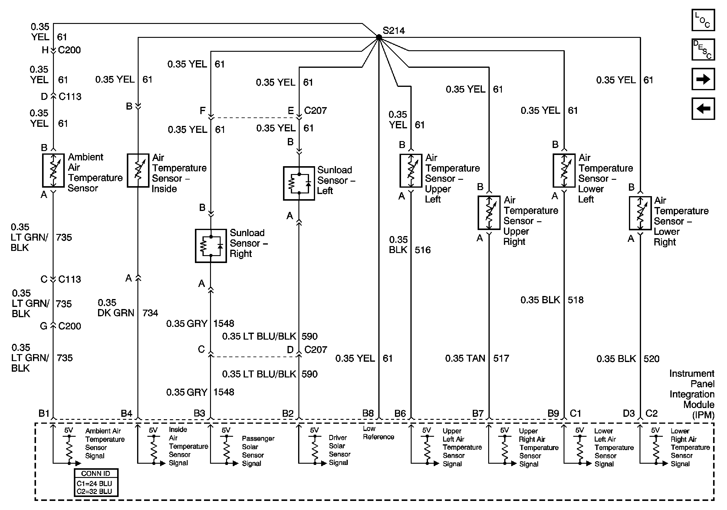
Figure 5:

Sensors


Object Number: 659897  Size: FS
Master Electrical Component List
Air Temperature Description and Operation
Temperature Controls
Actuators
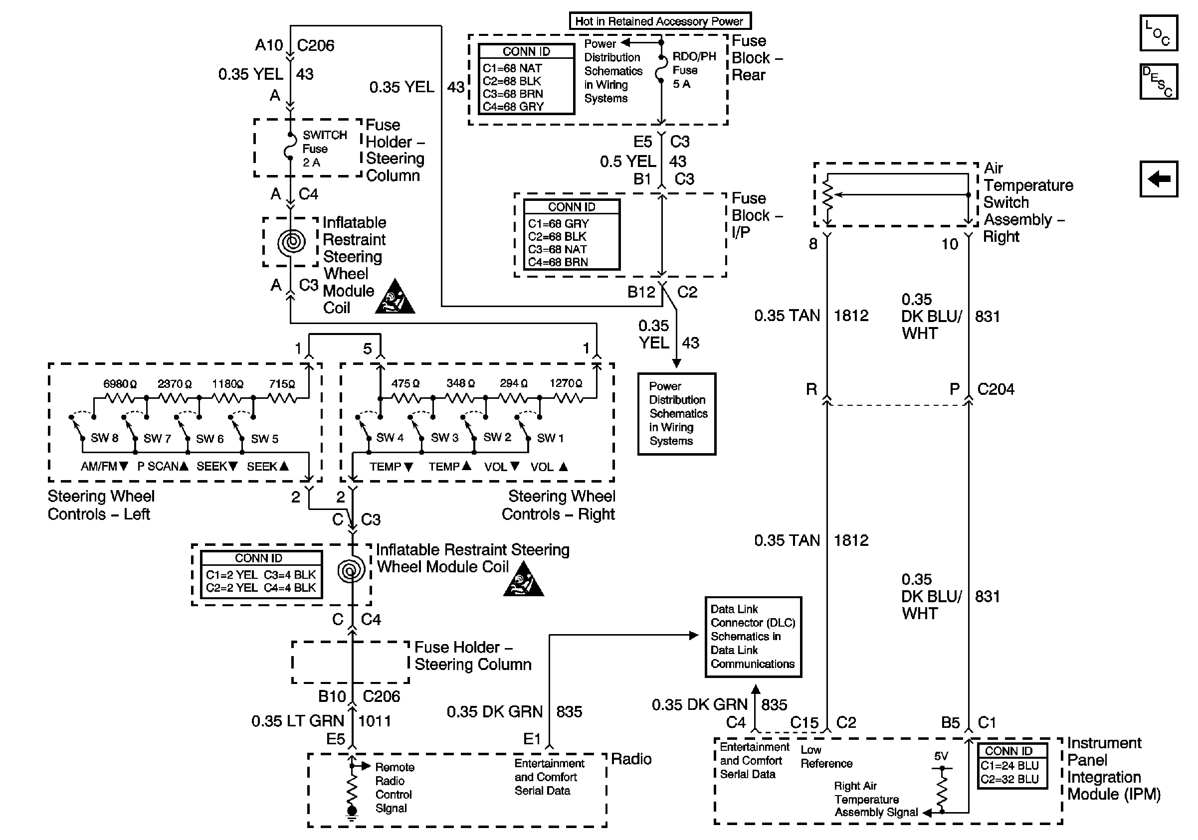
Figure 6:

Steering Wheel Controls


Object Number: 659901  Size: FS
Master Electrical Component List
Air Temperature Description and Operation
Temperature Controls
Underhood Maxi-Fuse Block- PWR WDO Circuit Breaker/Rear Fuse Block-RDO/PH, SUNRF Fuses and RAP Relay
Underhood Maxi-Fuse Block- PWR WDO Circuit Breaker/Rear Fuse Block-RDO/PH, SUNRF Fuses and RAP Relay
Power, Ground and Serial Data Lines
VIU Output Signals
SIR Caution
SIR Caution