GM Service Manual Online
For 1990-2009 cars only
Makes
🢒
Buick
🢒
2005
🢒
Park Avenue
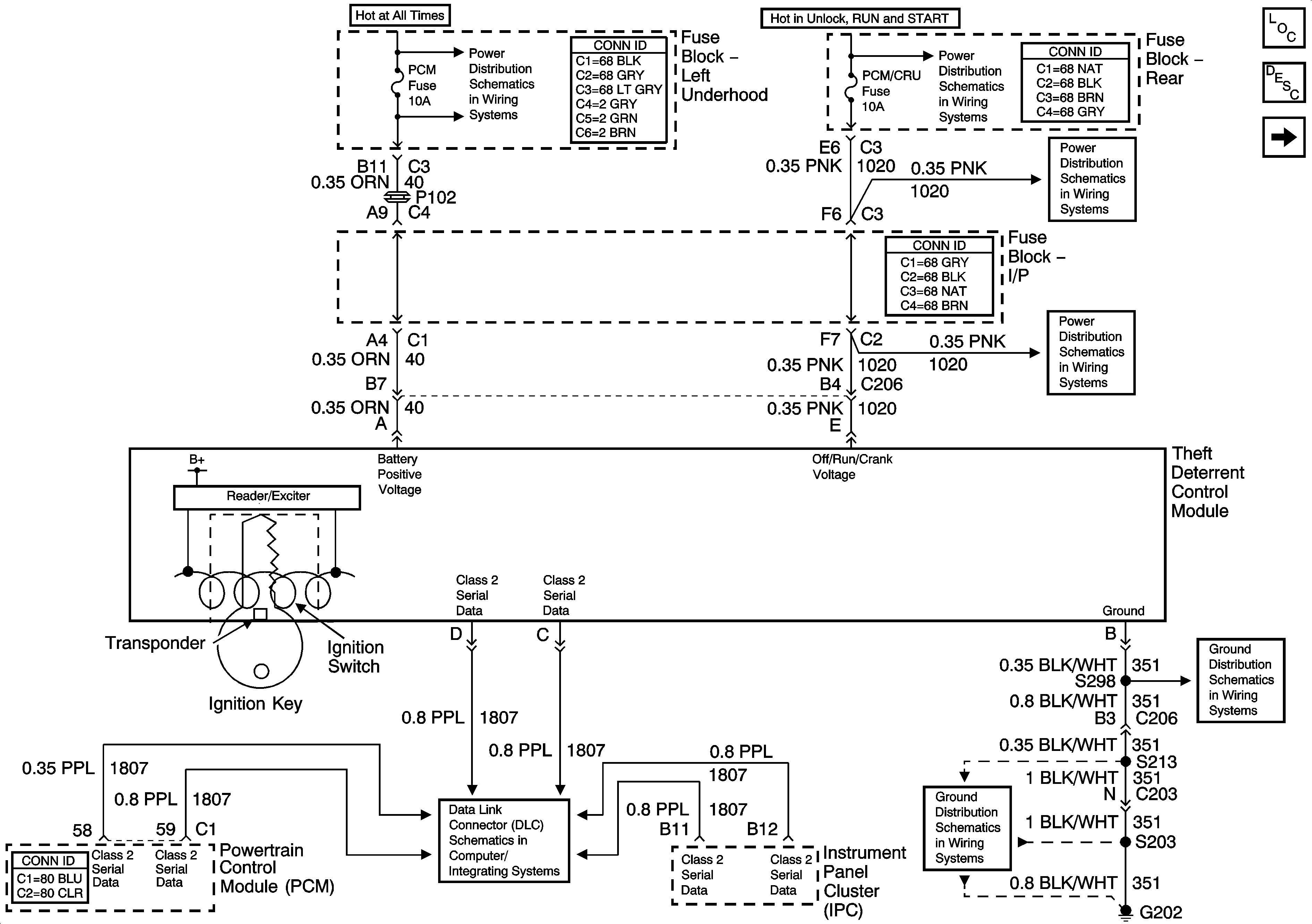
🢒 Vehicle Theft Deterrent (VTD) System
Vehicle Theft Deterrent (VTD) System
Vehicle Theft Deterrent (VTD) System
Master Electrical Component List
Vehicle Theft Deterrent (VTD) Description and Operation
Content Theft Deterrent (CTD) System
Battery Feed to Left and Right Underhood Fuse Blocks
CRK, PCM/CRU and SBM Fuses
CRK, PCM/CRU and SBM Fuses
CRK, PCM/CRU and SBM Fuses
Class 2 Serial Data Lines
G202 - 1 of 4
G202 - 2 of 4