GM Service Manual Online
For 1990-2009 cars only
Makes
🢒
Buick
🢒
1999
🢒
Riviera
🢒
Body and Accessories
🢒
Keyless Entry
🢒 Keyless Entry Schematics
Figure
1:
Cell 132: RFA Module Input and Output Functions
Keyless Entry Components
Keyless Entry System Circuit Description
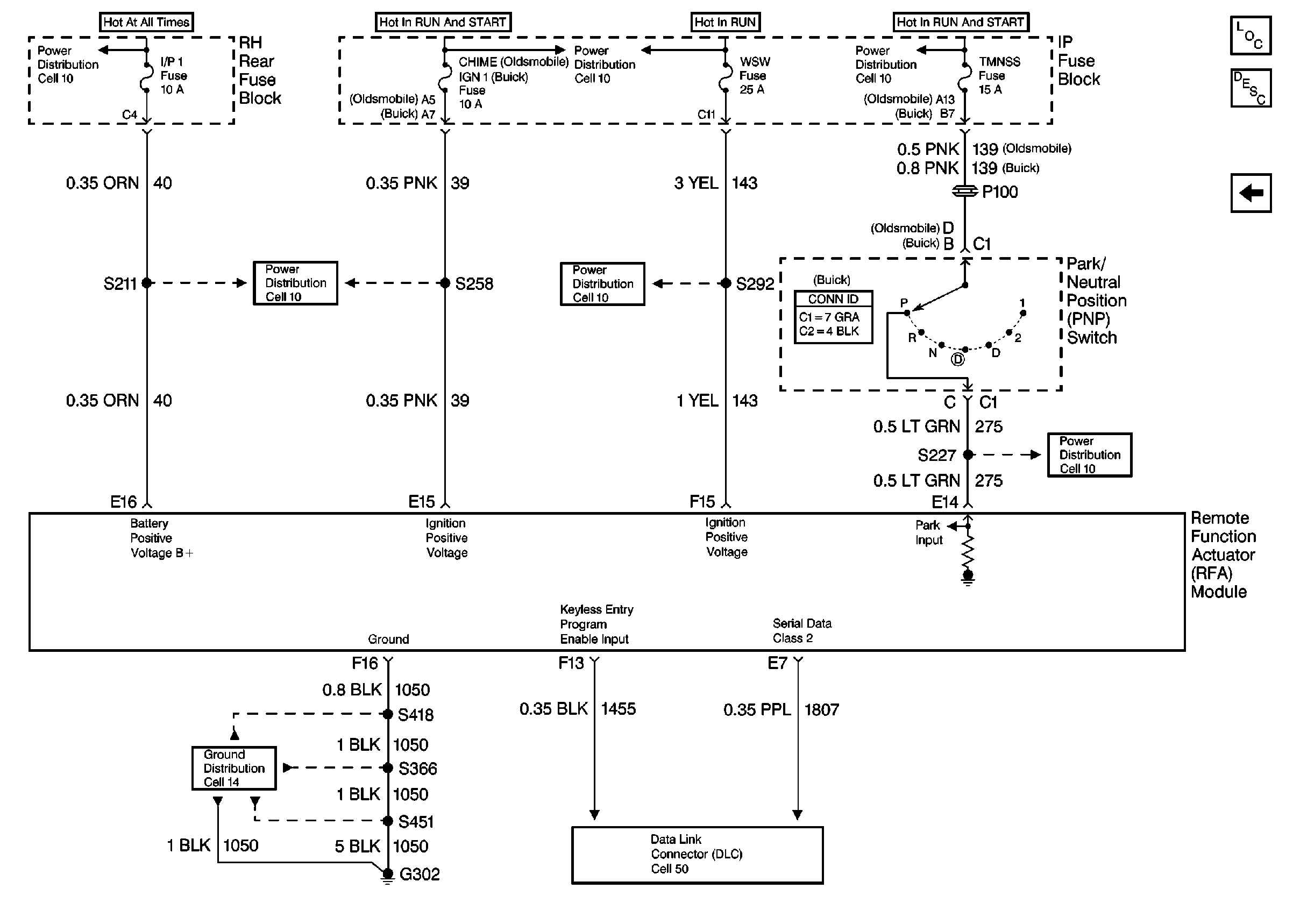
Cell 132: RFA Module Power, Ground and DLC
Cell 40: Horns
Release Systems Schematics
Outside Rearview Mirror Schematics
Exterior Lights Schematics Buick
Exterior Lights Schematics Oldsmobile
Door Lock/Indicator Schematics
Audible Warnings Schematics
Cell 51: Interior Lamp Circuits
Exterior Lights Schematics Buick
Exterior Lights Schematics Oldsmobile
Cell 15: Power, Ground, and the RFA Module
Figure
2:
Cell 132: RFA Module Power, Ground and DLC
Keyless Entry Components
Keyless Entry System Circuit Description
Cell 132: RFA Module Input and Output Functions
Power Distribution Schematics
Power Distribution Schematics
Power Distribution Schematics
Cell 10: HVAC BLOWER Fuse, AIR BAG Fuse, and WSW Fuse
Cell 10: C/LTR Fuse and TMNSS Fuse
Cell 10: C/LTR Fuse and TMNSS Fuse
Cell 14: G306 and G302 (2 of 2)
Cell 50: Power, Ground and Serial Data Class 2