GM Service Manual Online
For 1990-2009 cars only
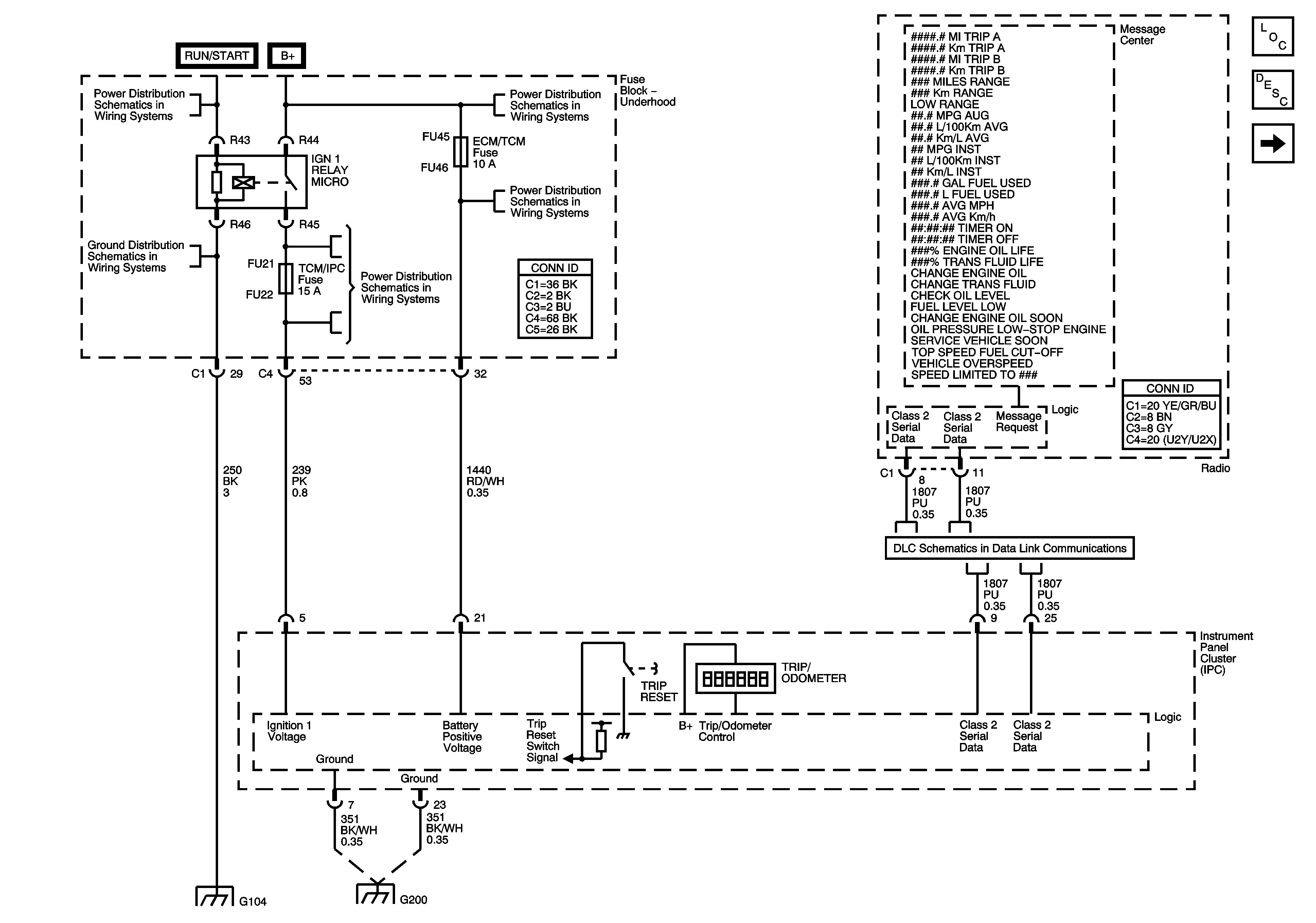
Figure 1:

Power, Ground, Serial Data, Odometer, and DIC


Object Number: 1326508  Size: FS
Master Electrical Component List
Instrument Cluster Description and Operation
Indicators
Ignition Switch - 2 of 2
Underhood Fuse Block B+ Bus - 2 of 2
G104 - 1 of 2
Ignition Switch - 2 of 2
Underhood Fuse Block DIM/ALDL, VOLT CHECK, FLASHER, CCP, ECM/TCM and ABS Fuses
Class 2 Serial Data Bus - LHD - 1 of 2
G104 - 1 of 2
G200
Figure 2:

Indicators


Object Number: 1326510  Size: FS
Master Electrical Component List
Indicator/Warning Message Description and Operation
Electronic PRNDL (M82)
Power, Ground, Serial Data, Odometer, and DIC
Turn Signal/Hazard Flasher Module (Domestic and Export)
Class 2 Serial Data Bus - LHD - 1 of 2
Steering Wheel Controls - 5.7L (LS6)
G200
Manual Transmission (M12)
Power, Ground, Serial Data, DIC and Indicator
Module Power, Ground, MIL and Serial Data
Power, Ground, Serial Data, DIC and Indicator (LS6)
Brake Fluid Level Switch, Park Brake Switch, DIC and Indicator
BPP Sensor, Switches and Indicators - 2.6L/3.2L/3.6L (LY9/LA3/LY7)
Figure 3:

Electronic PRNDL (M82)


Object Number: 1398006  Size: FS
Master Electrical Component List
Electronic Component Description
EOP Sensors, Engine Oil Level/Temperature Sensors, DIC and Indicator
Indicators
Ignition Switch - 2 of 2
Underhood Fuse Block B+ Bus - 2 of 2
G104 - 1 of 2
Underhood Fuse Block Headlamp Fuses/Relays, ACCESSORY Relay, I/P OUTLET, OUTLET, WPR MOD, WPR SW and ELEC PRNDL Fuses
Class 2 Serial Data Bus - LHD - 1 of 2
BPP Sensor, Switches and Indicators - 2.6L/3.2L/3.6L (LY9/LA3/LY7)
Power, Ground, and Serial Data - 1 of 2
G104 - 1 of 2
G201
G201
Figure 4:

EOP Sensors, Engine Oil Level/Temperature Sensors, DIC and Indicator


Object Number: 1357741  Size: FS
Master Electrical Component List
Indicator/Warning Message Description and Operation
Gages - 2.6L/3.2L/3.6L (LY9/LA3/LY7)
Electronic PRNDL (M82)
Class 2 Serial Data Bus - LHD - 1 of 2
Engine Data Sensors - 5-Volt Reference
G140, G141 and G142 - 5.7L (LS6)
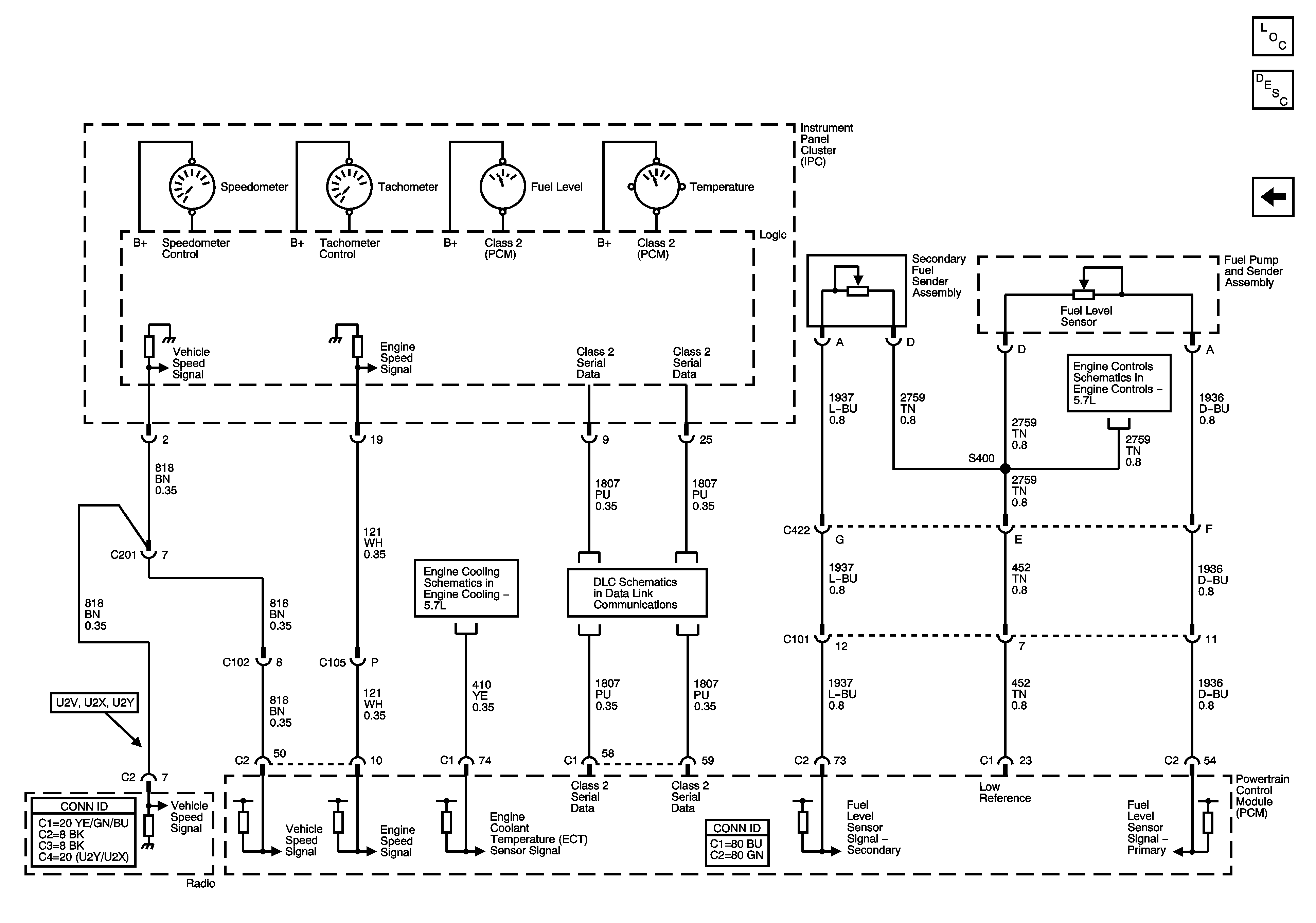
Figure 5:

Gages - 2.6L/3.2L/3.6L (LY9/LA3/LY7)


Object Number: 1326512  Size: FS
Master Electrical Component List
Instrument Cluster Description and Operation
Gages - 5.7L (LS6)
EOP Sensors, Engine Oil Level/Temperature Sensors, DIC and Indicator
Engine Data Sensors - Low Reference
Engine Data Sensors - 5 Volt and Low Reference Buses
Cooling Fans - 3.6L (LY7)
Cooling Fans - Domestic and Japan - 2.6L/3.2L (LY9/LA3)
Class 2 Serial Data Bus - LHD - 1 of 2
Engine Data Sensors - Low Reference
Figure 6:

Gages - 5.7L (LS6)


Object Number: 1357746  Size: FS
Master Electrical Component List
Instrument Cluster Description and Operation
Gages - 2.6L/3.2L/3.6L (LY9/LA3/LY7)
Cooling Fans - 5.7L (LS6)
Class 2 Serial Data Bus - LHD - 1 of 2
Engine Data Sensors - 5 Volt and Low Reference Buses