GM Service Manual Online
For 1990-2009 cars only
Makes
🢒
Cadillac
🢒
2007
🢒
CTS
🢒
Diagnostic Navigation
🢒
Vehicle Diagnostic Information
🢒 Engine Controls Schematics
Figure
1:
Power, Ground, Serial Data, DIC, and Indicators
Master Electrical Component List
Engine Control Module Description
Control Module References
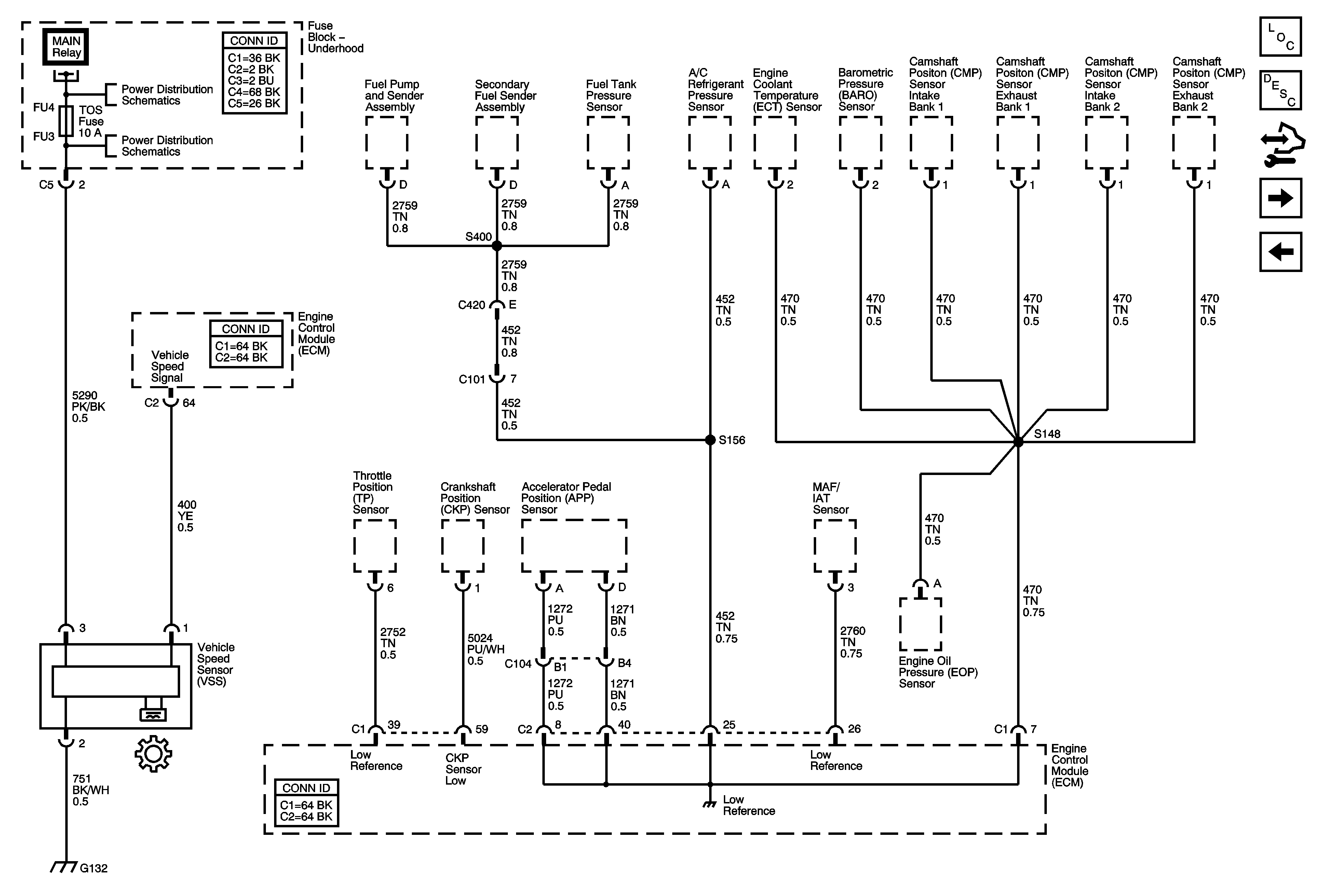
Engine Data Sensors - 5-Volt Reference Bus
Underhood Fuse Block Cooling Fan Fuses/Relays, Main Relay, ECM, and TOS
Underhood Fuse Block B+ BUS 2 of 2
Underhood Fuse Block B+ BUS 2 of 2
G104 1 of 2
Underhood Fuse Block DIM/ALDL, Volt Check, Flasher, CCP, ECM/TCM, and ABS Fuses
Ignition Switch 2 of 2
Ignition Switch 1 of 2
Class 2 Serial Data Bus - LHD (1 of 2)
Class 2 Serial Data Bus - LHD (2 of 2)
Underhood Fuse Block DIM/ALDL, Volt Check, Flasher, CCP, ECM/TCM, and ABS Fuses
G130, G131, G132 and G133 (LP1/LY7)
Power, Ground, GMLAN BUS
Engine Controls Schematic Icons
G104 1 of 2
Figure
2:
Engine Data Sensors - 5-Volt Reference Bus
Master Electrical Component List
Engine Control Module Description
Control Module References
Engine Data Sensors - Low Reference Bus
Engine Controls - 2.8L/3.6L (LP1/LS2) (Power, Ground, Serial, DIC and Indicator)
Figure
3:
Engine Data Sensors - Low Reference Bus
Master Electrical Component List
Engine Control Module Description
Control Module References
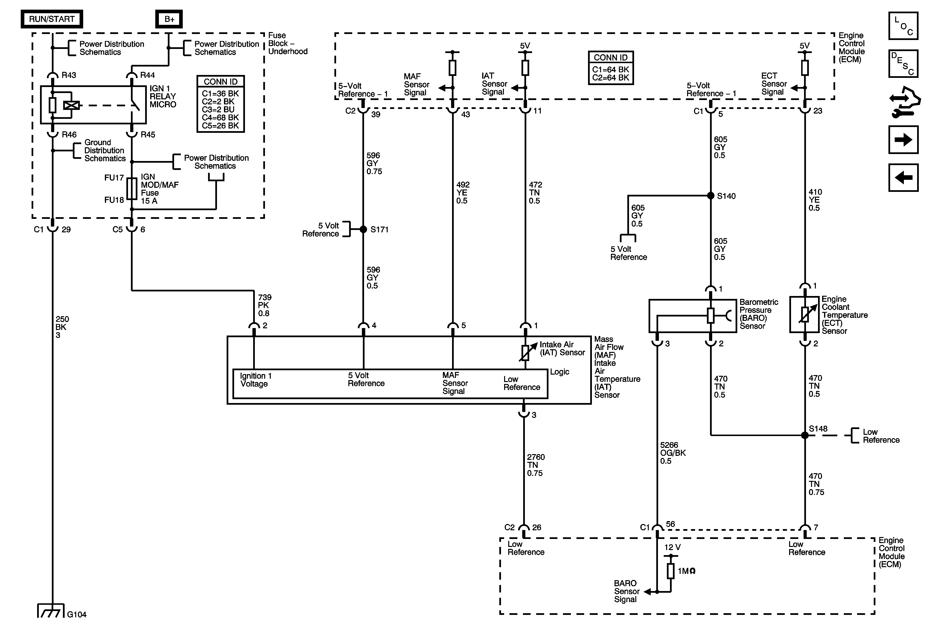
Engine Data Sensors - BARO, ECT, MAF, and IAT Sensors
Engine Data Sensors - 5-Volt Reference Bus
Underhood Fuse Block B+ BUS 2 of 2
Underhood Fuse Block B+ BUS 2 of 2
G130, G131, G132 and G133 (LP1/LY7)
Figure
4:
Engine Data Sensors - BARO, ECT, MAF, and IAT Sensors
Master Electrical Component List
Engine Control Module Description
Control Module References
Engine Data Sensors - Heated Oxygen Sensors (HO2S)
Engine Data Sensors - Low Reference Bus
Underhood Fuse Block B+ BUS 2 of 2
Underhood Fuse Block B+ BUS 2 of 2
G104 1 of 2
Underhood Fuse Block B+ BUS 2 of 2
Engine Data Sensors - Low Reference Bus
Engine Data Sensors - Low Reference Bus
G104 1 of 2
Figure
5:
Engine Data Sensors - Heated Oxygen Sensors (HO2S)
Master Electrical Component List
Engine Control Module Description
Control Module References
Engine Data Sensors - Throttle Actuator Control (TAC) System
Engine Data Sensors - BARO, ECT, MAF, and IAT Sensors
Underhood Fuse Block Pre O2/CAM Fuse
Underhood Fuse Block B+ BUS 2 of 2
Underhood Fuse Block B+ BUS 2 of 2
Underhood Fuse Block Pre O2/CAM Fuse
Engine Controls Schematic Icons
Engine Controls Schematic Icons
Engine Controls Schematic Icons
Engine Controls Schematic Icons
Figure
6:
Engine Data Sensors - Throttle Actuator Control (TAC) System
Master Electrical Component List
Engine Control Module Description
Control Module References
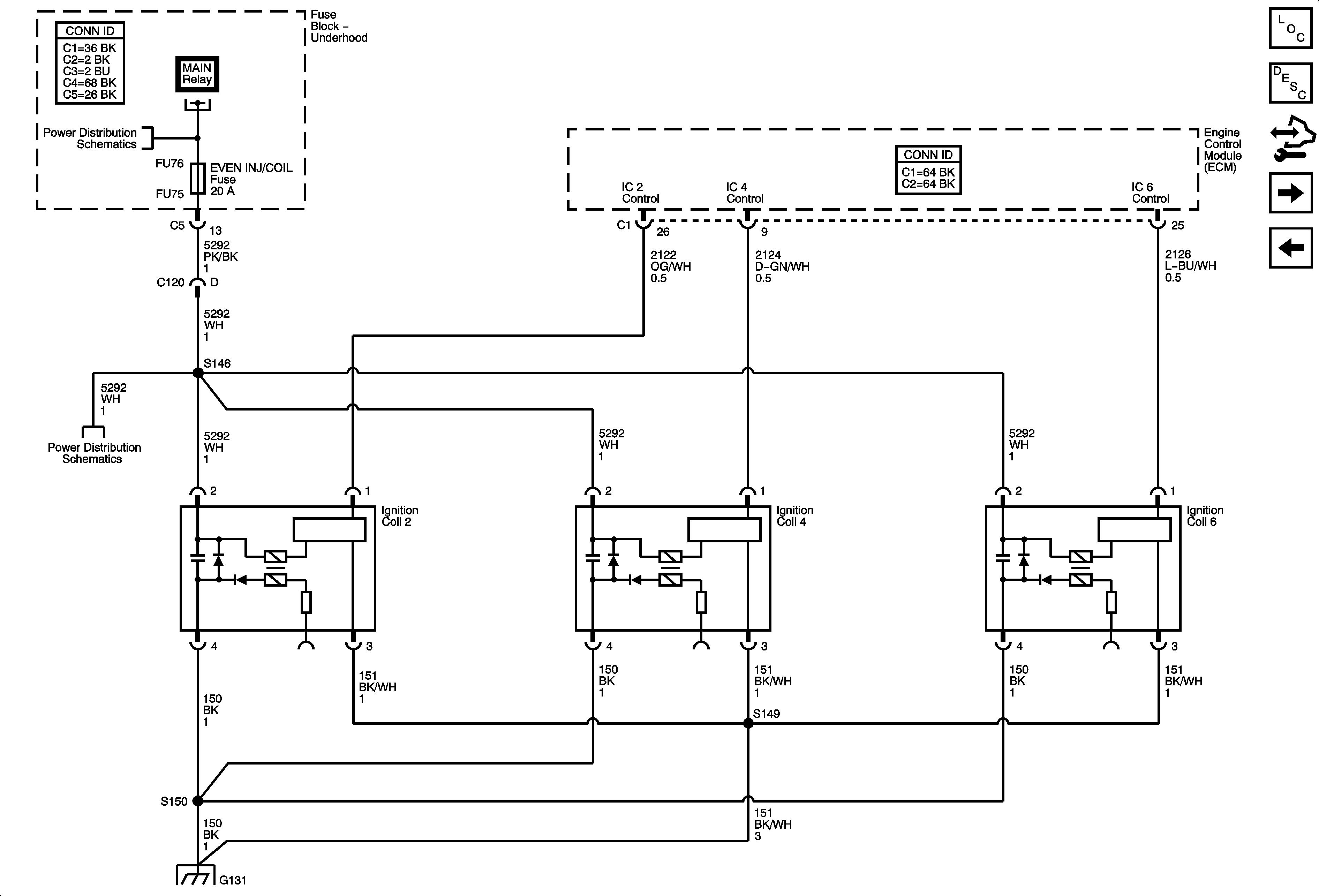
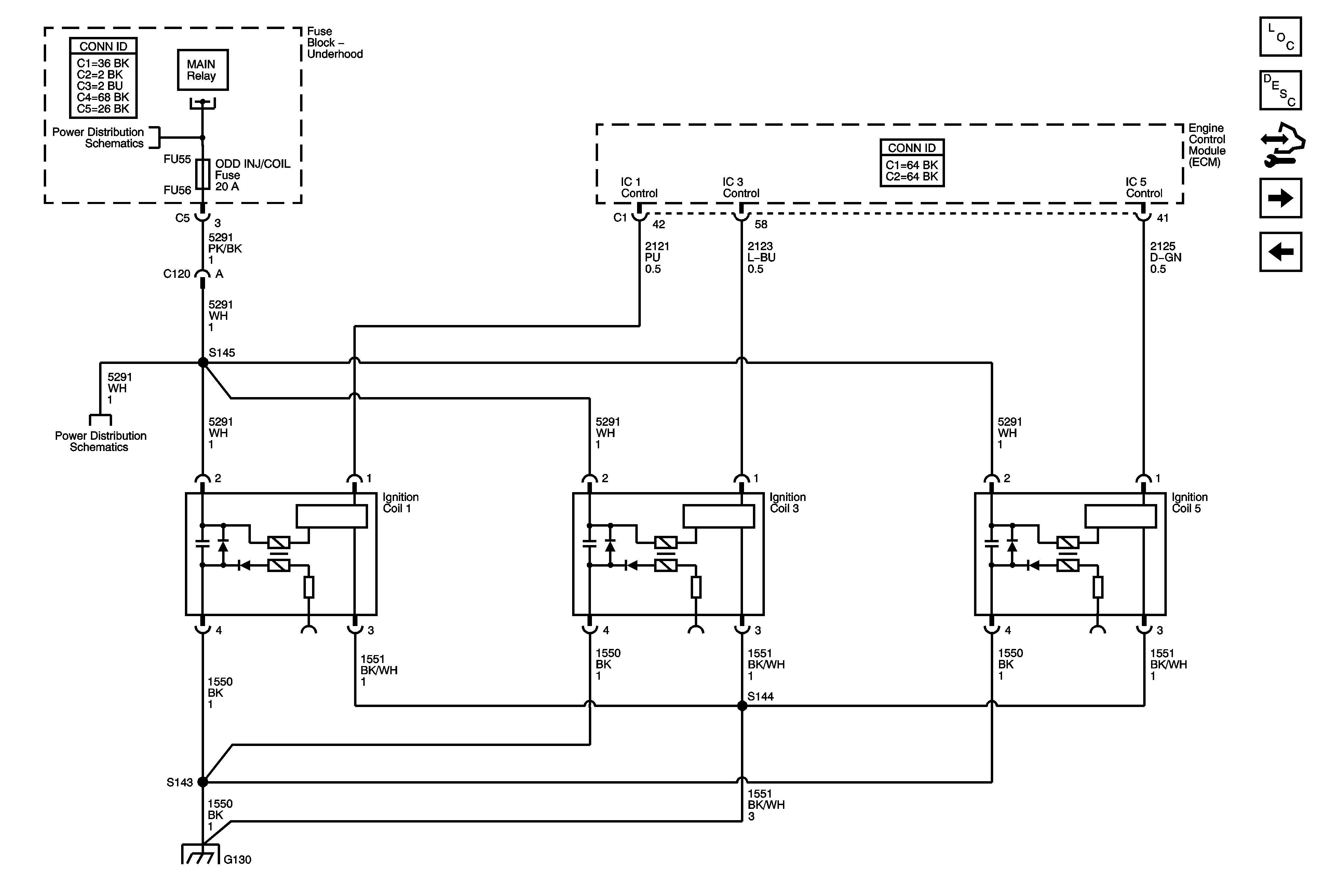
Ignition Controls - Bank 1 IGN Coils
Engine Data Sensors - Heated Oxygen Sensors (HO2S)
Engine Controls Schematic Icons
Figure
7:
Ignition Controls - Bank 1 IGN Coils
Master Electrical Component List
Engine Control Module Description
Control Module References
Ignition Controls - Bank 2 IGN Coils
Engine Data Sensors - Throttle Actuator Control (TAC) System
Underhood Fuse Block B+ BUS 2 of 2
Underhood Fuse Block Odd INJ/Coil Fuse
Underhood Fuse Block Odd INJ/Coil Fuse
G130, G131, G132 and G133 (LP1/LY7)
Figure
8:
Ignition Controls - Bank 2 IGN Coils
Master Electrical Component List
Engine Control Module Description
Control Module References
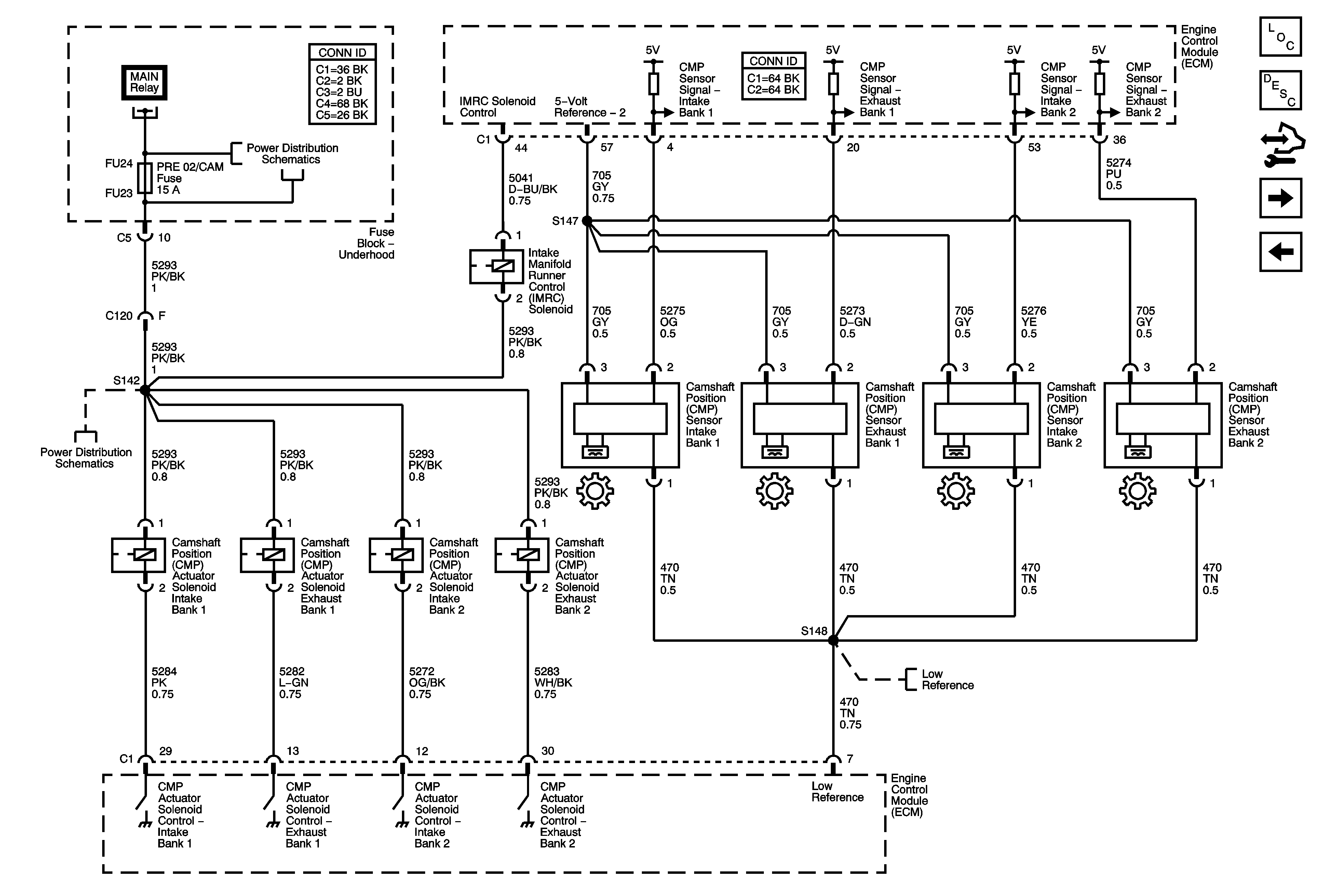
Ignition Controls - Sensors and CMP Actuator Solenoids
Ignition Controls - Bank 1 IGN Coils
Underhood Fuse Block B+ BUS 2 of 2
Underhood Fuse Block Even INJ/Coil Fuse
Underhood Fuse Block Even INJ/Coil Fuse
Underhood Fuse Block Even INJ/Coil Fuse
Figure
9:
Ignition Controls - Sensors and CMP Actuator Solenoids
Master Electrical Component List
Engine Control Module Description
Control Module References
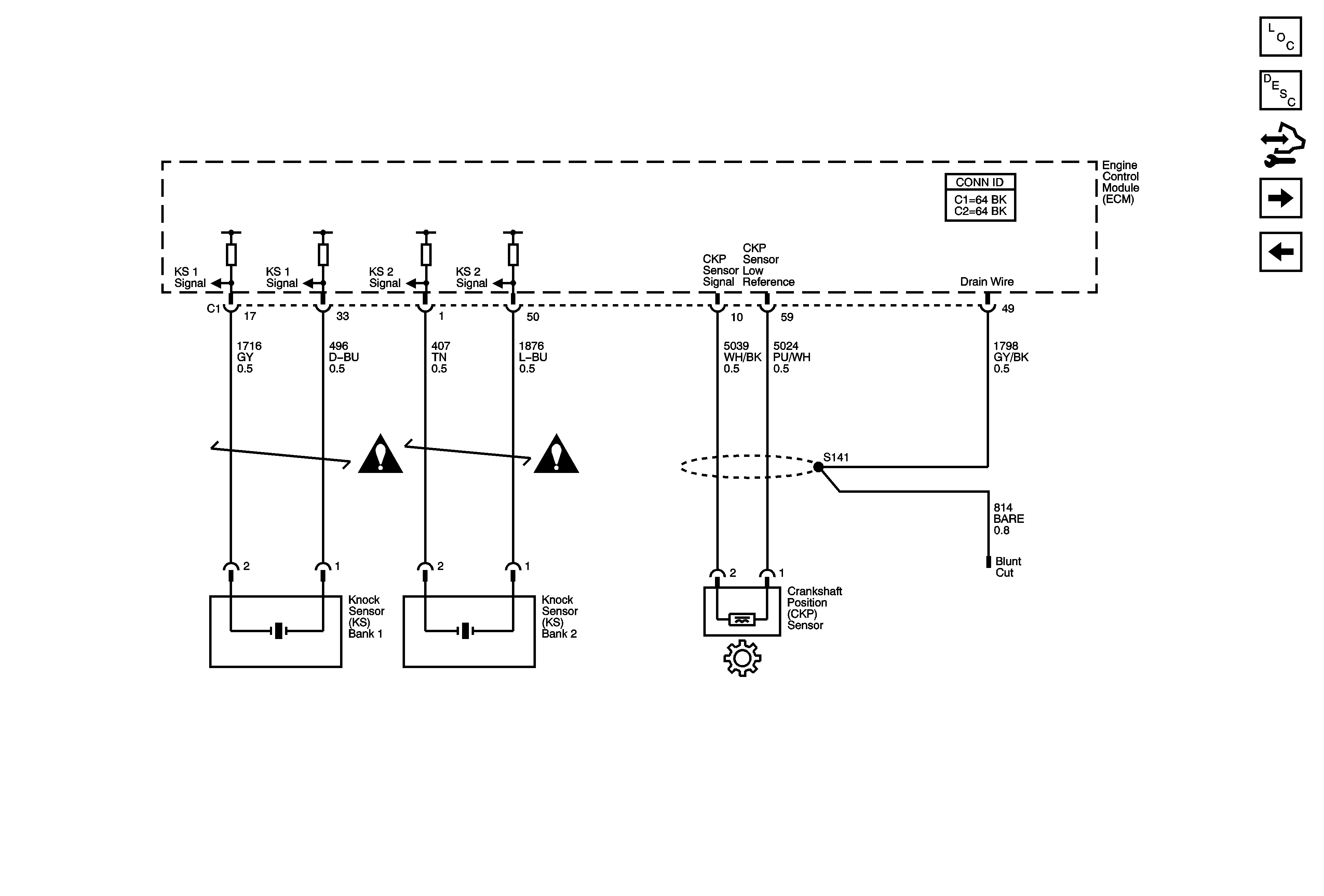
Ignition Controls - Crankshaft and Position Sensor and Knock Sensors
Ignition Controls - Bank 2 IGN Coils
Underhood Fuse Block B+ BUS 2 of 2
Underhood Fuse Block Pre O2/CAM Fuse
Underhood Fuse Block Pre O2/CAM Fuse
Engine Data Sensors - Low Reference Bus
Figure
10:
Ignition Controls - Crankshaft Position Sensor (CKP) and Knock Sensors (KS)
Master Electrical Component List
Engine Control Module Description
Control Module References
Fuel Controls and Fuel Injectors, Fuel Pump and Sender Assembly
Ignition Controls - Sensors and CMP Actuator Solenoids
Engine Controls Schematic Icons
Engine Controls Schematic Icons
Figure
11:
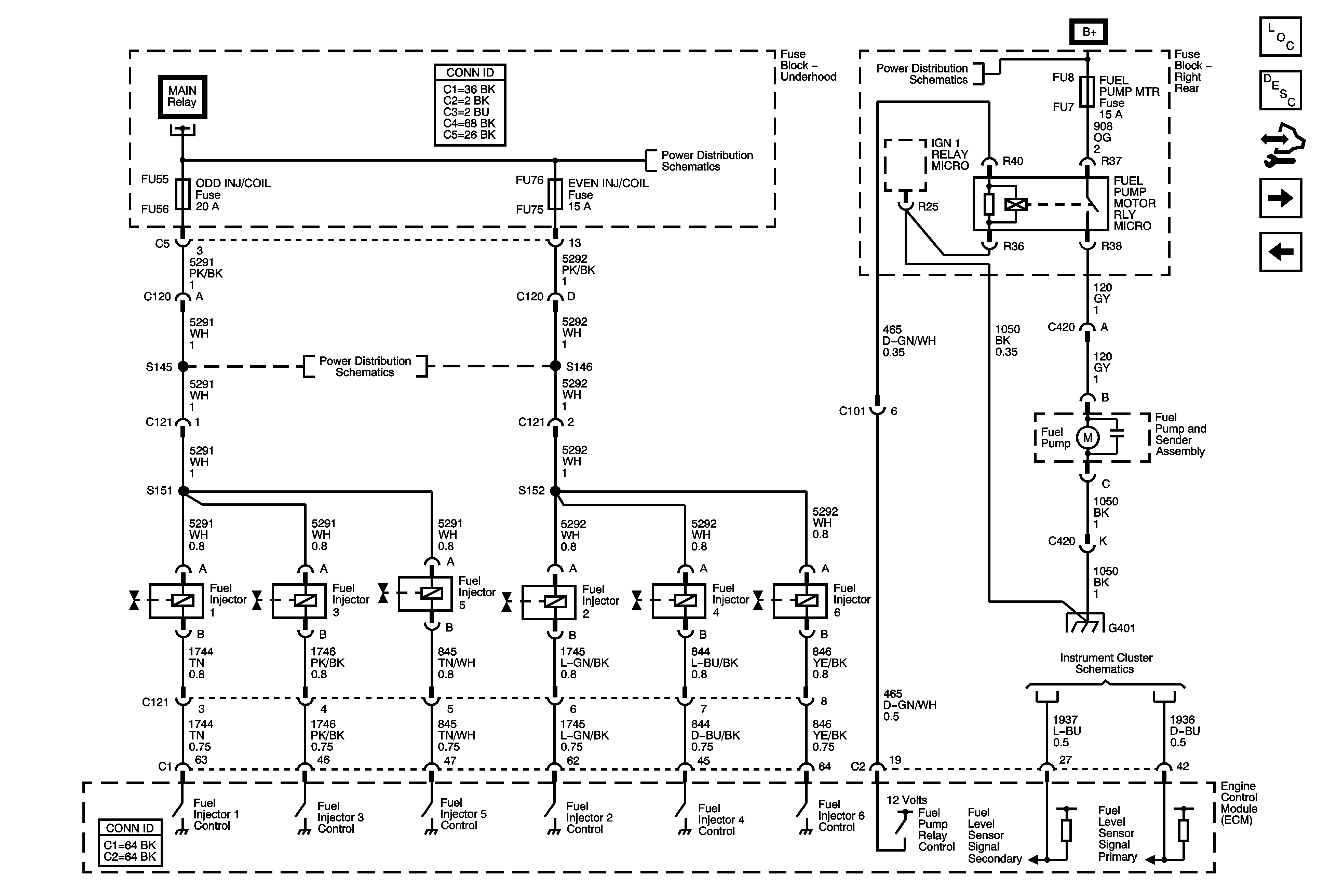
Fuel Controls - Fuel Injectors, Fuel Pump and Sender Assembly
Master Electrical Component List
Engine Control Module Description
Control Module References
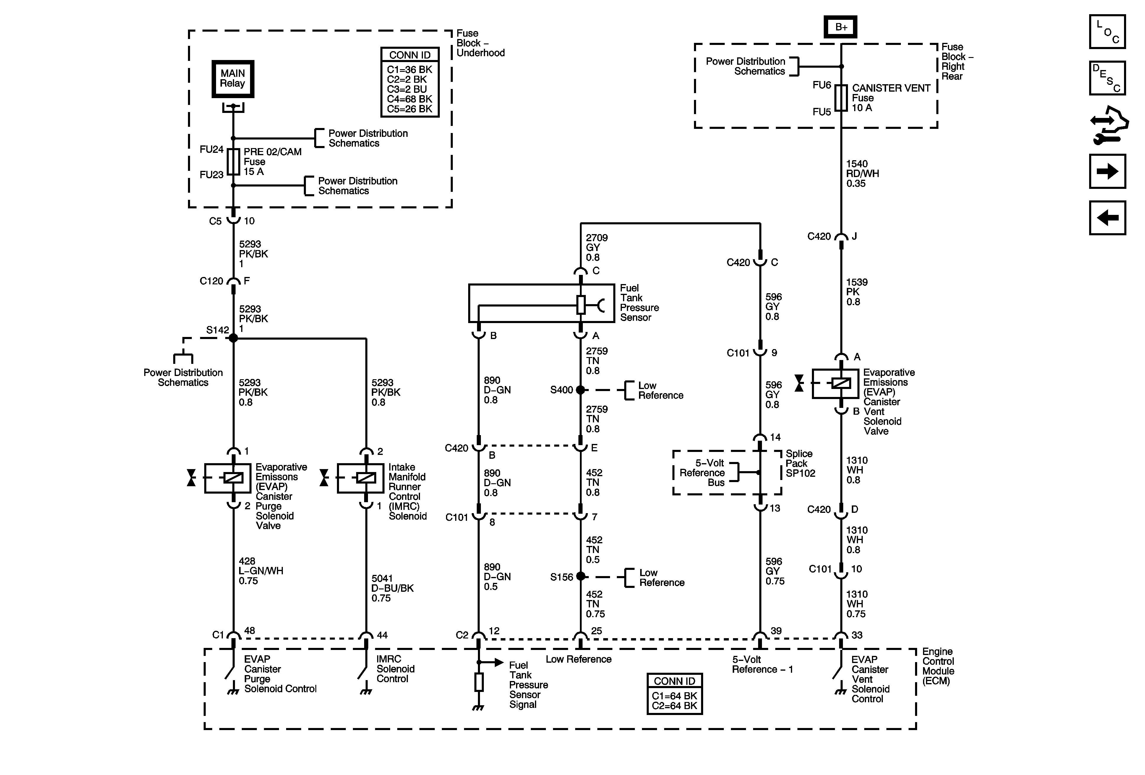
Fuel Controls - EVAP Controls and IMRC Solenoid
Ignition Controls - Crankshaft and Position Sensor and Knock Sensors
Underhood Fuse Block B+ BUS 2 of 2
Underhood Fuse Block B+ BUS 2 of 2
Right Rear Fuse Block B+ Bus
Underhood Fuse Block Odd INJ/Coil Fuse
G401
Gages 2.8L/3.6L (LP1/LY7)
Figure
12:
Fuel Controls - EVAP Controls and IMRC Solenoid
Master Electrical Component List
Engine Control Module Description
Control Module References
Controlled/Monitored Subsystem References
Fuel Controls and Fuel Injectors, Fuel Pump and Sender Assembly
Underhood Fuse Block B+ BUS 2 of 2
Underhood Fuse Block B+ BUS 2 of 2
Underhood Fuse Block B+ BUS 2 of 2
Right Rear Fuse Block, DR MOD PWR Circuit Breaker Canister Vent, RIM/IGN SW., FRT HTD Seat MOD, and PWR Sander Fuses
Underhood Fuse Block Pre O2/CAM Fuse
Engine Data Sensors - Low Reference Bus
Engine Data Sensors - Low Reference Bus
Figure
13:
Controlled/Monitored Subsystem References
Master Electrical Component List
Engine Control Module Description
Control Module References
Fuel Controls - EVAP Controls and IMRC Solenoid
Starting System - 2.8L/3.6L (LP1/LY7)
07 CTS Antilock Brake System - Power, Ground, Serial Data and DIC
Cooling Fans - 2.8L/3.6L (LP1/LY7)
Cruise Control System - 2.8L/3.6L (LP1/LY7)
Engine Oil Pressure (EOP) Sensor, Engine Oil Level/Temp. Sensor, TFT and Indicator
A/C Compressor Controls 2.8L/3.6L (LP1/LY7)
BPP Sensor, Switches and Indicators - 2.8L/3.6L (LP1/LY7)
Power, Ground, Serial Data, TCM and Internal Mode Switch (IMS)