GM Service Manual Online
For 1990-2009 cars only
Figure 1:

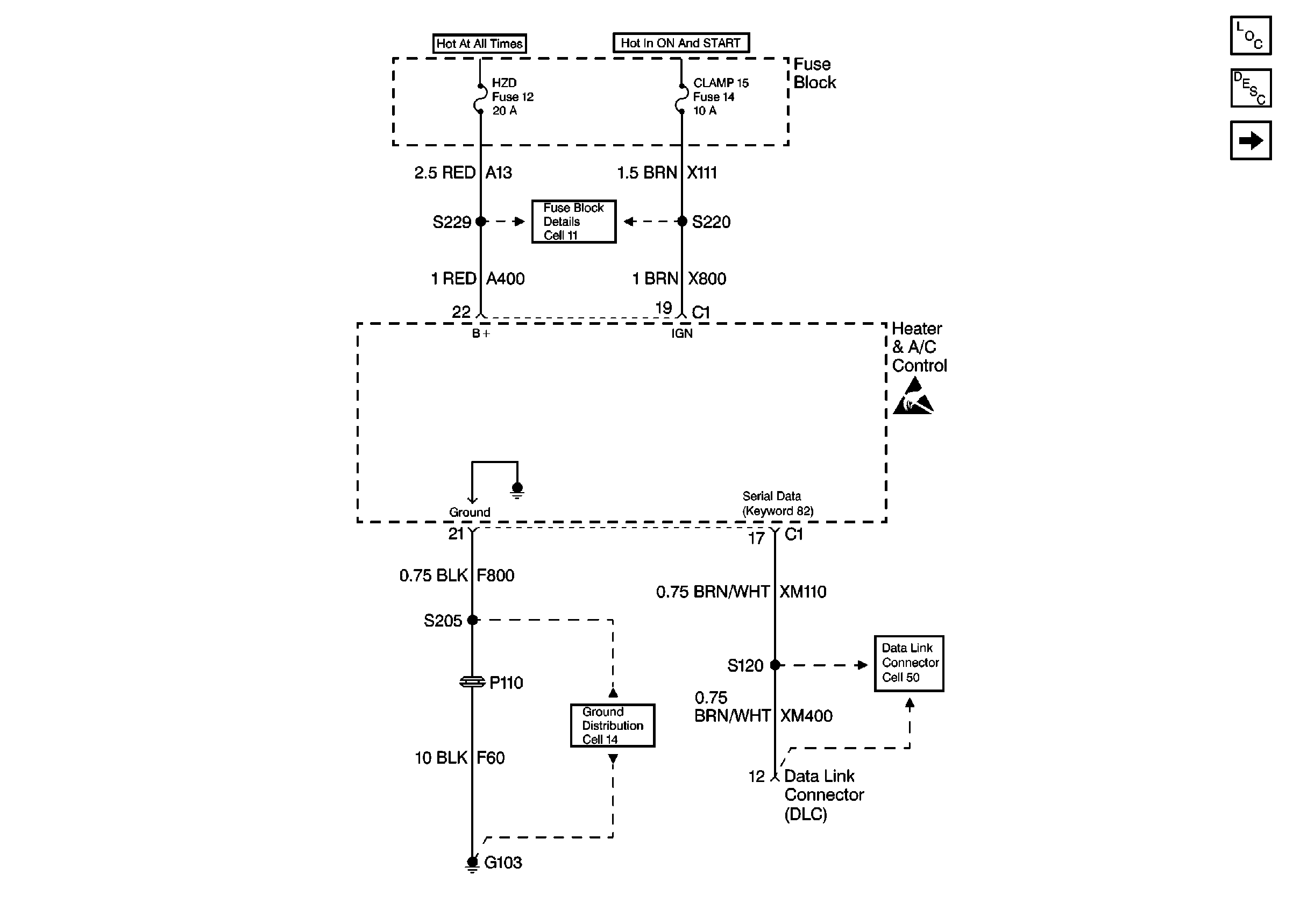
Cell 68 Power, Ground and DLC


Object Number: 242545  Size: FS
HVAC Components
Air Conditioning (A/C) System Description
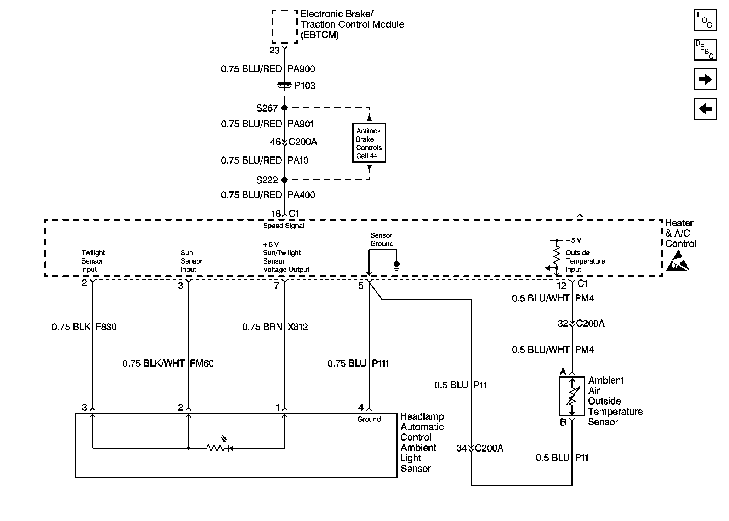
Cell 68 Ambient Light and Outside Air Temp Sensors
Fuse Block Schematics Schematics
Ground Distribution Schematics
Data Link Connector Schematics
Figure 2:

Cell 68 Ambient Light and Outside Air Temp Sensors


Object Number: 242546  Size: FS
HVAC Components
Air Conditioning (A/C) System Description
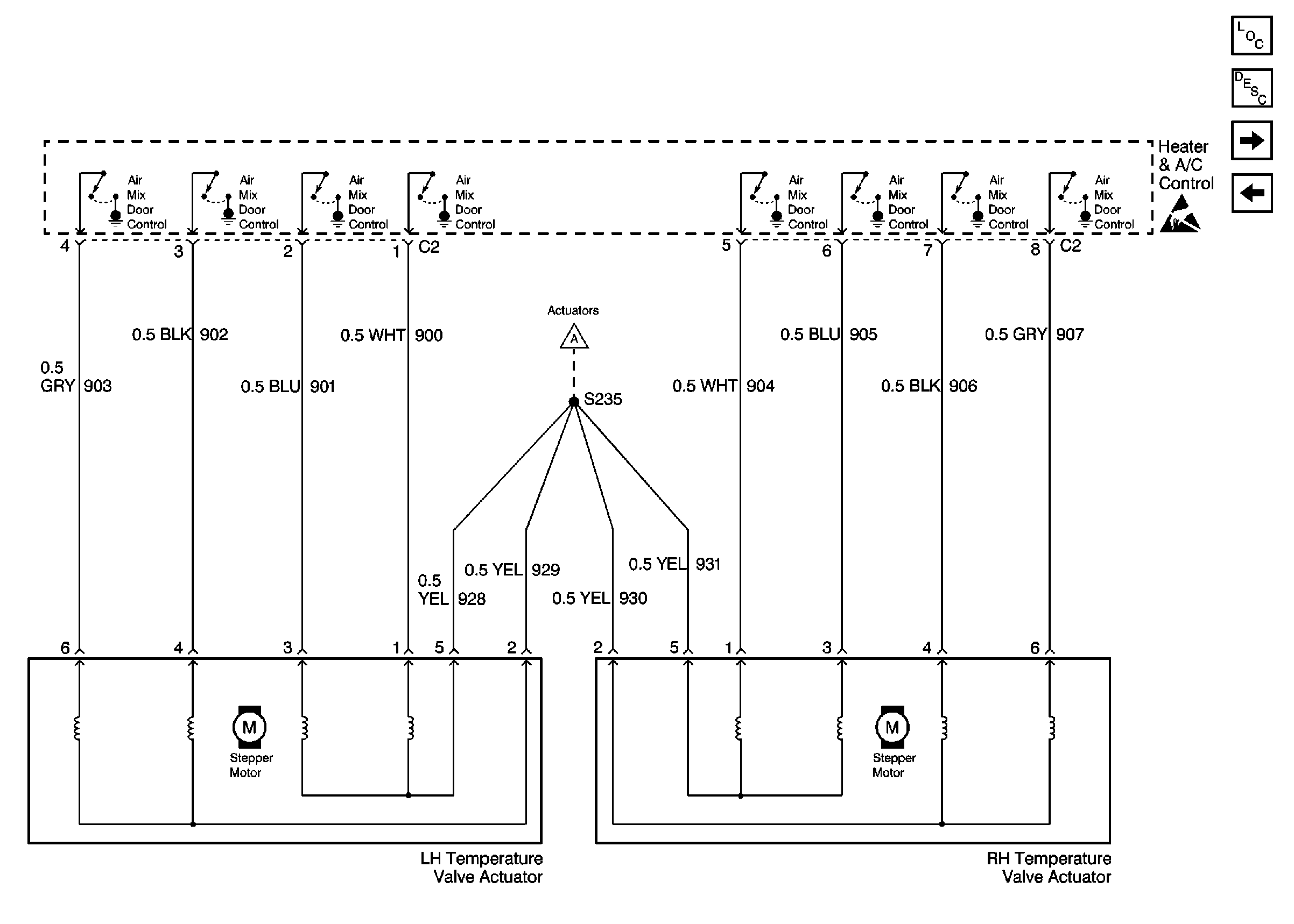
Cell 68 LH and RH Temperature Valve Actuators
Cell 68 Power, Ground and DLC
ABS/TCS Schematics
Figure 3:

Cell 68 LH and RH Temperature Valve Actuators


Object Number: 242547  Size: FS
HVAC Components
Air Conditioning (A/C) System Description
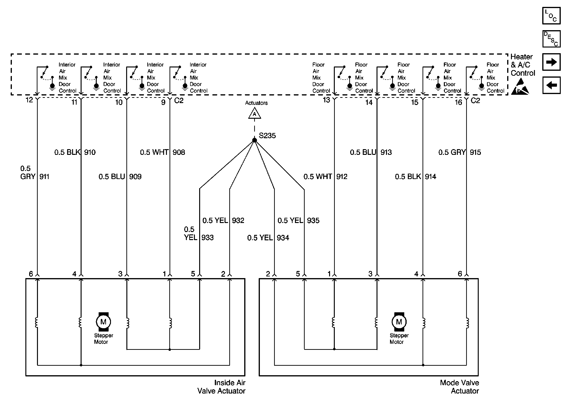
Cell 68 Inside Air and Mode Valve Actuators
Cell 68 Ambient Light and Outside Air Temp Sensors
Figure 4:

Cell 68 Inside Air and Mode Valve Actuators


Object Number: 242548  Size: FS
HVAC Components
Air Conditioning (A/C) System Description
Cell 68 Defroster Valve Actuator, Recirc and Water Cutoff Vacuum Solenoid Valves
Cell 68 LH and RH Temperature Valve Actuators
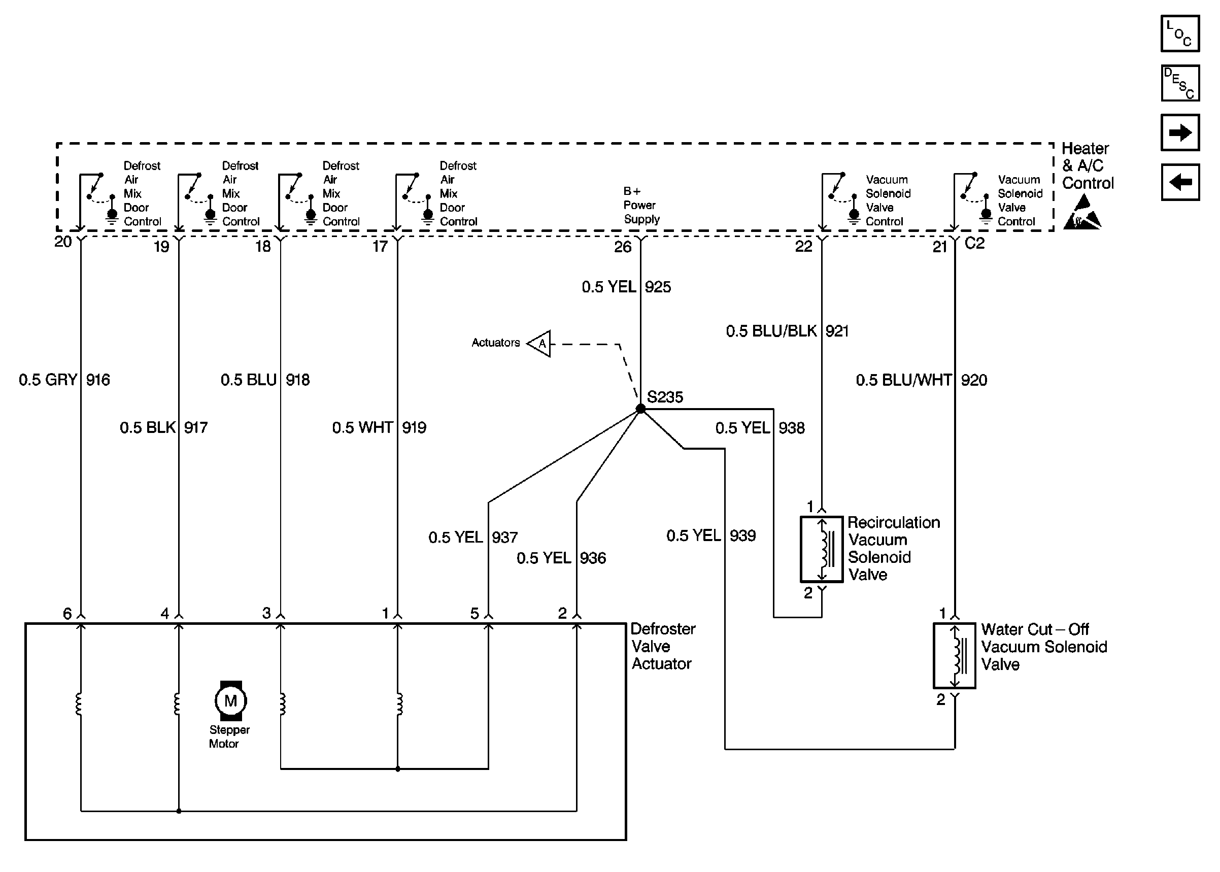
Figure 5:

Cell 68 Defroster Valve Actuator, Recirc and Water Cutoff Vacuum Solenoid Valves


Object Number: 242550  Size: FS
HVAC Components
Air Conditioning (A/C) System Description
Cell 68 LH and RH Air Duct Temp Sensors and BCM
Cell 68 Inside Air and Mode Valve Actuators
Figure 6:

Cell 68 LH and RH Air Duct Temp Sensors and BCM


Object Number: 242551  Size: FS
HVAC Components
Air Conditioning (A/C) System Description
Cell 68 Defroster Valve Actuator, Recirc and Water Cutoff Vacuum Solenoid Valves