GM Service Manual Online
For 1990-2009 cars only
Figure 1:

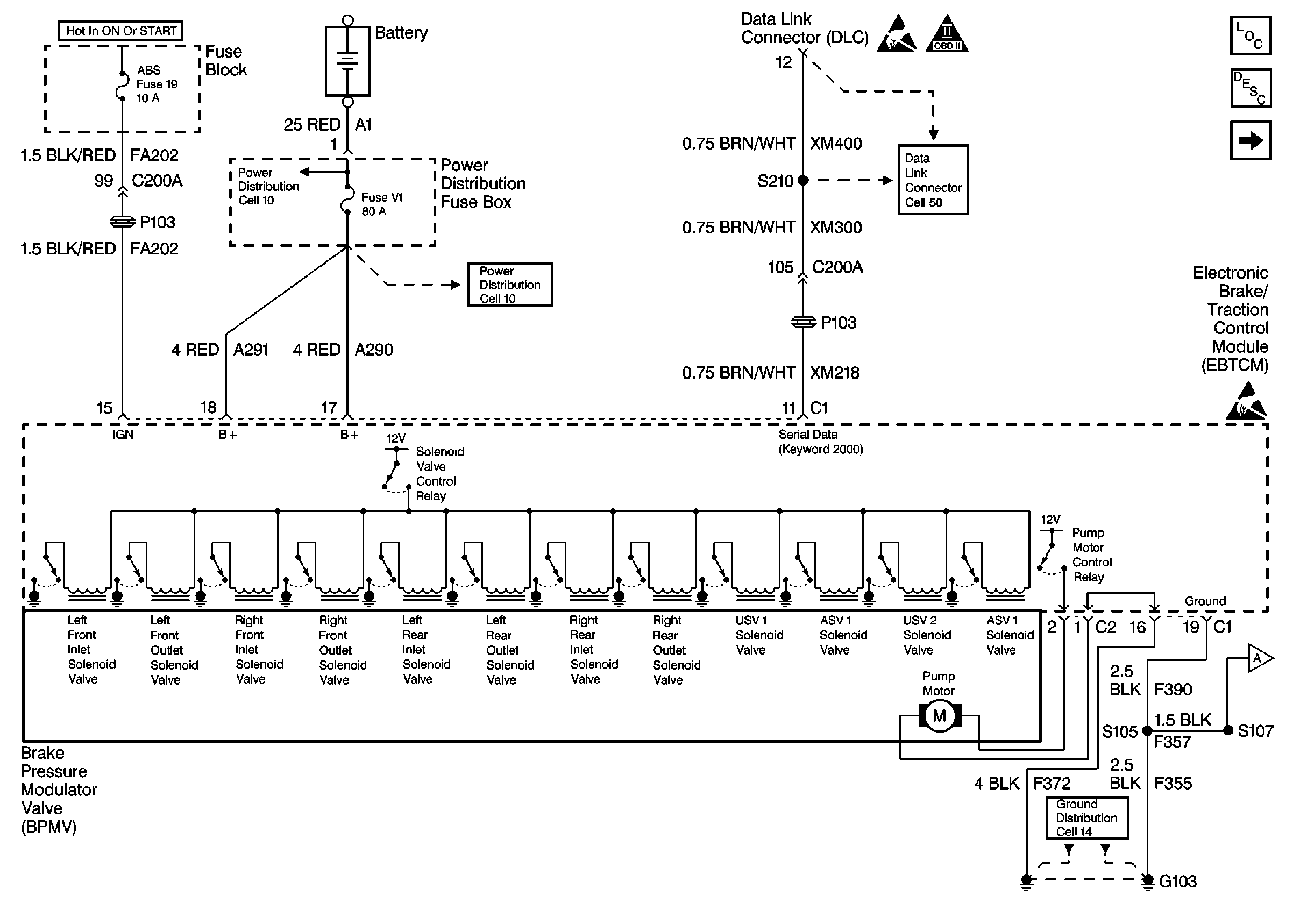
Cell 44 EBTCM Power and Ground, BPMV, and DLC


Object Number: 240073  Size: FS
ABS Components
ABS/TCS System Description
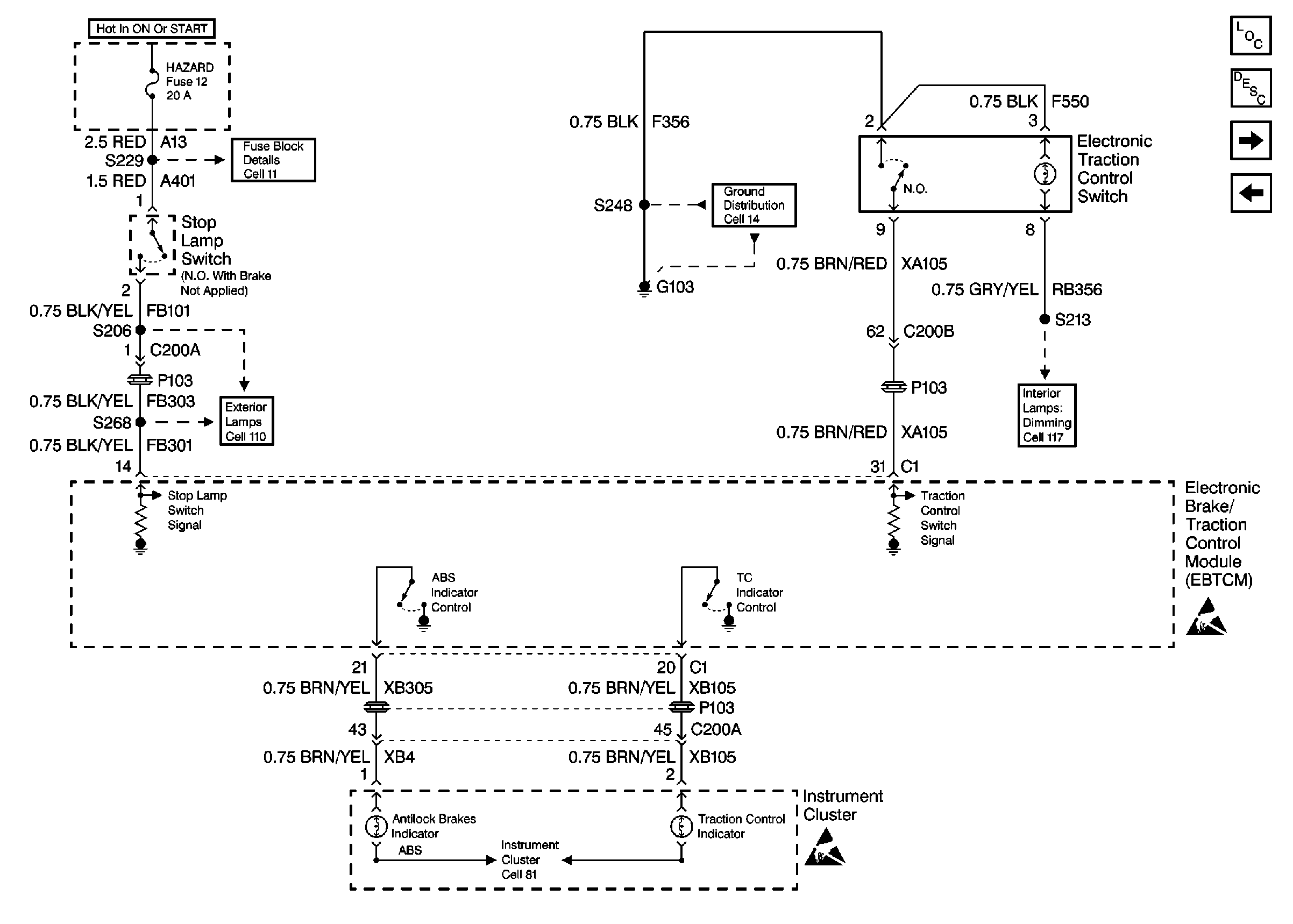
Cell 44 Electronic Traction Control Switch and Instrument Cluster
Data Link Connector Schematics
Power Distribution Schematics
Ground Distribution Schematics
Figure 2:

Cell 44 Electronic Traction Control Switch and Instrument Cluster


Object Number: 240075  Size: FS
ABS Components
ABS/TCS System Description
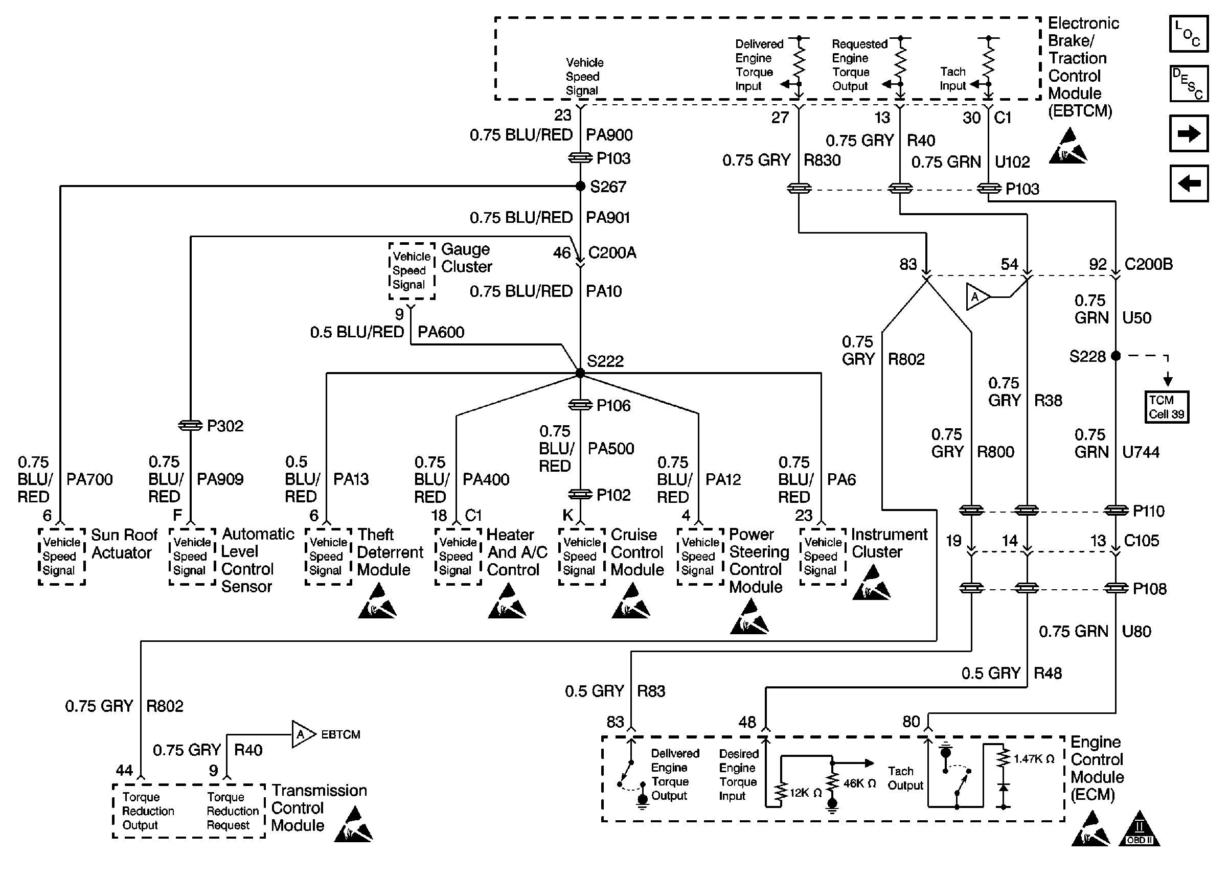
Cell 44 Vehicle Speed Signal, ECM and TCM
Cell 44 EBTCM Power and Ground, BPMV, and DLC
Fuse Block Schematics Schematics
Ground Distribution Schematics
Exterior Lights Schematics
Interior Lights Dimming Schematics
Figure 3:

Cell 44 Vehicle Speed Signal, ECM and TCM


Object Number: 240076  Size: FS
ABS Components
ABS/TCS System Description
Cell 44 EBTCM and Wheel Speed Sensors
Cell 44 Electronic Traction Control Switch and Instrument Cluster
Automatic Transmission Controls Schematics
Figure 4:

Cell 44 EBTCM and Wheel Speed Sensors


Object Number: 240077  Size: FS
ABS Components
ABS/TCS System Description
Cell 44 Vehicle Speed Signal, ECM and TCM