GM Service Manual Online
For 1990-2009 cars only
Makes
🢒
Cadillac
🢒
2001
🢒
Catera
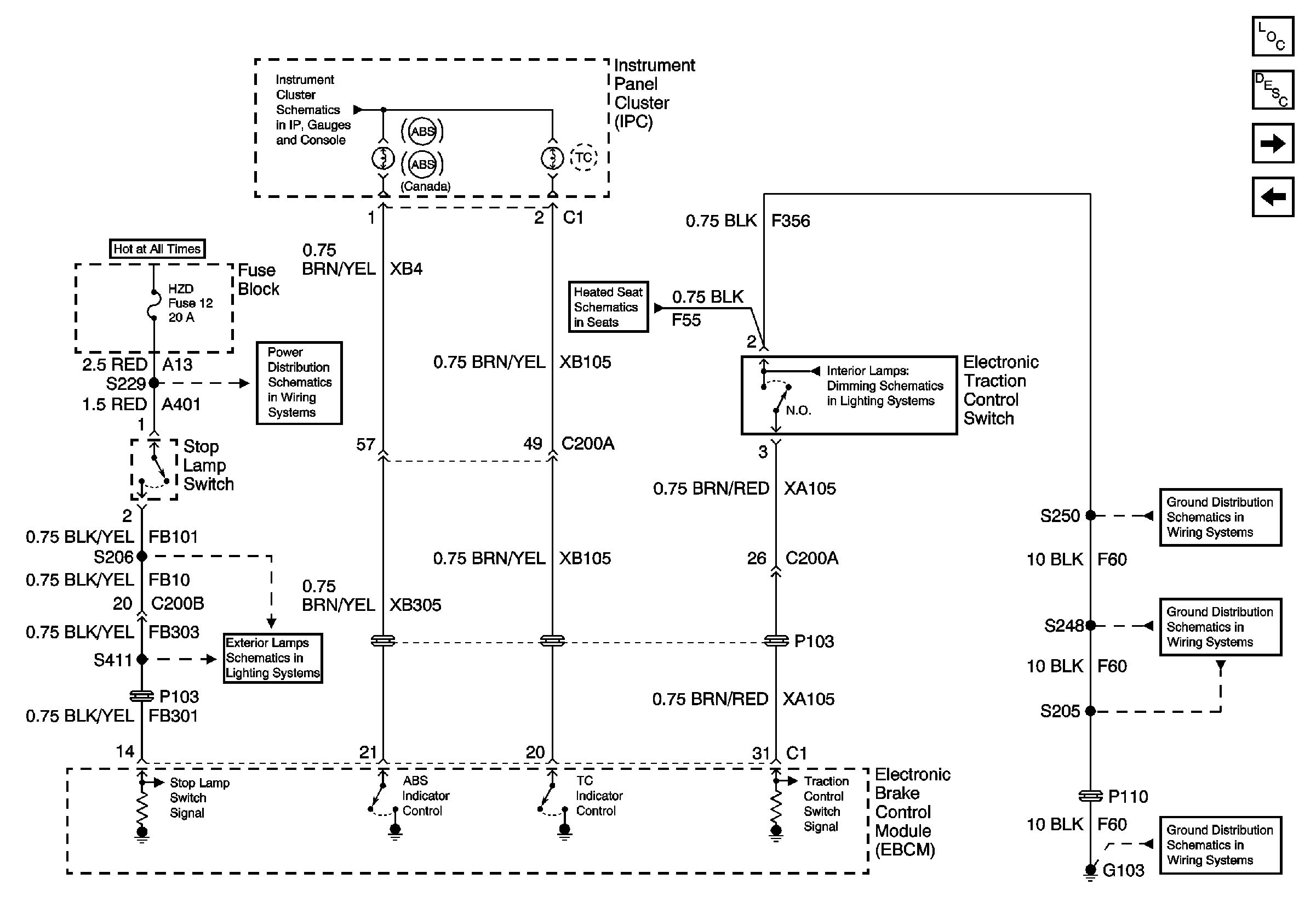
🢒 ElectronicTraction Control Switch, ABS Indicator and Stop Lamp Switch
ElectronicTraction Control Switch, ABS Indicator and Stop Lamp Switch
Electronic Traction Control Switch, ABS Indicator, and Stop Lamp Switch
Master Electrical Component List
ABS Description and Operation
CAN Interface and VSS Signal
EBCM, Power, Ground, and DLC
Power, Headlamps On Required, ABS, Traction Control, Sport Mode, Check Engine, Brake To Shift, Air Bag, Charging System Brake Pad Wear, Low Washer Fluid, Seat Belt Leveling, Brake and Cruise Indicator
Underhood Fuse Block Fuse V5 and Fuse Block Fuses 6, 7, 20, and 25
Fuse Block Fuses 4, 12, 21, and 32
Heated Seats Front
Page 2 of 2
Stop and Backup Lamps
G103 (7 of 8)
G103 (6 of 8)
G103 (1 of 8)