GM Service Manual Online
For 1990-2009 cars only
Makes
🢒
Cadillac
🢒
2001
🢒
Catera
🢒 Page 2 of 2
Page 2 of 2
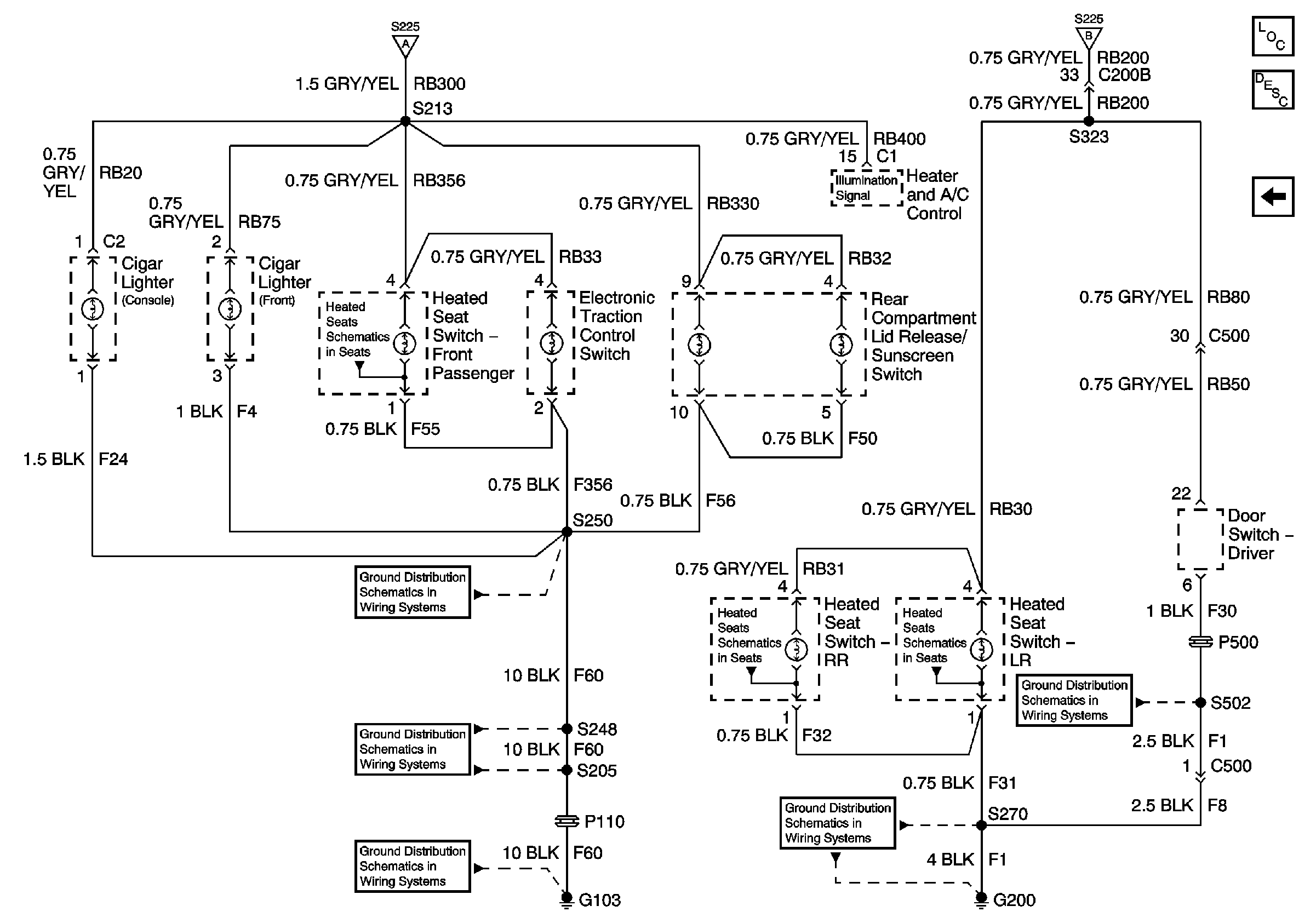
Cigar Lighters, Heated Seat Switches, Heater and A/C Control ETC Switch, Rear Compartment Lid Release/Sunscreen Switch and Door Switch - Driver
Master Electrical Component List
Interior Lighting Systems Description and Operation
Page 1 of 2
Page 1 of 2
Page 1 of 2
Heated Seats Front
G103 (7 of 8)
G103 (6 of 8)
G103 (1 of 8)
Heated Seat - RR
Heated Seat - LR
G200 (2 of 2)
G200 (1 of 2) and G203