GM Service Manual Online
For 1990-2009 cars only
Figure 1:

Power, Ground, MIL and DLC


Object Number: 1614717  Size: FS
Master Electrical Component List
Engine Control Module Description
Control Module References
Engine Data Sensors, 5V Reference Bussing
Engine Controls Schematic Icons
Underhood Fuse Block B+ Bus
Underhood Fuse Block - PWR/TRAIN, AIR PUMP, AIR/SOL Relays, AIR PUMP, AIR/SOL, ECM/CRNK, INJ/COIL, PWR TRN Fuses
Rear Fuse Block - MSM/RT FRT PWR SEAT, MSM LT FRT PWR SEAT, MSM/TILT STR WHL Circuit Breakers, SPARE (Early), ECT/TCM (Late), MSM LOGIC/RF MASSAGE Fuses
Underhood Fuse Block B+ Bus
Underhood Fuse Block - RUN/CRANK Relay, TRANS IGN 3, AIRBAG IGN 3, HVAC/IPC, ECM IGN 3 Fuses
Underhood Fuse Block B+ Bus
Rear Fuse Block IGN SWTCH, STR/WHL ILLUM Fuses
Rear Fuse Block - MSM/RT FRT PWR SEAT, MSM LT FRT PWR SEAT, MSM/TILT STR WHL Circuit Breakers, SPARE (Early), ECT/TCM (Late), MSM LOGIC/RF MASSAGE Fuses
G100, G112
DLC High Speed Serial Data
G100, G112
Engine Data Sensors Pressure, Temp and MAF/IAT
Figure 2:

Engine Data Sensors, 5-Volt Reference Bussing


Object Number: 1614721  Size: FS
Master Electrical Component List
Engine Control Module Description
Control Module References
Engine Data Sensors Pressure, Temp and MAF/IAT
Power, Ground, MIL and DLC
Engine Controls Schematic Icons
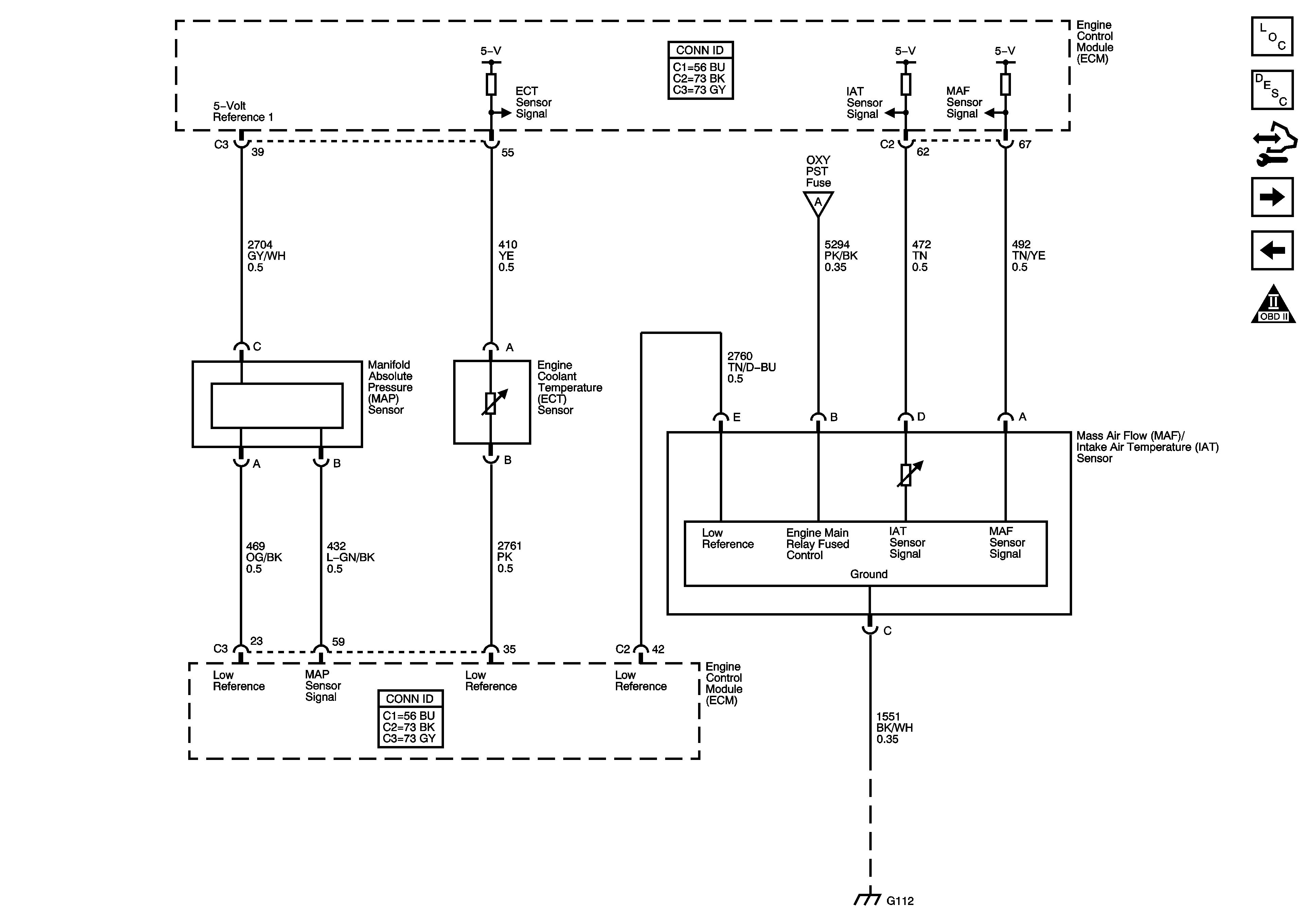
Figure 3:

Engine Data Sensors - Pressure, Temp and MAF/IAT


Object Number: 1614723  Size: FS
Master Electrical Component List
Engine Control Module Description
Control Module References
Engine Data Sensors, HO2S
Engine Data Sensors, 5V Reference Bussing
Engine Controls Schematic Icons
Power, Ground, MIL and DLC
G100, G112
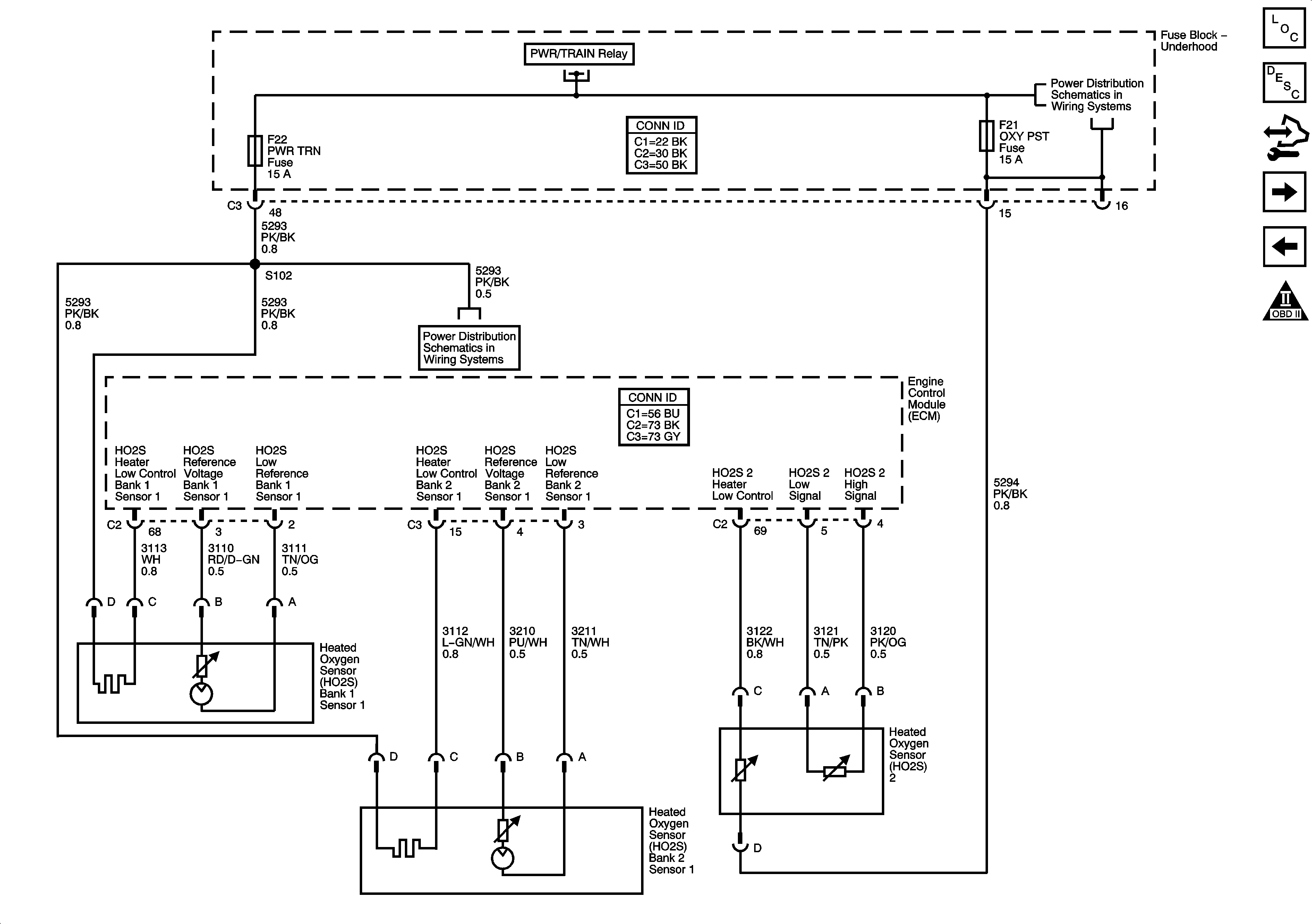
Figure 4:

Engine Data Sensors, HO2S


Object Number: 1614725  Size: FS
Master Electrical Component List
Engine Control Module Description
Control Module References
Engine Data Sensors, APP and Throttle Body Assembly
Engine Data Sensors Pressure, Temp and MAF/IAT
Engine Controls Schematic Icons
Underhood Fuse Block - PWR/TRAIN, AIR PUMP, AIR/SOL Relays, AIR PUMP, AIR/SOL, ECM/CRNK, INJ/COIL, PWR TRN Fuses
Underhood Fuse Block - PWR/TRAIN, AIR PUMP, AIR/SOL Relays, AIR PUMP, AIR/SOL, ECM/CRNK, INJ/COIL, PWR TRN Fuses
Underhood Fuse Block - AIR PUMP, AIR/SOL, A/C, COOL/FAN 2, COOL/FAN, COOL FAN 1 Relays, INJ/COIL, OXY PST Fuses
Figure 5:

Engine Data Sensors, APP and Throttle Body Assembly


Object Number: 1614726  Size: FS
Master Electrical Component List
Throttle Actuator Control (TAC) System Description
Control Module References
Ignition Controls 1 of 2
Engine Data Sensors, HO2S
Engine Controls Schematic Icons
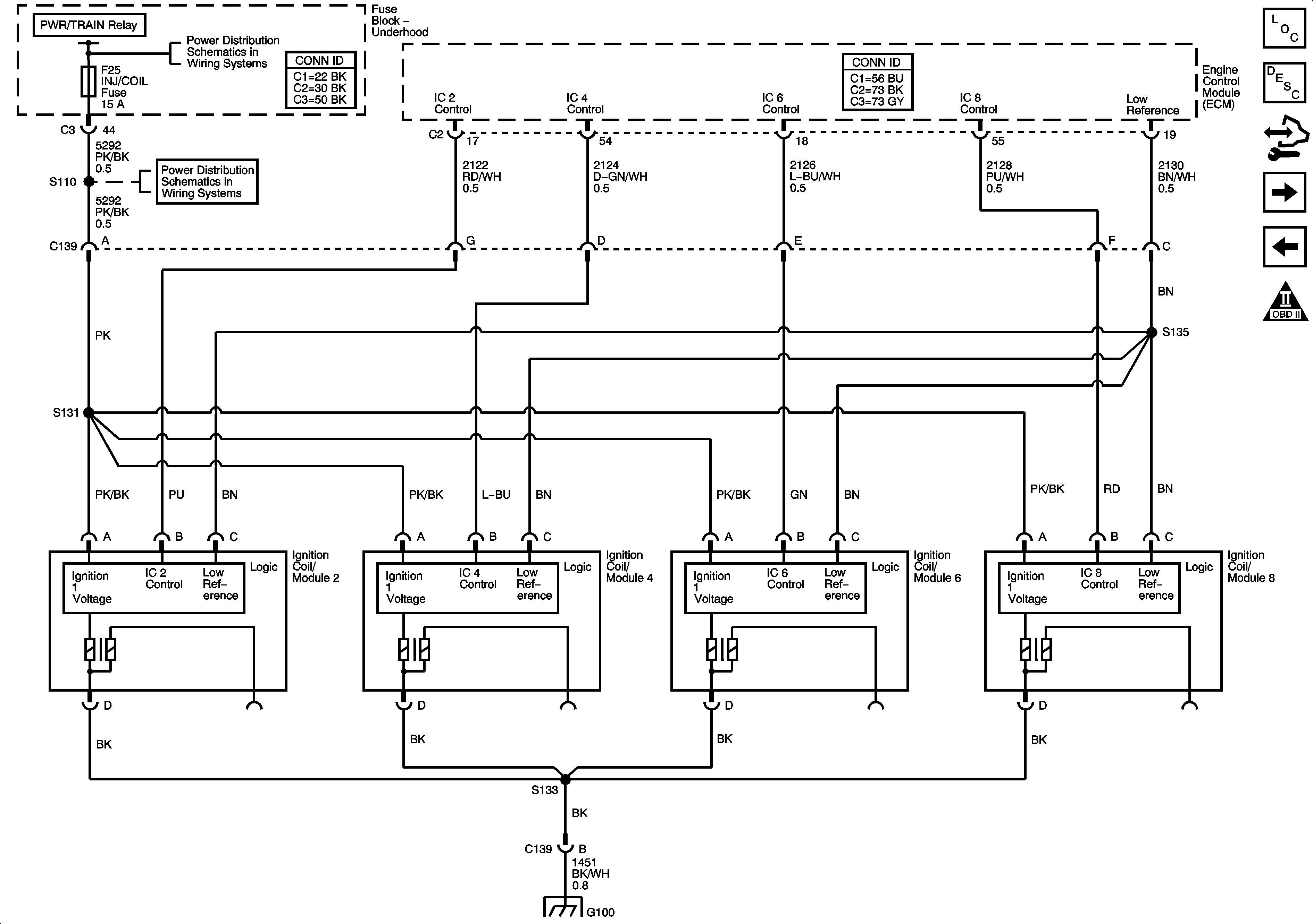
Figure 6:

Ignition Controls - 1 of 2


Object Number: 1614728  Size: FS
Master Electrical Component List
Electronic Ignition (EI) System Description
Control Module References
Ignition Controls 2 of 2
Engine Data Sensors, APP and Throttle Body Assembly
Engine Controls Schematic Icons
Underhood Fuse Block B+ Bus
G100, G112
Underhood Fuse Block - PWR/TRAIN, AIR PUMP, AIR/SOL Relays, AIR PUMP, AIR/SOL, ECM/CRNK, INJ/COIL, PWR TRN Fuses
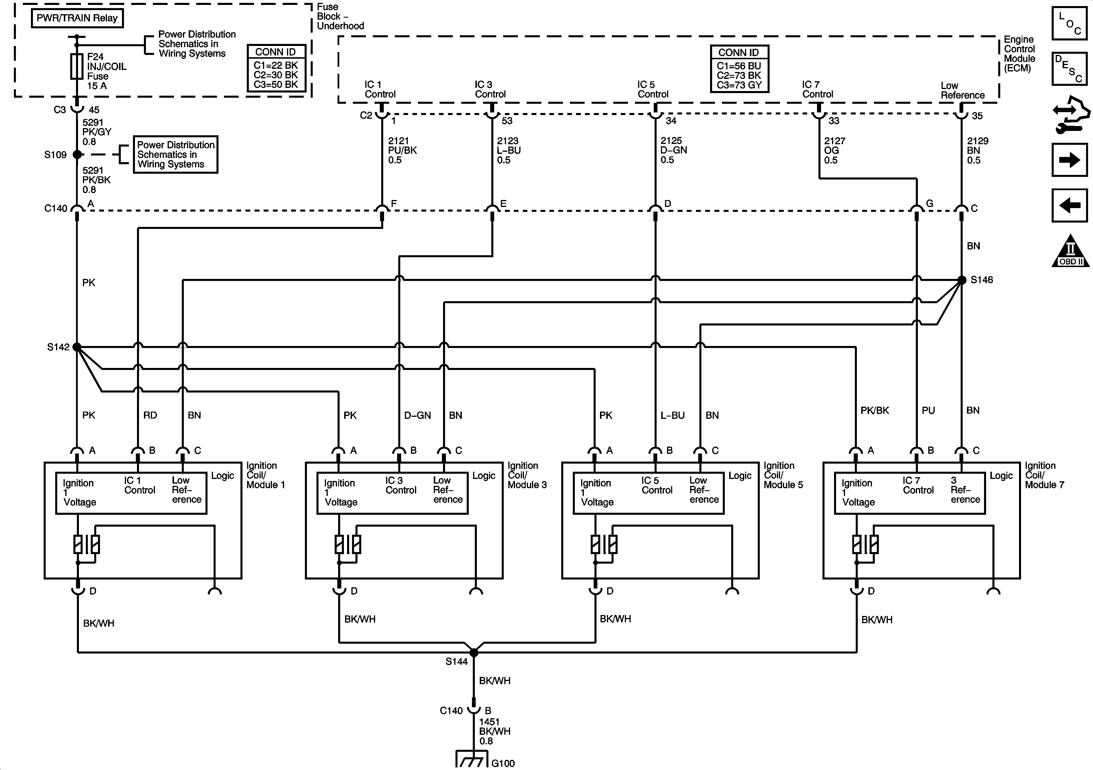
Figure 7:

Ignition Controls - 2 of 2


Object Number: 1614729  Size: FS
Master Electrical Component List
Electronic Ignition (EI) System Description
Control Module References
CKP, CMP, Knock Sensors
Ignition Controls 1 of 2
Engine Controls Schematic Icons
Underhood Fuse Block B+ Bus
Underhood Fuse Block - AIR PUMP, AIR/SOL, A/C, COOL/FAN 2, COOL/FAN, COOL FAN 1 Relays, INJ/COIL, OXY PST Fuses
G100, G112
Figure 8:

CKP, CMP, Knock Sensors


Object Number: 1614730  Size: FS
Master Electrical Component List
Electronic Ignition (EI) System Description
Control Module References
Fuel Controls
Ignition Controls 2 of 2
Engine Controls Schematic Icons
Engine Controls Schematic Icons
Engine Controls Schematic Icons
Engine Controls Schematic Icons
Engine Controls Schematic Icons
Figure 9:

Fuel Controls


Object Number: 1614731  Size: FS
Master Electrical Component List
Electronic Ignition (EI) System Description
Control Module References
EVAP Controls
CKP, CMP, Knock Sensors
Engine Controls Schematic Icons
Underhood Fuse Block B+ Bus
Underhood Fuse Block B+ Bus
Underhood Fuse Block - PWR/TRAIN, AIR PUMP, AIR/SOL Relays, AIR PUMP, AIR/SOL, ECM/CRNK, INJ/COIL, PWR TRN Fuses
Underhood Fuse Block - AIR PUMP, AIR/SOL, A/C, COOL/FAN 2, COOL/FAN, COOL FAN 1 Relays, INJ/COIL, OXY PST Fuses
G301
G403
Engine Data Sensors, 5V Reference Bussing
Figure 10:

EVAP Controls


Object Number: 1614733  Size: FS
Master Electrical Component List
Fuel System Description
Control Module References
AIR, EGR
Fuel Controls
Engine Controls Schematic Icons
Underhood Fuse Block B+ Bus
Rear Fuse Block B+ Bus
Underhood Fuse Block - PWR/TRAIN, AIR PUMP, AIR/SOL Relays, AIR PUMP, AIR/SOL, ECM/CRNK, INJ/COIL, PWR TRN Fuses
Engine Data Sensors, 5V Reference Bussing
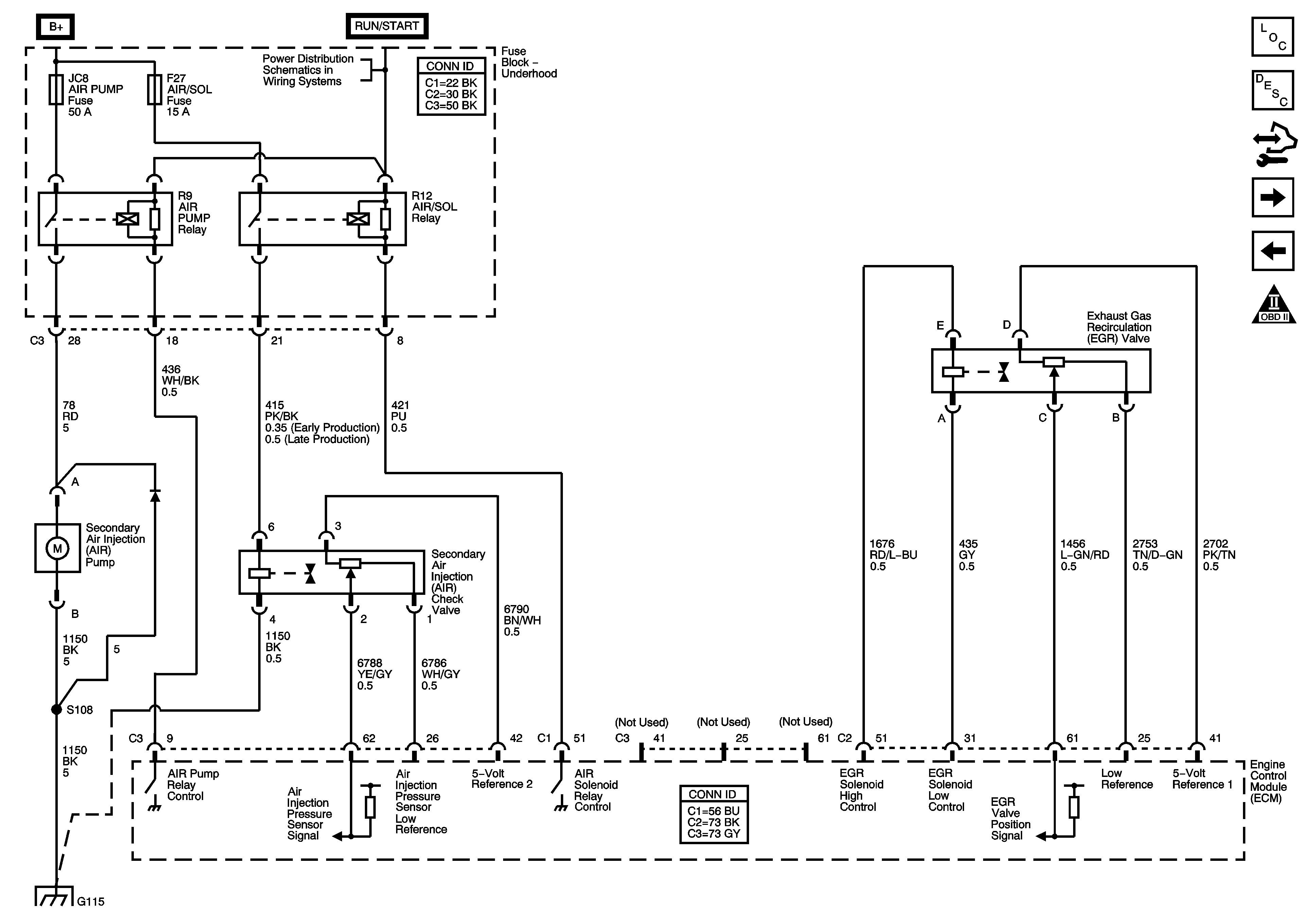
Figure 11:

AIR, EGR


Object Number: 1614734  Size: FS
Master Electrical Component List
Secondary Air Injection System Description
Control Module References
Controlled/Monitored Subsystem References
EVAP Controls
Engine Controls Schematic Icons
Underhood Fuse Block B+ Bus
G101, G110, G111, G114, G115, G302, G303, G306, G307
Figure 12:

Controlled/Monitored Subsystem References


Object Number: 1614735  Size: FS
Master Electrical Component List
Engine Control Module Description
Control Module References
AIR, EGR
Engine Controls Schematic Icons
TCM Power Ground
Starting Schematic 1 of 2
Charging Schematic
Engine Cooling Schematics
A/T Shift Lock Control Schematic
Oil Level, EOP, Fuel Level Sensor
Oil Level, EOP, Fuel Level Sensor
Compressor Controls
Stop/Rear Turn Signal Lamps