GM Service Manual Online
For 1990-2009 cars only
Figure 1:

Power, Ground, Blower Motor Controls


Object Number: 1758233  Size: FS
Master Electrical Component List
Air Temperature Description and Operation
Control Module References
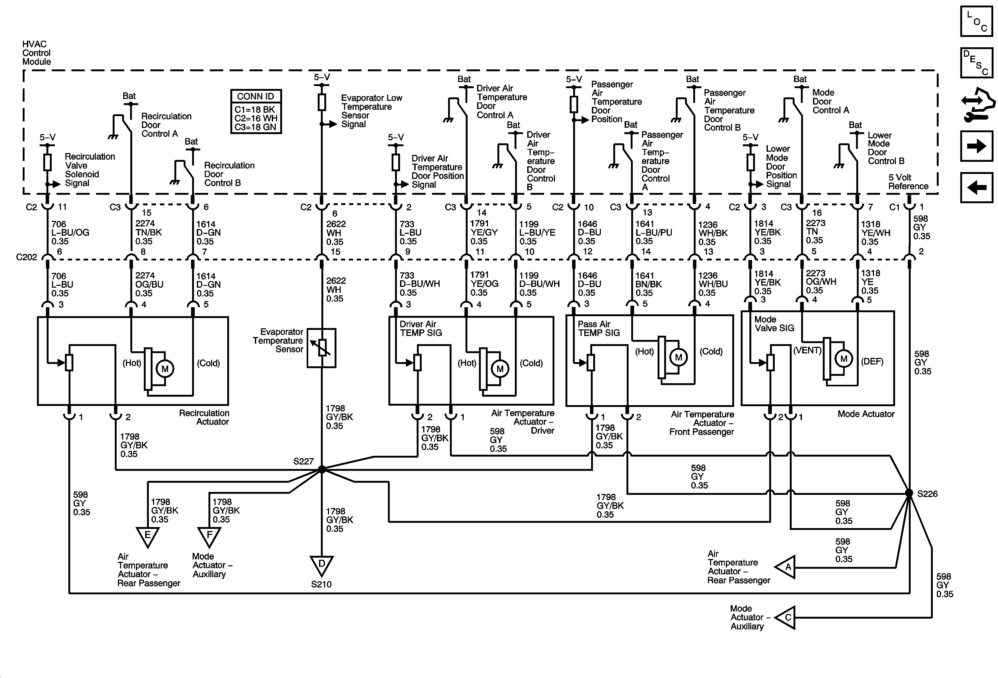
Mode and Air Temperature Controls
Rear Fuse Block B+
Rear Fuse Block - PRK LAMP, RT PRK LAMP (Export), EXP LIC LAMP Relays, I/P HARN MDL, LT PRK LAMP, RT PRK LAMP Fuses
Underhood Fuse Block B+
RUN/CRANK Relay, TRANS IGN 3, AIRBAG IGN 3, HVAC/IPC, ECM IGN 3 Fuses
Rear Fuse Block - PRK LAMP, RT PRK LAMP (Export), EXP LIC LAMP Relays, I/P HARN MDL, LT PRK LAMP, RT PRK LAMP Fuses
RUN/CRANK Relay, TRANS IGN 3, AIRBAG IGN 3, HVAC/IPC, ECM IGN 3 Fuses
Defogger Schematics
G304
G300
Hazard, Headlamp, Driver Information Display Switches, Ashtray, HVAC Control Module, Radio, Clock
Mode and Air Temperature Controls
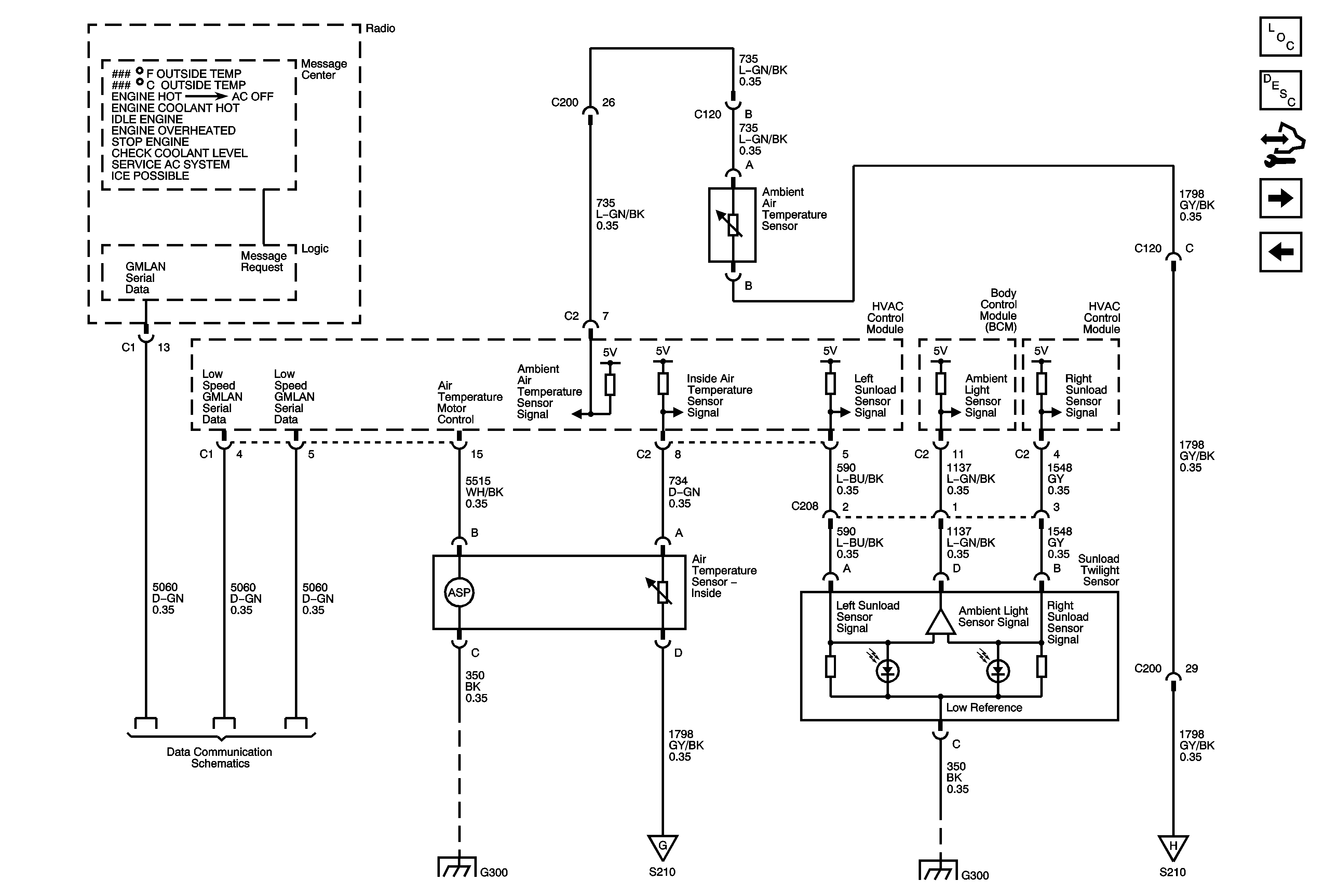
Air Temperature Sensors
Air Temperature Sensors
G100, G112
Figure 2:

Mode and Air Temperature Controls


Object Number: 1758237  Size: FS
Master Electrical Component List
Air Temperature Description and Operation
Control Module References
Compressor Controls
Power, Ground, Blower Motor Control
Auxiliary HVAC CJ4
Auxiliary HVAC CJ4
Power, Ground, Blower Motor Control
Auxiliary HVAC CJ4
Auxiliary HVAC CJ4
Figure 3:

Compressor Controls


Object Number: 1758238  Size: FS
Master Electrical Component List
Air Temperature Description and Operation
Control Module References
Air Temperature Sensors
Mode and Air Temperature Controls
High Speed Serial Data
Underhood Fuse Block B+
Underhood Fuse Block B+
G101, G110, G111, G114, G115, G302, G303, G306, G307
Figure 4:

Air Temperature Sensors


Object Number: 1758242  Size: FS
Master Electrical Component List
Air Temperature Description and Operation
Control Module References
Auxiliary HVAC CJ4
Compressor Controls
Power, Ground and Low Speed GMLAN
G300
Power, Ground, Blower Motor Control
G300
Power, Ground, Blower Motor Control
Figure 5:

Auxiliary HVAC (CJ4)


Object Number: 1758243  Size: FS
Master Electrical Component List
Air Temperature Description and Operation
Control Module References
Air Temperature Sensors
Rear Fuse Block B+
Rear Fuse Block B+
Rear Fuse Block - AIRBAG, OBJ SNSR, ONSTAR/S-BAND, BODY HARN MDL Fuses
HVAC Control Module, Steering Wheel, Heated Seat KA6, Telltale Assembly Info Center
Power, Ground and Low Speed GMLAN
Mode and Air Temperature Controls
Mode and Air Temperature Controls
Mode and Air Temperature Controls
Mode and Air Temperature Controls
G304