GM Service Manual Online
For 1990-2009 cars only
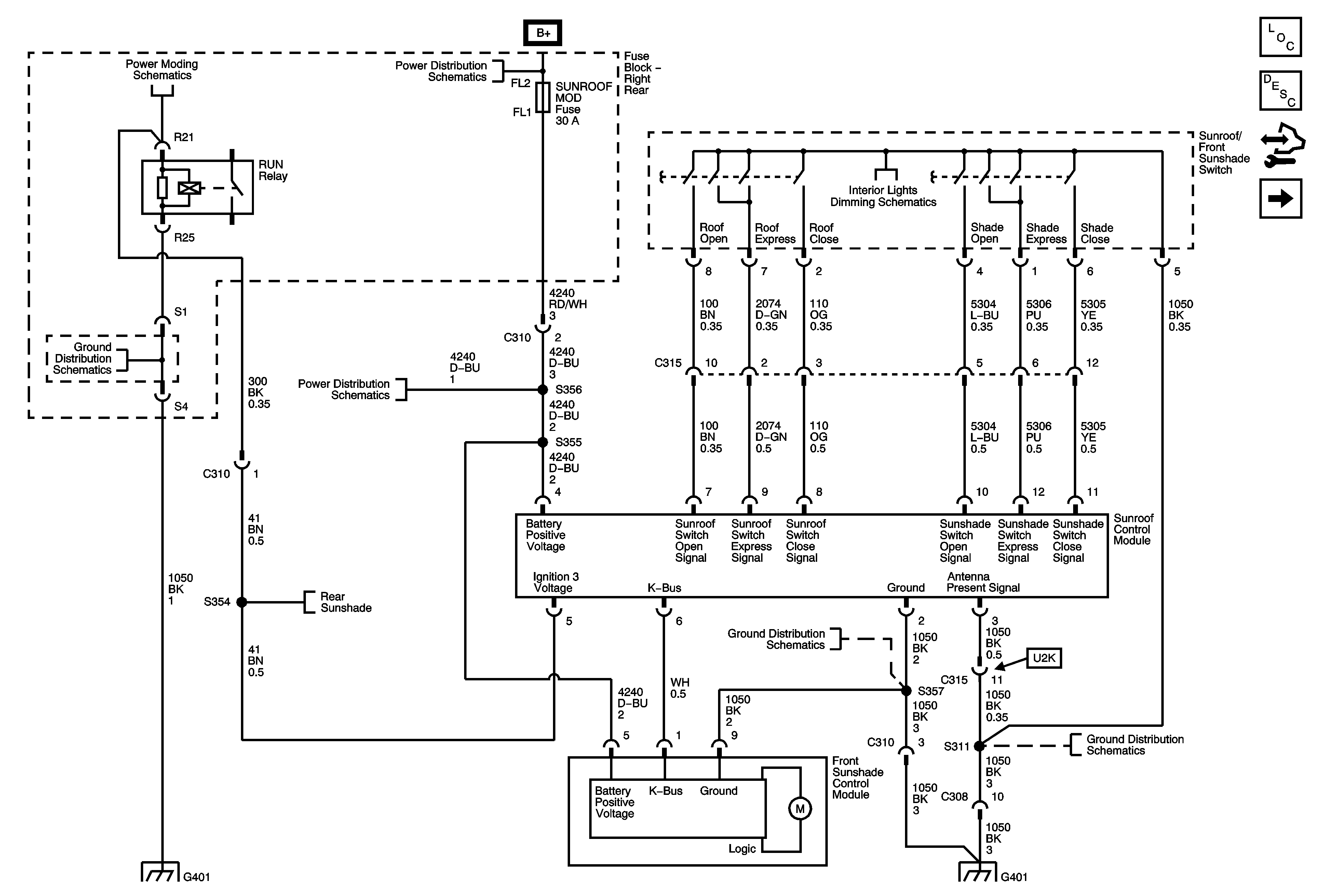
Figure 1:

Sunroof and Front Sunshade -- Domestic


Object Number: 1749738  Size: FS
Master Electrical Component List
Sunroof Description and Operation
Control Module References
Rear Sunshade - Domestic
Right Rear Fuse Block B+ Bus
Dimming Lamps (3 of 3)
PWR SEATS Circuit Breaker, SUNROOF MOD Fuse, THEFT VGDO/RFA Fuse
Power Modes - ACCY and RAP
G401 (1 of 3)
G401 (2 of 3)
G401 (1 of 3)
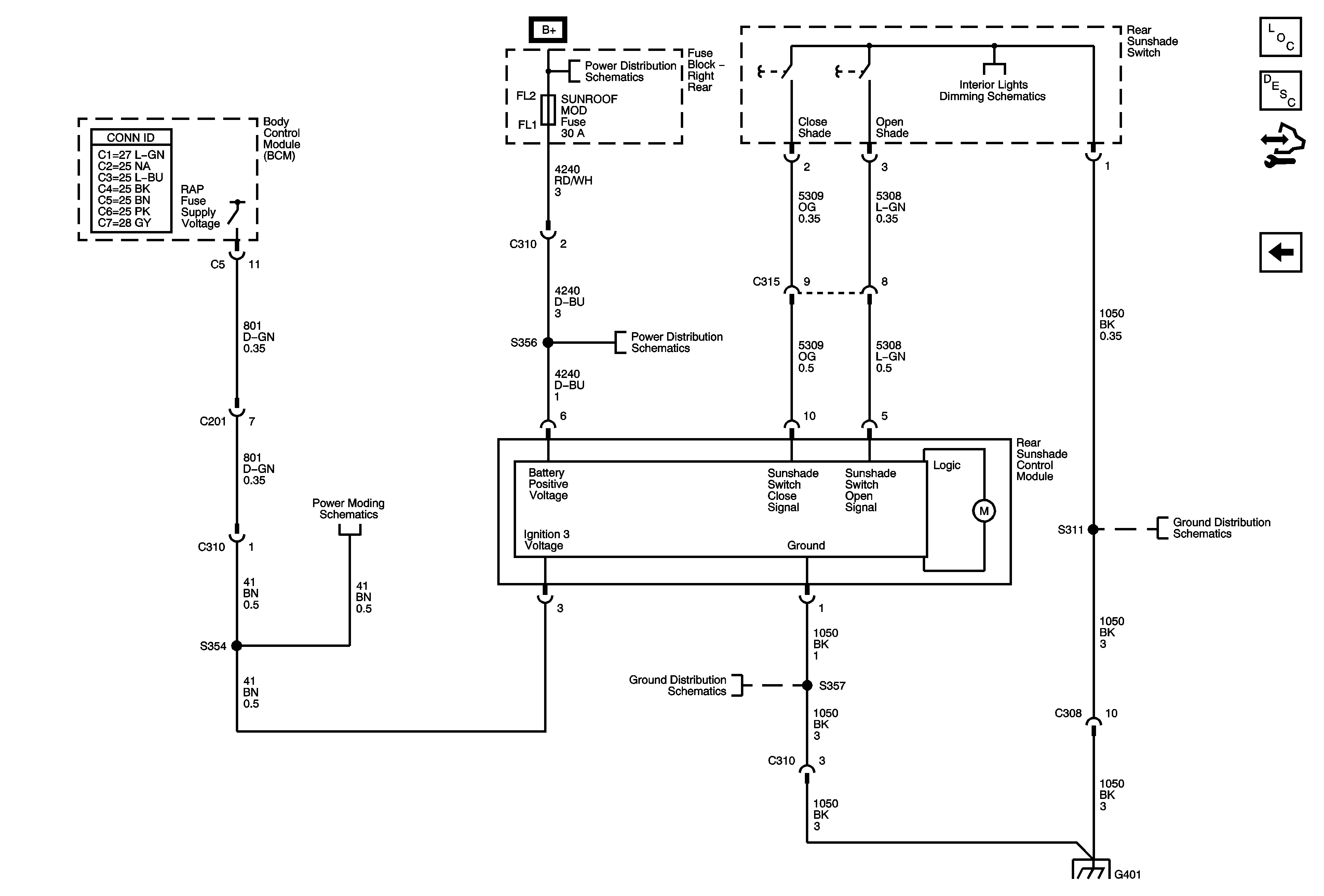
Figure 2:

Rear Sunshade -- Domestic


Object Number: 1749739  Size: FS
Master Electrical Component List
Sunroof Description and Operation
Control Module References
Sunroof and Front Sunshade - Domestic
Right Rear Fuse Block B+ Bus
Dimming Lamps (3 of 3)
PWR SEATS Circuit Breaker, SUNROOF MOD Fuse, THEFT VGDO/RFA Fuse
Power Modes - ACCY and RAP
G401 (2 of 3)
G401 (1 of 3)
G401 (1 of 3)
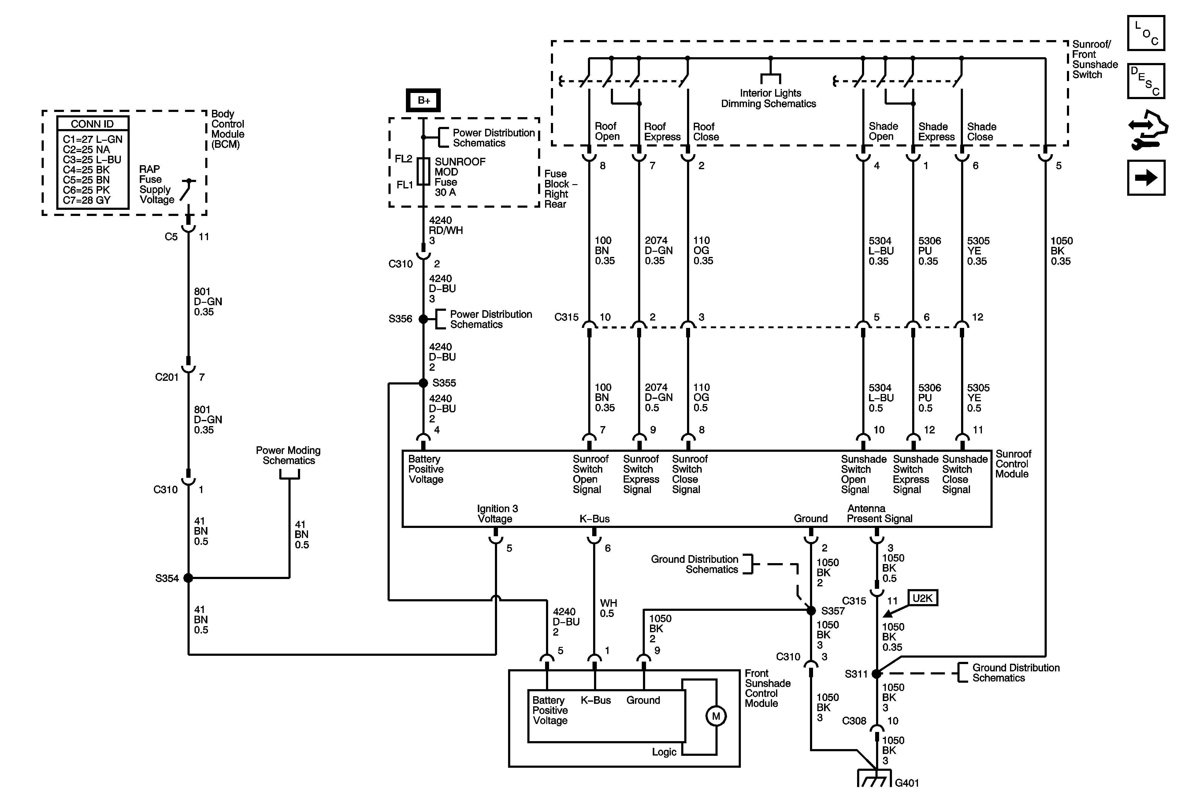
Figure 3:

Sunroof and Front Sunshade -- Export


Object Number: 1749740  Size: FS
Master Electrical Component List
Sunroof Description and Operation
Control Module References
Rear Sunshade - Export
Ignition Power Modes - RUN
Right Rear Fuse Block B+ Bus
Dimming Lamps (3 of 3)
G401 (3 of 3)
PWR SEATS Circuit Breaker, SUNROOF MOD Fuse, THEFT VGDO/RFA Fuse
Rear Sunshade - Export
G401 (1 of 3)
G401 (2 of 3)
G401 (3 of 3)
G401 (1 of 3)
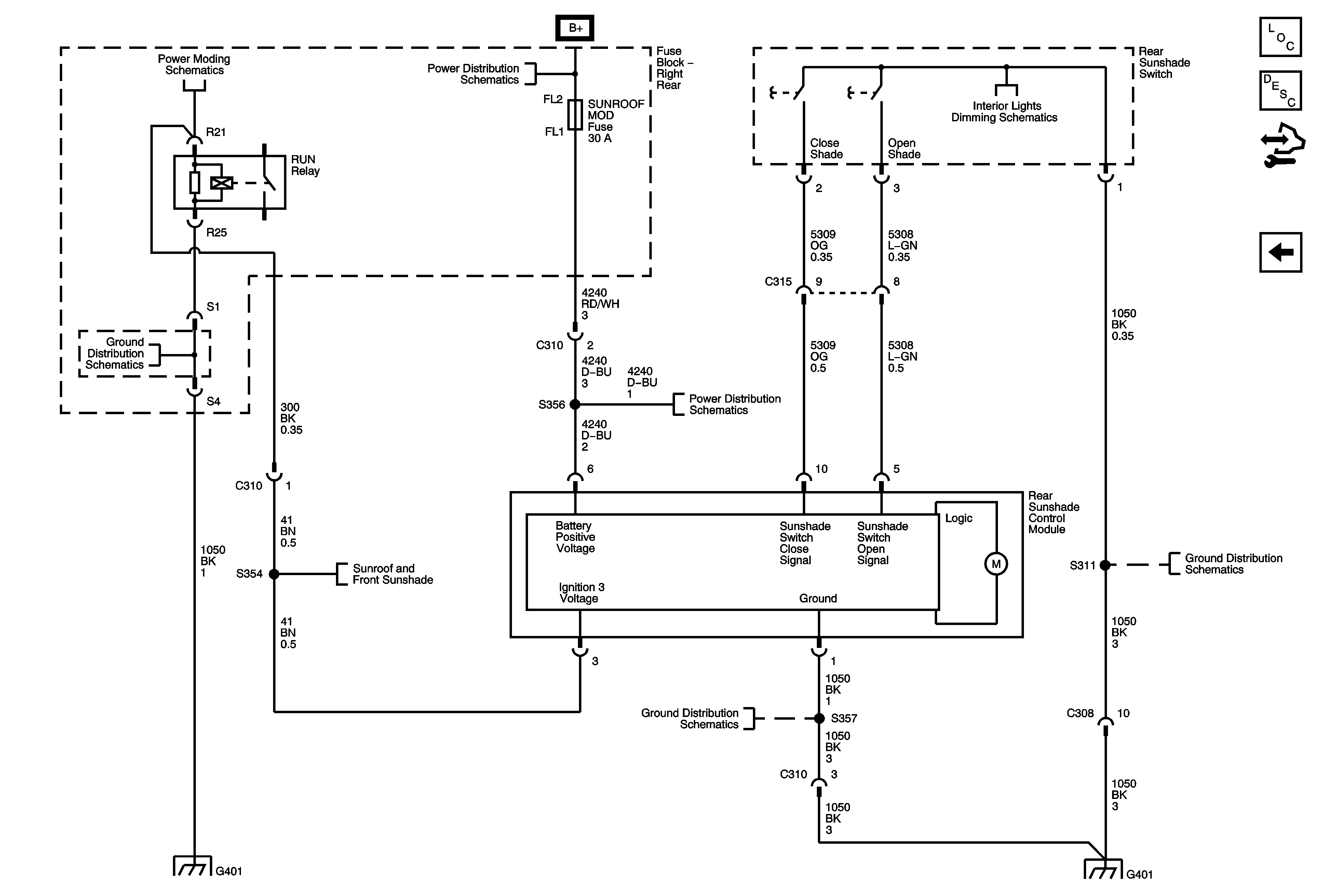
Figure 4:

Rear Sunshade --Export


Object Number: 1749741  Size: FS
Master Electrical Component List
Sunroof Description and Operation
Control Module References
Sunroof and Front Sunshade - Export
Ignition Power Modes - RUN
Right Rear Fuse Block B+ Bus
Dimming Lamps (3 of 3)
G401 (3 of 3)
PWR SEATS Circuit Breaker, SUNROOF MOD Fuse, THEFT VGDO/RFA Fuse
Sunroof and Front Sunshade - Export
G401 (1 of 3)
G401 (2 of 3)
G401 (3 of 3)
G401 (1 of 3)