GM Service Manual Online
For 1990-2009 cars only
Makes
🢒
Cadillac
🢒
2005
🢒
XLR
🢒
Vehicle Control Systems
🢒
Vehicle DTC Information
🢒 Instrument Cluster Schematics
Figure
1:
DLC, Ground, Indicators, and Power
Master Electrical Component List
Instrument Cluster Description and Operation
Control Module References
Gages
BCM Fuses - AC LATCH/PK BRK B, CLUSTER, DOOR LOCKS, HVAC/PWR SND, INTERIOR LIGHTS, ISRVM/HVAC, and TUTD SW/STRG COL SW
BCM Fuses - AC LATCH/PK BRK B, CLUSTER, DOOR LOCKS, HVAC/PWR SND, INTERIOR LIGHTS, ISRVM/HVAC, and TUTD SW/STRG COL SW
Brake Warning System
Park Lamp Control, Side Marker, Park and Position Lamps
Turn Signal and Hazard Lamps - Europe and Japan
DLC, Ground, MIL and Power
G104 and G106
G201
Park Brake System
Wiper Switch, Washers and Outside Moisture Sensor
DLC - Class 2
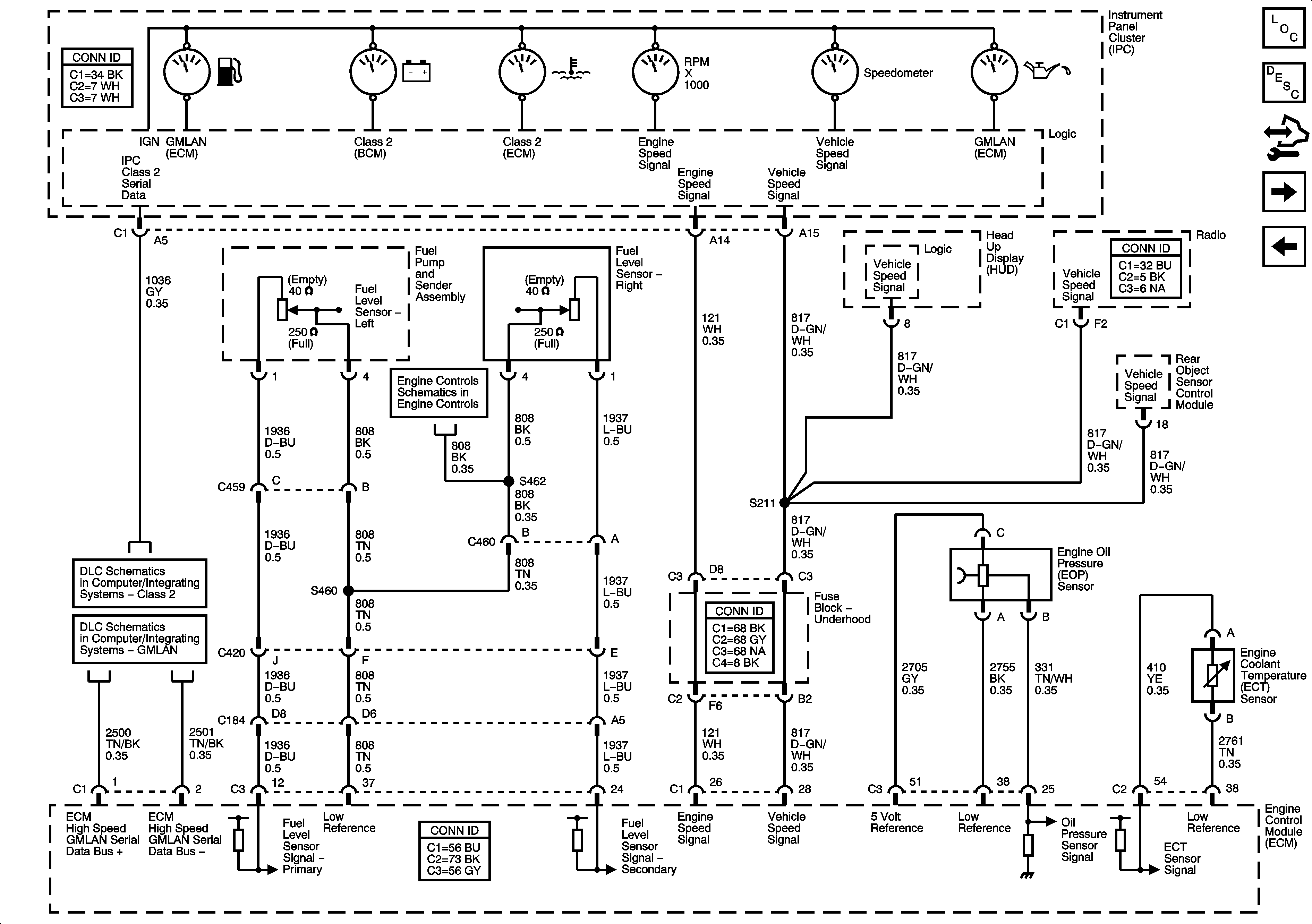
Figure
2:
Gages
Master Electrical Component List
Instrument Cluster Description and Operation
Control Module References
Messages
DLC, Ground, Indicators and Power
Low Reference Bussing
DLC - Class 2
GMLAN
Figure
3:
Messages
Master Electrical Component List
Indicator/Warning Message Description and Operation
Control Module References
Gages
DLC - Class 2
GMLAN
Dimmer Controls, IPC, Switches and DLC
Head Up Display
Head Up Display
G102