GM Service Manual Online
For 1990-2009 cars only
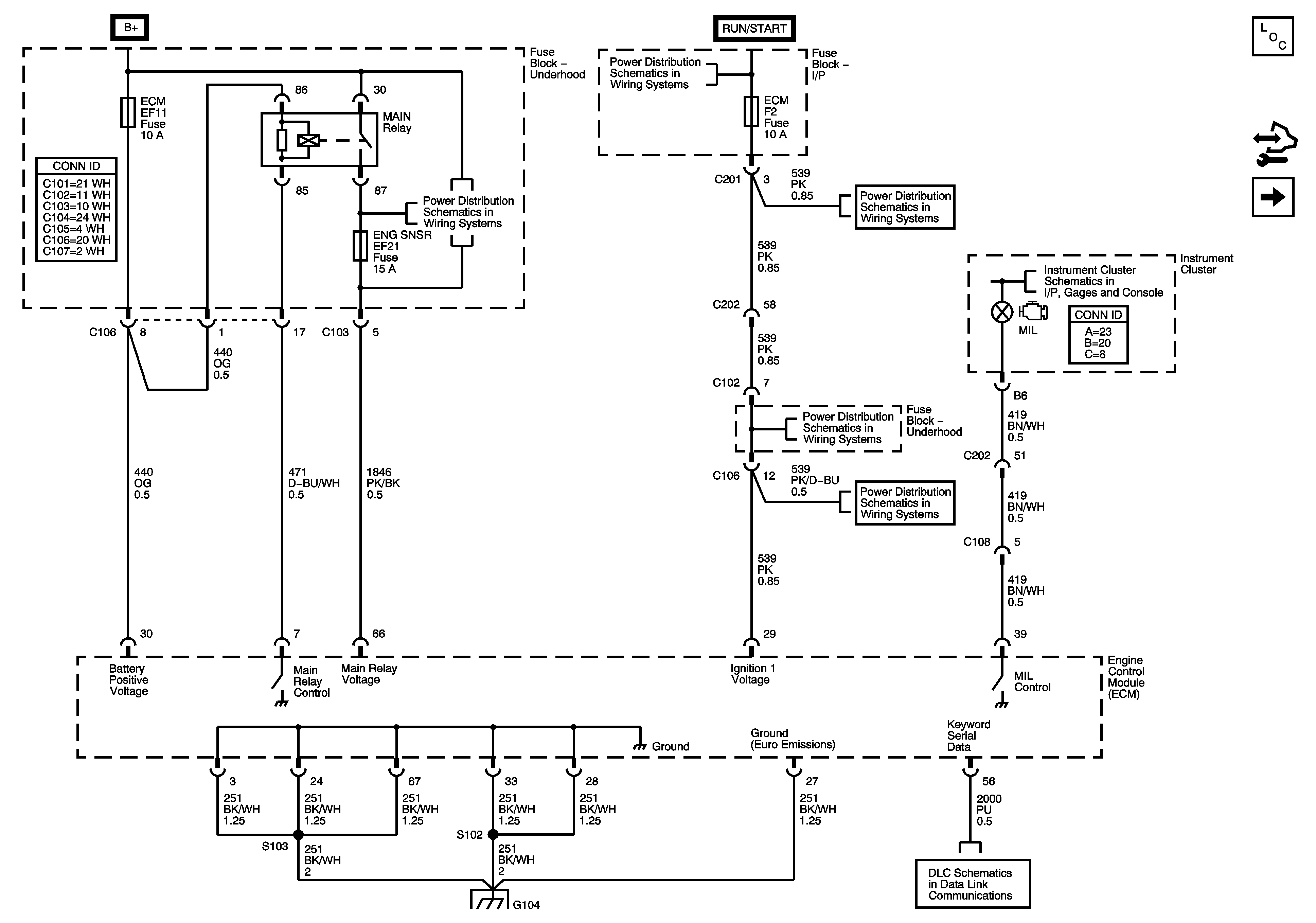
Figure 1:

Module Power, Ground, Serial Data, Malfunction Indicator Lamp (MIL)


Object Number: 1471558  Size: FS
Master Electrical Component List
Engine Data Sensors - Pressure and Temperature
Underhood Fuse Block - MAIN Relay and ECM, ENG SNSR, and INJ Fuses - MR-140
I/P Fuse Block - ECM Fuse
I/P Fuse Block - ECM Fuse
I/P Fuse Block - ECM Fuse
I/P Fuse Block - ECM Fuse
Power, Ground and Gages - 1.4L/1.6L
MR140
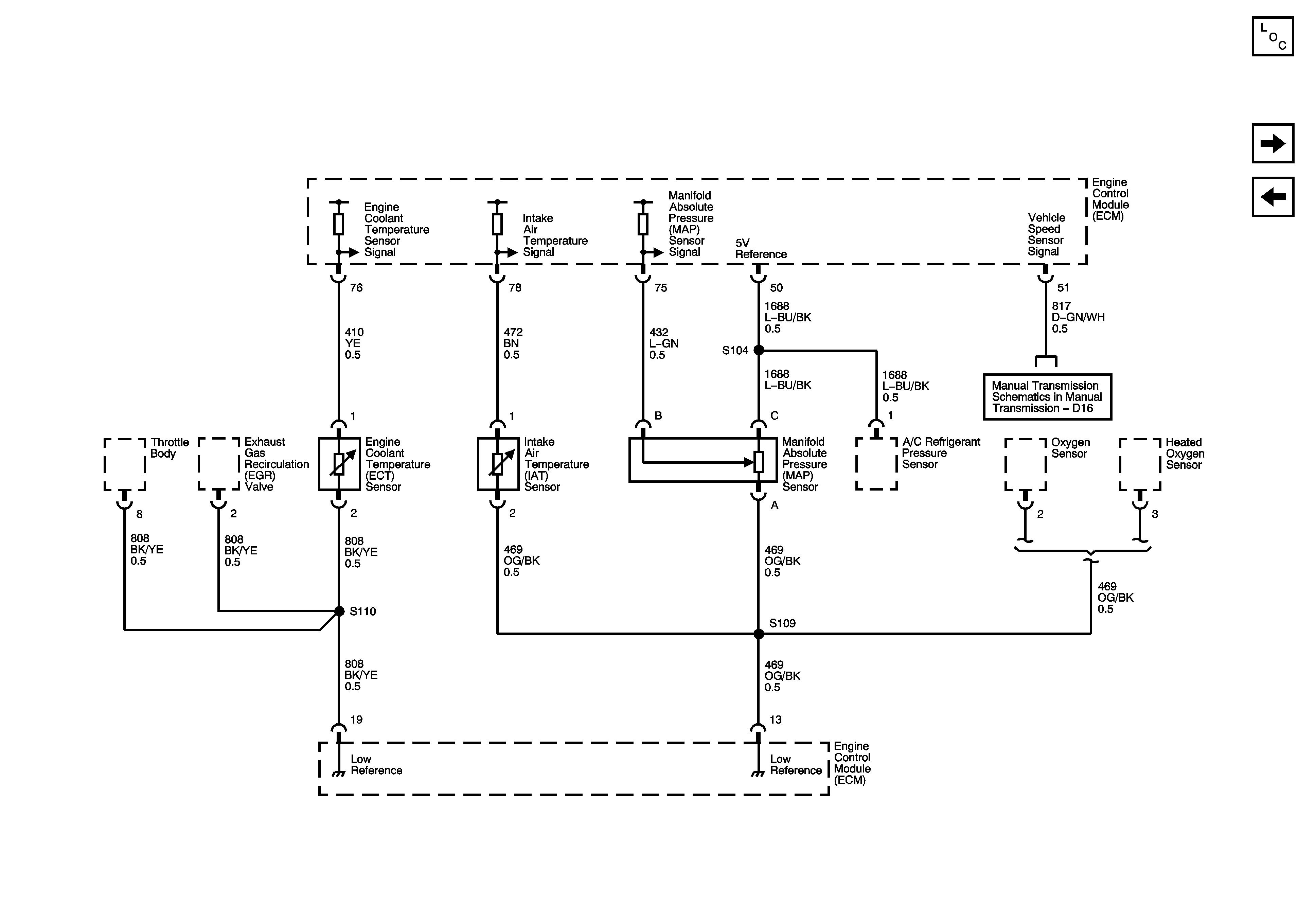
Figure 2:

Engine Data Sensors - Pressure and Temperature


Object Number: 1471559  Size: FS
Master Electrical Component List
Engine Data Sensors - Oxygen Sensors (O2S)
Module Power, Ground, Serial Data, Malfunction Indicator Lamp (MIL)
Vehicle Speed Sensor (VSS)
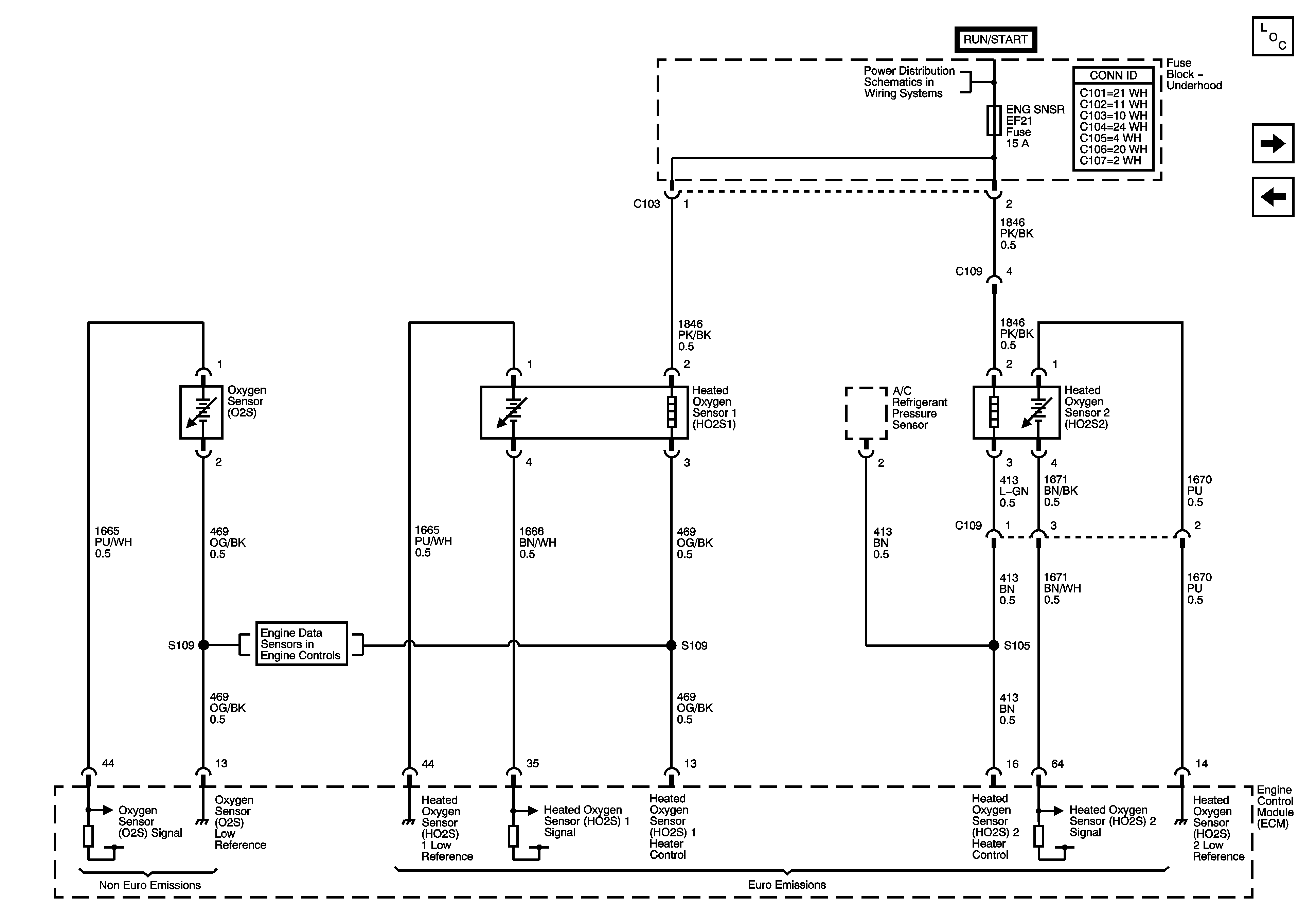
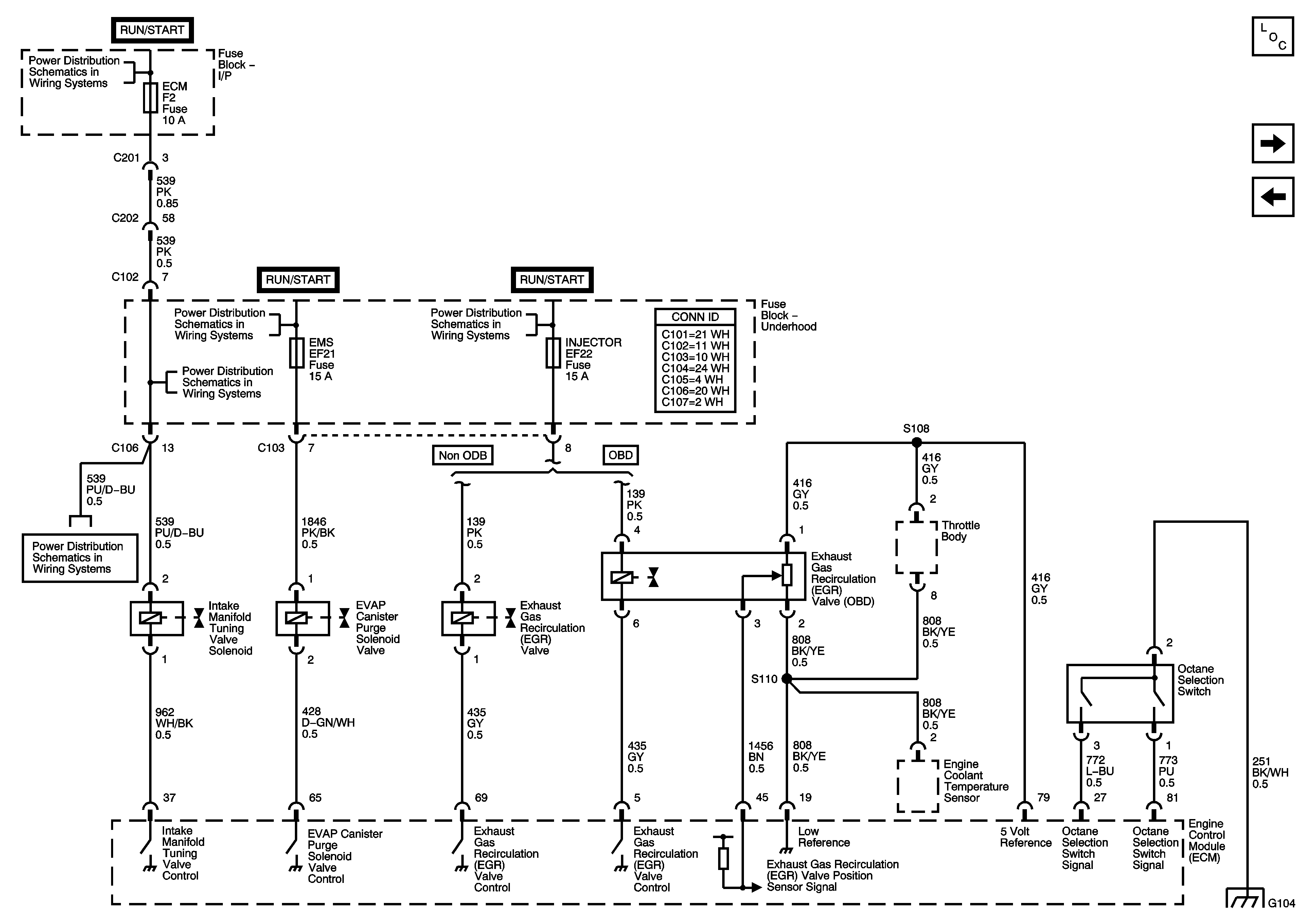
Figure 3:

Engine Data Sensors - Oxygen Sensors (O2S)


Object Number: 1471560  Size: FS
Master Electrical Component List
Ignition Controls - Ignition System
Engine Data Sensors - Pressure and Temperature
Underhood Fuse Block - MAIN Relay and ECM, ENG SNSR, and INJ Fuses - MR-140
Engine Data Sensors - Pressure and Temperature
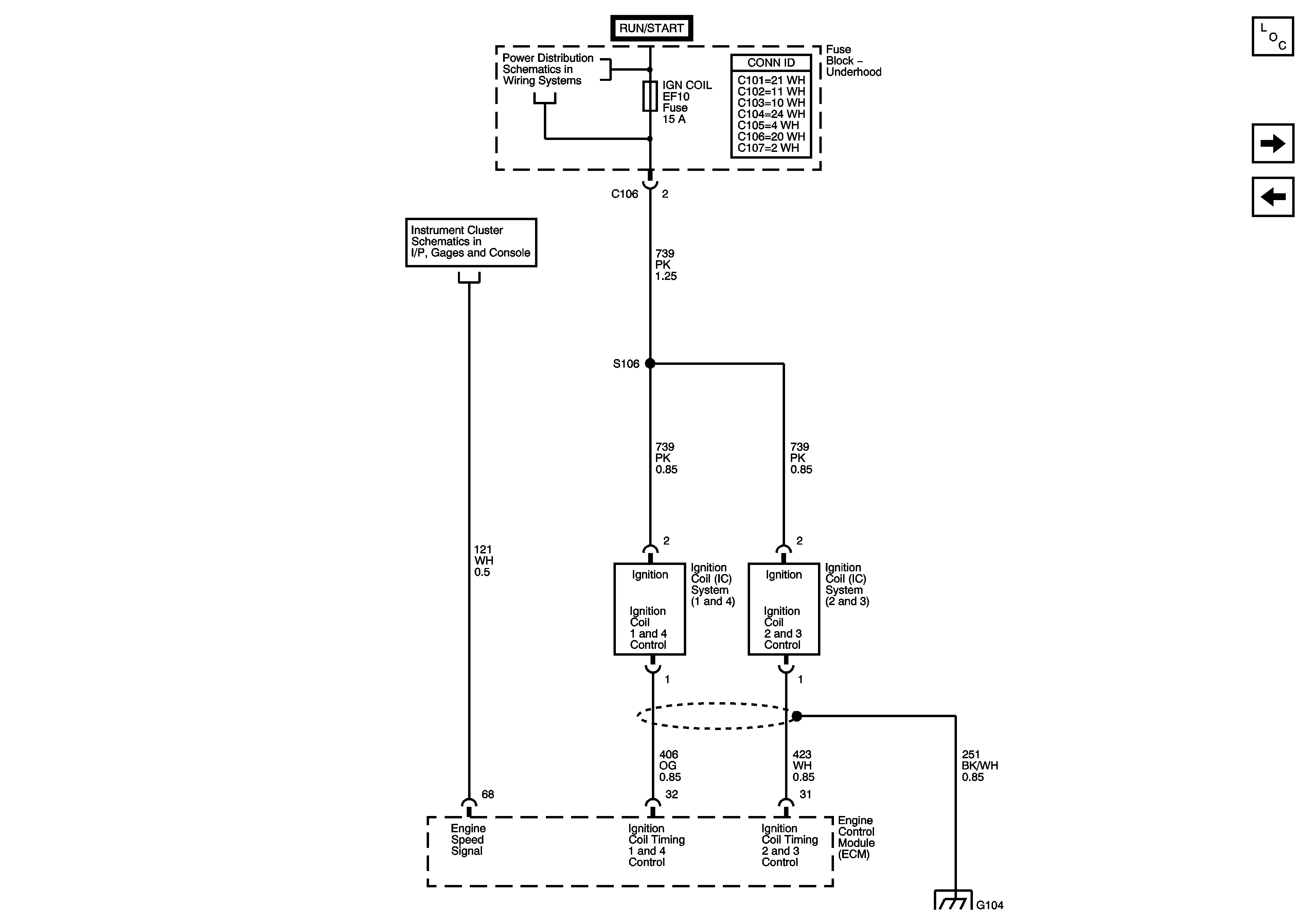
Figure 4:

Ignition Controls - Ignition System


Object Number: 1471561  Size: FS
Master Electrical Component List
Ignition Controls Sensors
Engine Data Sensors - Oxygen Sensors (O2S)
Underhood Fuse Block - FUEL PUMP Relay and FUEL PUMP and IGN COIL Fuses
Power, Ground and Gages - 1.4L/1.6L
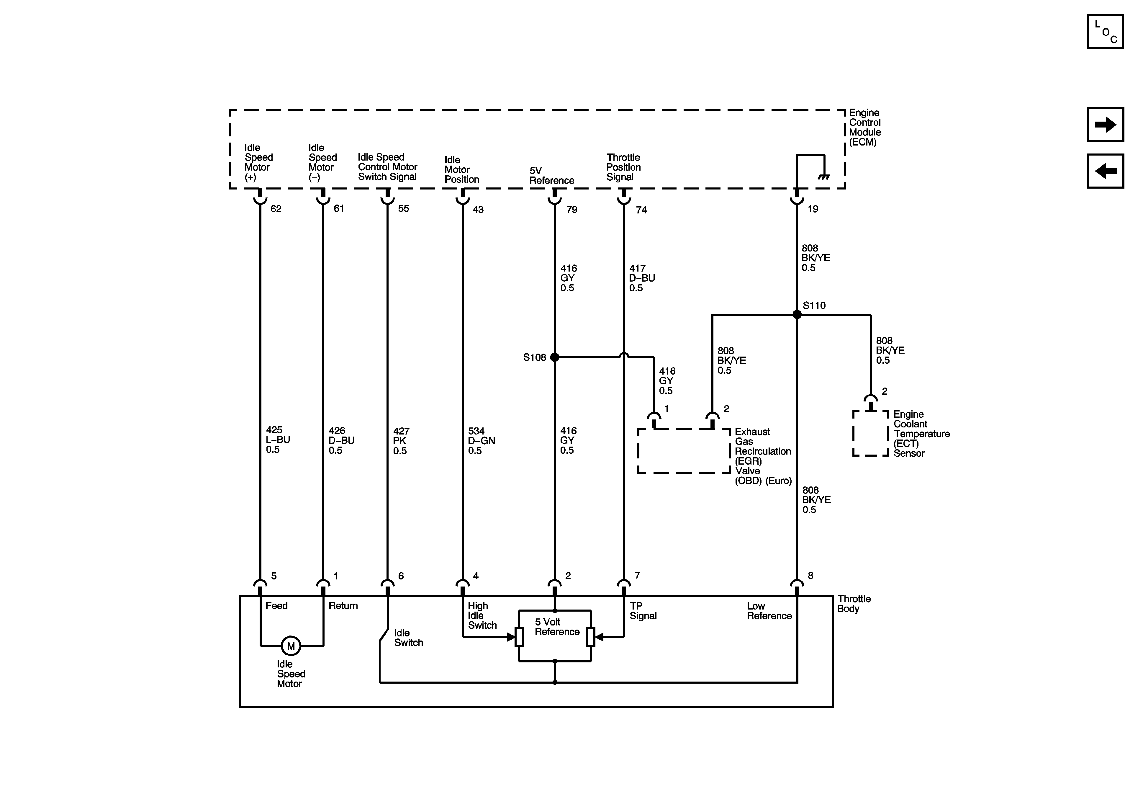
Figure 5:

Ignition Controls Sensors


Object Number: 1471562  Size: FS
Master Electrical Component List
Engine Data Sensors - Main Throttle Intake Acuator (MTIA)
Ignition Controls - Ignition System
Underhood Fuse Block - MAIN Relay and ECM, ENG SNSR, and INJ Fuses - MR-140
Warning Lamps, Serial Data, Rough Road
Figure 6:

Engine Data Sensors - Main Throttle Intake Acuator (MTIA)


Object Number: 1471564  Size: FS
Master Electrical Component List
Fuel Controls - Fuel Pump Controls and Fuel Injectors
Ignition Controls Sensors
Figure 7:

Fuel Controls - Fuel Pump Controls and Fuel Injectors


Object Number: 1471565  Size: FS
Master Electrical Component List
Device Controls
Engine Data Sensors - Main Throttle Intake Acuator (MTIA)
Underhood Fuse Block - ECM Fuse
Underhood Fuse Block - ECM Fuse
Underhood Fuse Block - ECM Fuse
Underhood Fuse Block - ECM Fuse
Underhood Fuse Block - MAIN Relay and ECM, ENG SNSR, and INJ Fuses - MR-140
Underhood Fuse Block - Battery Feeds
Power, Ground and Gages - 1.4L/1.6L
Figure 8:

Device Controls


Object Number: 1471566  Size: FS
Master Electrical Component List
Controlled/Monitored Subsystem References
Fuel Controls - Fuel Pump Controls and Fuel Injectors
I/P Fuse Block - ECM Fuse
Underhood Fuse Block - MAIN Relay and ECM, ENG SNSR, and INJ Fuses - MR-140
Underhood Fuse Block - MAIN Relay and ECM, ENG SNSR, and INJ Fuses - MR-140
I/P Fuse Block - ECM Fuse
I/P Fuse Block - ECM Fuse
Figure 9:

Controlled/Monitored Subsystem References


Object Number: 1471567  Size: FS
Master Electrical Component List
Device Controls
Power, Ground and Gages - 1.4L/1.6L
MR-140
Compressor Controls - MR-140
Compressor Controls - MR-140
Module Power, Ground, Malfunction Indicator Lamp (MIL), Hold Lamp and Serial Data