GM Service Manual Online
For 1990-2009 cars only
Figure 1:

Driver Information Center, IPC, Fuse Block -- I/P, Power Brake (P/B) Booster Fluid Flow Switch, P/B Booster Pump and Motor, P/B Booster Pump Relay, Stoplamp Switch and Interface Module (L18)


Object Number: 725741  Size: FS
Master Electrical Component List
Brake Warning System Description and Operation
Brake Warning System Schematics - L18 2of 2
Battery and BRK, HORNS, and STOP LP Circuit Breakers, HD LP SW, HORN/STOP and IGN SW 1 Fuses
Power Distribution Schematics - IGN 1 Circuit Breaker, S232, S243
Ground Distribution Schematics - S105, S261, and S231
Engine Controls Schematics - Automatic Engine Shutdown and Warning
Brake Warning System Schematics - L18 2of 2
Brake Warning System Schematics - L18 2of 2
Brake Warning System Schematics - L18 2of 2
Brake Warning System Schematics - L18 2of 2
Brake Warning System Schematics - L18 2of 2
Brake Warning System Schematics - L18 2of 2
Brake Warning System Schematics - L18 2of 2
Brake Warning System Schematics - L18 2of 2
Brake Warning System Schematics - L18 2of 2
Brake Warning System Schematics - L18 2of 2
Brake Warning System Schematics - L18 2of 2
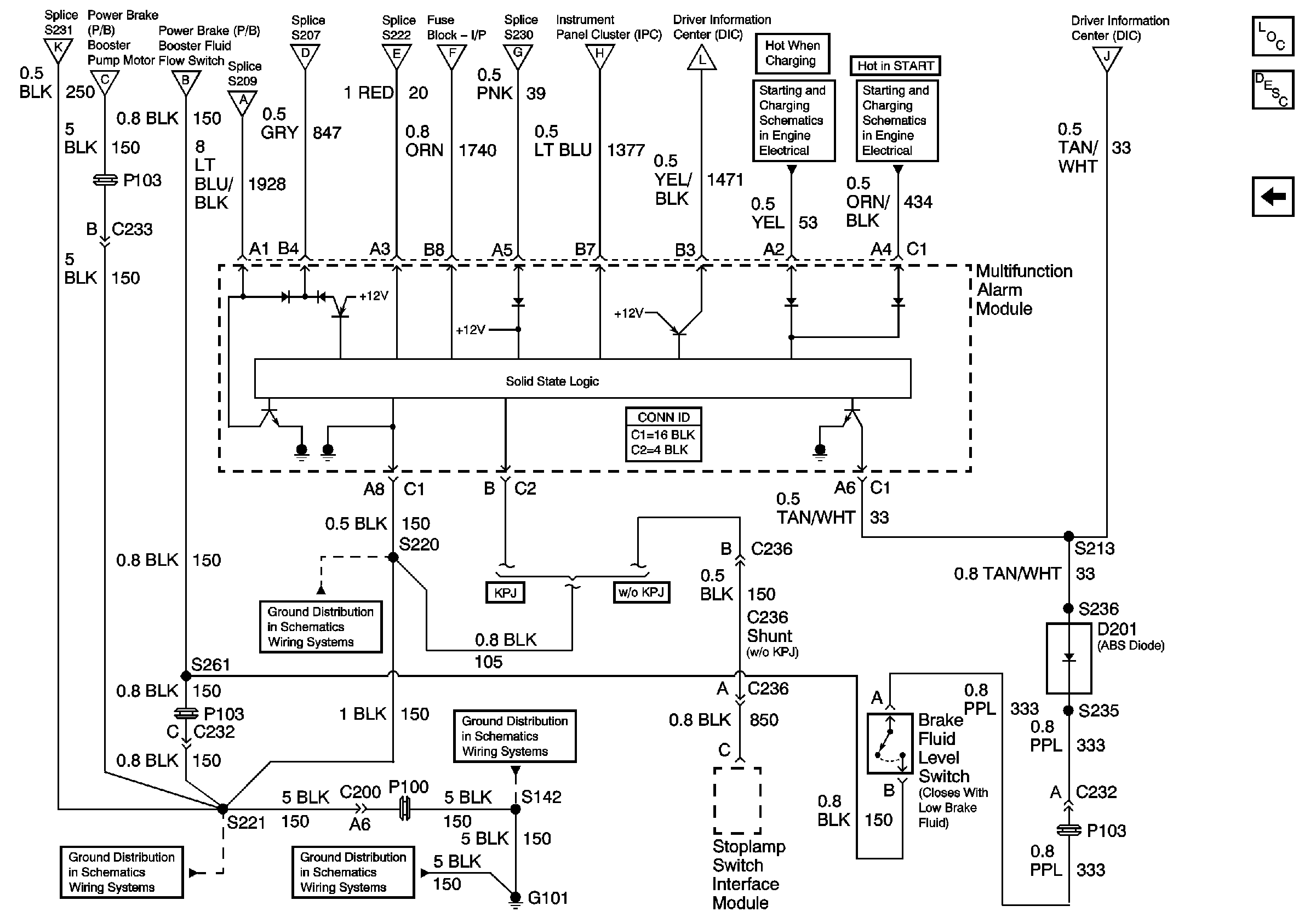
Figure 2:

Brake Fluid Level Switch, D201 (ABS Diode), Electronic Brake Control Module (EBCM), Multifunction Alarm Module (L18)


Object Number: 725742  Size: FS
Master Electrical Component List
Brake Warning System Description and Operation
Brake Warning System Schematics - LG5 1of 2
Brake Warning System Schematics - L18 1of 2
Brake Warning System Schematics - L18 1of 2
Starting and Charging Schematics - L18 Starting Circuit
Starting and Charging Schematics - L18 Charging Circuit
Brake Warning System Schematics - L18 1of 2
Brake Warning System Schematics - L18 1of 2
Brake Warning System Schematics - L18 1of 2
Brake Warning System Schematics - L18 1of 2
Brake Warning System Schematics - L18 1of 2
Brake Warning System Schematics - L18 1of 2
Brake Warning System Schematics - L18 1of 2
Brake Warning System Schematics - L18 1of 2
Brake Warning System Schematics - L18 1of 2
Brake Warning System Schematics - L18 1of 2
02Ground Distribution Schematics - G108, and S220 L18
Ground Distribution Schematics - S142, S178, S179, S405 and S409 L18
Ground Distribution Schematics - G102, and S138 L18
Ground Distribution Schematics - G207, G208, and S221 L18
Ground Distribution Schematics - G102, and S138 L18
Figure 3:

Driver Information Center, IPC, Fuse Block -- I/P, Power Brake (P/B) Booster Fluid Flow Switch, P/B Booster Pump and Motor, P/B Booster Pump Relay, Stop lamp Switch (LG5)


Object Number: 730422  Size: FS
Master Electrical Component List
Brake Warning System Description and Operation
Brake Warning System Schematics - LG5 2 of 2
Power Distribution Schematics - IGN 1 Circuit Breaker, S232, S243
Brake Warning System Schematics - L18 2of 2
Power Distribution Schematics - IGN 1 Circuit Breaker, S225, S226, S230
Instrument Cluster Schematics - IPC, Check Ind, ECT, and EOP Gages
Instrument Cluster Schematics - DIC, ABS, CHG OIL, DRL, EOS and HI Ind.
Ground Distribution Schematics - S105, S261, and S231
Brake Warning System Schematics - LG5 2 of 2
Brake Warning System Schematics - LG5 2 of 2
Brake Warning System Schematics - LG5 2 of 2
Brake Warning System Schematics - LG5 2 of 2
Brake Warning System Schematics - LG5 2 of 2
Brake Warning System Schematics - LG5 2 of 2
Brake Warning System Schematics - LG5 2 of 2
Brake Warning System Schematics - LG5 2 of 2
Brake Warning System Schematics - LG5 2 of 2
Brake Warning System Schematics - LG5 2 of 2
Brake Warning System Schematics - LG5 2 of 2
Figure 4:

Brake Fluid Level Switch, D201 (ABS Diode), Electronic Brake Control Module (EBCM), Multifunction Alarm Module, Stop Lamp Switch Interface Module (LG5)


Object Number: 791475  Size: FS
Master Electrical Component List
Brake Warning System Description and Operation
Brake Warning System Schematics - LG5 1of 2
Starting and Charging Schematics - LG5 Starting Circuit (2of2)
Starting and Charging Schematics - LG5 Charging Circuit
Brake Warning System Schematics - LG5 1of 2
Brake Warning System Schematics - LG5 1of 2
Brake Warning System Schematics - LG5 1of 2
Brake Warning System Schematics - LG5 1of 2
Brake Warning System Schematics - LG5 1of 2
Brake Warning System Schematics - LG5 1of 2
Brake Warning System Schematics - LG5 1of 2
Brake Warning System Schematics - LG5 1of 2
Brake Warning System Schematics - LG5 1of 2
Brake Warning System Schematics - LG5 1of 2
Brake Warning System Schematics - LG5 1of 2
Ground Distribution Schematics - S220, S229 LG5
Ground Distribution Schematics - S142 and S241 LG5
Ground Distribution Schematics - G108, G207, G208 and S221 LG5
Ground Distribution Schematics - G101, S138, S405 and S409 L18